欢迎来到第壹文秘! | 帮助中心 分享价值,成长自我!
第壹文秘
全部分类
  • 幼儿/小学教育>
  • 中学教育>
  • 高等教育>
  • 研究生考试>
  • 外语学习>
  • 资格/认证考试>
  • 论文>
  • IT计算机>
  • 法律/法学>
  • 建筑/环境>
  • 通信/电子>
  • 医学/心理学>
  • ImageVerifierCode 换一换
    首页 第壹文秘 > 资源分类 > DOCX文档下载
    分享到微信 分享到微博 分享到QQ空间

    第一章货物技术要求及其它.docx

    • 资源ID:288228       资源大小:25.09KB        全文页数:6页
    • 资源格式: DOCX        下载积分:5金币
    快捷下载 游客一键下载
    账号登录下载
    三方登录下载: 微信开放平台登录 QQ登录
    下载资源需要5金币
    邮箱/手机:
    温馨提示:
    快捷下载时,如果您不填写信息,系统将为您自动创建临时账号,适用于临时下载。
    如果您填写信息,用户名和密码都是您填写的【邮箱或者手机号】(系统自动生成),方便查询和重复下载。
    如填写123,账号就是123,密码也是123。
    支付方式: 支付宝    微信支付   
    验证码:   换一换

    加入VIP,免费下载
     
    账号:
    密码:
    验证码:   换一换
      忘记密码?
        
    友情提示
    2、PDF文件下载后,可能会被浏览器默认打开,此种情况可以点击浏览器菜单,保存网页到桌面,就可以正常下载了。
    3、本站不支持迅雷下载,请使用电脑自带的IE浏览器,或者360浏览器、谷歌浏览器下载即可。
    4、本站资源下载后的文档和图纸-无水印,预览文档经过压缩,下载后原文更清晰。
    5、试题试卷类文档,如果标题没有明确说明有答案则都视为没有答案,请知晓。

    第一章货物技术要求及其它.docx

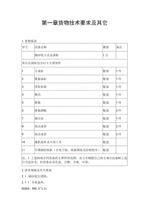
    第一章货物技术要求及其它1.货物需求序号设备名称数量备注镉回收立式压团机1台单台压团机包含以下主要部件1主油缸配套1件2推板油缸配套1件3四柱机架配套1件4模具配套1件5推板配套1件6推板侧板配套2件7液压站配套1件8高压油管配套2件9高压油管配套2件10随机备件及专用工具配套11不锈钢控制柜(含电子版、纸版图纸及控制程序)配套注:1.上述构成合同设备的主要供货范围,卖方可根据自己的方案在此基础上进行合适补充,但设备必须先进、完整、全新、可靠。2.技术规格及有关要求2.1 镉回收压团机:2.1.1 介质条件:H2S04:PH2.53.0;温度:40°C50°C;主要成分:镉渣;2.1. 2技术要求:1 .电动机功率:22KW(由投标单位核实)2 .额定压力:120T3 .液压系统额定压力:25Mpa4,液压系统流量:0108Lmin4 5.压饼尺寸:220InmXIoonlm5 6.控制方式:手动控制6 7.设备的模头、模腔、模板与原料接触部分,均镀有硬倍层2.3其它相关技术要求2.3.1投标人对所供的生产设备应逐项予以说明,包括设备功能组成、特点、技术性能、有关参数等。2.3.2投标人应提供详细的供货范围、主要外购件清单、价格、制造商及产地。2.3.3投标人生产工艺和关键设备性能应达到国内国际先进水平、选型、设计、制造、检验和测试标准符合国内国际相关先进标准。2.3.4本招标文件所提出的是最低限度的技术要求,并未对一切技术细节做出规定,也未充分引述有关标准和规范的条文。投标方应保证提供现行中国或国际通用标准的优质产品。* 投标人对所供的生产设备应逐项予以说明,包括设备功能组成、特点、技术性能、有关参数等。* 投标人对设备专业技术要求的相应性,对照以上要求逐项予以说明。* 投标人必须以所投设备的技术规格逐条应答并提供相应的描述,简单应答“满足”、“符合”、“达到”或照搬招标文件要求的应答,视为“不接受”招标文件要求。* 对带星号*)的技术参数必须在投标文件中提供技术支持资料,未提供的,评标时不予认可,作废标处理。3 .执行的技术标准和规范压团机的设计、制造必须执行现行的国家或行业标准。4 .供货范围:卖方基本工作范围为提供结构、设备主体和相关附件等,以组成一个功能完整的压团机设备装置。包括压团机本体,含主油缸、推板油缸、四柱机架、模具、推板、推板侧板、液压站、高压油管、测温测压元件等,并提供设计、制造、检验、试验、涂装、包装、运输以及从施工到运行全过程的技术指导、人员培训、质量保证和售后服务及其它相关服务等。以下为卖方必须提供的设备材料和服务:(1)压团机,包括压团机本体,含主油缸、推板油缸、四柱机架、模具、推板、推板侧板、液压站、高压油管、测温测压元件等、18个月的备品备件、专用工具等的详细设计、制造、检验和试验、涂装、包装、交付;(2)将货物送到买方指定的交货地点的运输及保险;(3)相关技术资料;(4)培训;(5)技术服务;(6)指导安装及调试;(7)售后服务及投标书中要求卖方提供的其它相关服务。5 .技术资料5.1 随投标书提供的技术资料:(1)设备的主要零部件材质和技术经济指标;(2)设备的详细技术说明,设备总图:(3)详细制造方案;设备结构(4)备品备件和消耗件一览表;(5)与本技术规定的偏离;(6)产品的型式试验和检测报告;(7)营业执照副本复印件(加盖公章)(8)税务登记证(国税、地税)(9)组织机构代码证(10)制造压团机的相关资质文件5 .2合同生效后卖方提交的技术资料合同生效后卖方提交的技术资料除双方约定的份数外均向买方提供一式2份,具体交付时间除特殊规定外,其它经双方协商后,在签订合同时确定。6 .2.1技术文件(1)卖方必须在合同生效后十天内提供:设备总图(应包括主要技术性能、设备重量、接口尺寸等)、设备的土建条件图,设备总图应附电子版,所提交的图纸及文件须由有关人员签字,并加盖供货厂商公章,以作为工程设计的最终依据;(2)设备的详细技术说明及要求;(3)设备管路图提供所有管口尺寸及管口表,设备用电总容量及明细、电气接口条件、气水接口条件等;(4)设备的型号、规格、性能;(5)所有设备的技术参数;(6)如对设计有要求以书面形式提出;(7)设备安装技术说明书;(8)操作和维护手册及培训手册;(9)设备的样本说明书;(10)设备供货清单及设备装箱清单;(H)随机备件清单;(12)二年备品备件清单;(13)专用工具清单;(14)外购设备和主要材料的合格证或材质证明书原件,产品合格证,及相关制造安全质量监督检验证明文件。具备特种设备使用、登记注册等相应的文件、资料。(15)出厂试验数据;7 .投标方的责任7.1 投标人对投标范围内设计、制造、技术服务、性能考核及整套设备的系统性、完整性、先进性、可靠性、安全性负责。所供应的设备必须符合相应的国家标准。7.2 投标人领取标书后应到买方单位勘察现场,了解设备的摆放地点和其他相关资料,由于投标人对买方现场勘察及了解相关信息不充分所导致的结果由投标人自行承担责任.8 .技术服务8.1 技术服务将作为供货内容的一部分,包括指导安装、调试、试生产验收、培训买方技术人员和其他技术服务。8.2 卖方须在投标时提供技术服务的详细内容和详细报价。卖方应在投标文件中列出指导安装、调试、技术服务、检验、培训等费用,价格计入投标总价。7. 3安装、调试和培训卖方根据买方的要求,派出合格的专业人员在买方的现场对设备进行指导安装和调试,以及对买方有关人员进行维修和操作的技术培训。8.合同特殊条款8.1 设备交货8.1.1 交货方式:卖方应负责将设备按标准进行妥善的包装,然后完整无损地运抵标书规定的目的地。8. L2交货期:合同生效后三个月内交货完毕。8.2交货地点:买方施工现场,自交货后,设备之所有权转移给需方(买方)。8. 3交货要求设备包装需要与设备清单相符,以便进行验收。货到交货地点后由双方人员共同点件验收,若系卖方的责任造成的破损、缺件、不符合合同要求,卖方应立即予以调换或补齐,若造成交货期延误由中标方负责。8.4安装调试及试运行8. 4.1设备现场安装时,卖方应派专业人员到现场进行设备的安装指导、调试工作。8. 4.2设备试运行前,卖方向用户提出负荷试运行方案,由用户负责组织实施,卖方派人参加。8. 4.3试车:试运行期间,卖方应派人到现场服务,负荷试车连续运行72小时无故障,并能满足甲方提供的技术要求。8. 5性能考核和最终验收8. 5.1在装置建成投产后,应在设计工况条件下进行考核运行,用户提前通知卖方,并在卖方有人参加的条件下,按照规定的参数进行考核运行72小时,符合要求后,正式验收。9. 5.2性能考核的结果应做出记录,并在考核完成后的3天内,由双方代表在记录上签字。10. 5.3卖方在设备性能考核前,提供性能考核计划表,性能考核应在第一次投料全负荷连续稳定运转后1个月内完成。11. .4如果规定的保证值,在性能考核期间顺利达到,则双方代表应在3天内签署卖方准备的合同装置验收证明书一式4份,此时,认为设备已通过验收。8.6最终验收测试及测试方法。按国家和行业现行规定的设备测试方法进行。8.7 质量保证8. 7.1质保期:从用户签署验收合格报告之日起开始计算质量保证期,保证期为系统正式投运起12个月。9. 7.2卖方提供的设备应符合现行有关技术标准的规定和技术文件的要求,附属设备必须满足技术文件和各自的产品技术标准,并附有合格证和试验报告,其质量由卖方负责。10. 7.3在质量保证期内,卖方应保证设备的正常运行,负责设备的免费维修和更换。当设备在质量保证期内发生质量事故,卖方应承担相应的法律责任和经济损失。11. 7.4因设备质量问题出现故障时,卖方应接到用户通知后24小时内赶到现场处理(响应时间:12小时)。12. 7.5卖方编制培训资料,对买方的操作人员和维修人员进行生产、工艺、维修技术培训。8.8 运输8.8.1运输由卖方提供,运费及相关费用单独报价,计入合同总价中。8.8.2所有部件应加以固定并有防雨、防潮、防振措施,以防在运输过程中可能发生的损坏。8.8.3运送设备到买方施工现场8.8.4所有设备在发运后并不意味着卖方的责任的解除,卖方对其设备的责任将维持到买方同意完全接受为止。8.9付款方式:8.9.1合同双方签字盖章后立即生效。8.9.2卖方将合同约定的设备试验合格后,产品运到买方现场,卖方提供全款13%增值税专用发票,买方向卖方支付合同总价的60%的货款。8.9.3整体设备完成安装、试运转、验收合格后或全部设备到货后六个月内买方向卖方再付合同总价30%的货款。两种付款方式以条件先到为准。8.9.4设备质保期满后,买方向卖方无息支付合同总金额10%。8 .9.5卖方可接受不超过6个月的承兑汇票。9 .其它9.1 合同生效后不能按期交货,按招标文件第三章的有关内容处理。9.2 中标后,所签经济合同系封闭合同。9.3 技术文件中带*的商务及其它条款为主要条款,对这些条款的任何偏离将可能导致废标

    注意事项

    本文(第一章货物技术要求及其它.docx)为本站会员(p**)主动上传,第壹文秘仅提供信息存储空间,仅对用户上传内容的表现方式做保护处理,对上载内容本身不做任何修改或编辑。 若此文所含内容侵犯了您的版权或隐私,请立即通知第壹文秘(点击联系客服),我们立即给予删除!

    温馨提示:如果因为网速或其他原因下载失败请重新下载,重复下载不扣分。




    关于我们 - 网站声明 - 网站地图 - 资源地图 - 友情链接 - 网站客服 - 联系我们

    copyright@ 2008-2023 1wenmi网站版权所有

    经营许可证编号:宁ICP备2022001189号-1

    本站为文档C2C交易模式,即用户上传的文档直接被用户下载,本站只是中间服务平台,本站所有文档下载所得的收益归上传人(含作者)所有。第壹文秘仅提供信息存储空间,仅对用户上传内容的表现方式做保护处理,对上载内容本身不做任何修改或编辑。若文档所含内容侵犯了您的版权或隐私,请立即通知第壹文秘网,我们立即给予删除!

    收起
    展开