欢迎来到第壹文秘! | 帮助中心 分享价值,成长自我!
第壹文秘
全部分类
  • 幼儿/小学教育>
  • 中学教育>
  • 高等教育>
  • 研究生考试>
  • 外语学习>
  • 资格/认证考试>
  • 论文>
  • IT计算机>
  • 法律/法学>
  • 建筑/环境>
  • 通信/电子>
  • 医学/心理学>
  • ImageVerifierCode 换一换
    首页 第壹文秘 > 资源分类 > DOCX文档下载
    分享到微信 分享到微博 分享到QQ空间

    电梯日常维保及消缺技术方案.docx

    • 资源ID:287980       资源大小:40.41KB        全文页数:8页
    • 资源格式: DOCX        下载积分:5金币
    快捷下载 游客一键下载
    账号登录下载
    三方登录下载: 微信开放平台登录 QQ登录
    下载资源需要5金币
    邮箱/手机:
    温馨提示:
    快捷下载时,如果您不填写信息,系统将为您自动创建临时账号,适用于临时下载。
    如果您填写信息,用户名和密码都是您填写的【邮箱或者手机号】(系统自动生成),方便查询和重复下载。
    如填写123,账号就是123,密码也是123。
    支付方式: 支付宝    微信支付   
    验证码:   换一换

    加入VIP,免费下载
     
    账号:
    密码:
    验证码:   换一换
      忘记密码?
        
    友情提示
    2、PDF文件下载后,可能会被浏览器默认打开,此种情况可以点击浏览器菜单,保存网页到桌面,就可以正常下载了。
    3、本站不支持迅雷下载,请使用电脑自带的IE浏览器,或者360浏览器、谷歌浏览器下载即可。
    4、本站资源下载后的文档和图纸-无水印,预览文档经过压缩,下载后原文更清晰。
    5、试题试卷类文档,如果标题没有明确说明有答案则都视为没有答案,请知晓。

    电梯日常维保及消缺技术方案.docx

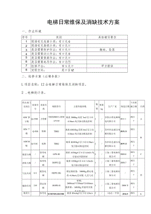
    电梯日常维保及消缺技术方案一、作业环境序号类别具体填写要求1现场有无危害介质:有口无02现场有无易燃介质:有口无口3是否需要防护作业:有口无口触电、坠落4是否需要动火作业:有口无05是否需要登高作业:有口无口6是否需要起吊作业:有口无7检修平台:有S无口甲方提供8受限空间:是口否IZ二、检修方案(必填条款)L项目名称:12台电梯日常维保及消缺项目。2 .电梯统计表。所在部门及岗位设备位号设备名称规格型号主要性能参数数量重量kg生产厂家制造日期下次检测日期归类ADC新干燥Q-35082'货梯THJ20000.5-JXW-VVVF载重2000kg高度7m2层2站0.50ms曳引驱动集选控制1/多快江阴电梯制造有限公司2011.12021.7AADe干燥Q-508货梯TBKJ载重IOOOkg高度6m2层2站0.50ms曳引驱动集选控制1/苏州科达液压电梯有限公司2019.112021.BADCM配Q-5101电梯TBKJ载重IOOOkg3层3站0.50ms曳引驱动集选控制1/苏州科达液压电梯有限公司2019.112021.7集团大楼/客用电梯GPS-III载重1050kg4层4站LOnI/s曳引驱动并联控制2/上海三菱电梯有限公司2008.82021.7C质检大楼/客用电梯HOPE-载重1050kg4层4站1.OmZs曳引驱动集选控制1/上海三菱电梯有限公司2008.72021.7D气化车间611载货电梯HOPE-IIG额定载重量:3000Kg,额定速度:0.50ms,层站数:九层九站1/上海三菱电梯有限公司/2021.7辅助车间210筒仓客梯HOPE-II轿厢:2000mm*1750mm*21OOmm载重量:160OKg常温常压提升高度40m1/上海三菱电梯有限公司2008年2021.7集团大客用电SCHINDLER3300载重IOookg3层3站LOm/s2/(迅达)中国2016.92021.E楼南侧梯Apmrliooovfio0C09曳引驱动并联控制电梯公司7集团大楼西楼客用电梯HYPEX7200载重IoOOkg4层4站1.0ms曳引驱动集选控制1/快速电梯有限公司2016.72021.7F醋酸大楼客用电梯TE-Evolutionl载重1OOOkg4层4站1.Om/s曳引驱动集选控制1蒂森克虏伯电梯(上海)有限公司2016.72021.7G3 .施工内容及要求:3.1 常规维保:运行、起升机构、电器及安全附件检查保养,确保电梯日常安全运行,满足甲方需要:严格遵守电梯安全技术规范,至少每15日对电梯及安全设施进行一次预防性保养;每月不少于一次对安全装置、钢丝绳、制动器、接触器和其他运转部件的外观和运转情况进行检查等;每季度进行一次按照电梯安全技术规范,进行一次季度维保内容检查。急修:全天候24小时服务,接到故障报告后,应在30分钟内赶到现场并完成排险救援工作。3.2 故障消缺:甲方电梯零部件有损坏时,经甲方认可后,更换零部件至电梯正常使用。3 .3维保期内确保电梯安全检测年检合格,限速器按电梯检测部门的规定,每两年校验一次,电梯每年年检一次,并取得检验合格证书,并承担检测费用。4 .根据市特检院要求5年以上客用电梯需作动载试验(数量7台),其中3台2020年10月前结束,4台在2021年10月前结束,每台费用1200元/台,该费用由乙方承担。5 .故障消缺及根据实际情况更换易损件。5.1 检修过程中涉及的易损件由乙方提供,费用由乙方承担。5.2 易损更换备件清单如下:5.2.1提供部分型号规格如下表。5.2.2未提供配件型号规格,需要维保单位按照以上电梯统计表中按电梯归类A-G七类不同厂家和型号分别填写备件规格型号。如有需要甲方可以现场踏勘。序号主要配件单位葭”A型号规格B型号规格C型号规格D型号规格E型号规格F型号规格G型号规格1门锁触点只1ACK-2AZ-05AZ-O61AZ-051CR2-AZAZ-06SELl-AlZ2按钮只1LA38-11ZSBA40。P235801按钮Dal80LA42PMT42AlJ18483机械蛾只IL1AP131910CNS131036C0374钥题开关把12N02NCKZlO-IIOOODl280SK-X5门滑块块1A款B款LGS200K2006JfdMS套17门触点只1KF9074SEL1/2-A1ZAZ-06AZ-O6SELl-AlZAS-06SZ-068自打绳根16607809蝇鸣器只1SFB-SSSFM-27FM-1FM-1A4J23761BJ-IIEK10灯元件只1LED灯泡LED灯贴LEDT5LEDTB井道灯LA42AD1611限速开关只1LlSKUST13751375SNMllI-SP-C-R1370TM13O712微动开关只1Z-15GQ-BX>1OGD>BX-IOGD-BBI1307RZ-15GQ-3BLXW5-11D13拉at根1425615560805375755H保险管只18.5*31.511*51(>306*30252*5818385*2015吊门滚轮只185*20*6204250*20*620175*50*620475*65*620476*25*620270*17*620075*24*620416粒衬只1IQMM16H型16M0X-+29M型IOM17轴流风机台1PB-9KFBT20BJFBTWHB-9B8015XZ422A1203818继电SS只1MY2NJMY4NJYX301D608-(MYX301D608-04.DRM570024RD6G-38119接触器只1MG6-BFDILM32-10SD-N21SD-N21IjC1D381jC1D50I.C1D3220油杯只1方形RI.-83R1-83Yb-IO圆形21光幕套1D24591C8D2459LC8MSG-154P-M7CBMSG-151P-M7CBSFT-6321-P22ONWKGTAWECO-917A6122钢丝绳m1Gnm6mn6m6n6<nm6am&nm23应急灯只1ct>zfzd-e3w222YA-ZFZD-E5W-A01-2Y3O2583GS11P341IOOBOOOGOlZY-ZFZD-E3WALED双头应急灯21主板只1Fl10927KM763640GOlKa)-701全新原装P203715全新原装KM763643H03EMA6I0FST-SM-04-Y25电源板只1P203722BP366718BP2O3722B0O0GO1P203722BOOOGOlP23170BMF3RD-125B26轿Tji板只1MT372ZXZPGLDoRTU全新7470P231701P3722BMCTC-CTBP231706B00127制动器只1YS1018034GS12YsioibomgS12DZE-HMXI828主机曳引轮包括轿顶和对重的轮子套1480512520-5-10-15400-5-10-15480*485*6*I2930029随行电缆m13*6+13*1+13*1.52*1.57*1.512*1.52*2.530外招板只1SCL-CSsc-v.LHH-100AC24P366701XEPGL-IOJMH4MS3-SG31内招板只1HK2O-B2SX-8606-V1.OLHS-200P235710/UIA-023MCTC-HCBD1MF3NWT153U332限速着整套套1单项双项Xs3-b260*30*600333门机控制器套1YS-KOlFE-D3000-A-GlAAD03040D-OLAAD03020DKTOlAAD0302BG211-DZ21C34门机马达只1TS5246N2418HES-0512-2MHCSE-JRYTJ031-14YSMB7124Z65AC-01535皮带根1B3550B4115C53008PK995360J(PJ914A1372SPA137236门刀只1FED-0701KM902670G13P161107BO00G050009P161107BOOOG21FED-0701SK200SK30037钢丝绳m18«n8mSam8«n8m8d8mm38钢丝绳m1IOmmIOnmIOmnIOrnaIOrunIOnmIOnm39钢丝绳m112mm12vn120m12mn12MnI2m12rn三、维保工期要求(必填条款)1.2020年9月10日至2022年9月9日。四、验收标准(必填条款)1 .电梯运行无异音。2 .轿厢运行、起升平稳。3 .电气动作灵活,无异常。五、质保要求(必填条款)质保:备件更换质保期半年。六、环保要求(选填条款,根据实际情况可选择填写,无可删除)更换的零部件、废油、检

    注意事项

    本文(电梯日常维保及消缺技术方案.docx)为本站会员(p**)主动上传,第壹文秘仅提供信息存储空间,仅对用户上传内容的表现方式做保护处理,对上载内容本身不做任何修改或编辑。 若此文所含内容侵犯了您的版权或隐私,请立即通知第壹文秘(点击联系客服),我们立即给予删除!

    温馨提示:如果因为网速或其他原因下载失败请重新下载,重复下载不扣分。




    关于我们 - 网站声明 - 网站地图 - 资源地图 - 友情链接 - 网站客服 - 联系我们

    copyright@ 2008-2023 1wenmi网站版权所有

    经营许可证编号:宁ICP备2022001189号-1

    本站为文档C2C交易模式,即用户上传的文档直接被用户下载,本站只是中间服务平台,本站所有文档下载所得的收益归上传人(含作者)所有。第壹文秘仅提供信息存储空间,仅对用户上传内容的表现方式做保护处理,对上载内容本身不做任何修改或编辑。若文档所含内容侵犯了您的版权或隐私,请立即通知第壹文秘网,我们立即给予删除!

    收起
    展开