欢迎来到第壹文秘! | 帮助中心 分享价值,成长自我!
第壹文秘
全部分类
  • 幼儿/小学教育>
  • 中学教育>
  • 高等教育>
  • 研究生考试>
  • 外语学习>
  • 资格/认证考试>
  • 论文>
  • IT计算机>
  • 法律/法学>
  • 建筑/环境>
  • 通信/电子>
  • 医学/心理学>
  • ImageVerifierCode 换一换
    首页 第壹文秘 > 资源分类 > DOCX文档下载
    分享到微信 分享到微博 分享到QQ空间

    电子机械行业企业税收风险特征表.docx

    • 资源ID:279305       资源大小:88.70KB        全文页数:45页
    • 资源格式: DOCX        下载积分:5金币
    快捷下载 游客一键下载
    账号登录下载
    三方登录下载: 微信开放平台登录 QQ登录
    下载资源需要5金币
    邮箱/手机:
    温馨提示:
    快捷下载时,如果您不填写信息,系统将为您自动创建临时账号,适用于临时下载。
    如果您填写信息,用户名和密码都是您填写的【邮箱或者手机号】(系统自动生成),方便查询和重复下载。
    如填写123,账号就是123,密码也是123。
    支付方式: 支付宝    微信支付   
    验证码:   换一换

    加入VIP,免费下载
     
    账号:
    密码:
    验证码:   换一换
      忘记密码?
        
    友情提示
    2、PDF文件下载后,可能会被浏览器默认打开,此种情况可以点击浏览器菜单,保存网页到桌面,就可以正常下载了。
    3、本站不支持迅雷下载,请使用电脑自带的IE浏览器,或者360浏览器、谷歌浏览器下载即可。
    4、本站资源下载后的文档和图纸-无水印,预览文档经过压缩,下载后原文更清晰。
    5、试题试卷类文档,如果标题没有明确说明有答案则都视为没有答案,请知晓。

    电子机械行业企业税收风险特征表.docx

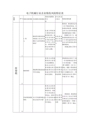
    电子机械行业企业税收风险特征表税种序弓税收风险领域具体税收风险描述风险识别和检查方法涉及的会计科目税收政策依据11.收入财政性补贴和其他补贴收入以及不征税收入是否按规定核算?从地方财政部门调取财政补贴发放名单,核查企业实收资本/银行存款/营业外收入等科目,审核是否按规定核算和计入收入总额。实收资本银行存款营业外收入财政部、国家税务总局关于财政性资金、行政事业性收费、政府基金有关企业所得税政策问题的通知财税2008151号,财政部国家税务总局关于专项用途财政性资金企业所得税处理问题的通知(财税201170号所得税2期间费用预提费用税前扣除不符合规定查看企业预提费用科目借贷方及余额情况,核实企业在汇算清缴结束后预提费用对应的成本费用实际列支情况。预提费用管理费用营业费用财务费用国家税务总局关于进一步加强税收征管若干具体措施(国税发12009)114号)规定,根据国家税务总局关于企业所得税若干问题的公告(国家税务总局公告2011年第34号)规定,3营业费用销售费用中介手续费和佣金的支出是否合规?检查企业的营业费用和销售费用科目,查看中介和雇佣合同协议,审核中介手续费和佣金的支出是否符合规定。营业费用销售费用现金银行存款财政部、国家税务总局关于企业手续费及佣金支出税前扣除政策的通知(财税(2009)29号)规定:4成本费用使用不符合规定发票列支成本费用查看期间费用和成本等账簿及相关原始凭证,检查列支成本费用的原始凭证情况。管理费用营业费用销售费用营业成本或销售成本中华人民共和国发票管理办法第二十一条,国家税务总局关于进一步加强普通发票管理工作的通知国税发200880号文件规定5成本费用固定资产、存货的损失核算是否正确,报备手续是否齐全?查看固定资产库存商品原材料科目,核对存活盘点表,核实固定资产、存货的非正常损失税前列支是否符合规定。资原商营支待财溢费他款税应值进定料存外理损理其收交一增<转,固产材库品业出处产管用应应金交税项出中华人民共和国企业所得税法第八条,中华人民共和国企业所得税法实施条例第三十二条,企业资产损失所得税税前扣除管理办法(国家税务总局公告2011年第25号)第五条规定,6收入资产盘盈是否计入收入?抽查企业的固定资产、库存商品、原材料等进行账实核对,核查企业的往来帐簿。固定资产原材料库存商品待处理财产损溢营业外收入中华人民共和国企业所得税法第六条。中华人民共和国企业所得税法实施条例第二十二条企业所得税法第六条第(九)项,企业所得税法第六条第(一)项至第(八)项7收入长期挂预收账款业务未计提收入少缴企业所得税1O看生,账,生和况业报否定查的同收目业度情企申是规收预款税业帐得营入收所企业所得税法实施条例第二十三条查看应付福利费帐簿,以及管理费用、销售费用支出中属于应付福利费管理费用营业费用企业所得税法实职工福利施条例第四十应付福利福利性质的支的未按照条,国税函费出不符合规定职工福利(2009)3号文件核算部分,第三条,实施条核实企业福利性质的支出是否符合规定,是否超例第四十条8比例列支。中华人民共和查看财务国企业所得税费用、银行法第八条规定,存款、其它中华人民共和应收款、其财务费用、其它应收款、其它应付款、银行存款国企业所得税法它应付款实施条例第二承担与企业生等科目,审十七条,中华人财务费用产经营无关的核企业借民共和国企业所贷款利息等费款和贷款得税法实施条用合同,掌握例第三十八条,取得款项国家税务总局的流向及关于企业所得税用途,检查应纳税所得额若利息支付干税务处理问题情况。的公告(国家9税务总局公告2012年第15号)查看公司章程中股东构成情况,了解企业涉及的主营业务收入、主营业务成本、库存商品、原材料、预收账款、应收帐款、应付帐款、应交税金一应交增值税(销项税)收入成本关联交易是否符合独立交易原则?是否少计收入,少缴企业所得税?是否因为关联企业之间的交易,转移税负。关联关系。查看主营业务收入、主营业务成本,库存商品、原材料、应收应付帐款等科目,核实企业是否存在关联企业之间购销价格异常的情税收征管法第三十六条,税收征管法实施细则第五H一条,10况11企业所得税-成本费用-职工工资存在尚未实际发放的工资薪酬情况重点审计“应付职工薪酬”(应付工资)、“其他应付款”、“管理费用”、“营业费用”、“生产成本”科目,看是否实际发放应付职工薪酬(应付工资)、其他应付款、管理费用、营业费用、生产成本中华人民共和国企业所得税法第三十四条12企业所得税-成本费用-社会保险费用存在已计提保险费用未实际缴纳的情况重点审计“应付职工薪酬”(应付工资)、“其他应付款”“管理费用”、“营业费用”、“生产成本”科目,看是否实际缴纳应付职工薪酬(应付工资)、其他应付款、管理费用、营业费用、生产成本中华人民共和国企业所得税法第三十五条13成本费用应计入固定资产项目未计入固定资产核实企业大额的一次性计入费用的支出,未计入固定资产或无形资产或长期待摊费用,是否属于应划为固定资产或无形资产计提折旧或摊销在建工程、固定资产、无形资产、累计折旧、累计摊销、长期待摊费用、销售费用、本年利润企业所得税法及其实施细则14成本费用未按照规定年限提取固定资产折旧核实企业固定资产账目,是否符合折旧年限规定固定资产、累计折旧、本年利润企业所得税法及其实施细则15成本费用各类成本费用是否符合支出标准检查企业账簿,是否有赞助、罚款、与生产经营无关的支出税前列支,利息扣除是否符合标准管理费用、销售费用、财务费用、本年利润企业所得税法及其实施细则16成本费用业务招待费是否在税前已经调整查看管理费用、销售费用下的业务招待费以及企业年度所得税纳税申报表附表(三)管理费用、销售费用中华人民共和国所得税法实施条例第四十三条17管理费用支付关联企业管理费用查看管理费用明细账管理费用中华人民共和国所得税法实施条例第四十九条以及国家税务总局关于母子公司间提供服务支付费用有关企业所得税处理问题的通知(国税发(2008)86号)18成本费用为职工缴纳补充医疗保险、补充养老保险重点审计“应付职工薪酬”(应付工资)、“其他应付款”“管理费用”、“营业费用”、“生产成本”科目,看是否实际缴纳管理费用、销售费用中华人民共和国所得税法实施条例第三十五条第二款以及财政部国家税务总局关于补充养老保险费补充医疗保险费有关企业所得税政策问题的通知(财税(2009)27号)19成本费用为职工缴纳商业保险重点审计“应付职工薪酬”(应付工资)、“其他应付款”“管理费用”、“营业费用”、“生产成本”科目。应付职工薪酬(应付工资)、其他应付款、管理费用、营业费用、生产成本中华人民共和国所得税法实施条例第三十六条20多计费用研究开发费用的50%加计扣除研究开发费用年度申报表21调整收入是否用于研究开发软件产品和扩大再生产退税使用情况营业外收入超3%所退税款由企业用于研究开发软件产品和扩大再生产,不作为企业所得税应税收入,不予征收企业所得税。22多列费用资本化项目列销售费用销售费用异常发生额销售费用23所得税优惠政策高新技术企业是否在有效期内,享受企业高新技术的有关优惠;是否符合税法规定查阅所得税法及实施条例对于高新技术优惠条件的规定应交税金-所得税中华人民共和国所得税法及实施条例24主营业务成本的审核主营业务成本归集是否准确审核明细账与总账、报表(在产品项目)是否相符;审核主营业务收入与主营业务成本等账户及其有关原始凭证,确认企业的经营收入与经营成本口径是否一致。主营业务成本、制造费用等科目中华人民共和国所得税法及实施条例25营业外支出的审核所得税法及实施条例规定不符合营业外支出项目,不得在税前扣除审核营业外支出项目是否符合税法规定营业外支出科目中华人民共和国所得税法及实施条例26营业费用审核列支不属于营业费用的项目审核明细表费用设置,是否符合营业费用范围及有关规定营业费用中华人民共和国所得税法及实施条例27管理费用审核列支不属于管理费用的项目审核列支项目是否符合税法规定,金额是否准确管理费用中华人民共和国所得税法及实施条例28财务费用审核应计利息是否及时列入本期财务损益;记账汇率的使用是否符合税法规定是否将应计利息收入列入本期损益、审核汇兑损益项目财务费用中华人民共和国所得税法及实施条例29企业所得税-税收优惠政策企业在享受企业所得税税收优惠政策时存在自行享受或虽已备案但备案资料与实际经营情况是否相符的情况加大所得税税收优惠政策跟踪问效的力度,加大纳税评估力度主营业务收入科目等企业所得税法及实施条例、自治区国税局自治区地税局2014年2号公告30企业所得税一税前扣除企业在计算所得税时存在税前扣除项目不合法的情况加大评估力度管理费用科目等企业所得税法及实施条例以分期收款方式销售货物的,未按照合同约定的收款日期确认收入的实现。核查企业的销售合同,看是否存在此类销售方式以及收入确认情况。“主营31收入销售货物收入以低于正常价的价格销售货物重点核查“主营业务收入”科目,看是销售货物计税价格是否明显偏低并无正当理由问题业务收入”、“其他业务收入”“应收账款”、“其他应收款”、中华人民共和国企业所得税法第六条;中华人民共和国企业所得税法实施条例第十四条;关于确认企业所得税收入若干问题的通知(国税函2008875号)销售给关联方的销售收入低于生产成本业联的来不立则企其应入得企关间往有独原少者方收所核其之务否合易减或联税者查与方业是符交而业关纳或额“其他应付款”、“预付账款”、“预收账款”处置处置废旧物资收入未计销售收入重点核查“其他业务收入”科目核实企业是否将货中华人民共物、财产、和国企业所得税劳务用于“营业法第六条;中捐赠、集外支华人民共和国企

    注意事项

    本文(电子机械行业企业税收风险特征表.docx)为本站会员(p**)主动上传,第壹文秘仅提供信息存储空间,仅对用户上传内容的表现方式做保护处理,对上载内容本身不做任何修改或编辑。 若此文所含内容侵犯了您的版权或隐私,请立即通知第壹文秘(点击联系客服),我们立即给予删除!

    温馨提示:如果因为网速或其他原因下载失败请重新下载,重复下载不扣分。




    关于我们 - 网站声明 - 网站地图 - 资源地图 - 友情链接 - 网站客服 - 联系我们

    copyright@ 2008-2023 1wenmi网站版权所有

    经营许可证编号:宁ICP备2022001189号-1

    本站为文档C2C交易模式,即用户上传的文档直接被用户下载,本站只是中间服务平台,本站所有文档下载所得的收益归上传人(含作者)所有。第壹文秘仅提供信息存储空间,仅对用户上传内容的表现方式做保护处理,对上载内容本身不做任何修改或编辑。若文档所含内容侵犯了您的版权或隐私,请立即通知第壹文秘网,我们立即给予删除!

    收起
    展开