欢迎来到第壹文秘! | 帮助中心 分享价值,成长自我!
第壹文秘
全部分类
  • 幼儿/小学教育>
  • 中学教育>
  • 高等教育>
  • 研究生考试>
  • 外语学习>
  • 资格/认证考试>
  • 论文>
  • IT计算机>
  • 法律/法学>
  • 建筑/环境>
  • 通信/电子>
  • 医学/心理学>
  • ImageVerifierCode 换一换
    首页 第壹文秘 > 资源分类 > DOCX文档下载
    分享到微信 分享到微博 分享到QQ空间

    沥青混合料铺筑人行道质量标准和检验方法.docx

    • 资源ID:278850       资源大小:15.96KB       
    • 资源格式: DOCX        下载积分:5金币
    快捷下载 游客一键下载
    账号登录下载
    三方登录下载: 微信开放平台登录 QQ登录
    下载资源需要5金币
    邮箱/手机:
    温馨提示:
    快捷下载时,如果您不填写信息,系统将为您自动创建临时账号,适用于临时下载。
    如果您填写信息,用户名和密码都是您填写的【邮箱或者手机号】(系统自动生成),方便查询和重复下载。
    如填写123,账号就是123,密码也是123。
    支付方式: 支付宝    微信支付   
    验证码:   换一换

    加入VIP,免费下载
     
    账号:
    密码:
    验证码:   换一换
      忘记密码?
        
    友情提示
    2、PDF文件下载后,可能会被浏览器默认打开,此种情况可以点击浏览器菜单,保存网页到桌面,就可以正常下载了。
    3、本站不支持迅雷下载,请使用电脑自带的IE浏览器,或者360浏览器、谷歌浏览器下载即可。
    4、本站资源下载后的文档和图纸-无水印,预览文档经过压缩,下载后原文更清晰。
    5、试题试卷类文档,如果标题没有明确说明有答案则都视为没有答案,请知晓。

    沥青混合料铺筑人行道质量标准和检验方法.docx

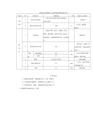
    沥青混合料铺筑人行道质量标准和检验方法类别序号检验项目质量标准单位检验方法及器具iJy项目1沥青混合料质量应符合设计要求和马歇尔试验配合比技术要求试验报告2路床与基层压实度92%环刀法、灌砂法灌水法般项II1外观质量表面应平整、密实,无裂缝、烂边、掉渣、推挤现象,接茬应平顺、烫边无枯焦现象,与构筑物衔接平顺、无反坡积水观察检查2沥青混合料压实度295%试验记录(马歇尔击实试件密度,试验室标准密度)3平整度沥青混凝土W5mm3m直尺和塞尺连续量两尺,取较大值其他74横坡±0.3%且不反坡水准仪测量5井框与路面高差5mm十字法,用直尺和塞尺量取最大值6厚度±5mm钢尺检查主控项目1)路缘石按每种、每检验批1组(3埃一般项目2)外观质量全数检查;直顺度每Ioom抽检1点。3)相邻块高差、缝宽、顶面高程每20m扫检1点。2质量标准及检验方法:见表

    注意事项

    本文(沥青混合料铺筑人行道质量标准和检验方法.docx)为本站会员(p**)主动上传,第壹文秘仅提供信息存储空间,仅对用户上传内容的表现方式做保护处理,对上载内容本身不做任何修改或编辑。 若此文所含内容侵犯了您的版权或隐私,请立即通知第壹文秘(点击联系客服),我们立即给予删除!

    温馨提示:如果因为网速或其他原因下载失败请重新下载,重复下载不扣分。




    关于我们 - 网站声明 - 网站地图 - 资源地图 - 友情链接 - 网站客服 - 联系我们

    copyright@ 2008-2023 1wenmi网站版权所有

    经营许可证编号:宁ICP备2022001189号-1

    本站为文档C2C交易模式,即用户上传的文档直接被用户下载,本站只是中间服务平台,本站所有文档下载所得的收益归上传人(含作者)所有。第壹文秘仅提供信息存储空间,仅对用户上传内容的表现方式做保护处理,对上载内容本身不做任何修改或编辑。若文档所含内容侵犯了您的版权或隐私,请立即通知第壹文秘网,我们立即给予删除!

    收起
    展开