欢迎来到第壹文秘! | 帮助中心 分享价值,成长自我!
第壹文秘
全部分类
  • 幼儿/小学教育>
  • 中学教育>
  • 高等教育>
  • 研究生考试>
  • 外语学习>
  • 资格/认证考试>
  • 论文>
  • IT计算机>
  • 法律/法学>
  • 建筑/环境>
  • 通信/电子>
  • 医学/心理学>
  • ImageVerifierCode 换一换
    首页 第壹文秘 > 资源分类 > DOCX文档下载
    分享到微信 分享到微博 分享到QQ空间

    变换水处理操作规程.docx

    • 资源ID:276123       资源大小:47.04KB        全文页数:3页
    • 资源格式: DOCX        下载积分:5金币
    快捷下载 游客一键下载
    账号登录下载
    三方登录下载: 微信开放平台登录 QQ登录
    下载资源需要5金币
    邮箱/手机:
    温馨提示:
    快捷下载时,如果您不填写信息,系统将为您自动创建临时账号,适用于临时下载。
    如果您填写信息,用户名和密码都是您填写的【邮箱或者手机号】(系统自动生成),方便查询和重复下载。
    如填写123,账号就是123,密码也是123。
    支付方式: 支付宝    微信支付   
    验证码:   换一换

    加入VIP,免费下载
     
    账号:
    密码:
    验证码:   换一换
      忘记密码?
        
    友情提示
    2、PDF文件下载后,可能会被浏览器默认打开,此种情况可以点击浏览器菜单,保存网页到桌面,就可以正常下载了。
    3、本站不支持迅雷下载,请使用电脑自带的IE浏览器,或者360浏览器、谷歌浏览器下载即可。
    4、本站资源下载后的文档和图纸-无水印,预览文档经过压缩,下载后原文更清晰。
    5、试题试卷类文档,如果标题没有明确说明有答案则都视为没有答案,请知晓。

    变换水处理操作规程.docx

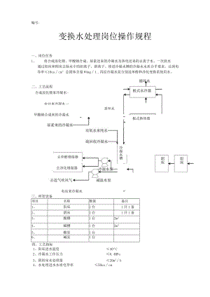
    编号:变换水处理岗位操作规程一、岗位任务1、将合成浪化锂、甲酸钠合成、尿素送来的冷凝水及热电送来的去离子水、一次软水通过阳床和阴床去除水中的阳离子、阴离子。使进冷凝水槽的冷凝水水质合乎要求。达到电导率10uscm°总固体含量W4mg1.再经冷凝水泵分别送单醇和净化变换系统用水。二、工艺流程合成浪化锂来冷凝水-电站来冷凝水一甲酸钠合成来的冷凝水盾环水去单醇增湿器去净化增湿器电站来冷凝水板式换热器冷凝水槽三、所管设备项目名称数量备注1、阳床2台1开1备2、阴床2台1开1备3、酸槽1台2m34、碱槽1台2m35、酸泵1台6、碱泵1台四、工艺指标1、阳床进水温度40C2、冷凝水工作压力0.4MPa3、阴阳床水处理量20m3h4、水处理进水水质电导率50uscm4、水处理出水水质电导率IOusZcm总固体含量4mg1.5、阳床再生用稀酸浓度3-4%6、阴床再生用稀碱浓度3%7、阳床失效指标Na+>500umo1.1.(阴床出口电导率超标后找白班分析做阳床Na,确认)8、阴床失效指标电导率+210uscm且阳床Na+2500umo1.1.五、工艺操作1、水处理投运、阳床、阴床再生完毕,清洗干净,具备开车条件。、冷凝水送至阀前,板式换热器用循环水送好备用,准备开车。、检查水处理所有阀门处于全关位置,开板式换热器冷凝水进口阀、出口阀。、开电站、合成、铜洗或尿素冷凝水进口总阀,引水去水处理。、开阳床进水阀,开排气阀排尽阳床内余气,当排气阀冒水后关排气阀,开正洗排水阀,取样分析水质合格后,关正洗排水阀,开阳床出水阀向阴床供水,、开阴床进水阀,开排气阀排尽阴床内余气,当排气阀冒水后关排气阀,开正洗排水阀,取样分析水质合格后,关正洗排水阀,开阴床出水阀送水回冷凝水槽。、待冷凝水槽液位在60%以上,净化或单醇变换系统需要用水时,开启一台冷凝水泵,用泵出口阀和去各系统分阀控制用水量。、及时联系电站、合成或尿素保证冷凝水的供给,如不能及时供应,应及时联系双氧水补充纯水,保证冷凝水槽液位及冷凝水泵的正常运行,在各系统无冷凝液送净化且冷凝水槽液位急剧下降的紧急情况下可将生活水作为备用水源。2、水处理停车如电站、合成、尿素冷凝水量不够或断水,或者来的所有冷凝水电导率都严重超标(250uscm),水处理需及时停车,冷凝水槽用水需及时倒换成纯水或电导率<10uscm的冷凝水直接进槽,保证变换系统的正常运行。、打开冷凝水槽纯水或电导率IOus/Cm的冷凝水直接进槽,关各冷凝水去水处理进口阀,关水处理板式换热器冷凝水送冷凝水槽阀,关板式换热器循环水回水阀,上水阀。、阳床、阴床分别按再生步骤再生好备用。3、水处理倒车A、阳床倒换、开备用阳床进水阀,开排气阀排尽阳床内余气,当排气阀冒水后关排气阀,开正洗排水阀,取样分析水质合格后,关正洗排水阀,开阳床出水阀。、关需退出的阳床进水阀,出水阀,如果需要再生则开反洗排水阀卸尽余压,如果需交出检修则开正洗排水阀卸尽余压。B、阴床倒换、开备用阴床进水阀,开排气阀排尽阴雨床内余气,当排气阀冒水后关排气阀,开正洗排水阀,取样分析水质合格后,关正洗排水阀,开阴床出水阀。、关需退出的阴床进水阀,出水阀,如果需要再生则开反洗排水阀卸尽余压,如果需交出检修则开正洗排水阀卸尽余压。4、水处理再生A、阳床再生、小反洗(设备中排进水,上排排水)开上排排水阀,用中部小反洗进水阀控制进水量约IOm3h,进行小反洗,时间约10分钟,待出水清澈后,关小反洗进水阀及排水阀。、再生(设备下部进水和稀酸,设备中部排出)开设备中部排水阀,开下排喷射器进水阀及底部稀酸阀,调节水量约2.2nh,开浓酸进口阀,调节酸量约6001.h(流量计指示最高位),再生阳床树脂,时间约50-60分钟。稀酸浓度控制3-4%,酸槽液位高度需下降0.4-0.5m.、置换(设备下部进水,设备中部排出)再生液进完后,关闭浓酸进口阀,只留水洗涤置换设备约3040分钟。、小正洗(设备上部进水,设备中部排出)置换完毕后,关闭喷射器进水阀及稀酸阀,打开运行进水阀,控制水量约IOm3/h时间约10分钟,进行小正洗。、大正洗(设备上部进水,下排排水)关闭设备中部排水阀,同时打开下排正洗排水阀,进行大正洗。洗至酸度稳定且Na+W500umo1.1.后停床备用。B、阴床再生、小反洗(设备中部进水,顶部排水)开顶部排水阀,用中部小反洗进水阀控制进水量约IOmOh,进行小反洗,时间约10分钟,待出水清澈后,关小反洗进水阀及排水阀。、再生(设备下部进水和稀碱,设备中部排出)开设备中部排水阀,开下排喷射器进水阀及底部稀碱阀,调节水量约2.2nh,开浓碱进口阀,调节碱量约6001.h(流量计指示最高位),再生阴床树脂,时间约50-60分钟。稀碱浓度控制3-4%,碱槽液位高度需下降0.4-0.5m.、置换(设备下部进水,设备中部排出)再生液进完后,关闭浓碱进口阀,只留水洗涤置换设备约3040分钟。、小正洗(设备上部进水,设备中部排出)置换完毕后,关闭喷射器进水阀及稀碱阀,打开运行进水阀,控制水量约IOm3/h时间约10分钟,进行小正洗。、大正洗(设备上部进水,下部排水)关闭设备中部排水阀,同时打开下部正洗排水阀,进行大正洗,洗至电导率W1.OUS/cm后停床备用。5、阴阳床平时只做小反洗再生(即设备中部进水,顶部排水),小反洗再生多次后,阴阳床运行周期明显缩短时,再生时需做大反洗再生,大反洗再生需改至设备下部进水,顶部排水),再生步骤与小反洗再生一致,只是再生用酸、碱量需增加一倍,酸槽、碱槽液位高度下降1m。编制:审核:审定:批准:

    注意事项

    本文(变换水处理操作规程.docx)为本站会员(p**)主动上传,第壹文秘仅提供信息存储空间,仅对用户上传内容的表现方式做保护处理,对上载内容本身不做任何修改或编辑。 若此文所含内容侵犯了您的版权或隐私,请立即通知第壹文秘(点击联系客服),我们立即给予删除!

    温馨提示:如果因为网速或其他原因下载失败请重新下载,重复下载不扣分。




    关于我们 - 网站声明 - 网站地图 - 资源地图 - 友情链接 - 网站客服 - 联系我们

    copyright@ 2008-2023 1wenmi网站版权所有

    经营许可证编号:宁ICP备2022001189号-1

    本站为文档C2C交易模式,即用户上传的文档直接被用户下载,本站只是中间服务平台,本站所有文档下载所得的收益归上传人(含作者)所有。第壹文秘仅提供信息存储空间,仅对用户上传内容的表现方式做保护处理,对上载内容本身不做任何修改或编辑。若文档所含内容侵犯了您的版权或隐私,请立即通知第壹文秘网,我们立即给予删除!

    收起
    展开