欢迎来到第壹文秘! | 帮助中心 分享价值,成长自我!
第壹文秘
全部分类
  • 幼儿/小学教育>
  • 中学教育>
  • 高等教育>
  • 研究生考试>
  • 外语学习>
  • 资格/认证考试>
  • 论文>
  • IT计算机>
  • 法律/法学>
  • 建筑/环境>
  • 通信/电子>
  • 医学/心理学>
  • ImageVerifierCode 换一换
    首页 第壹文秘 > 资源分类 > DOCX文档下载
    分享到微信 分享到微博 分享到QQ空间

    单位工程质量综合评价表.docx

    • 资源ID:275962       资源大小:26.21KB        全文页数:3页
    • 资源格式: DOCX        下载积分:5金币
    快捷下载 游客一键下载
    账号登录下载
    三方登录下载: 微信开放平台登录 QQ登录
    下载资源需要5金币
    邮箱/手机:
    温馨提示:
    快捷下载时,如果您不填写信息,系统将为您自动创建临时账号,适用于临时下载。
    如果您填写信息,用户名和密码都是您填写的【邮箱或者手机号】(系统自动生成),方便查询和重复下载。
    如填写123,账号就是123,密码也是123。
    支付方式: 支付宝    微信支付   
    验证码:   换一换

    加入VIP,免费下载
     
    账号:
    密码:
    验证码:   换一换
      忘记密码?
        
    友情提示
    2、PDF文件下载后,可能会被浏览器默认打开,此种情况可以点击浏览器菜单,保存网页到桌面,就可以正常下载了。
    3、本站不支持迅雷下载,请使用电脑自带的IE浏览器,或者360浏览器、谷歌浏览器下载即可。
    4、本站资源下载后的文档和图纸-无水印,预览文档经过压缩,下载后原文更清晰。
    5、试题试卷类文档,如果标题没有明确说明有答案则都视为没有答案,请知晓。

    单位工程质量综合评价表.docx

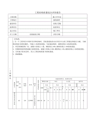
    工程结构质量综合评价报告工程名称施工许可证工程地点建筑面积建设单位结构/层数监理单位监督单位设计单位施工单位开工日期结构验收日期评价日期、工程概况应包括:1.当一个工程项目中同时有多种结构时,其权重值按各自在项目中占的工程量比例进行分配。当砌体结构仅为填充墙时,只能占10%的权重值;当砖混结构时,砌体结构占60%的权重值。2、单层轻钢结构厂房,混凝土结构占1佻,钢结构占80%,砌体结构占10%的权重值。3、有钢结构屋顶的混凝土框架结构,混凝土结构占80%,钢结构占10%,砌体结构占10%的权重值。4、当有地下防水层时,其占工程结构质量5%的权重值。5、基础数据:基础形式桩径(规格)(M)桩数(根)桩长持力层混凝土强度等级桩基检验型式、数量及结论静载/抗拔钻芯小应变超声波数量结论数f结论数S结论数量结论合格不合格I11I1.1.II1.IIIII1.III静压预应力离心管桩0.515422.98M强/全风化花岗岩C8045450133133未使用国家明令淘汰的建材、设备、耗能高的产品及挥发性有害物质含量超标的产品。口不均匀沉降结果为最大9,最小为7,差异沉降小于0.2%未超标,混凝土结构强度达到原设计要求,且未发现影响结构裂缝。未发现地下防水出现渗漏现象。未发生四级及以上的质量事故1、地基及桩基工程桩基检测:1、低应变法检测共1624根:其中1类桩1568根,II类桩56根,结果为合格;2、静载荷试验共45根,结果为合格;2、混凝土结构实体检验(应包括:钢筋保护层厚度检验的结构部位、构件数量、检验方法和验收符合规范10.1节和附录E的规定;钢筋保护层厚度检验的结构部位、构件数量、检测钢筋数量和位置等记录和资料应作为本表。)混凝土强度检验用同条件养护试件的留置、养护和强度代表值符合GB50204要求,同条件养护试件强度的检验结果符合GBJ107的有关规定;混凝土强度判定合格。本工程结构类型为门式钢架结构,现场焊缝总米数7900米,抽检百分之二十,为1595米。二、工程质量特点评价结构实体於强度回弹检测资料符合要求,其中MC厂房回弹检测5根基础地梁,3410厂房回弹检测20根基础地梁,3410厂房CUB回弹检测屋面梁5根,一层柱5根。结构碎钢筋保护层厚度检测资料符合要求,其中MC厂房检测共5根基础地梁,29个侧点部位的受力钢筋胫保护层厚度为35*49m,其中合格点数为29个,合格率为100%;3410厂房检测共20根基础地梁的受力钢筋硅保护层厚度检测结果符合GB50204-2015标准的规定;3410厂房CUB检测共5块板30个测点部位的纵向受力钢筋保护层厚度为22mm-4Omnb合格点为23个,合格率为923、验收:按规定监理单位组织了对地基与基础、主体结构等分部工程质量验收,验收时未发现影响结构安全的质量缺陷;经施工企业自评、监理评定、建设单位组织验收,符合现行验评标准优良等级要求,未发现影响结构安全和使用功能的质量缺陷。4、评价:地基及桩基工程评分96.625分,结构工程评价得分95.49分,工程结构评分得分95.717分。质量控制资料完整,有关安全和功能的检测资料完整,主要功能项目的抽查结果符合要求。现场质量保证条件优,性能检测达到设计和规范要求,质量记录完整,尺寸偏差及限值实测均合格,观感质量好,工程结构质量优良,单位工程质量符合现行评价标准优良等级要求,未发现影响结构安全和使用功能的质量缺陷。三、工程结构质量评价评分序号检查项目地基及桩基工程评价得分结构工程评价得分序号应得分实得分应得分实得分1现场质量保证条件101010102性能检测3532.3753028.653质量记录35352523.144尺寸偏差及限值实测15152019.145观感质量54.251514.566合计10096.625(100)95.497各部分权重值实得分A二地基及桩基工程评分×0.10=9.6625B=结构工程评分X0.40=38.1968工程结构质量评分(PG:95.717特色工程加分项目加分值(F):、P结=A+(O.7B1+0.2B2+0.IB3)/0.5+F=注:B1混凝土结构工程评价得分B3砌体工程评价得分当有地下防水层时,Ptt=(A+B)0.5×0.95+G×0.05+F=获部、省级及其以上科技进步奖,以及使用节能、节地、环保等先进技术获部、省级奖的工程可加0.53分口获部、省级科技示范工程或使用先进施工技术并通过验收的工程可加OS1.分四、工程结构评价小组意见附文件要求:1、特色工应加分文件、桩基检测报告、钢筋保护层检测报告2、桩基枪测选桩会议纪要、钢筋保护层检测选构件会议纪要3、桩基检测、钢筋保护层检测单位证明文件4、分户验收会议纪要、建筑节能专项验收纪要

    注意事项

    本文(单位工程质量综合评价表.docx)为本站会员(p**)主动上传,第壹文秘仅提供信息存储空间,仅对用户上传内容的表现方式做保护处理,对上载内容本身不做任何修改或编辑。 若此文所含内容侵犯了您的版权或隐私,请立即通知第壹文秘(点击联系客服),我们立即给予删除!

    温馨提示:如果因为网速或其他原因下载失败请重新下载,重复下载不扣分。




    关于我们 - 网站声明 - 网站地图 - 资源地图 - 友情链接 - 网站客服 - 联系我们

    copyright@ 2008-2023 1wenmi网站版权所有

    经营许可证编号:宁ICP备2022001189号-1

    本站为文档C2C交易模式,即用户上传的文档直接被用户下载,本站只是中间服务平台,本站所有文档下载所得的收益归上传人(含作者)所有。第壹文秘仅提供信息存储空间,仅对用户上传内容的表现方式做保护处理,对上载内容本身不做任何修改或编辑。若文档所含内容侵犯了您的版权或隐私,请立即通知第壹文秘网,我们立即给予删除!

    收起
    展开