欢迎来到第壹文秘! | 帮助中心 分享价值,成长自我!
第壹文秘
全部分类
  • 幼儿/小学教育>
  • 中学教育>
  • 高等教育>
  • 研究生考试>
  • 外语学习>
  • 资格/认证考试>
  • 论文>
  • IT计算机>
  • 法律/法学>
  • 建筑/环境>
  • 通信/电子>
  • 医学/心理学>
  • ImageVerifierCode 换一换
    首页 第壹文秘 > 资源分类 > DOCX文档下载
    分享到微信 分享到微博 分享到QQ空间

    维修电工4.2.5项目评分细则表.docx

    • 资源ID:267357       资源大小:16.79KB       
    • 资源格式: DOCX        下载积分:5金币
    快捷下载 游客一键下载
    账号登录下载
    三方登录下载: 微信开放平台登录 QQ登录
    下载资源需要5金币
    邮箱/手机:
    温馨提示:
    快捷下载时,如果您不填写信息,系统将为您自动创建临时账号,适用于临时下载。
    如果您填写信息,用户名和密码都是您填写的【邮箱或者手机号】(系统自动生成),方便查询和重复下载。
    如填写123,账号就是123,密码也是123。
    支付方式: 支付宝    微信支付   
    验证码:   换一换

    加入VIP,免费下载
     
    账号:
    密码:
    验证码:   换一换
      忘记密码?
        
    友情提示
    2、PDF文件下载后,可能会被浏览器默认打开,此种情况可以点击浏览器菜单,保存网页到桌面,就可以正常下载了。
    3、本站不支持迅雷下载,请使用电脑自带的IE浏览器,或者360浏览器、谷歌浏览器下载即可。
    4、本站资源下载后的文档和图纸-无水印,预览文档经过压缩,下载后原文更清晰。
    5、试题试卷类文档,如果标题没有明确说明有答案则都视为没有答案,请知晓。

    维修电工4.2.5项目评分细则表.docx

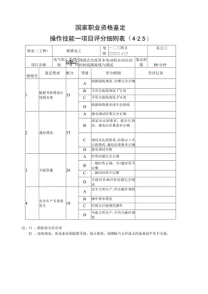
    国家职业资格鉴定操作技能一项目评分细则表(42.5)职业(工种)维修电工等级一二三四五其它项目名称电气控制定容L绕线式交流异步电动机自动启动控制线路接线与调试鉴定时限80分钟细则号鉴定要求配分等级评分细则考评记录1根据考核图进行线路安装35A线路接线规范、步骤完全正确B不符合接线规范12处C不符合接线规范34处D线路接线错误或不会接线2通电调试35A通电调试结果完全正确B调试未达到要求,能自行修改,通电后结果基本正确C调试未达到要求,经提示1次后能修改,通电结果基本正确D通电调试失败3书面答题20A回答问题完全正确B一题回答正确,另题回答不完整C二题均回答不完整D不能回答或回答问题完全错误4安全生产无事故发生10A安全文明生产,符合操作规程B操作基本规范C经提示后能规范操作D不能文明生产,不符合操作规程注:1)、阴影处为否决项2)、接线规范:按设备容量配置导线,接点紧密,线槽板与元件接点的连接线平直不交叠。

    注意事项

    本文(维修电工4.2.5项目评分细则表.docx)为本站会员(p**)主动上传,第壹文秘仅提供信息存储空间,仅对用户上传内容的表现方式做保护处理,对上载内容本身不做任何修改或编辑。 若此文所含内容侵犯了您的版权或隐私,请立即通知第壹文秘(点击联系客服),我们立即给予删除!

    温馨提示:如果因为网速或其他原因下载失败请重新下载,重复下载不扣分。




    关于我们 - 网站声明 - 网站地图 - 资源地图 - 友情链接 - 网站客服 - 联系我们

    copyright@ 2008-2023 1wenmi网站版权所有

    经营许可证编号:宁ICP备2022001189号-1

    本站为文档C2C交易模式,即用户上传的文档直接被用户下载,本站只是中间服务平台,本站所有文档下载所得的收益归上传人(含作者)所有。第壹文秘仅提供信息存储空间,仅对用户上传内容的表现方式做保护处理,对上载内容本身不做任何修改或编辑。若文档所含内容侵犯了您的版权或隐私,请立即通知第壹文秘网,我们立即给予删除!

    收起
    展开