欢迎来到第壹文秘! | 帮助中心 分享价值,成长自我!
第壹文秘
全部分类
  • 幼儿/小学教育>
  • 中学教育>
  • 高等教育>
  • 研究生考试>
  • 外语学习>
  • 资格/认证考试>
  • 论文>
  • IT计算机>
  • 法律/法学>
  • 建筑/环境>
  • 通信/电子>
  • 医学/心理学>
  • ImageVerifierCode 换一换
    首页 第壹文秘 > 资源分类 > DOCX文档下载
    分享到微信 分享到微博 分享到QQ空间

    电力建设施工质量验收(锅炉燃烧系统设备安装)检验项目及质量标准.docx

    • 资源ID:262457       资源大小:26.84KB        全文页数:4页
    • 资源格式: DOCX        下载积分:5金币
    快捷下载 游客一键下载
    账号登录下载
    三方登录下载: 微信开放平台登录 QQ登录
    下载资源需要5金币
    邮箱/手机:
    温馨提示:
    快捷下载时,如果您不填写信息,系统将为您自动创建临时账号,适用于临时下载。
    如果您填写信息,用户名和密码都是您填写的【邮箱或者手机号】(系统自动生成),方便查询和重复下载。
    如填写123,账号就是123,密码也是123。
    支付方式: 支付宝    微信支付   
    验证码:   换一换

    加入VIP,免费下载
     
    账号:
    密码:
    验证码:   换一换
      忘记密码?
        
    友情提示
    2、PDF文件下载后,可能会被浏览器默认打开,此种情况可以点击浏览器菜单,保存网页到桌面,就可以正常下载了。
    3、本站不支持迅雷下载,请使用电脑自带的IE浏览器,或者360浏览器、谷歌浏览器下载即可。
    4、本站资源下载后的文档和图纸-无水印,预览文档经过压缩,下载后原文更清晰。
    5、试题试卷类文档,如果标题没有明确说明有答案则都视为没有答案,请知晓。

    电力建设施工质量验收(锅炉燃烧系统设备安装)检验项目及质量标准.docx

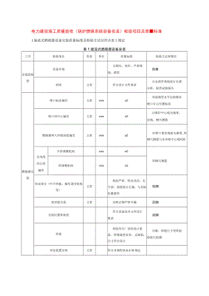
    电力建设施工质量验收(锅炉燃烧系统设备安装)检验项目及质标准1旋流式燃烧器设备安装质量标准及检验方法应符合表1规定表1旋流式燃烧器设备安装工序检验项目性质单位质量标准检验方法和器具安装前检查设备外观无裂纹、变形、严重锈蚀、损伤目测材质主控符合设计文件要求合金部件现场进行光谱分析,提供试验报告燃烧器安装喷口标高偏差主控mm±5用玻璃管水平仪检测各喷口中心位置标高喷口间中心偏差主控mm±5以锅炉中心线为基准,拉线,钢尺测量燃烧器伸入炉膛深度偏差主控mm±5以喷口垂直端面为基准,用钢尺测量与水冷壁中心线间距次风筒同心度偏差不带调整机构mm5用钢尺测量带调整机构mm3传动部分(叶片挡板、操作调节机构等)主控轴封严密,转动灵活,无卡涩,刻度指示正确,与实际位置相符目测密封接合面主控加垫正确严密不漏目测安装位置和角度符合设备技术文件设计要求目测焊接焊接符合厂家的设计要求,焊缝成型良好,无缺陷,尺寸符合设计目测,焊缝尺寸用焊接检验尺检测吊挂装置安装主控符合本规程表6.3.15规定表2直流式燃烧器设备安装工序检验项目性质单位质量标准检验方法和器具安装前检查设备外观无裂纹、变形、严重锈蚀、损伤目测喷口中心节距(力偏差t300mmmm+3拉线,用钢尺检测两相邻喷口水平中心线之间距离30Omm</W500mm±4500mmZ8()0mm±5>800mm+6上、下两端喷口总距离(H)偏差W2.5mmm±4拉线,用钢尺检测两相邻喷口水平中心线之间距离2.5m<H5m±8H>5m±10喷口中心线偏差值“W5mmmW5以上下两喷为基准,拉线,用钢尺检测H>5m6燃烧器安装喷嘴标高偏差主控mm±5按本规程附录D.I检测每组燃烧器中心位置燃烧切圆划线在切圆平台上,有正确的假想切圆线,且标记明显以找正后的水冷壁为基准,确定炉膛纵横中心线,划出切圆和基准切线,然后按以上方法复核喷口中心轴线与燃烧切圆的切线偏差主控(°)0.5吊线坠,拉线,用钢尺检测,计算偏差角度燃烧器外壳垂直度偏差mm5吊线坠,用钢尺检测喷嘴伸入炉膛深度偏差主控mm+5以喷口垂直端面为检测基准,用钢尺检测与水冷壁中心线间距上、下喷嘴偏差角度符合设备技术文件,刻度指示正确目测传动部分(挡板、操作调节机构等)主控轴封严密,转动灵活,无卡涩,刻度指示正确,目测与实际位置相符密封接合面主控加垫正确,严密不漏目测焊接焊接符合厂家的设计要求,焊缝成型良好,无缺陷,尺寸符合设计目测,焊缝尺寸用焊接检验尺检测吊挂装置安装符合本规程表6.3.15规定目测3油(气)燃烧器设备安装质量标准及检验方法应符合表3规定。«3油(气)燃烧器设备安装工序检验项目性质单位质量标准检验方法和器具安装前检查油枪芯管平直,内部畅通,无杂物解体检查雾化喷嘴主控内部无杂物、畅通,雾化片光洁、无损伤,接头严密不漏解体检查金属软管外形尺寸弯曲半径应大于外径的10倍,接头至开始弯曲处最小距离应大于外径的6倍检测实物或核对产品技术资料燃烧器安装油枪伸入炉膛位置符合设计以水冷壁为基准,用钢尺检测执行机构位置正确,伸缩自如目测雾化试验主控雾化良好,出力满足设计要求现场试验,目测进、回油支管管道安装布置简单明了,安装工艺美观,便于操作和检修目测接头安装接头严密不漏,支管与油枪连接严密不漏,并有良好弹性目测表4无油(微油)点火装设备安装工序检验项目性质单位质量标准检验方法和器具安装前检设备外观不得有变形、裂纹等缺陷目测材质主控符合设计文件要求核对符合设备技术文件,合金部件进行光谱分析浓淡装置符合设计文件要求,无损伤目测无油点火装置(等离子点火装置)、微油点火装置安装喷口角度主控(°)符合设备安装说明书目测,有明显偏差用角尺、钢尺检测喷口离水冷壁管的间隙mm不妨碍膨胀目测焊接主控焊材选用正确,焊接符合设计要求,无缺陷,焊缝成型良好焊接检验尺检测外形尺'J-等离子发生器安装板与支承筒垂直,偏差符合设计要求目测,明显偏差时用水平尺检测等离子发生器托架水平,偏差符合设计要求目测,明显偏差时用水平尺检测推进器安装进退自如,无卡涩现场推拉检验风、粉、气、水管道严密性试验主控严密不漏进行风压试验检查管道接口主控密封严密,不漏目测内部清洁清洁无杂物目测

    注意事项

    本文(电力建设施工质量验收(锅炉燃烧系统设备安装)检验项目及质量标准.docx)为本站会员(p**)主动上传,第壹文秘仅提供信息存储空间,仅对用户上传内容的表现方式做保护处理,对上载内容本身不做任何修改或编辑。 若此文所含内容侵犯了您的版权或隐私,请立即通知第壹文秘(点击联系客服),我们立即给予删除!

    温馨提示:如果因为网速或其他原因下载失败请重新下载,重复下载不扣分。




    关于我们 - 网站声明 - 网站地图 - 资源地图 - 友情链接 - 网站客服 - 联系我们

    copyright@ 2008-2023 1wenmi网站版权所有

    经营许可证编号:宁ICP备2022001189号-1

    本站为文档C2C交易模式,即用户上传的文档直接被用户下载,本站只是中间服务平台,本站所有文档下载所得的收益归上传人(含作者)所有。第壹文秘仅提供信息存储空间,仅对用户上传内容的表现方式做保护处理,对上载内容本身不做任何修改或编辑。若文档所含内容侵犯了您的版权或隐私,请立即通知第壹文秘网,我们立即给予删除!

    收起
    展开