欢迎来到第壹文秘! | 帮助中心 分享价值,成长自我!
第壹文秘
全部分类
  • 幼儿/小学教育>
  • 中学教育>
  • 高等教育>
  • 研究生考试>
  • 外语学习>
  • 资格/认证考试>
  • 论文>
  • IT计算机>
  • 法律/法学>
  • 建筑/环境>
  • 通信/电子>
  • 医学/心理学>
  • ImageVerifierCode 换一换
    首页 第壹文秘 > 资源分类 > DOCX文档下载
    分享到微信 分享到微博 分享到QQ空间

    企业高处作业票.docx

    • 资源ID:251690       资源大小:18.01KB        全文页数:2页
    • 资源格式: DOCX        下载积分:5金币
    快捷下载 游客一键下载
    账号登录下载
    三方登录下载: 微信开放平台登录 QQ登录
    下载资源需要5金币
    邮箱/手机:
    温馨提示:
    快捷下载时,如果您不填写信息,系统将为您自动创建临时账号,适用于临时下载。
    如果您填写信息,用户名和密码都是您填写的【邮箱或者手机号】(系统自动生成),方便查询和重复下载。
    如填写123,账号就是123,密码也是123。
    支付方式: 支付宝    微信支付   
    验证码:   换一换

    加入VIP,免费下载
     
    账号:
    密码:
    验证码:   换一换
      忘记密码?
        
    友情提示
    2、PDF文件下载后,可能会被浏览器默认打开,此种情况可以点击浏览器菜单,保存网页到桌面,就可以正常下载了。
    3、本站不支持迅雷下载,请使用电脑自带的IE浏览器,或者360浏览器、谷歌浏览器下载即可。
    4、本站资源下载后的文档和图纸-无水印,预览文档经过压缩,下载后原文更清晰。
    5、试题试卷类文档,如果标题没有明确说明有答案则都视为没有答案,请知晓。

    企业高处作业票.docx

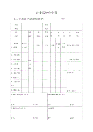
    企业高处作业票作业单位作业地点作业内容作业级别(一般)(特殊)作业时M自年月日时起至年月日时止采取的安全措施要(J)否(X)作业人员情况姓名性别年龄身体状况本人签字监护人意见(签字)1、系安全带2、带安全帽补充安全措施3、工具袋14、设防护栏25、设防护网会签意见:签字:年月日6、配监护人7、安全应急通道8、通讯工具作业单位现场负责人意见:签字:年月日作业单位安全负责人意见:签字:年月日作业所在单位负责人:签字:年月日公司领导:签字:年月日提示:安全措施健全吗您知道签字的责任吗编号注:此作业票一式三联,分别由安全环保科、作业单位留存、作业人持执高处作业票填写说明1、高处作业票由作业单位(外来承包商及各分、子公司的维修等部门)现场负责人填写,提出安全措施并组织落实,经作业单位安全监督(或安全负责人)现场检查合格后,审批签字后方可进行高处作业。2、高处作业票一式三联,第一联由安全环保科、第二联由作业单位留存,第三联由作业人持执。3、填写说明:(1)作业单位:实施高处作业的单位;(2)作业地点:指实施高处作业的具体部位;(3)作业内容:高处作业的内容;(4)作业级别:在确认的上面划“J”;(5)作业时间:连续作业不超过24小时,间断作业不超过3天;(6)采取的安全措施:确认的划“未确认的划“X”,补充的填写在补充安全措施栏中;(7)作业人员情况:有作业负责人填写,健康情况健康划“J”,特殊高处作业要附作业人体检报告,在签字栏内由作业人签字;(8)会签意见:进行特殊高处作业,作业前施工单位要制成作业方案,办理高处作业票,并经施工地点所在公司主管领导会签意见,由施工单位主管领导签发;(9)作业单位现场负责人意见:由实施高处作业的现场负责人填写并签字;(10)作业单位安全负责人意见:由实施高处作业的负责人(主任或队长,或则作业单位的安全监督)填写并签字;(11)编号:由高处作业的单位编号。

    注意事项

    本文(企业高处作业票.docx)为本站会员(p**)主动上传,第壹文秘仅提供信息存储空间,仅对用户上传内容的表现方式做保护处理,对上载内容本身不做任何修改或编辑。 若此文所含内容侵犯了您的版权或隐私,请立即通知第壹文秘(点击联系客服),我们立即给予删除!

    温馨提示:如果因为网速或其他原因下载失败请重新下载,重复下载不扣分。




    关于我们 - 网站声明 - 网站地图 - 资源地图 - 友情链接 - 网站客服 - 联系我们

    copyright@ 2008-2023 1wenmi网站版权所有

    经营许可证编号:宁ICP备2022001189号-1

    本站为文档C2C交易模式,即用户上传的文档直接被用户下载,本站只是中间服务平台,本站所有文档下载所得的收益归上传人(含作者)所有。第壹文秘仅提供信息存储空间,仅对用户上传内容的表现方式做保护处理,对上载内容本身不做任何修改或编辑。若文档所含内容侵犯了您的版权或隐私,请立即通知第壹文秘网,我们立即给予删除!

    收起
    展开