欢迎来到第壹文秘! | 帮助中心 分享价值,成长自我!
第壹文秘
全部分类
  • 幼儿/小学教育>
  • 中学教育>
  • 高等教育>
  • 研究生考试>
  • 外语学习>
  • 资格/认证考试>
  • 论文>
  • IT计算机>
  • 法律/法学>
  • 建筑/环境>
  • 通信/电子>
  • 医学/心理学>
  • ImageVerifierCode 换一换
    首页 第壹文秘 > 资源分类 > DOCX文档下载
    分享到微信 分享到微博 分享到QQ空间

    河涌道路硬底化工程说明书.docx

    • 资源ID:247513       资源大小:43.30KB        全文页数:11页
    • 资源格式: DOCX        下载积分:5金币
    快捷下载 游客一键下载
    账号登录下载
    三方登录下载: 微信开放平台登录 QQ登录
    下载资源需要5金币
    邮箱/手机:
    温馨提示:
    快捷下载时,如果您不填写信息,系统将为您自动创建临时账号,适用于临时下载。
    如果您填写信息,用户名和密码都是您填写的【邮箱或者手机号】(系统自动生成),方便查询和重复下载。
    如填写123,账号就是123,密码也是123。
    支付方式: 支付宝    微信支付   
    验证码:   换一换

    加入VIP,免费下载
     
    账号:
    密码:
    验证码:   换一换
      忘记密码?
        
    友情提示
    2、PDF文件下载后,可能会被浏览器默认打开,此种情况可以点击浏览器菜单,保存网页到桌面,就可以正常下载了。
    3、本站不支持迅雷下载,请使用电脑自带的IE浏览器,或者360浏览器、谷歌浏览器下载即可。
    4、本站资源下载后的文档和图纸-无水印,预览文档经过压缩,下载后原文更清晰。
    5、试题试卷类文档,如果标题没有明确说明有答案则都视为没有答案,请知晓。

    河涌道路硬底化工程说明书.docx

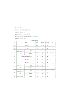
    设计速度:15kmh:路面宽度:3.0m(海傍村道路)或3.5m;路面结构:水泥混凝土;道路路拱横坡均采用1.5%单向横坡;设计荷载:以轴载为I(X)KN的双轮组单轴为标准轴重:抗震标准:基本烈度7级。道路技术指标表序号项目单位规范值采用值各注1设计速度km/h15、20152停车视距m15153设超高圆曲线最小半径一般值m2010极限值m104不设超高平曲线最小半径m300405最大纵坡%10106地小坡长m45457凸型竖曲线最小半径般值m90142极限值m608凹型竖曲线最小半径一般值m90550极限值m609竖曲线最小长度一般值ID4015一、设计任务依据1、设计依据(1)石耳镇电子版地形图。(2)现场勘查和经业主、村委确定的线路建设方案。(3)建设单位对设计方案的意见和建议。2、采用的相关规范、技术标准(1乡村道路工程技术规范(2)公路工程技术标准(3)公路路线设计规范(4)公路路基设计规范(5)公路路基施工技术规范(6)公路路面基层施工技术规范(7)公路水泥混凝土路面设计规范(8)公路水泥混凝土路面施工技术细则(9)交通部部颁公路工程抗震规范(10)公路工程质量检验评定标准(第一册土建工程)(H)城市道路工程设计规范(2016年版)(12)城市道路工程技术规范(13)城市道路路线设计规范(14)城市道路交叉口设计规程(15)城镇道路路面设计规范(16)城市道路路基设计规范3、主要技术指标表(GBT51224-2OI7)(JTGBOl-2014);(JTJD202017):(JTG D302015):(JTGF10-2015);(JTJ034-2015):(JTGD4O-2O11);(JTG/F30-20I4);(JTG B022013):(JTGF80/I-2017):CCJJ 37-2012):(GB 51286-2018);(CJJ 193-2012);(CJJ 152-2010);(CJJ 169-2012):(CJJ194-2013);道路等级:乡村道路巷路;高或附近房屋地面标高一致。三、沿线自然地理概况路线所经地带地势比较平坦,鱼塘、河涌、现状水泥路均有分布,交通便利。四、路基1、路基设计原则(1)路基宽度为3.0m(海傍村道路)或3.5m,设计标高为路线中心线的路面标高I)(2)路线所经地带均为平原微丘区,全线地形起伏不大。(3)对于既有路基为砂土路及碎石路的,路基施工应平整压实,压实度不少于94%。(4)路基施工应严格按交通部部颁公路路基施工技术规范(JTGF1O-2O15)和公路工程质量检验评定标准(JTGF80/12017)的规定与要求进行。2、路基填土及压实(1)路基填料本工程考虑换填级配较好的粗粒土作为填料。桥台背、涵洞背及挡土墙背路基必须选用石屑、碎石土等粗粒料土填筑。路基填料最小强度应符合下表规定:路床填料最小强度项目分类路床顶面以下深度(m)填料最小强度(CBR)(%)填料最大粒径(mm>埴方路基0-0.35IOOO.3-0.83IOO0.81.5315021.52150零填或挖方路基0-0.35IOO0.3-0.83IOO(2)路基压实极限值in1510缓和曲线最小长度m151512地震参数0.1(Vll)13路面结构类型C30水泥混凝.土14路拱正常横坡%1.02.01.515最大超高横坡度%2.5216超高渐变率1/251/7117车辆荷载标准城市-B级18设计洪水频率路基1/25桥涵1/25二、工程概况本项目位于广东省广州市番禺区石基镇,石基镇共有河涌17条,全长45000米,大部分河涌两岸已按要求完成贯通并硬底化。其中10条河涌中尚约有17000米未硬底化,主要分布于市莲路以南,包括前锋村、石蒲村、海傍村、低涌村、永善村、官涌村和南浦村。由于两岸尚未有完整的堤岸和道路,造成巡河不方便,防洪和排涝功能较差。根据区治水办的文件要求,河涌的一河两岸要建造贯通的巡河道路,同时也方便群众出入和生产的需要。石蓦镇拟时河涌两岸未硬底化道路进行河涌道路建设,具体如下:本次设计河涌道路线路基本原则上与现状土路基一致,部分路段采取“裁弯取直”方式新建路基。本项目实施后,将大为改善项目沿线的交通出行条件,优化了农产品运输条件,促进传统农业向现代都市农业的转变,有利于提高沿线农地的价值。道路具体走向见道路平面图,路线设计标高基本以现有路面的要求控制,调平时应避免形成起级或起折,在与既有碎路相交处或邻近有房屋的位置,应与既有道路路面标(2)纵向填挖交界的处理对路堑IOm范围的路床80cm厚进行超挖回填:填方区12m范闱的三角区域采用渗水性材料填筑;在填挖交界处设置凸结点土工格栅。五、路面结构(1)设计标准道路等线:乡村道路巷路:设计车速:15kmh;设计标准轴载:BZZ-100;设计使用年限:15年。(2)水泥税路面结构组合及厚度面层:】8Cm厚水泥混凝土(C30险):基层:15Cm厚4%水泥石粉;现状路基场地平整及压实。混凝土面板宽3.0m(海傍村道路)或3.5m,长度与现状河涌道路路基一致;混凝土路面板的接缝按照交通部部颁公路水泥混凝上路面设计规范(JTGD40-2011)的规定设置。本项目横向缩缝采用假缝形式。路面竣工时抗滑构造深度要求为0.51.0mm,构造深度应均匀,不损坏构造边枝。路面采用刻槽的抗滑构造形式,为降低噪音建议采用非等间距刻槽。(3)设计要点1)新建水泥碎路面面层采用18Cm厚抗弯拉强度为4.0Mpa的C30水泥混凝土,其弯拉弹性模量Ec=27000MPao2)混凝上路面板的接缝严格按照交通部部颁公路水泥混凝上路面设计规范(JTGD40路基采用重型压实标准,填筑路堤时应采用分层填筑逐层根压,其分层最大厚度应与压实机具功能相适应。路基压实度采用符合以下规定:项目分类路床顶面以下深度(m)压实度(%)填方路基0-0.82920.87.5>91>1.5290零填或挖方路基0-0.32920.30.8-注:表中数值均为型击实标准.3、一般路基处理填筑路基前,应先清除地表草皮、腐植土等,般清表±30cm,清表后按路基设计要求分层均匀碾压。对于人工填土区路段,施工单位应对本工程范围的回填士进行密实度检查,当回填土的密实度不能满足设计要求时,应按施工及验收规范中的相关规定和要求重新进行翻挖碾压处理。当原地面坡度大于1:5且小于1:2.5时,清表后首先在坡面上开挖反向台阶,每级台阶宽不小于2米,高0.5米,反向坡度为2%4%,然后分层螟筑路堤。3、填挖交界处理为避免和减少差异沉降,填挖交界处应开挖台阶并铺设一层凸结点土工格栅。(1)横向填挖交界的处理对挖方区的路床80Cm厚度进行超挖回填:填方区则采用渗水性材料填筑,并在路床底部设置凸结点土工格栅。26.5mm:碎石最大公称粒径不大于31.5mm。3)细集料细集料应采用质地坚硬、耐久、洁净的天然砂、机制砂或混合砂,其技术指标应符合公路水泥混凝土路面施工技术细则(JTGF3(2014)中不低于级的技术要求。细集料的级配要求应符合公路水泥混凝上路面施工技术细则(JTGF302014)中的中砂级配范围要求。同一配合比用砂的细度模数变化范围不应超过0.3,否则,应分别堆放,并调整配合比中的砂率后使用。路面混凝土所使用的机制砂除应符合公路水泥混凝土路面施工技术细则(JTG/F30-20I4)的规定外,还应检验砂浆磨光值,其值宜大于35。4)水清洗集料、拌和混凝土养生所用的水,不应含有影响混凝土质量的油、酸、减、盐类,有机物等。引用水一般适用于混凝土:非饮用水,经化学符合下列要求时也可使用:硫酸盐含量(按SOF计)小于0.0027mgmn:含盐量不超过0.005mg/mm3;PH值大于4»5)外加剂外加剂的质量应符合公路水泥混凝上路面施工技术细则(JTG/T30-2014)中的各项技术要求。6)钢筋水泥混凝土路面所用钢筋、传力杆、拉杆等钢筋应符合国家有关标准的技术要求。钢筋应顺直,不得有裂纹、断伤、刻痕、表面油污和锈蚀。传力杆钢筋加工应锯断,不得挤压切断;断口应垂直、光圆,用砂轮打磨掉毛刺,并加工成23mm圆倒角。7)接缝材料应选用能适应混凝上面板膨胀和收缩、施工时不变形、弹性复原率高、耐久性好的膨胀板。宜采用塑胶、橡胶泡沫板或沥青纤维板。其技术要求应符合公路水泥混凝土路面施工技术细则(JTG/F30-2014)的规定。8)其他材料-2011)的规定设置。3)混凝土混合料的材料要求和配合比设计必须符合交通部部颁公路水泥混凝土路面设计规范(JTGD402011)的有关规定。4)当圆曲线半径小于或等于250m,需在圆曲线内侧加宽,过渡段IOm,路面加宽值如下:圆曲线半径(m)200<R25015(KR2001(X)<R1508()<R107()<RW805()<R7040<R503(KR4020<R30加宽值(m)0.150.150.1750.20.20.2250.250.30.375(4)水泥硅路面材料要求1)水泥水泥混凝土路面采用42.5R普通硅酸盐水泥(必须采用路面专用水泥,严禁使用火山灰质硅酸盐水泥),其物理性能及化学成分应符合公路水泥混凝土路面施工技术细则(JTG/F30-2014)的要求,水泥的抗弯拉强度和抗压强度应满足公路水泥混凝上路面施工技术细则(JTG/F30-2014)的要求。2)粗集料粗集料应使用质地坚硬、耐久、洁净的碎石、碎卵石和卵石,其技术指标应满足公路水泥混凝土路面施工技术细则(JTG/F30-2014)中不低于II级的要求。用作路面混凝土的粗集料不得使用不分级的统料,应按最大公称粒径的不同采用24个粒级的集料进行掺配,并应符合公路水泥混凝上路面施工技术细则(JTG/T30-20I4)合成级配的要求。卵石最大公称粒径不大于19.0mm:碎卵石最大公称粒径不大于其他公路1弯拉强度(MPa)在合格标准之内按附录C检查2板厚度(mm)代表值-5按附录H检查每20Om每车道2处合格值-103平整度(mm)2.0平整度仪:全线每车道连续检测,每IoOm计算。、IRlIRI(mkm)3.2最大间隙h(mm)53m直尺:半幅车道板带每200m测2处X10尺5相邻

    注意事项

    本文(河涌道路硬底化工程说明书.docx)为本站会员(p**)主动上传,第壹文秘仅提供信息存储空间,仅对用户上传内容的表现方式做保护处理,对上载内容本身不做任何修改或编辑。 若此文所含内容侵犯了您的版权或隐私,请立即通知第壹文秘(点击联系客服),我们立即给予删除!

    温馨提示:如果因为网速或其他原因下载失败请重新下载,重复下载不扣分。




    关于我们 - 网站声明 - 网站地图 - 资源地图 - 友情链接 - 网站客服 - 联系我们

    copyright@ 2008-2023 1wenmi网站版权所有

    经营许可证编号:宁ICP备2022001189号-1

    本站为文档C2C交易模式,即用户上传的文档直接被用户下载,本站只是中间服务平台,本站所有文档下载所得的收益归上传人(含作者)所有。第壹文秘仅提供信息存储空间,仅对用户上传内容的表现方式做保护处理,对上载内容本身不做任何修改或编辑。若文档所含内容侵犯了您的版权或隐私,请立即通知第壹文秘网,我们立即给予删除!

    收起
    展开