欢迎来到第壹文秘! | 帮助中心 分享价值,成长自我!
第壹文秘
全部分类
  • 幼儿/小学教育>
  • 中学教育>
  • 高等教育>
  • 研究生考试>
  • 外语学习>
  • 资格/认证考试>
  • 论文>
  • IT计算机>
  • 法律/法学>
  • 建筑/环境>
  • 通信/电子>
  • 医学/心理学>
  • ImageVerifierCode 换一换
    首页 第壹文秘 > 资源分类 > DOCX文档下载
    分享到微信 分享到微博 分享到QQ空间

    汽轮发电机定期检查及详细检查目录.docx

    • 资源ID:247354       资源大小:27.57KB        全文页数:3页
    • 资源格式: DOCX        下载积分:5金币
    快捷下载 游客一键下载
    账号登录下载
    三方登录下载: 微信开放平台登录 QQ登录
    下载资源需要5金币
    邮箱/手机:
    温馨提示:
    快捷下载时,如果您不填写信息,系统将为您自动创建临时账号,适用于临时下载。
    如果您填写信息,用户名和密码都是您填写的【邮箱或者手机号】(系统自动生成),方便查询和重复下载。
    如填写123,账号就是123,密码也是123。
    支付方式: 支付宝    微信支付   
    验证码:   换一换

    加入VIP,免费下载
     
    账号:
    密码:
    验证码:   换一换
      忘记密码?
        
    友情提示
    2、PDF文件下载后,可能会被浏览器默认打开,此种情况可以点击浏览器菜单,保存网页到桌面,就可以正常下载了。
    3、本站不支持迅雷下载,请使用电脑自带的IE浏览器,或者360浏览器、谷歌浏览器下载即可。
    4、本站资源下载后的文档和图纸-无水印,预览文档经过压缩,下载后原文更清晰。
    5、试题试卷类文档,如果标题没有明确说明有答案则都视为没有答案,请知晓。

    汽轮发电机定期检查及详细检查目录.docx

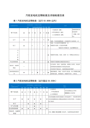
    汽轮发电机定期检查及详细检查目录表1汽轮发电机定期检查(运行50,OOOh以内)主要检查项目类型和频率(安装后年限)1st2nd3rd4th5th6th7th8th9th备注整个发电机OO全面检查(DX)。中等范围检查(XX)小范围检查(ZX)重新组装时更换易损件(垫圈、锁片等)定子OO每隔一年检查线圈端部一次每隔四年全面检查一次转子OO每隔一年对套管和垫圈把紧一次-每隔四年更换一次套管和垫圈每隔四年详细检查(包括槽楔检查)空气冷却器每隔四年拆除、检查、清理一次(周期由水质而定)发电机联轴器每隔四年根据跳动测量值检查校正集电环、电刷和刷盒有关清理、检查、电刷更换、弹簧压力调节、集电环套筒绝缘电阻测量可向制造商求助。详见第6节集电环、电刷和刷盒使用维护轴承绝缘或密封件OO橡胶垫圈类:每隔一年拆F并检查,每个周期检查测量绝缘电阻。绝缘板类:每隔四年拆卜.并检宣。表2汽轮发电机定期检查(运行超过50,00Oh)-4-MiC=I类型和频率(安装后年限)KA-X-I主要检查项目1st2nd3rd4th5th6th7th8th9th备注整个发电机OO全面检查。中等范围检查小范围检查任务范围按运行时间5000Oh以内附表定子如发现线圈出线周向裂缝应立即或选择下一次检修时修理如发现线圈端部出现覆盖放脱落应该每年检查。应该抽出转子检查。转子.空气冷却器发电机联轴器集电环、电刷和刷盒详见0EA.140.2546集电环、电刷和刷盒使用维护轴承绝缘或密封件表3汽轮发电机详细检查目录项目序号检查部件检查方式备注转子123456789101112134144转子风扇风扇把合螺栓轴颈上的油污和瑕疵齿上锈迹和污点槽楔槽楔串动风道护环上的污垢线圈端部变形绕组端部间隔块松动绝缘材料的损坏楔下垫条错位导电螺钉平衡块的位置和锁紧状态着色探伤或超声波检查着色探伤检查目视检查目视检查超声波硬度仪目视检查内窥镜检查目视检查目视检查目视检查目视检查目视检查目视检查并把紧目视检查并把紧每隔一年把紧一次;1风路污染目视检查定子机座2RTD安装和引出线状态目视检查3机座内生锈情况目视检查4空气冷却器内部污染情况目视检查1铁心端部的松动情况特殊试验2绕组端部支撑把合螺栓敲击试验定子铁心3生锈情况目视检查4风道污垢目视检查5铁心松紧情况特殊试验1绕组端部污染情况目视检查2线圈端部支撑情况目视检查定子线圈3线圈端部绝缘情况目视检查每次抽出转子时都应4槽内垫条和垫片错位目视检查该检查槽楔松动。5b槽楔松动敲击试验6连接线的松动和损坏目视检查1污垢着色探伤检查2轴承金属附着情况着色探伤检查或超声波轴承3裂纹检查4轴承金属目视检查5轴承绝缘目视检查高阻表测量记录测量数据。1污垢目视检查详见OEA.140.2546集电环2磨损痕迹目视检查集电环、电刷和刷盒使用3分流环的固定情况敲击试验并把紧维护4绝缘电阻的测量高阻表测量记录测量数据1接触情况目视检查详见OEA.140.2546电刷2碎片和裂纹目视检查集电环、电刷和刷盒使用3刷辨变色目视检查维护1松动敲击试验详见OEA.140.2546刷盒2电刷向侧变形目视检查集电环、电刷和刷盒使用维护1测量油挡和轴颈之间的间隙塞规记录测量数据。油挡2油挡内径千分尺3油挡磨损与变形目视检查1承管板侧壁缺陷目视检查空气冷却2翘片污垢目视检查器3冷却管裂纹目视检查4翘片变形等目视检查导风环和1固定块敲击试验并把紧内端盖2螺栓把合情况敲击试验并把紧

    注意事项

    本文(汽轮发电机定期检查及详细检查目录.docx)为本站会员(p**)主动上传,第壹文秘仅提供信息存储空间,仅对用户上传内容的表现方式做保护处理,对上载内容本身不做任何修改或编辑。 若此文所含内容侵犯了您的版权或隐私,请立即通知第壹文秘(点击联系客服),我们立即给予删除!

    温馨提示:如果因为网速或其他原因下载失败请重新下载,重复下载不扣分。




    关于我们 - 网站声明 - 网站地图 - 资源地图 - 友情链接 - 网站客服 - 联系我们

    copyright@ 2008-2023 1wenmi网站版权所有

    经营许可证编号:宁ICP备2022001189号-1

    本站为文档C2C交易模式,即用户上传的文档直接被用户下载,本站只是中间服务平台,本站所有文档下载所得的收益归上传人(含作者)所有。第壹文秘仅提供信息存储空间,仅对用户上传内容的表现方式做保护处理,对上载内容本身不做任何修改或编辑。若文档所含内容侵犯了您的版权或隐私,请立即通知第壹文秘网,我们立即给予删除!

    收起
    展开