欢迎来到第壹文秘! | 帮助中心 分享价值,成长自我!
第壹文秘
全部分类
  • 幼儿/小学教育>
  • 中学教育>
  • 高等教育>
  • 研究生考试>
  • 外语学习>
  • 资格/认证考试>
  • 论文>
  • IT计算机>
  • 法律/法学>
  • 建筑/环境>
  • 通信/电子>
  • 医学/心理学>
  • ImageVerifierCode 换一换
    首页 第壹文秘 > 资源分类 > DOCX文档下载
    分享到微信 分享到微博 分享到QQ空间

    汽车制造车间预先危险性分析.docx

    • 资源ID:247249       资源大小:48.93KB        全文页数:9页
    • 资源格式: DOCX        下载积分:5金币
    快捷下载 游客一键下载
    账号登录下载
    三方登录下载: 微信开放平台登录 QQ登录
    下载资源需要5金币
    邮箱/手机:
    温馨提示:
    快捷下载时,如果您不填写信息,系统将为您自动创建临时账号,适用于临时下载。
    如果您填写信息,用户名和密码都是您填写的【邮箱或者手机号】(系统自动生成),方便查询和重复下载。
    如填写123,账号就是123,密码也是123。
    支付方式: 支付宝    微信支付   
    验证码:   换一换

    加入VIP,免费下载
     
    账号:
    密码:
    验证码:   换一换
      忘记密码?
        
    友情提示
    2、PDF文件下载后,可能会被浏览器默认打开,此种情况可以点击浏览器菜单,保存网页到桌面,就可以正常下载了。
    3、本站不支持迅雷下载,请使用电脑自带的IE浏览器,或者360浏览器、谷歌浏览器下载即可。
    4、本站资源下载后的文档和图纸-无水印,预览文档经过压缩,下载后原文更清晰。
    5、试题试卷类文档,如果标题没有明确说明有答案则都视为没有答案,请知晓。

    汽车制造车间预先危险性分析.docx

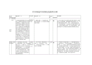
    汽车制造车间预先危险性分析事故类型设备设施触发事件(1)发生条件触发事件(2)事故后果危险等级防范措施*、冲压车间起重伤害行车1.轨道的强度和刚度不够,稳定性差,使得轨道运输过程中出现轨道断裂。2.长期起吊作业会使吊钩出现裂纹或断裂,假如对吊钩进行补焊,很简单产生起吊伤害。3.长期起吊作业使得钢丝绳捻距内断丝数超过总丝数的10%,假如日常检查检测不到位,查不出事故隐患,简单使起吊过程中重物坠落伤害,4.在起吊过程中由于小车脱落也会对人员造成物体打击。5.起吊过程中由于物件捆扎不牢也会发生重物坠落伤人事件。6.导轮的直径过大或者其质量不佳,可能会出现脱轨C7.物件捆扎不紧。坠落物击中人体1.未戴安全帽。2.在起重作业区域作业或逗留。3.在高处有浮物或设施不稳固。人亡m1.行车在安装完毕后必需经过相关部门验收C2.定期进行安全质量检测,避免超期运我和带故障工作=3.应定期对桥机进行维护、保养。定期对轨道进行检查,及时清除杂物。4.制定相关安全操作规程C5.钢丝、吊钩应定期进行检查,对于有损害迹象的,及时进行检修C6.在可能发生坠落的区域设置安全标志。机械伤害压力机机械手1、衣物等被绞入转动设备。2、机械手旋转、往复、滑动物撞击人体。3、切割工具、突出的机械部分毛坯及工具设备边缘锋利处碰伤。4、压力机及机械手旋转运动部分缺少防护罩。5、进行设备检修作业时,电源未切断,他人误起动设备等。6.冲压后在清理料头、料尾过程中,被边缘锋利滑伤。人体碰见转动、移动等运动IaJ1半o1、在生产检查、维修设备时,不注意。2、工作时发生''三违"。3、工作时注意力不集中。4、劳保用品未正确穿戴。人员伤亡m1、严格遵守有关操作规程。2、正确穿戴劳保用品。3、集中注意力,工作时注意观测。4、转动部位应有防护罩。5、压力机、机械手等危险场地周边应设防护栏,或设置光电保护系统,当人员进入危险作业区域内时会发生报警。6.压力机、机械手等重要设备应设''紧急中止"装置,并在发生事故时能自动报警07、机器设备要定期检查、检修,保证其完好状态C8、进行设备检修作业,要严格执行设备检修作业的管理规定,采取相应安全措施。如多人监护作业。车辆伤害运输小车1.车辆有故障(如刹车、方向盘失灵等)。2.车速太快。3.路面不太好(如缺陷、障碍物、物料堆积、油污等)。4.超载驾驶。车辆撞击人体、设备、管线等1.驾驶员违章行驶。2.驾驶员精力不集中(如抽烟、谈话等)。3.酒后驾车。4.疲乏驾驶。5.驾驶员心境差,激情驾驶。1.定期检查车辆,发现故障及时合理处理,不应带障作业.2.启动前进行全面检查,发现故障及时处理,确保无误后才能启动车辆。3.加强驾驶员安全教育和管理,制定安全操作规程,防止误操作。(如在驾驶中不抽烟、不谈话、不疲乏驾驶、不激情驾驶),4.非经许可厂内应阻止车辆入内。5.增设交通标志(包括限速行驶标志、转弯处或交织路口没有安置凸镜).6.保持路面状态良好。7.不超载、超速行驶。处落高坠压力机机械手1.高处检修作业时,场所有洞无盖、临边无栏,不提防造成坠落。2,无脚手架、板,造成高处坠落。3.梯子无防滑、强度不够、人字梯无拉绳等造成坠落。1.2m以上高度坠落;2.作业面下是机器设备或混凝土等硬质地面1.无脚手架和防坠落措施,踩空或支撑物倒塌。2.高处作业面下无安全网。3.未系安全带或安全带挂结不可靠,损坏等。4.工作时精力分散或带病作业。5.违反''十不登高"。6.劳动纪律松懈。7.违章指挥、违章作业。伤员人亡m1.登高作业人员必需严格执行''十不登高"。2.登高作业人员必需戴好安全帽,系挂好安全带,穿好防滑鞋紧身工作服。3.搭设脚手架等防坠落措施.4.在高空人行道、屋顶、塔杆以及其它危险的高处临时作业,要装设防护栏杆或安全网。5.可以在平地做的作业,尽量不要拿到高处去做,即''高处作业平地做"。6.加强对登高作业人员的安全教育、培训、考核工作,严禁违章。7.杜绝''三违"。物体打击压力机模具1.冲击压件薄板,会产生少量的碎屑飞溅。2.无防护栏杆。3.模具的强度不够,在长期高压过程中断裂或破坏。4.设备附件螺钉、螺母、弹簧、柱销、垫圈松动,飞出。冲击物体击中人员L工人距离防护栅栏太近。2.工人没有按要去佩戴安全防护用品。人员伤亡m1.对可能发生物体打击区域架设防护网C2.作业人员戴好安全帽及穿好劳动防护用品。3.加强防止物体打击的检查和安全管理工作。4.加强对职工进行有关的安全教育。噪声压力机冲压件1.冲压过程中,压力机和模具产生撞击。2.冲压件搬运,冲压中发生撞击。3.冲压件边料落地.4.设备及厂房减振、降噪措施不力。工人长期停留噪声区域1.未戴个体护耳器。2.护耳器无效。听力损伤1.采取隔声、吸声、消声等降噪措施。2.设置减振、阻尼等装置。3.佩戴适合的护耳器。4.事先做好充分准备,尽量减少停留时间。5.定期进行听力检查,作业人员轮换岗位。二、焊装车间触电手工电弧焊机、悬点焊机、焊接机器人、电葫芦、L焊机设备外壳漏电。2.焊机绝缘老化、损坏。3.保护接地、接零不当。4.手持电动工具绝缘损坏。1.人体触及带电体;2.流通过人体的时间超过30MAS1.工人接触带电体。2.规章作业。人员触电伤亡m1.按规定设备、线路采用与电压相符,使用与环境和运行条件相适应的绝缘体,并定期检查、维修,保持完好状态。2.根据要求对用电设备做好保护接地或保护接零C3.电焊机接线端不能袒露,绝缘不能损坏,注意检测是否有漏电现象,电焊时要正确穿戴好劳动防护用品,应注意防触电问题,在特别环境下进行焊接要有专人监护,并有抢救后备措施。4.建立和健全并严格执行电气安全规章制度和安全操作规程。变电所1.电气保护失效。2.带电部分袒露。3.安全距离不够。4.电缆、导线等保护层老化,绝缘电阻低。5.环境恶劣、潮湿、污染等.6.人力或其它外力损坏。1.非相关人员靠近变电所。2.违章作业。3.未佩戴相关绝缘防护用品O1.使用有足够机械强度和耐火性能的材料,采用遮栏、护罩、护盖、箱匣等防护装置,将带电体同外界隔绝开来,防止人体接近或触及带电体C2.加强巡回检查,及时发现并检修、更换。3.保持环境枯燥、清洁,加强通风等措施。4.严禁违章,特别要严禁非专业人员进行电气作业。5.加强职工教育,建立健全规章制度,提高职工安全意识等。6.作业时正确佩戴绝缘防护用品C7.检修作业时,多人作业,进行现场监护。机械伤害夹具焊接机器人1.焊钳挂钩未装保护套,使得焊钳脱出,2.夹具存在较多的凸起部件和锐角部位。3.他人误起动,造成加具突然夹紧。4.机械手旋转运动部分缺少防护罩。5.他人误起动机械手,造成机械手突然动作。人体碰见动等运动1、在生产检查、维修设备时,不注意。2、工作时发生“三违”。3、工作时注意力不集中。4、劳保用品未正确穿戴。人员伤亡In1、严格遵守有关操作规程,2、正确穿戴劳保用品。3、集中注意力,工作时注意观测.4.夹具周边应涂有危险警示色;设防夹手标志牌。设光电保护系统,当人员进入危险作业区域内时会发生报警:夹具由于意外状况中断,重新启动后,应进入释放状态。5.多人作业时应采用多人双手按钮。6.双人按钮应带有急停功能。车辆伤害运输小车1.车辆有故障(如刹车、方向盘失灵等)。2.车速太快。3.路面不太好(如缺陷、障碍物、物料堆积、油污等)。4.超载驾驶。车辆撞击人体、设备、管线1.驾驶员违章行驶。2.驾驶员精力不集中(如抽烟、谈话等)。3.酒后驾车。4.疲乏驾驶。5.驾驶员心境差,激情驾驶。财产损失人员In1.非经许可厂内应阻止车辆入内.2.增设交通标志(包括限速行驶标志、转弯处或交织路口没有安置凸镜)。3.保持路面状态良好。4.管线等不设在马路边。5.驾驶员遵守交通规矩,不违章驾驶。6.加强对驾驶员的教育和管理(如在驾驶中不抽烟、不谈话、不疲乏驾驶、不激情驾驶)。7、不超载、超速行驶C8、车辆定期检查、保持完好状态。二Wl2daTnU起伤运输链电动葫芦1.轨道的强度和刚度不够,稳定性差,使得轨道运输过程中出现轨道断裂。2.导轮的直径过大或者其质量不佳,可能会出现脱轨。3.牵引链条由于质量问题或者啮合间距过大,使得联接不稳固。4.悬链跨越地面通道或人员上方未装设防护网。5.钢丝断裂或物件捆扎不坠落物击中人体1.未戴安全帽。2.在起重作业区域作业或逗留。3.在高处有浮物或设施不稳固。人员伤亡m1.所有空中悬链,凡悬挂工件的或不悬挂工件但有吊钩的,应在悬链上装设桥式安全网。2.运输链的运输速度大于0.3ms时,应装设有安全网;行程速度小于0.3ms时,在运输链掉头处、转向处设安全网。3.空中悬链系统设置桥式网,设置维修平台,采取二次保护。4.电动葫芦采用二次防护装置,防止意外坠落。5.钢丝、吊钩应定期进行检查,对于有损害迹象的,及时进行检修。6.升降机应当定期进行安全质量检测,避免超期运载和带故障工作。7.在可能发生坠紧C6.吊钩发生裂纹,强度不够。7.降机起吊重物时时常超载现象,使得钢丝绳长期受到过毂而发生断裂。落的区域设置安全标志。火灾变电所1.变压器外部受潮、绝缘短路、分接开关接触不良。2.电缆、导线附近堆放易燃物。3.过负荷运行、超温。4.负载短路,内部短路。5.老鼠、蛇等小动物侵入电气设备、线路短路。6.雷击。燃烧发生火灾设备损坏财产损失IV-m1.配电间应有防雨、雪进入的措施,并有通风排湿措施。2.电缆沟应有排水措施。3.电缆进出口必需用沙充填封死,防止小动物进入。4.阻止长时间超负荷运行.5.定期检查维护电气设备等,清除各类隐患C6.严格遵守配电间运行规程,定期检查,确保各项保护齐全有效。7.电气设备、电缆、导线附近不得堆放易燃物。8.防止易燃、易爆物质泄漏,并设置报警装置.9.设置防雷装置。毒物粉尘焊机1 .手工电弧焊时,产生大量有害烟尘、烟尘的主要成分有铁、钵、铝、铜、氧化锌、硅等,其中主要毒性物质是锌。2 .无通风设施或通风量不够。1、有毒物料超过容许浓度:2、毒物摄入人体:1.工人没有佩戴恰当防护用品。2、防护用品选型不对或使用不当。人员中毒或职业病1、选择毒性低的焊条。2.加强通风,毒物浓度较高的地方应设置局部排风设置及空气净化处理装置。3、要正确佩戴相应的防毒过滤器和穿戴好劳动防护用品,如防毒面罩C4.定期检测作业区域有毒物浓度。5.对工人进行定期检测,积极预防职业病。6.对有毒作业场所工人进行岗位轮换。H它焊机1.高温电弧使金属熔化、飞溅,很简单使人受到灼烫伤害。2.焊渣飞入眼睛。3.电弧辐射。1.工人没有佩戴恰当防护用品(防护眼镜、焊接面罩)。6、防护用品选型不对或使用不当。灼烫伤眼1.佩戴适合防护用品,防护眼镜、焊接面罩、防灼烫工作服装。2.在焊接过程中,注意站位方向,避免焊渣溅入眼睛。三、喷涂车间火灾爆炸调漆间喷漆室烘干炉1、故障泄漏1)调漆罐、管线等破碎:阀门、法兰等泄漏:2)转动设备(如搅拌器)等动密封处泄漏;3)原料高位槽、仪表连接处泄漏;4)撞击或人为破坏等造成容器、管道等破碎而泄漏。2、运行泄漏1)超温、超压造成破碎、泄漏;2)不能及时交换,能量大量积蓄造成烘干炉破碎、泄漏;3)物理的骤冷、急热造成破碎、泄燃油遇高易<,、燃质火易物漆明温1、明火1)点火吸烟;2)抢修、检修时违章

    注意事项

    本文(汽车制造车间预先危险性分析.docx)为本站会员(p**)主动上传,第壹文秘仅提供信息存储空间,仅对用户上传内容的表现方式做保护处理,对上载内容本身不做任何修改或编辑。 若此文所含内容侵犯了您的版权或隐私,请立即通知第壹文秘(点击联系客服),我们立即给予删除!

    温馨提示:如果因为网速或其他原因下载失败请重新下载,重复下载不扣分。




    关于我们 - 网站声明 - 网站地图 - 资源地图 - 友情链接 - 网站客服 - 联系我们

    copyright@ 2008-2023 1wenmi网站版权所有

    经营许可证编号:宁ICP备2022001189号-1

    本站为文档C2C交易模式,即用户上传的文档直接被用户下载,本站只是中间服务平台,本站所有文档下载所得的收益归上传人(含作者)所有。第壹文秘仅提供信息存储空间,仅对用户上传内容的表现方式做保护处理,对上载内容本身不做任何修改或编辑。若文档所含内容侵犯了您的版权或隐私,请立即通知第壹文秘网,我们立即给予删除!

    收起
    展开