欢迎来到第壹文秘! | 帮助中心 分享价值,成长自我!
第壹文秘
全部分类
  • 幼儿/小学教育>
  • 中学教育>
  • 高等教育>
  • 研究生考试>
  • 外语学习>
  • 资格/认证考试>
  • 论文>
  • IT计算机>
  • 法律/法学>
  • 建筑/环境>
  • 通信/电子>
  • 医学/心理学>
  • ImageVerifierCode 换一换
    首页 第壹文秘 > 资源分类 > DOCX文档下载
    分享到微信 分享到微博 分享到QQ空间

    水玻璃类防腐蚀工程质量标准和检验方法.docx

    • 资源ID:246726       资源大小:22.81KB        全文页数:3页
    • 资源格式: DOCX        下载积分:5金币
    快捷下载 游客一键下载
    账号登录下载
    三方登录下载: 微信开放平台登录 QQ登录
    下载资源需要5金币
    邮箱/手机:
    温馨提示:
    快捷下载时,如果您不填写信息,系统将为您自动创建临时账号,适用于临时下载。
    如果您填写信息,用户名和密码都是您填写的【邮箱或者手机号】(系统自动生成),方便查询和重复下载。
    如填写123,账号就是123,密码也是123。
    支付方式: 支付宝    微信支付   
    验证码:   换一换

    加入VIP,免费下载
     
    账号:
    密码:
    验证码:   换一换
      忘记密码?
        
    友情提示
    2、PDF文件下载后,可能会被浏览器默认打开,此种情况可以点击浏览器菜单,保存网页到桌面,就可以正常下载了。
    3、本站不支持迅雷下载,请使用电脑自带的IE浏览器,或者360浏览器、谷歌浏览器下载即可。
    4、本站资源下载后的文档和图纸-无水印,预览文档经过压缩,下载后原文更清晰。
    5、试题试卷类文档,如果标题没有明确说明有答案则都视为没有答案,请知晓。

    水玻璃类防腐蚀工程质量标准和检验方法.docx

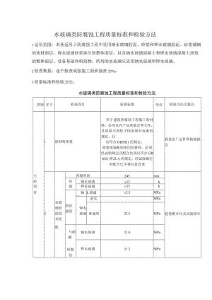
    水玻璃类防腐蚀工程质量标准和检验方法1适用范围:本条适用于防腐蚀工程中采用钠水玻璃胶泥、砂浆和钾水玻璃胶泥、砂浆铺砌的块材面层,钾水玻璃砂浆抹压的整体面层,以及钠水玻璃混凝土和钾水玻璃混凝土浇筑的整体面层、设备基础和构筑物。所列的水玻璃应采用钠水玻璃和钾水玻璃。2检查数量:逐个检查或按施工面积抽查25%o3质量标准和检验方法:水玻璃类防腐蚀工程质量标准和检验方法类别序弓检查项目质量标准单位检验方法及器具1原材料质量用于建筑防腐蚀工程施工的材料,必须具有产品质量证明文件,其质量不得低于国家现行标准的规定,且应符合GB5021的规定。需要现场配制使用的材料,必须经试验确定其配合比尚应符合GB5021附录A的规定。经试验确定的配合比不得任意改变检查出厂证件和检验报告主初凝时间245min控终钠水玻璃12h项凝钾水玻璃15h目钠Zlk玻璃2.5MPa水玻璃胶泥技术性钾水玻璃密实MPa2抗拉强度普通型22.5MPa检查配合比及试验报告能与耐酸钠水玻璃21.0MPa砖黏结钾水玻璃1.2MPa主控项目2水玻璃胶泥技术性能吸水率钠水玻璃15%检查配合比及试验报告钾水玻璃普通型10%浸酸安定性合格3水玻璃砂浆技术性能抗压强度钠水玻璃密实型220MPa检查配合比及试验报告普通型215MPa钾水玻璃密实型225MPa普通型220MPa浸酸安定性合格4水玻璃混凝土技术性能抗压强度钠水玻璃密实型225MPa检查配合比及试验报告普通型220MPa钾水玻璃密实型225MPa普通型20MPa抗渗指示1.2MPa浸酸安定性合格5预埋铁件除锈并刷防腐蚀涂料观察检查6基层要求混凝土或水泥砂浆基层必须坚固、密实、平整,坡度和强度符合设计要求,严禁有地下水渗漏、不均匀沉降;不得有起砂、起壳、裂缝、蜂窝麻面等现象。基层必须干燥,在深20的厚度层内,含水率不大于6%,观察、检查试验报告钢结构基层表面应平整,无焊渣、毛刺、油污、铁锈等观察检查水玻璃耐酸豉、耐酸耐温砖35铺砌胶天然石材577块材结合层厚度水玻璃砂浆耐酸豉、耐酸耐温砖5-7钢尺检查天然石材10-15钾水玻璃混凝土预制块812水玻璃耐酸转、耐酸耐温豉23铺砌块材灰缝宽度胶泥天然石材358水玻耐酸砖、耐酸耐温砖46mm钢尺检查璃砂天然石材812浆钾水玻璃混凝土预制块8129水玻璃混凝土面层密实、平整,无蜂窝、裂纹等缺陷及未固化现象观察检查控项目10一匚程养护及表面酸化处理水玻璃防腐蚀工程在施工及养护期间,严禁与水或水蒸气接触,并应防止早期过快脱水。符合设计要求和现行有关标准的规定,酸化处理至无白色结晶钠盐析出观察、检查养护记录1地面平整度4mm2m靠尺及塞尺检查一般项目2地面坡度偏差坡长的±0.2%,且不大于30mm坡度尺或水准仪检查注:1表中砂浆抗拉强度和黏结强度,仅用于最大粒径1.25mm的钾水玻璃砂浆。2表中耐热极限温度,仅用于有耐热要求的防腐蚀工程。

    注意事项

    本文(水玻璃类防腐蚀工程质量标准和检验方法.docx)为本站会员(p**)主动上传,第壹文秘仅提供信息存储空间,仅对用户上传内容的表现方式做保护处理,对上载内容本身不做任何修改或编辑。 若此文所含内容侵犯了您的版权或隐私,请立即通知第壹文秘(点击联系客服),我们立即给予删除!

    温馨提示:如果因为网速或其他原因下载失败请重新下载,重复下载不扣分。




    关于我们 - 网站声明 - 网站地图 - 资源地图 - 友情链接 - 网站客服 - 联系我们

    copyright@ 2008-2023 1wenmi网站版权所有

    经营许可证编号:宁ICP备2022001189号-1

    本站为文档C2C交易模式,即用户上传的文档直接被用户下载,本站只是中间服务平台,本站所有文档下载所得的收益归上传人(含作者)所有。第壹文秘仅提供信息存储空间,仅对用户上传内容的表现方式做保护处理,对上载内容本身不做任何修改或编辑。若文档所含内容侵犯了您的版权或隐私,请立即通知第壹文秘网,我们立即给予删除!

    收起
    展开