欢迎来到第壹文秘! | 帮助中心 分享价值,成长自我!
第壹文秘
全部分类
  • 幼儿/小学教育>
  • 中学教育>
  • 高等教育>
  • 研究生考试>
  • 外语学习>
  • 资格/认证考试>
  • 论文>
  • IT计算机>
  • 法律/法学>
  • 建筑/环境>
  • 通信/电子>
  • 医学/心理学>
  • ImageVerifierCode 换一换
    首页 第壹文秘 > 资源分类 > DOCX文档下载
    分享到微信 分享到微博 分享到QQ空间

    楼盘封顶验收报告.docx

    • 资源ID:246028       资源大小:17.90KB        全文页数:3页
    • 资源格式: DOCX        下载积分:5金币
    快捷下载 游客一键下载
    账号登录下载
    三方登录下载: 微信开放平台登录 QQ登录
    下载资源需要5金币
    邮箱/手机:
    温馨提示:
    快捷下载时,如果您不填写信息,系统将为您自动创建临时账号,适用于临时下载。
    如果您填写信息,用户名和密码都是您填写的【邮箱或者手机号】(系统自动生成),方便查询和重复下载。
    如填写123,账号就是123,密码也是123。
    支付方式: 支付宝    微信支付   
    验证码:   换一换

    加入VIP,免费下载
     
    账号:
    密码:
    验证码:   换一换
      忘记密码?
        
    友情提示
    2、PDF文件下载后,可能会被浏览器默认打开,此种情况可以点击浏览器菜单,保存网页到桌面,就可以正常下载了。
    3、本站不支持迅雷下载,请使用电脑自带的IE浏览器,或者360浏览器、谷歌浏览器下载即可。
    4、本站资源下载后的文档和图纸-无水印,预览文档经过压缩,下载后原文更清晰。
    5、试题试卷类文档,如果标题没有明确说明有答案则都视为没有答案,请知晓。

    楼盘封顶验收报告.docx

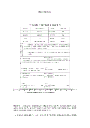
    楼盘封顶验收报告主体结构分部工程质量验收报告建设单位XXX房屋开发公司工程名称XXX综合楼施工单位XXX公司项目负责人XXX建筑面积5OOOn?结构类型框架层数9层验收层段19层施工周期2002.3.42002.10.5脸收日期2002.11.8体S查况实质检情钢筋绑扎符合设计和施工规范:混凝土浇筑密实成型较好:砌体组砌正确和构造符合设计要求:预制板安装坐浆平整饱满,板缝大于2cm且均匀:经抽查抽测,各分项检验批主控项目合格和一般项目符合要求。段件查况旗文校情共核查19项,其中符合要求】9项,经鉴定符合要求项,核查意见:质量文件基本齐全。施工单位评定意见:经检查验收,该工程主体分部各分项符合经审查批准设计图纸和施工规范,质量合格。注册建造师(项目经理):×××(公章)企业技术负责人:2002年11月8日监理单位验收意见:经旁站见证、取样检查脸收,主体分部各分项符合经审查批准设计图纸和施工规范,质量合格,同意进入下道工序施工。(公章)总监理工程师:2002年11月8日设计单位验收意见:经检查验收,主体分部符合经审查批准设计图纸要求.(公章)设计项目负责人:×××2002年11月8日建设单位验收结论:经检查验收,主体分部质量合格,同意进入下道工序施工。(公章)项目负责人:XXX2002年11月8日注:L主体结构分部工程完成后.隘理单位(建设单位)应组织有关单位进行质置验收.并按规定的内容填写和签署意见,工程建设参与各方按规定承担相应质置费任.2.主体结构分部工程质量文件按要求填写汇总表并整理成册附后。填表说明一、本表适用于总监理工程师(建设单位项目负责人)组织施工单位项目负责人和技术质量负责人、设计单位工程项目负责人对主体结构分部工程质量验收,质量监督机构对该分部监督检查后也要签署监督检查意见。二、主体结构分部构成条件:由同一施工单位施工具有独立使用功能的建筑物或构筑物的主体结构。三、填写要求1、工程概况:由施工单位填写。a、结构类型:根据房屋的实际主体结构形式填写成砖混、底框砖混、多排柱内框架、框架、框架一抗震墙、抗震墙、部分框支抗震墙、框架核心筒、板柱抗震墙、轻框等结构形式的任一种或几种。b、验收层段:工程较大或分段施工时,可按楼层段或轴线段将单位工程分为两次或多次对主体结构分部工程进行验收,填写某次验收的层段范围。一般来说,为了便于签字盖章和管理,可将单位工程主体结构分部质量验收的情况综合后,填写单位工程楼层数。c、施工周期为主体结构分部工程的施工起止日期。d、验收日期为各责任主体单位对主体结构分部工程进行检查验收日期,若分几次分段验收,可将验收日期同时填如表内。2、实体质量检查情况:总监理工程师组织相关责任主体单位对主体结构分部工程所涉及的分项工程实体质量和工程质量文件检查验收,形成统一意见后由总监理工程师填写。包括该分部所涉及的相关分项观感质量、主控项目、一般项目的检查情况。若有分项工程存在安全或缺陷已处理,也应写明,如现浇板负筋保护层偏大己由法定检测单位鉴定检测、设计单位复核认可等。3、质量文件核查情况:相关责任主体单位对主体结构工程质量文件汇总表所涉及的、应该有的内容逐一检查核对,项数为相关序号项数的累计,由总监理工程师填写。4、各相关责任主体单位的验收意见除施工单位评定意见由项目经理填写外,其余均由相关签字人填写。填写的内容应根据各自单位职责,填明是否参与检查验收程序和验收的结论性意见,如是否符合经审查批准的设计图纸和施工规范,质量合格与否,能否进入下步工序施工,并且签字盖各单位章。5、质量监督机构在主体结构分部监督检查后也应签署监督意见,填明各责任主体单位是否参与相关检查验收,程序是否合法,是否同意验收。

    注意事项

    本文(楼盘封顶验收报告.docx)为本站会员(p**)主动上传,第壹文秘仅提供信息存储空间,仅对用户上传内容的表现方式做保护处理,对上载内容本身不做任何修改或编辑。 若此文所含内容侵犯了您的版权或隐私,请立即通知第壹文秘(点击联系客服),我们立即给予删除!

    温馨提示:如果因为网速或其他原因下载失败请重新下载,重复下载不扣分。




    关于我们 - 网站声明 - 网站地图 - 资源地图 - 友情链接 - 网站客服 - 联系我们

    copyright@ 2008-2023 1wenmi网站版权所有

    经营许可证编号:宁ICP备2022001189号-1

    本站为文档C2C交易模式,即用户上传的文档直接被用户下载,本站只是中间服务平台,本站所有文档下载所得的收益归上传人(含作者)所有。第壹文秘仅提供信息存储空间,仅对用户上传内容的表现方式做保护处理,对上载内容本身不做任何修改或编辑。若文档所含内容侵犯了您的版权或隐私,请立即通知第壹文秘网,我们立即给予删除!

    收起
    展开