欢迎来到第壹文秘! | 帮助中心 分享价值,成长自我!
第壹文秘
全部分类
  • 幼儿/小学教育>
  • 中学教育>
  • 高等教育>
  • 研究生考试>
  • 外语学习>
  • 资格/认证考试>
  • 论文>
  • IT计算机>
  • 法律/法学>
  • 建筑/环境>
  • 通信/电子>
  • 医学/心理学>
  • ImageVerifierCode 换一换
    首页 第壹文秘 > 资源分类 > DOCX文档下载
    分享到微信 分享到微博 分享到QQ空间

    板式排烟阀安装工艺标准.docx

    • 资源ID:244576       资源大小:56.87KB        全文页数:3页
    • 资源格式: DOCX        下载积分:5金币
    快捷下载 游客一键下载
    账号登录下载
    三方登录下载: 微信开放平台登录 QQ登录
    下载资源需要5金币
    邮箱/手机:
    温馨提示:
    快捷下载时,如果您不填写信息,系统将为您自动创建临时账号,适用于临时下载。
    如果您填写信息,用户名和密码都是您填写的【邮箱或者手机号】(系统自动生成),方便查询和重复下载。
    如填写123,账号就是123,密码也是123。
    支付方式: 支付宝    微信支付   
    验证码:   换一换

    加入VIP,免费下载
     
    账号:
    密码:
    验证码:   换一换
      忘记密码?
        
    友情提示
    2、PDF文件下载后,可能会被浏览器默认打开,此种情况可以点击浏览器菜单,保存网页到桌面,就可以正常下载了。
    3、本站不支持迅雷下载,请使用电脑自带的IE浏览器,或者360浏览器、谷歌浏览器下载即可。
    4、本站资源下载后的文档和图纸-无水印,预览文档经过压缩,下载后原文更清晰。
    5、试题试卷类文档,如果标题没有明确说明有答案则都视为没有答案,请知晓。

    板式排烟阀安装工艺标准.docx

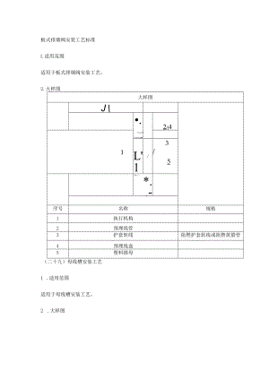
    板式排烟阀安装工艺标准L适用范围适用于板式排烟阀安装工艺。2.大样图大样图J.二.i,2/l41L'1/3/5;*.-U序号名称规格1执行机构2预埋线管3护套软线阻燃护套软线或阻燃黄腊管4预埋线盒5塑料锁母(二十九)母线槽安装工艺1 .适用范围适用于母线槽安装工艺。2 .大样图软母线大样1L1母线槽2水平固定压具(产品配套)3外壳接地螺栓(母线槽自带4多股铜芯软线(242,黄绿双色)5开口线耳(带塑套,塑套黄色)6绝缘板(=2mm)7镀锌全牙丝杆8型钢托架9槽钢10如架12弹簧13垫圈14螺母3.工艺核心要义叙述当母线槽外壳与托架材质不同时,应增加绝缘板(6)隔离。母线槽垂直安装所需的弹簧支架由厂家配套,母线槽垂直安装工艺参照产品说明书。尺寸标准:W2=Wl+200(W2为横担下料长度,Wl为母线夹板固定间距),钢混结构母线槽吊架间距二120Omm;网架结构吊架间距视网架吊点间距情况而定。软母线用于母线与母线间及母线与设备(若变压器)间的连接。W2(mm)L(丝杆)T(托架)X拉爆螺栓备注40012L40X450mm2400<w2600125#50mm2600<w2126#100mm44.注意事项1)全负荷试运转时,及时测量母线温升变化情况,规避母线热膨胀带来的风险。2)扭矩螺栓需拧断螺栓头,扭矩扳手需调节至厂家规定扭矩拧紧螺栓。

    注意事项

    本文(板式排烟阀安装工艺标准.docx)为本站会员(p**)主动上传,第壹文秘仅提供信息存储空间,仅对用户上传内容的表现方式做保护处理,对上载内容本身不做任何修改或编辑。 若此文所含内容侵犯了您的版权或隐私,请立即通知第壹文秘(点击联系客服),我们立即给予删除!

    温馨提示:如果因为网速或其他原因下载失败请重新下载,重复下载不扣分。




    关于我们 - 网站声明 - 网站地图 - 资源地图 - 友情链接 - 网站客服 - 联系我们

    copyright@ 2008-2023 1wenmi网站版权所有

    经营许可证编号:宁ICP备2022001189号-1

    本站为文档C2C交易模式,即用户上传的文档直接被用户下载,本站只是中间服务平台,本站所有文档下载所得的收益归上传人(含作者)所有。第壹文秘仅提供信息存储空间,仅对用户上传内容的表现方式做保护处理,对上载内容本身不做任何修改或编辑。若文档所含内容侵犯了您的版权或隐私,请立即通知第壹文秘网,我们立即给予删除!

    收起
    展开