欢迎来到第壹文秘! | 帮助中心 分享价值,成长自我!
第壹文秘
全部分类
  • 幼儿/小学教育>
  • 中学教育>
  • 高等教育>
  • 研究生考试>
  • 外语学习>
  • 资格/认证考试>
  • 论文>
  • IT计算机>
  • 法律/法学>
  • 建筑/环境>
  • 通信/电子>
  • 医学/心理学>
  • ImageVerifierCode 换一换
    首页 第壹文秘 > 资源分类 > DOCX文档下载
    分享到微信 分享到微博 分享到QQ空间

    暖通初步设计说明-国际学校.docx

    • 资源ID:243087       资源大小:37.37KB        全文页数:7页
    • 资源格式: DOCX        下载积分:5金币
    快捷下载 游客一键下载
    账号登录下载
    三方登录下载: 微信开放平台登录 QQ登录
    下载资源需要5金币
    邮箱/手机:
    温馨提示:
    快捷下载时,如果您不填写信息,系统将为您自动创建临时账号,适用于临时下载。
    如果您填写信息,用户名和密码都是您填写的【邮箱或者手机号】(系统自动生成),方便查询和重复下载。
    如填写123,账号就是123,密码也是123。
    支付方式: 支付宝    微信支付   
    验证码:   换一换

    加入VIP,免费下载
     
    账号:
    密码:
    验证码:   换一换
      忘记密码?
        
    友情提示
    2、PDF文件下载后,可能会被浏览器默认打开,此种情况可以点击浏览器菜单,保存网页到桌面,就可以正常下载了。
    3、本站不支持迅雷下载,请使用电脑自带的IE浏览器,或者360浏览器、谷歌浏览器下载即可。
    4、本站资源下载后的文档和图纸-无水印,预览文档经过压缩,下载后原文更清晰。
    5、试题试卷类文档,如果标题没有明确说明有答案则都视为没有答案,请知晓。

    暖通初步设计说明-国际学校.docx

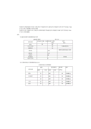
    空调室外计算湿球温度27.81C空调计算日平均温度30.7C通风室外计算温度31.8T室外平均风速1.7ms大气压力IO(M.OhPa冬季设计参数空调室外计算干球温度5.2V空调室外计算相对湿度72%通风室外计算温度13.64C室外平均风速1.7ms大气压力1019.OhPa室内3.2.通风房间换气量参数参见表3.IT通风换气量表表3.1-2房间名称送风换气次数(次h)排风换气次数位件(次h)备注厨房5060公共卫生间10门缝自然补风电梯机房10变电室>30根据设备散热量进行校核配电室>15水泵房26发电机房发热量客房卫生间63.3.主要房间设计计算参数参见表3.1-2主要房间设计计算参数表房间名称温度相对湿度新风量n3hp噪声熨季冬季夏季冬季课室2560一3050dB()多功能厅25-603050dB(A)2460一3050dB(A)大堂2560一1050dB()客房25一60一3045dB(A)暖通空调专业1设计依据1.1. 我国现行的采暖通风设计规范及技术措施:民用建筑供暖通风与空气调节设计规范建筑设计防火规范建筑防烟排烟系统技术标准民用建筑热工设计规范公共建筑节能设计标准住宅设计规范住宅建筑规范车库建筑设计规范汽车库、修车库、停车场设计防火规范饮食油烟排放标准建筑给排水及采暖施工质量验收规范通风及空调工程施工质量验收规范GB50736-2012GB 50016-2014 (2018 年版)GB 51251-2017GB 50176-2016GB 50189-2015GB50096-2011GB50368-2005JGJ 100-2015GB 50067-2014(GB18483-2001)(GB50242-2002)(GB50243-2016)全国民用建筑工程设计技术措施暖通空调动力2009年版电动汽车充电基础设施建设技术规程DBJ/T15-150-2018全国民用建筑工程设计技术措施节能专篇一一暖通空调动力2007年版1.2. 与本专业有关的批准文件、各部门审查意见和其他专业提供的本工程设计资料1.3. 业主对本工程的使用要求(设计任务书)及双方有关协商纪要2设计范圉2.1 本工程概况详建筑设计说明。2.2 本工程设计范围包括:课室、客房的通风及防排烟系统:课室、客房的空调系统;设备机房的通风、排烟系统。3设计资料3.1. 室外空气计算参数广州地区气象资料夏季设计参数空调室外计算干球温度34.2风机采用低噪声离心风机箱。补风量不小于排烟量的50%。7.2地下车库设备用房根据功能分别设置机械通风系统,参见表7.2-1。表7.房间名称一送风换气次数(次/小时)2排风换气次数(次/小时)备注,水泵房62配电房,12215*3<变压器房Q排风里的80奸接发热量2设分体空调降温,电梯机房一自然进风,设分体空调降温发电机房(平A寸通风)自然进风J6。公共卫生间“自然进风QP地下车库Q排风量的80%Q按c。浓度稀释法计算P7.3.配电室设置事故通风,换气次数不小于12次h°7.4.地上和地下楼梯间及其合用前室设置机械加压送风系统,正压送风系统合用竖向管道,分别设置不同的正压风机,火灾发生时根据着火区域开启地下或地上的加压送风口,联锁加压风机启动;裙楼及地下室的不满足自然排烟条件的防烟楼梯间及其前室、合用前室分别设置机械加压送风系统,加压风机风量根据建筑防烟排烟系统技术标准GB5125L2017计算,加压风机布置在地下室加压机房、裙楼加压机房。前室及合用前室的加压送风系统每层设置一个常闭电动加压送风口(70C熔断),火灾发生时通过就地远控开关,开启着火层及上下各一层的加压送风口,联锁加压风机启动;楼梯间和前室之间设差压传感器与加压机房电动风量调节冏联动,保证防烟区域的余压值:防烟楼梯间50Pa,前室、合用前室25Pa。7.5.不满足自然排烟的房间,长度超过20m的内走廊设机械排烟系统,单个防烟分区的排烟量按防烟分区面积乘以60mV(h,m2)计算,且房间单个防烟分区的最小排烟量不小于15000m7h,走廊单个防烟分区的最小排烟量不小于13000m'h,系统排烟量按同一防火分区中任意两个相邻防烟分区的排烟量之和的最大值确定;中庭回廊区域的排烟量按照防烟分区面积乘以60m7(h.m2)计算且单个防烟分区的最小排烟量不小于13000m3h,系统排烟量按同一防火分区中任意两个相邻防烟分区的排烟量之和的最大值确定;对于房间面积大于500平方且需要机械排烟的房间,均有可开启外窗自然补风。7.6.垃圾间排风采用活性炭过滤,隔油排风采用光电除臭装置。4空调系统设计4.1. 空调冷热源配置:4.2. 1根据最大冷负荷计兑、业主与顾问要求,汇丰估算值按180wm2考虑(具体容量按施工图负荷计算确定);主机大小机组搭配。考虑一台小机组设置变频主机。主机能效达到二级以上。4.3. 2冷却塔风机变频;4.2.3监控室、消控室、电梯机房设置分体空调。4. 2.4本工程制冷工质均采用环保冷媒。4.2. 空调水系统:4.3.1 空调水系统水泵、主机一一对应设置。一次泵变流量,水泵变频。冷冻水温差建议选用大温差(详后页)。控制主机、管路、闹门、末端等设备水压降,减少水泵扬程。4.3.2 风机盘管设置开关型压差无关型平衡控制阀(一体阀),新风机组、空气处理机组回水管路上设置带调节功能的压差无关型平衡控制阀(一体阀),从而保证各机组的流量在设计范围内。4.3.3 空调水系统采用自动补水排气定压装置,本别设置于地下室机房内:4.3.4 3.4空调冷冻水系统多功能旁流水处理设备。4.3.5 3.5空调冷却水系统和设备采用节水冷却技术和措施。5 空调风系统1. 1.餐厅,演讲厅等大商业区域和其公共区域采用采用全空气系统,在过渡季节均可实现全新风运行,采用上送上回的气流组织方式。5. 2.课室,客房等区域采用风机盘管+新风系统,采用上送上回的气流组织。6. 3.大空间采用的全空气系统,小空间采用的风机盘管和吊柜式空气处理机组,采用的多联机风管式末端,均可实现启停和温度控制。空调末端装置可独立启停的主要功能房间数量比例达到90%。6 空气净化6. 1本项目新风机组、空气处理机组、风机盘管机组均配置光氢离子空气净化装置。7. 2本工程的所有新风百叶入口均设置初效过滤器并设置不锈钢防鼠网。7 通风及防排烟设计7.1. 地下车库按防火分区设机械排烟系统(兼排风系统),排烟量按汽车库、修车库、停车场设计防火规范GB50067-2014表&2.5中净高取值的1.2倍确定,排烟补风系统兼平时送风,按机械排风量的80%计算。排烟兼排风系统风机采用低噪声离心风机箱,补风系统9.1地库排风兼排烟系统采用合理的风管风速,不超过12ms,送(补)风系统不超过8m/s。9. 2通风机采用高效型,风机的单位风量耗功率限制小于O.27Wm3h,9.3 通风及制冷设备均采用低噪声设备,定货时要求厂商提供设备噪声值,并设减振垫、弹性吊架等减振装置。空调机、通风机进出口风管均设软接头、消声器。9.4 机房门、墙、楼板均由建筑专业作隔声、吸声处理,机房采用防火隔声门。地上空调室外机位处考虑隔声、隔振,尤其是裙房屋顶送、排风等设备应采取严格的降噪措施,以免影响周围环境。排风系统尽量做到高位排放。9.5防火封堵材料不得采用含卤素及石棉的成分。9.6办公楼的多联机和商业区域的空调制冷机组的制冷工质采用环保冷媒。9.7冷水机组及多联机的选用满足公共建筑节能设计标准GB50189的规定。9.8商业区域及办公楼采用效率不低于65%的新风换气系统,节约冷(热)能。9. 9住宅的房排油烟经的房排油烟机排至烟道,经烟道排至屋顶。10材料选用及防腐保温设计10.1 风管材质选用见8.IT暖通风管选用表表8.IT通风系统名称矩形风管大边长或圆形风管直径(mm)材质以及壁厚(mm)中、低压系统高压系统通风系统b320镀锌钢板:0.5镀锌钢板:0.75320<b450镀锌钢板:0.6镀锌钢板:0.75150<b630镀锌钢板;0.75镀锌钢板;LO630<b1000镀锌钢板;0.75镀锌钢板;LO1000<b15000镀锌钢板:LO镀锌钢板:1.215000<b2000镀锌钢板;1.2镀锌钢板;1.52000<b4000镀锌钢板:1.2消防系统b320镀锌钢板;0.75320b450镀锌钢板;0.75450<b630镀锌钢板:LO630<b1000镀锌钢板:LO1000<b1500镀锌钢板;1.21500<b2000镀锌钢板:l510.2 风管的保温及标识7. 8.排烟口风速不大于IOins,送风口风速不大于7ms,土建竖井风速不大于15ms,金属管道排烟风速不大于20ms,排烟口至本防烟分区最远点不超过30m,距安全疏散口的最小水平距离为1.5m7.9. 加压风道采用土建风道内衬金属风管的方式。7.10.加压风机、排烟风机采用经过消防部门认证的专用风机,排烟风机应具备在280t环境中连续工作30分钟以上。通风、空调、排烟系统在满足功能要求的前提下,尽量按防火分区分别设置:所有穿越防火堵、通风空调机房及重要房间等重要的或火灾危险性大的房间隔墙和楼板处风管上均设防火阀,垂直风管与每层水平风管交接处的水平管段上设防火阀,其中通风、空调风管上的防火阀为70C熔断,厨房排风兼排烟风管上防火阀为150C熔断,并与相应的排风机联锁,排风兼排烟风管及排烟风管上的排烟防火阀为280C熔断,设常闭排烟口并在排烟风机入口总管上设280时自动关闭的排烟防火阀,当排烟防火阀因烟气温度达到280t自动关闭时,联锁关闭排烟风机。7.1L风管与防火墙、通风空调机房及重要房间外墙之间的缝隙用防火材料封堵:空调、通风风管采用不燃材料制作,排风兼排烟系统风管厚度按消防排烟要求确定,风管保温材料采用离心玻璃棉产品,防火等级按GB862”2006标准须整体达到A2级。密度:48kgm3:导热系数W0.036Wm.Ko7.12.火灾时加压风机、着火区域的排烟风机、补风机均启动,其它与消防无关的空调设备均停止运行。对于排烟系统,当确定火灾时,手动或自动启动排烟风机和补风系统,机械排烟系统的控制程序见下图。8自控设计8.1空调系统采用集散型控制系统,由中央管理计算机、通讯网络、带网络接口的DDC控制器、各种传感器、电动执行机构组成。由中央管理计算机实现对各机房内DDC控制器的监测及控制指令设定,DI)C控制器完成现场的温度、湿度控制。8.2消防控制系统应与DDC控制系统兼容及通讯,在火灾时应通过消防控制系统直接启停进入DDC系统的设备。消防控制系统的说明详

    注意事项

    本文(暖通初步设计说明-国际学校.docx)为本站会员(p**)主动上传,第壹文秘仅提供信息存储空间,仅对用户上传内容的表现方式做保护处理,对上载内容本身不做任何修改或编辑。 若此文所含内容侵犯了您的版权或隐私,请立即通知第壹文秘(点击联系客服),我们立即给予删除!

    温馨提示:如果因为网速或其他原因下载失败请重新下载,重复下载不扣分。




    关于我们 - 网站声明 - 网站地图 - 资源地图 - 友情链接 - 网站客服 - 联系我们

    copyright@ 2008-2023 1wenmi网站版权所有

    经营许可证编号:宁ICP备2022001189号-1

    本站为文档C2C交易模式,即用户上传的文档直接被用户下载,本站只是中间服务平台,本站所有文档下载所得的收益归上传人(含作者)所有。第壹文秘仅提供信息存储空间,仅对用户上传内容的表现方式做保护处理,对上载内容本身不做任何修改或编辑。若文档所含内容侵犯了您的版权或隐私,请立即通知第壹文秘网,我们立即给予删除!

    收起
    展开