欢迎来到第壹文秘! | 帮助中心 分享价值,成长自我!
第壹文秘
全部分类
  • 幼儿/小学教育>
  • 中学教育>
  • 高等教育>
  • 研究生考试>
  • 外语学习>
  • 资格/认证考试>
  • 论文>
  • IT计算机>
  • 法律/法学>
  • 建筑/环境>
  • 通信/电子>
  • 医学/心理学>
  • ImageVerifierCode 换一换
    首页 第壹文秘 > 资源分类 > DOCX文档下载
    分享到微信 分享到微博 分享到QQ空间

    承包方资质审查流程.docx

    • 资源ID:239043       资源大小:22.03KB        全文页数:2页
    • 资源格式: DOCX        下载积分:5金币
    快捷下载 游客一键下载
    账号登录下载
    三方登录下载: 微信开放平台登录 QQ登录
    下载资源需要5金币
    邮箱/手机:
    温馨提示:
    快捷下载时,如果您不填写信息,系统将为您自动创建临时账号,适用于临时下载。
    如果您填写信息,用户名和密码都是您填写的【邮箱或者手机号】(系统自动生成),方便查询和重复下载。
    如填写123,账号就是123,密码也是123。
    支付方式: 支付宝    微信支付   
    验证码:   换一换

    加入VIP,免费下载
     
    账号:
    密码:
    验证码:   换一换
      忘记密码?
        
    友情提示
    2、PDF文件下载后,可能会被浏览器默认打开,此种情况可以点击浏览器菜单,保存网页到桌面,就可以正常下载了。
    3、本站不支持迅雷下载,请使用电脑自带的IE浏览器,或者360浏览器、谷歌浏览器下载即可。
    4、本站资源下载后的文档和图纸-无水印,预览文档经过压缩,下载后原文更清晰。
    5、试题试卷类文档,如果标题没有明确说明有答案则都视为没有答案,请知晓。

    承包方资质审查流程.docx

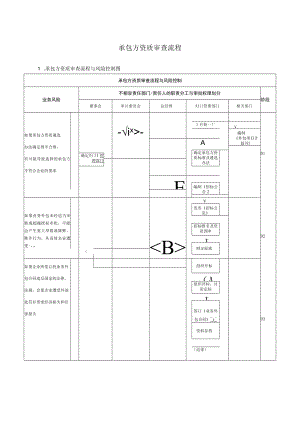
    承包方资质审查流程1 .承包方资质审查流程与风险控制图承包方资质审查流程与风险控制业务风险不相容责任部门/贵任人的职责分工与审批权限划分阶段董事会审计委员会总经理归口管理部门相关部门如果承包方资质遴选办法确定得不合理,有可能导致选择的承包方不符合企业的要求-ix>-Dl1升始一厂V编制外包项目计划书A确定承包方资质标准及遴选办法确定归II管理部门E编制招标公告ZD2D3如果业务外包未经适当审核或超越授权审牝,可能会产生重大举错或舞弊、欺诈行为,从而使企业遭受i*<B>V发布招标公竞招标报名及资质预审J<制定标底如果企业所签订的业务外包合同违反国家的法律、法规,会使企业遭受外部处罚并带来经济损失和信誉损失组织开标(A组织评标、讨论定标J签订业务外包合同r资料存档(结束)2 .承包方资质审查流程控制表承包方资质审查流程控制控制事项详细描述及说明阶段控制Dl1.根据企业外包业务的性质确定承包方应具备的资质标准及遴选办法D22.选择承包方时,归口管理部门对承包方进行资质预审,评估承包方的综合能力。评估因素主要包括五个方面(1)承包方类似项目的经验、服务能力、资格认证和信誉(2)承包方是否与本企业存在直接或潜在的竞争关系(3)承包方在知识产权保护方面的力度和效果(4)承包方的性能价格比是否合适(5)其他因素D33.归Il管理部门通过评估给出候选承包方的综合竞争力排名,会同相关管理层及其他职能部门负责人分析与候选承包方建立外包合同的风险,根据实际情况挑选出一家或几家公司作为业务承包方相关规范应建规范业务外包管理制度参照规范0企业内部控制应用指引0中华人民共和国公司法0中华人民共和国招标投标法文件资料0外包项目计划书0招标公告0业务外包合同责任部门及责任人Cl董事会、审计委员会、归口管理部门OJ董事长、总经理、归口管理部门相关人员

    注意事项

    本文(承包方资质审查流程.docx)为本站会员(p**)主动上传,第壹文秘仅提供信息存储空间,仅对用户上传内容的表现方式做保护处理,对上载内容本身不做任何修改或编辑。 若此文所含内容侵犯了您的版权或隐私,请立即通知第壹文秘(点击联系客服),我们立即给予删除!

    温馨提示:如果因为网速或其他原因下载失败请重新下载,重复下载不扣分。




    关于我们 - 网站声明 - 网站地图 - 资源地图 - 友情链接 - 网站客服 - 联系我们

    copyright@ 2008-2023 1wenmi网站版权所有

    经营许可证编号:宁ICP备2022001189号-1

    本站为文档C2C交易模式,即用户上传的文档直接被用户下载,本站只是中间服务平台,本站所有文档下载所得的收益归上传人(含作者)所有。第壹文秘仅提供信息存储空间,仅对用户上传内容的表现方式做保护处理,对上载内容本身不做任何修改或编辑。若文档所含内容侵犯了您的版权或隐私,请立即通知第壹文秘网,我们立即给予删除!

    收起
    展开