欢迎来到第壹文秘! | 帮助中心 分享价值,成长自我!
第壹文秘
全部分类
  • 幼儿/小学教育>
  • 中学教育>
  • 高等教育>
  • 研究生考试>
  • 外语学习>
  • 资格/认证考试>
  • 论文>
  • IT计算机>
  • 法律/法学>
  • 建筑/环境>
  • 通信/电子>
  • 医学/心理学>
  • ImageVerifierCode 换一换
    首页 第壹文秘 > 资源分类 > DOCX文档下载
    分享到微信 分享到微博 分享到QQ空间

    建筑物景观照明灯、航空障碍标志灯和庭院灯安装分项工程检验批质量验收记录表2.docx

    • 资源ID:237127       资源大小:18.18KB        全文页数:2页
    • 资源格式: DOCX        下载积分:5金币
    快捷下载 游客一键下载
    账号登录下载
    三方登录下载: 微信开放平台登录 QQ登录
    下载资源需要5金币
    邮箱/手机:
    温馨提示:
    快捷下载时,如果您不填写信息,系统将为您自动创建临时账号,适用于临时下载。
    如果您填写信息,用户名和密码都是您填写的【邮箱或者手机号】(系统自动生成),方便查询和重复下载。
    如填写123,账号就是123,密码也是123。
    支付方式: 支付宝    微信支付   
    验证码:   换一换

    加入VIP,免费下载
     
    账号:
    密码:
    验证码:   换一换
      忘记密码?
        
    友情提示
    2、PDF文件下载后,可能会被浏览器默认打开,此种情况可以点击浏览器菜单,保存网页到桌面,就可以正常下载了。
    3、本站不支持迅雷下载,请使用电脑自带的IE浏览器,或者360浏览器、谷歌浏览器下载即可。
    4、本站资源下载后的文档和图纸-无水印,预览文档经过压缩,下载后原文更清晰。
    5、试题试卷类文档,如果标题没有明确说明有答案则都视为没有答案,请知晓。

    建筑物景观照明灯、航空障碍标志灯和庭院灯安装分项工程检验批质量验收记录表2.docx

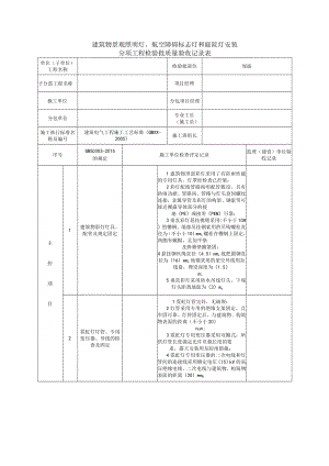
    建筑物景观照明灯、航空障碍标志灯和庭院灯安装分项工程检验批质量验收记录表单位(子单位)工程名称检验批部位屋面子分部工程名称项目经理施工单位分包项目经理分包单位专业工长(施工员)施工执行标准名称及编号建筑电气工程施工工艺标准(QBXX-2005)施工班组长序号GB50303-2015的规定施工单位检查评定记录监理(建设)单位验收记录主控项目1建筑物彩灯灯具、配管及规定固定1建筑物顶部彩灯采用了有防雨性能的专用灯具,灯罩经检查已拧紧;2彩灯配线管路按明配管敷设,且有防雨功能。管路间、管路与灯头盒间螺纹连接,金属导管及彩灯的构架、钢索等可接近裸露导体部分的接地(PE)或接零(PEN)可靠:3垂直彩灯悬挂挑臂采用(不小于10#)的槽钢。端部吊挂钢索用的吊钩螺栓直径为(不小于10)mm,螺栓在槽钢上固定,两侧有螺帽,且加平垫及弹簧垫圈紧固:4悬挂钢丝绳直径(4.5)mm,底把圆钢直径为(16)mm,地锚采用的架空外线用拉线盘,埋设深度为(1.5)m;5垂直彩灯采用防水吊线灯头,下端灯头距离地面为(3)mo2霓虹灯灯管、专用变压器、导线的检查及固定1霓虹灯管完好,无破裂:2灯管采用专用的绝缘支架固定,且牢固可靠。灯管固定后,与建筑物、构筑物表面的距离(不小于20)nun;3霓虹灯专用变压器采用双圈式,所供灯管长度满足允许负载长度的要求,露天安装用友防雨措施:4霓虹灯专用变压器的二次电线和灯管间的连接线采用额定电压(15)kV的高压绝缘电线。二次电线与建筑物、构筑物表面的距离(20)mm03建筑物景观照明灯的绝缘、固定、接地或接零1每套灯具的导电部分对地绝缘电阻值经查测为(大于2)MQ;2在人行道等人员来往密集场所安装的落地式灯具,无围栏防护,安装高度距地面(2.5)m以上:3金属构架和灯具的可接近裸露导体及金属软管的接地(PE)或接零(PEN)可靠,且有标识。4电线、电缆接线电线、电缆接线准确,并联运行电线或电缆的型号、规格、长度、相位一致。般项目1芯线与电器设备的连接1截面积为(10)mm2的单股铜芯线和单股铝芯线直接与设备、器具的端子连接:2截面积为(不大于2.5)mm2多股铜芯线拧紧搪锡或接续端子后与设备、器具的端子连接:3截面积为(大于2.5)mm2的多股铜芯线,除设备自带插接式端子外,接续端子后与设备或器具的端子连接;多股铜芯线与插接式端子连接前,端部拧紧搪锡;4多股铝芯线接续端子后与设备、器具的端子连接:5每个设备和器具的端子接线为(不大于2)根电线。2电线、电缆的芯线连接金具电线、电缆的芯线连接金具(连接管和端子),规格与芯线的规格适配,且没有采用开口端子。3电线、电缆回路标记、编号电线、电缆的回路标记清晰,编号为()O施工单位检查评定结果经检查主控项目,一般项目均符合设计和建筑电气工程施工质量验收规范(GB50303-2015)要求,试验合格项目专业质量检查员(盖章):监理(建设)单位验收结论监理工程师:(建设单位项目专业技术负责人)年月日

    注意事项

    本文(建筑物景观照明灯、航空障碍标志灯和庭院灯安装分项工程检验批质量验收记录表2.docx)为本站会员(p**)主动上传,第壹文秘仅提供信息存储空间,仅对用户上传内容的表现方式做保护处理,对上载内容本身不做任何修改或编辑。 若此文所含内容侵犯了您的版权或隐私,请立即通知第壹文秘(点击联系客服),我们立即给予删除!

    温馨提示:如果因为网速或其他原因下载失败请重新下载,重复下载不扣分。




    关于我们 - 网站声明 - 网站地图 - 资源地图 - 友情链接 - 网站客服 - 联系我们

    copyright@ 2008-2023 1wenmi网站版权所有

    经营许可证编号:宁ICP备2022001189号-1

    本站为文档C2C交易模式,即用户上传的文档直接被用户下载,本站只是中间服务平台,本站所有文档下载所得的收益归上传人(含作者)所有。第壹文秘仅提供信息存储空间,仅对用户上传内容的表现方式做保护处理,对上载内容本身不做任何修改或编辑。若文档所含内容侵犯了您的版权或隐私,请立即通知第壹文秘网,我们立即给予删除!

    收起
    展开