欢迎来到第壹文秘! | 帮助中心 分享价值,成长自我!
第壹文秘
全部分类
  • 幼儿/小学教育>
  • 中学教育>
  • 高等教育>
  • 研究生考试>
  • 外语学习>
  • 资格/认证考试>
  • 论文>
  • IT计算机>
  • 法律/法学>
  • 建筑/环境>
  • 通信/电子>
  • 医学/心理学>
  • ImageVerifierCode 换一换
    首页 第壹文秘 > 资源分类 > DOCX文档下载
    分享到微信 分享到微博 分享到QQ空间

    建筑施工大型设备进场检查验收表(塔吊 施工电梯).docx

    • 资源ID:236597       资源大小:19.25KB        全文页数:2页
    • 资源格式: DOCX        下载积分:5金币
    快捷下载 游客一键下载
    账号登录下载
    三方登录下载: 微信开放平台登录 QQ登录
    下载资源需要5金币
    邮箱/手机:
    温馨提示:
    快捷下载时,如果您不填写信息,系统将为您自动创建临时账号,适用于临时下载。
    如果您填写信息,用户名和密码都是您填写的【邮箱或者手机号】(系统自动生成),方便查询和重复下载。
    如填写123,账号就是123,密码也是123。
    支付方式: 支付宝    微信支付   
    验证码:   换一换

    加入VIP,免费下载
     
    账号:
    密码:
    验证码:   换一换
      忘记密码?
        
    友情提示
    2、PDF文件下载后,可能会被浏览器默认打开,此种情况可以点击浏览器菜单,保存网页到桌面,就可以正常下载了。
    3、本站不支持迅雷下载,请使用电脑自带的IE浏览器,或者360浏览器、谷歌浏览器下载即可。
    4、本站资源下载后的文档和图纸-无水印,预览文档经过压缩,下载后原文更清晰。
    5、试题试卷类文档,如果标题没有明确说明有答案则都视为没有答案,请知晓。

    建筑施工大型设备进场检查验收表(塔吊 施工电梯).docx

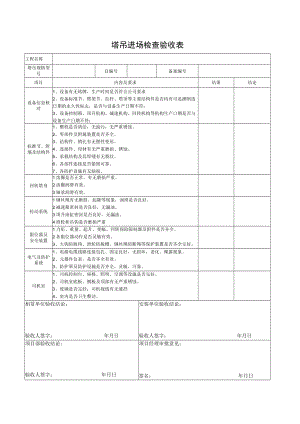
    塔吊进场检查验收表工程名称塔吊规格型号自编号备案编号项目内容及要求结果结论设备信息核对1、设备有无铭牌,生产时间是否符合公司要求2、设备标准节、臂架节、拉杆、塔顶等主要结构件是否均有可追溯制造日期的永久性标志,是否与设备生产日期不符;3、设备控制箱、顶升机构、减速机构、回转机构等机构生产口期是否与设备生产日期不符:标准节、附墙及结构件1、整机是否清洁,无油污,无严重锈蚀。2、零部件及附属装置是否齐全。3、结构件、销孔有无塑性变形。4、连接件、母材有无严重磨损、锈蚀。5、承载结构及其焊缝有无裂纹。6、各部件连接是否紧固可靠。7、各防护设施有无缺损。回转塔身1齿圈是否正常,有无磨损严重。2齿圈润滑有效。3轴承润滑有效。传动系统1钢丝绳有无断股、起隆等现象,润滑是否良好。2减速箱密封是否良好,无漏油。3顶升油缸密封是否良好,无漏油。4滑轮和吊钩是否磨损严重限位器及安全装置1力矩、重量、起升、变幅、回转保险限制器及附件是否齐全。2各限位器动作是否灵敏有效。3、大钩防脱钩、滑轮防脱槽、钢丝绳防断绳等保护装置是否齐全完好。电气及防护系统1、电源电缆线路连接包扎、固定良好,无损坏,老化、裸露现象。2、元器件仪表,是否齐全有效。3、防护罩及防护设施是否齐全,灵敏、可靠。司机室1、司机控制台、座椅、照明、空调等设施是否完好。2、司机室底板、侧板及顶部有无严重锈蚀。3、玻璃是否完好;司机视线有无遮挡4、室内是否卫生整洁。相赁单位验收结论:验收人签字:年月日安装单位验收结论:验收人签字:年月日项目部验收结论:验收人签字:年月日项目经理审批意见:签名:年月日施工升降机进场检查验收表工程名称施工升降机规格型号自编号项目内容及要求结果结论设备信息核对1、设备有无铭牌,生产时间是否符合公司要求;2、设备标准节、拉杆、塔顶等主要结构件是否均有可追溯制造日期的永久性标志,是否与设备生产日期相符;3、设备控制箱、电动机构等配件生产日期是否与设备生产日期不符;标准节、附墙及结构件I、整机是否清洁,无严重锈蚀。2、零部件及附属装置是否齐全。3、结构件、销孔有无塑性变形。4、连接件、母材有无严重磨损、锈蚀。5、承载结构及其焊缝有无裂纹。6、各部件连接是否紧固可靠。7、各防护设施有无缺损。防坠器1、防坠器检验日期是否在有效期内。2、防坠器是否超过5年报废期。传动系统1、齿轮齿条的磨损量是否超过制造规定;2、匏背轮齿轮等易损件是否更换,润滑是否良好。3、传动系统密封是否良好,无漏油。安全装置1、超载保护装置、防脱轨保护装置、非自动复位型的急停开关、行程限位开关、极限开关等安全装置是否齐全。2、各限位器动作是否有效。电气控制操纵及保护1、电源电缆线路连接包扎、固定良好,无损坏,老化、裸露现象。2、短路、过载、断相及错相等保护元器件是否齐全有效。3、吊笼顶部控制装置良好有效4、防护罩及防护设施是否齐全,灵敏、可靠。电梯笼1、笼内司机控制台、座椅、照明、爬梯等设施是否完好。2、吊笼底板、侧板及顶部有无严重锈蚀。司机视线有无遮挡3、吊笼门联锁装置是否齐全,钢丝绳有无断股、严重锈蚀。租赁单位验收结论:验收人签字:年月日安装单位验收结论:验收人签字:年月曰项目部验收结论:验收人签字:年月日项目经理审批意见:签名:年月曰

    注意事项

    本文(建筑施工大型设备进场检查验收表(塔吊 施工电梯).docx)为本站会员(p**)主动上传,第壹文秘仅提供信息存储空间,仅对用户上传内容的表现方式做保护处理,对上载内容本身不做任何修改或编辑。 若此文所含内容侵犯了您的版权或隐私,请立即通知第壹文秘(点击联系客服),我们立即给予删除!

    温馨提示:如果因为网速或其他原因下载失败请重新下载,重复下载不扣分。




    关于我们 - 网站声明 - 网站地图 - 资源地图 - 友情链接 - 网站客服 - 联系我们

    copyright@ 2008-2023 1wenmi网站版权所有

    经营许可证编号:宁ICP备2022001189号-1

    本站为文档C2C交易模式,即用户上传的文档直接被用户下载,本站只是中间服务平台,本站所有文档下载所得的收益归上传人(含作者)所有。第壹文秘仅提供信息存储空间,仅对用户上传内容的表现方式做保护处理,对上载内容本身不做任何修改或编辑。若文档所含内容侵犯了您的版权或隐私,请立即通知第壹文秘网,我们立即给予删除!

    收起
    展开