欢迎来到第壹文秘! | 帮助中心 分享价值,成长自我!
第壹文秘
全部分类
  • 幼儿/小学教育>
  • 中学教育>
  • 高等教育>
  • 研究生考试>
  • 外语学习>
  • 资格/认证考试>
  • 论文>
  • IT计算机>
  • 法律/法学>
  • 建筑/环境>
  • 通信/电子>
  • 医学/心理学>
  • ImageVerifierCode 换一换
    首页 第壹文秘 > 资源分类 > DOCX文档下载
    分享到微信 分享到微博 分享到QQ空间

    建筑施工主体阶段质量风险控制要点(含检查记录表).docx

    • 资源ID:236526       资源大小:28.71KB        全文页数:7页
    • 资源格式: DOCX        下载积分:5金币
    快捷下载 游客一键下载
    账号登录下载
    三方登录下载: 微信开放平台登录 QQ登录
    下载资源需要5金币
    邮箱/手机:
    温馨提示:
    快捷下载时,如果您不填写信息,系统将为您自动创建临时账号,适用于临时下载。
    如果您填写信息,用户名和密码都是您填写的【邮箱或者手机号】(系统自动生成),方便查询和重复下载。
    如填写123,账号就是123,密码也是123。
    支付方式: 支付宝    微信支付   
    验证码:   换一换

    加入VIP,免费下载
     
    账号:
    密码:
    验证码:   换一换
      忘记密码?
        
    友情提示
    2、PDF文件下载后,可能会被浏览器默认打开,此种情况可以点击浏览器菜单,保存网页到桌面,就可以正常下载了。
    3、本站不支持迅雷下载,请使用电脑自带的IE浏览器,或者360浏览器、谷歌浏览器下载即可。
    4、本站资源下载后的文档和图纸-无水印,预览文档经过压缩,下载后原文更清晰。
    5、试题试卷类文档,如果标题没有明确说明有答案则都视为没有答案,请知晓。

    建筑施工主体阶段质量风险控制要点(含检查记录表).docx

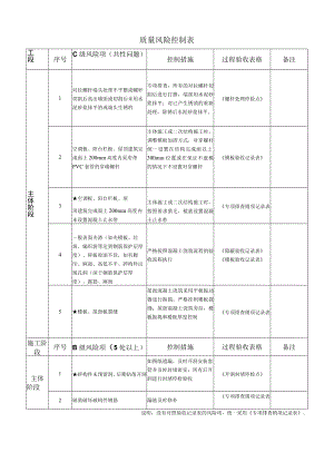
    质量风险控制表工段序号C级风险项(共性问题)控制措施过程验收表格备注主体阶段1对拉螺杆端头处理不平整或螺杆切割后高出墙面或切割后未用水泥砂浆抹平的或端头生锈的专项排查,所有的对拉螺杆切割后进行打磨,端部用水泥砂浆抹平;对已产生锈渍的重新处理,除锈后水泥砂浆抹平。螺杆处理停检点2空调板、阳台栏板、屋顶建筑完成面上200mm高度内采用带PVC套管的穿墙螺杆主体施工或二次结构施工时,调整模板加固方式,对穿螺杆统一设置在结构完成面以上300mm位置或在保证不涨模的情况下不设置对穿螺杆模板验收记录表3空调板、阳台栏板、屋顶建筑完成面上200mm高度内未设置混凝土止水带主体施工或二次结构施工时,按照要求凿毛,植筋设置混凝土止水带专项排查销项记录表4一般表面夹渣(如夹模板、垃圾、编织袋等达到钢筋保护层厚度)、碎板收面不佳,如有脚印、麻面、高低不平、碎构件出现孔洞(深于钢筋保护层厚度)、露筋、麻面严格按照混凝土浇筑流程的验收流程执行隐蔽验收记录表模板验收记录表5楼板、屋面板裂缝屋面混凝土浇筑采用平板振动器进行振捣,严格控制楼板裂缝;屋面混凝土浇筑旁站,楼板振捣和楼板厚度控制专项排查销项记录表施工阶段序号B级风险项(5处以上)控制措施过程验收表格备注主体阶段1碎构件未预留洞,后期钻凿开洞如图纸遗漏,及时开洞安装套管并及时封堵密实;所有后开洞进行封堵停检验收开洞封堵停检点2剔凿破坏破构件钢筋漏筋及时修补专项排查销项记录表说明:没有对照验收记录表的风险项,统一采用专项排查销项记录表。穿墙螺杆处理停止点检查记录表项目名称:项目/期数:标段/栋号:检查人:序号停检工序(部位)检查标准检查时间检查结论检查人会签1穿墙螺杆停检点备注:监理验收时发现个性问期5条及以上或发现共性问题,视为未自检,给予报验人20元每次处罚,罚款于验收当日上交监理部,次H翻倍。1、专项排查,所有的对拉螺杆切割后进行打磨,端部用水泥砂浆抹平;2、对已产生锈渍的重新处理,除锈后水泥砂浆抹平。检查结论:甲方工程部签字:监理单位签字:施工单位签字:说明:1、所有参验人员须是,:同约定的现场施工负责人。2、停检点验收,施工单位、监理、甲方均需参加验收并签字。4、所有的停检点不带问题移交或进入下道工序,否则视为私自施工,次需缴纳违约金IOOO元。止水带模板验收记录表单位工程名称分部工程名称分项(工序)工程名称验收楼层日期:验收标准验收标准:主体施工或二次结构施工时,调整模板加固方式,对穿螺杆统一设置在结构完成面以上300Inm位置或在保证不涨模的情况下不设置对穿螺杆验收结果备注:监理验收时发现个性问题5条及以上或发现共性问题,视为未自检,给予报验人20元每次处罚,罚款于验收当日上交监理部,次日翻倍。自检结果:报验人:技术负责人:监理验收结果:验收意见合格:允许进行下道工序不合格:口不允许进行下道工序,整改完成后报监理复验说明:1、所有参验人员须是本工程合同约定的现场施工负责人。2、第一次验收,监理、甲方均需参加验收并签字。3、所有的工序不带问题移交或进入下道工序,否则视为私自施工,一次需缴纳违约金IOOO元。主体模板验收记录表单位工程名称分部工程名称分项(工序)工程名称验收楼层日期:验收标准验收标准:1、墙、柱根采用砂浆封堵,防止漏浆2、墙柱阳角粘贴双面胶,防止漏浆3、模板拼缝严密,无透缝4、模板无破损、变形现象5、螺杆加固间距不大于60Omm6、边墙或边柱下部模板往下伸出原硅构件截面IOCnrI5Cln7、梁板内无杂物8、模板拼缝处增加板条进行拼缝加固,避免拼缝处凹凸验收结果备注:监理验收时发现个性问题5条及以上或发现共性问题,视为未自检,给予报验人20元每次处罚,罚款于验收当H上交监理部,次H翻倍。自检结果:报验人:技术负责人:监理验收结果:验收意见合格:口允许进行下道工序不合格:口不允许进行下道工序,整改完成后报监理复验说明:1、所有参验人员须是本工程合同约定的现场施工负责人。2、第一次验收,监理、甲方均需参加验收并签字。3、所有的工序不带问题移交或进入下道工序,否则视为私自施_L,一次需缴纳违约金IOOO元。隐蔽验收记录表单位工程名称分部工程名称分项(工序)工程名称验收楼层日期:验收标准验收标准:1、钢筋绑扎满绑满扎2、钢筋型号、尺寸无偏差3、直螺纹丝头切头处理,且有防锈措施4、钢筋无踩踏变形现象5、梁底、板低无杂物,垫块放置到位6、梁锚固长度符合图纸要求7、预留预埋管线已防腐处理8、管线密集处加设04150钢筋网片9、防雷接地焊接饱满,无遗漏验收结果备注:监理验收时发现个性问题5条及以上或发现共性问题,视为未自检,给予报验人20元每次处罚,罚款子验收当Fl上交监理部,次日翻倍。自检结果:报验人:技术负责人:监理验收结果:验收意见合格:口允许进行下道工序不合格:口不允许进行下道工序,整改完成后报监理复验说明:1、所有参验人员须是本工程合同约定的现场施工负责人。2、第一次验收,监理、甲方均需参加验收并签字。3、所有的工序不带问题移交或进入下道工序,否则视为私自施_L,一次需缴纳违约金IOOO元。后开洞封堵停止点检查记录表项目名称:项目/期数:标段/栋号:检查人:序号停检工序(部位)检查标准检查时间检查结论检查人会签1后开洞封堵停检点备注:监理验收时发现个性问题5条及以上或发现共性问题,视为未自检,给予报验人20元每次处罚,罚款于验收当日上交监理部,次日翻倍。1、套管设置到位,两边无凸出墙面现象2、采用水泥砂浆或细石混凝土封堵密实(大于2cm的采用情况采用细石混凝土)3、封堵后无开裂现象检查结论:甲方工程部签字:监理单位签字:施工单位签字:说明:1、所有参验人员须是本工程合同约定的现场施工负责人。2、停检点验收,施工单位、监理、甲方均需参加验收并签字。3、所有的停检点不带问题移交或进入下道工序,否则视为私自施工,一次需缴纳违约金IOOO元。专项;车查销项记录表序号部位整改情况验收人报验人:项目负责人:监理工程师:

    注意事项

    本文(建筑施工主体阶段质量风险控制要点(含检查记录表).docx)为本站会员(p**)主动上传,第壹文秘仅提供信息存储空间,仅对用户上传内容的表现方式做保护处理,对上载内容本身不做任何修改或编辑。 若此文所含内容侵犯了您的版权或隐私,请立即通知第壹文秘(点击联系客服),我们立即给予删除!

    温馨提示:如果因为网速或其他原因下载失败请重新下载,重复下载不扣分。




    关于我们 - 网站声明 - 网站地图 - 资源地图 - 友情链接 - 网站客服 - 联系我们

    copyright@ 2008-2023 1wenmi网站版权所有

    经营许可证编号:宁ICP备2022001189号-1

    本站为文档C2C交易模式,即用户上传的文档直接被用户下载,本站只是中间服务平台,本站所有文档下载所得的收益归上传人(含作者)所有。第壹文秘仅提供信息存储空间,仅对用户上传内容的表现方式做保护处理,对上载内容本身不做任何修改或编辑。若文档所含内容侵犯了您的版权或隐私,请立即通知第壹文秘网,我们立即给予删除!

    收起
    展开