欢迎来到第壹文秘! | 帮助中心 分享价值,成长自我!
第壹文秘
全部分类
  • 幼儿/小学教育>
  • 中学教育>
  • 高等教育>
  • 研究生考试>
  • 外语学习>
  • 资格/认证考试>
  • 论文>
  • IT计算机>
  • 法律/法学>
  • 建筑/环境>
  • 通信/电子>
  • 医学/心理学>
  • ImageVerifierCode 换一换
    首页 第壹文秘 > 资源分类 > DOCX文档下载
    分享到微信 分享到微博 分享到QQ空间

    小广场-海绵城市设计说明.docx

    • 资源ID:232809       资源大小:57.24KB        全文页数:6页
    • 资源格式: DOCX        下载积分:5金币
    快捷下载 游客一键下载
    账号登录下载
    三方登录下载: 微信开放平台登录 QQ登录
    下载资源需要5金币
    邮箱/手机:
    温馨提示:
    快捷下载时,如果您不填写信息,系统将为您自动创建临时账号,适用于临时下载。
    如果您填写信息,用户名和密码都是您填写的【邮箱或者手机号】(系统自动生成),方便查询和重复下载。
    如填写123,账号就是123,密码也是123。
    支付方式: 支付宝    微信支付   
    验证码:   换一换

    加入VIP,免费下载
     
    账号:
    密码:
    验证码:   换一换
      忘记密码?
        
    友情提示
    2、PDF文件下载后,可能会被浏览器默认打开,此种情况可以点击浏览器菜单,保存网页到桌面,就可以正常下载了。
    3、本站不支持迅雷下载,请使用电脑自带的IE浏览器,或者360浏览器、谷歌浏览器下载即可。
    4、本站资源下载后的文档和图纸-无水印,预览文档经过压缩,下载后原文更清晰。
    5、试题试卷类文档,如果标题没有明确说明有答案则都视为没有答案,请知晓。

    小广场-海绵城市设计说明.docx

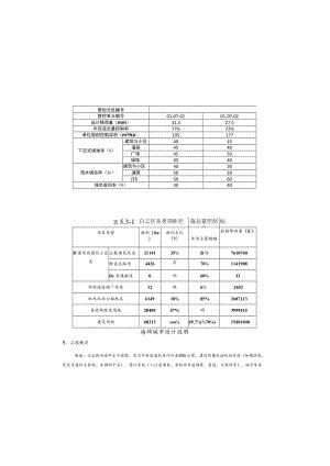
    管控分区编号管控单元编号01-07-0101-07-02设计降雨量(mm)32.327.5年径流总量控制率77%72%单位面积控制容积(m3ha)195177下沉式绿地率(%)建筑与小区4045道路4540广场4550绿地4540透水铺装率()建筑与小区4050道路50505060绿色屋顶率(%)3040表5.3-1白云区各类项眸径施总量控制目标项目类型面积(ha)面积占比(%)年雨总量翱瞄控制降雨量(E)If建或施建筑小区公般建筑改造2114135B够7610760类骷类也龈造4426X701141908Iw类建融造0俐60O新侬城道路广场类12映6¾2652眦或改造公船地类61491085%2687113其他保瞅设用地2848547%明3959415建设用地60213oo69.7¼(¾70)15401848海绵城市设计说明1、工程概况概述:北太路为城市主干道路,本次升级改造长度约为4.605公里,建设范围包括机动车道(加铺沥青、优化交通标志标线、更换恻平石),慢行系统(人行道铺装、非机动车道铺装、盲道、无障碍等),城市家具(照明灯杆美化、人行导向设施,人行栏杆、垃圾桶、装饰井盖、公交站及候车亭等),植物绿化(中央绿化带、路侧绿化带),建筑立面(建筑侧墙美化等)及小广场等。现状设施简介:北太路现状道路有1.5m宽侧绿化带及2.54m宽中央绿化带,道路两侧绿化退缩带基本被建筑或工厂占据,无海绵改造空间。小广场为荒地,可按海绵城市要求进行设计。2、设计依据北太路升级改造及三个园区标志工程项目建议书(2017.12)广州市海绵城市专项规划(2016-2030)(2017年6月)海绵城市建设技术指南低影响开发雨水系统构建(试行)(2014年10月)广州市建设项目雨水径流控制办法3、设计原则尽量保持原有的自然水文状态,尽量减少开发建设区域的不透水表面积;尽量充分利用入渗能力,延长径流时间,减轻开发魅设行为对原有水文状态的冲击:与景现原来相结合,在处理雨水的同时,提供良好的景观价值。以最小的改动范围、工程投资达到最优的海绵城市改造方案落实。4、设计要求根据广州市海绵城市专项规划(2016-2030)(2017年6月),白云区新建或改造道路广场类的年径流总量控制目标为65%,北太路及景观标志广场位于01-07-01分区,该分区的年径流总量控制目标为77%.本工程以较产值作为控制目标进行设计,其余要求如下:(1)新建或改造后的雨水径流量不超过建设前的雨水径流量;(2)新建或改造后的综合径流系数一般按不超过0.5遂行控制:(3)新建或改造后的道路或广场,透水铺装率面积的比例不小于50%:(4)新建或改造后的道路或广场,下沉式绿地率的比例不小于45%本工程海绵城市设计范围包括北太路及三个园区标志广场,其中北太路绿化带宽度有限,难以进行海端化改造,故本次北太路升级改造工程建议不做海绵城市设计。而小广场绿地面积较大,可进行海绵城市设计。6、小广场海绵城市设计概况:本项目采取的低影响开发技术措施有:非机动车道采用透水混凝土,人行道采用透水舲砖,建设下沉式绿地等。设计目标:径流系数控制为WO.7,年径流总量控制率为70%以上,年径流污染削减率要求达到50%以上。本工程小广埼南侧绿化采用下沉式绿地。下沉式绿地低于人行道路面530cm,并设置IOCm左右高的溢流雨水口:将溢流雨水口设置在下沉式球地内,机动车道雨水沿道路排向两侧下沉式绿地,当下沉式绿地的蓄水深度25Cm时,雨水可以通过溢流口进入雨水管道。下沉式球地做法详DL(S)-1-16海绵城市设计图.设施规模:本项目非机动车道面积的762m2,人行道面积1524m2,透水铺装共2286m2,中央绿化带面积约1016m2,侧绿化带面积约1016m2,下沉式绿地面积1778m2,绿化总面积为381Om2。其中下沉式绿地具有滞蓄功能。下沉式绿地滞留深度为O.25no4 .相关计算(1)综合径流系数海绵城市设施的汇水分区:本项目新建雨水管的汇水范围已考虑周边地块。暂定周边地块雨水通过预留雨水井排入雨水管道中。根据路面竖向设计,机动车道雨水沿道路排向两翎下沉式绿地,人行道非机动车行道而水汇流至绿化带,土层含水饱和后水位上升,当下沉式绿地的着水深度25Cm时,雨水通过溢漏口进入雨水管道排走。故本项目低影响开发技术措施计算的汇水面积仅考虑道路范围内的雨水,道路范围外的雨水已汇入雨水系统。小广场总汇水面积约为3100m7,根据小广场竖向设计,北面绿地、圆弧广场及景观绿道往南排向南侧下沉式绿地,北太路人行道非机动车行道雨水汇流至绿化带,土层含水饱和后水住上升,当下沉式绿地的蓄水深度25Cm时,雨水通过溢流口接入北太路市政雨水管网。固北面为河道,故本项目低影响开发技术措施计算的汇水面积仅考虑小广埼及南面道路范围内的雨水,北太路道路车行道花图的雨水已汇入北太路原有雨水系统。综合径流系数计算:5、现行设计方案本工程为现状道路升级改造工程,为提升道路品质,同时与已改造路段视觉效果保持一致:中央绿化带考虑视觉效果,侧绿带因只有15m宽,故仅对现有景观进行提升改造,不变更为下凹式绿地;机动车道铺设沥青:非机动车道采用透水混凝土:人行道选用采用花岗岩铺装:退垢带密布厂房、民房及农田等,智无条件设置下沉式绿地。透水混凝土铺装实例图花岗岩铺装实例图H=32.3mn,=0.26,F=O.31hm2,V=26.0m3<V=401.3m3本项目下沉式绿地调着容积大于需达到的调蓄容积,故本项目的年径流总量控制率能满足要求。(3)年径流污染削减率P=PWPT式中P/W汇水区域海绵城市设施污染物削减率(以SS计):P/T汇水区域年径流总量控制率。表3年径流污染削减率计算表类别污染物削减率面积年径流总量控制率年径流污染削减率下沉式绿地7516387777.7透水铺装855925 .综合效益(1)项目利用下沉式绿地渗透、净化小广场雨水,小广场低影响开发雨水系统的实际年径流总量控制率大于7X,小广场排水综合设计重现期标准达到5年一遇:由于有效利用了小广场雨水,可有效降低绿化带绿化需水量。(2)项目年径流污染削咸量大于50%(以SS计),减少了因径流污染而带来的城市水环境污染。类别径流系数面枳综合径流系数中绿化0.223460.26透水铺装0.4349沥青路面0.4243混凝土广场0.9160(2)年径流思量控制率A控制水量估算有效调着容积Vl因下沉式绿地为渐变下凹地形下沉式绿地低于人行道路面0.055030m,故有效调蓄深度平均值为OjOm,其中:预留滞留层深度01m,0.2m过滤层按15的L隙率计所对应的0045m的调蓄深度。则每平方米下沉式绿地对应的有效调蓄容积为V1=0.145m3m2°渗透水量下沉式绿地渗透量,根据海绵城市建设技术指南渗透量公式计算:WP=KJAsTs式中“P-渗透量,m3:K一土壤(渗透层)渗透系数,一般为100200mnh,WdOOrnnZh:J一水力坡降,一般可取J=1;AS-有效渗透面积,松单位面积1m2计算;Ts-渗透时间,h,指降雨过程中设施的渗透历时,一般可取1h0渗透量:K=100mmh,J=1,As=1m2,Ts=1htWP=O.1m3m2本项a调着容积V实=有效调蓄容积+渗透水量表2项目调蓄容积计算表有效调蓄容积(m3m2)渗透量(m3m2)下沆式嫌地面积(m2)本项目调着容积(m3)0.1450.11638401.3调蓄容积计算V=10HF式中V设计调蓄容积,m3;H-设计降雨量,mn:W一综合雨量径流系数:F-汇水面积,hm2°取年径流总量控制率77%,设计降雨量为32.3mm。

    注意事项

    本文(小广场-海绵城市设计说明.docx)为本站会员(p**)主动上传,第壹文秘仅提供信息存储空间,仅对用户上传内容的表现方式做保护处理,对上载内容本身不做任何修改或编辑。 若此文所含内容侵犯了您的版权或隐私,请立即通知第壹文秘(点击联系客服),我们立即给予删除!

    温馨提示:如果因为网速或其他原因下载失败请重新下载,重复下载不扣分。




    关于我们 - 网站声明 - 网站地图 - 资源地图 - 友情链接 - 网站客服 - 联系我们

    copyright@ 2008-2023 1wenmi网站版权所有

    经营许可证编号:宁ICP备2022001189号-1

    本站为文档C2C交易模式,即用户上传的文档直接被用户下载,本站只是中间服务平台,本站所有文档下载所得的收益归上传人(含作者)所有。第壹文秘仅提供信息存储空间,仅对用户上传内容的表现方式做保护处理,对上载内容本身不做任何修改或编辑。若文档所含内容侵犯了您的版权或隐私,请立即通知第壹文秘网,我们立即给予删除!

    收起
    展开