欢迎来到第壹文秘! | 帮助中心 分享价值,成长自我!
第壹文秘
全部分类
  • 幼儿/小学教育>
  • 中学教育>
  • 高等教育>
  • 研究生考试>
  • 外语学习>
  • 资格/认证考试>
  • 论文>
  • IT计算机>
  • 法律/法学>
  • 建筑/环境>
  • 通信/电子>
  • 医学/心理学>
  • ImageVerifierCode 换一换
    首页 第壹文秘 > 资源分类 > DOCX文档下载
    分享到微信 分享到微博 分享到QQ空间

    安全生产保证体系及措施.docx

    • 资源ID:231029       资源大小:41.74KB        全文页数:4页
    • 资源格式: DOCX        下载积分:5金币
    快捷下载 游客一键下载
    账号登录下载
    三方登录下载: 微信开放平台登录 QQ登录
    下载资源需要5金币
    邮箱/手机:
    温馨提示:
    快捷下载时,如果您不填写信息,系统将为您自动创建临时账号,适用于临时下载。
    如果您填写信息,用户名和密码都是您填写的【邮箱或者手机号】(系统自动生成),方便查询和重复下载。
    如填写123,账号就是123,密码也是123。
    支付方式: 支付宝    微信支付   
    验证码:   换一换

    加入VIP,免费下载
     
    账号:
    密码:
    验证码:   换一换
      忘记密码?
        
    友情提示
    2、PDF文件下载后,可能会被浏览器默认打开,此种情况可以点击浏览器菜单,保存网页到桌面,就可以正常下载了。
    3、本站不支持迅雷下载,请使用电脑自带的IE浏览器,或者360浏览器、谷歌浏览器下载即可。
    4、本站资源下载后的文档和图纸-无水印,预览文档经过压缩,下载后原文更清晰。
    5、试题试卷类文档,如果标题没有明确说明有答案则都视为没有答案,请知晓。

    安全生产保证体系及措施.docx

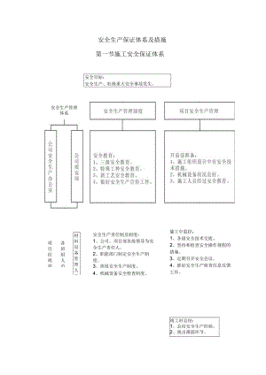
    安全生产保证体系及措施第一节施工安全保证体系安全目标:安全生产、杜绝重大安全事故发生。安全生产管理体系项目经理部各班组人员材料设备管理人员安全生产责任制及制度:1、公司、项目部各级领导为安全生产责任人。2、职能部门制定安全生产制度。3、班组安全生产制度。4、机械设备安全检查制度。施工中监控:1、各级安全技术交底。2、坚持和检查安全操作规程的措施。3、定期召开安全会议。4、抓好安全生产检查信息反馈工作。竣工时总结:1、总结安全生产经验。2、找出薄弱环节。奖罚制度:1、安全检查评比制度。2、伤亡事故罚款和处分制度。3、表彰安全生产单位和个人。第二节施工安全管理保证制度一、施工组织设计应有安全技术措施,特殊作业及采用新技术、新工艺的工程均要制定专项安全技术措施。二、积极改进施工工艺和操作方法,改善劳动条件,减轻劳动强度,消除危险因素,机械设备应设有符合规定的安全装置。三、脚手架、模板支顶须严格按照安全技术规程和施工方案实施。架设完毕要经质安部门验收合格才能使用,在使用过程中,应设专座进行检查,发现问题立即整改。四、预留孔洞,应视尺寸大小,用不同的方法进行防护。如边长大于250n的孔洞,用盖板封盖、订平订牢,并标牌示警;边长大于150OmnI的孔洞,洞边设栏杆,并挂密眼立网密封绑牢。五、建立三级安全教育体系,特种操作人员必须持证上岗,并配备相应的安全防护用具及劳保用品,严禁操作人员违章作业,管理人员违章指挥。六、项目经理部对各工种、工序进行逐级安全技术交底制度,并登记备案。第三节施工安全技术措施一、用电安全措施1、工地现场实行“三相五线”制供电。2、施工用电执行一机、一闸、一漏“三级保护北3、电箱内所配置的电闸、漏电开关、保险丝大小必须与设备额定电流值相适应,严禁使用金属线代替保险丝,电箱外观应完整、牢固、防雨,并挂上相应的警示标志。4、禁止在供电线路上悬吊物品,电线不得拖地,任何人员不得私搭乱拉电线。使用36伏生活电源。5、现场电工必须经过培训,考核合格,持证上岗。6、在潮湿和易触及带电体场所照电源不得大于24伏,在特别潮湿的场所,导电良好的地面工作的电源电压不得大于12伏。7、使用行灯的电源不超过36伏,灯体与手柄应坚固,灯头无开关,灯泡外部有保护网。8、施工现场外脚手架做好防雷接地装置,接地电阻不大于4欧姆。二、机械安全防护措施1、各类机械必须建立台帐,有专门的运转记录和专人负责维修、保养,确保安全防护装置完好无损,灵敏可靠。2、设备基础必须平稳,牢固。安装完毕后,先进行试运转,符合使用要求后,才可使用。3、机械操作人员须持证上岗。4、施工现场各种机械要挂安全技术操作规程牌。5、各种起重机械及垂直运输机械在吊运物体时,现场要设专人值班和指挥。三、防火安全措施1、项目经理部建立防火责任制,并层层落实,责任到人。2、按照防火的有关规定,设置危险品库等临时性构筑物,明确规定存放数量和间距,同时设置警示标牌,配置相应的消防器材。3、严格执行动火审批制度,明确审批手续,并有监护措施。4、生活区必须按规定设置相应的消防器材,并定期更换。5、普及消防知识,组建义务消防队伍,培训消防骨干。6、焊割作业应严格执行“十不烧”规定,压力容器及仪表应按规定定期进行检定。7、新职工上岗必须进行防水安全教育,并根据工种特点,对施工人员每月至少进行一次防火教育。现场设立防火宣传栏并张贴防火标语。8、现场人员必须遵守工地的防火管理制度,提高防火安全意识。四、材料运输安全当材料进出场时,应派专人指挥,疏通行人及车辆交通,保证行人和车辆安全,保持道路畅通。五、交通安全派专人在施工机械及作业人员进入施工现场的路中维持交通,设置围栏,禁止非机动施工车辆及行人在施工用预留路口调头或通过。

    注意事项

    本文(安全生产保证体系及措施.docx)为本站会员(p**)主动上传,第壹文秘仅提供信息存储空间,仅对用户上传内容的表现方式做保护处理,对上载内容本身不做任何修改或编辑。 若此文所含内容侵犯了您的版权或隐私,请立即通知第壹文秘(点击联系客服),我们立即给予删除!

    温馨提示:如果因为网速或其他原因下载失败请重新下载,重复下载不扣分。




    关于我们 - 网站声明 - 网站地图 - 资源地图 - 友情链接 - 网站客服 - 联系我们

    copyright@ 2008-2023 1wenmi网站版权所有

    经营许可证编号:宁ICP备2022001189号-1

    本站为文档C2C交易模式,即用户上传的文档直接被用户下载,本站只是中间服务平台,本站所有文档下载所得的收益归上传人(含作者)所有。第壹文秘仅提供信息存储空间,仅对用户上传内容的表现方式做保护处理,对上载内容本身不做任何修改或编辑。若文档所含内容侵犯了您的版权或隐私,请立即通知第壹文秘网,我们立即给予删除!

    收起
    展开