欢迎来到第壹文秘! | 帮助中心 分享价值,成长自我!
第壹文秘
全部分类
  • 幼儿/小学教育>
  • 中学教育>
  • 高等教育>
  • 研究生考试>
  • 外语学习>
  • 资格/认证考试>
  • 论文>
  • IT计算机>
  • 法律/法学>
  • 建筑/环境>
  • 通信/电子>
  • 医学/心理学>
  • ImageVerifierCode 换一换
    首页 第壹文秘 > 资源分类 > DOCX文档下载
    分享到微信 分享到微博 分享到QQ空间

    喜夜餐饮安全作业票(参考模板).docx

    • 资源ID:220798       资源大小:44.02KB        全文页数:9页
    • 资源格式: DOCX        下载积分:5金币
    快捷下载 游客一键下载
    账号登录下载
    三方登录下载: 微信开放平台登录 QQ登录
    下载资源需要5金币
    邮箱/手机:
    温馨提示:
    快捷下载时,如果您不填写信息,系统将为您自动创建临时账号,适用于临时下载。
    如果您填写信息,用户名和密码都是您填写的【邮箱或者手机号】(系统自动生成),方便查询和重复下载。
    如填写123,账号就是123,密码也是123。
    支付方式: 支付宝    微信支付   
    验证码:   换一换

    加入VIP,免费下载
     
    账号:
    密码:
    验证码:   换一换
      忘记密码?
        
    友情提示
    2、PDF文件下载后,可能会被浏览器默认打开,此种情况可以点击浏览器菜单,保存网页到桌面,就可以正常下载了。
    3、本站不支持迅雷下载,请使用电脑自带的IE浏览器,或者360浏览器、谷歌浏览器下载即可。
    4、本站资源下载后的文档和图纸-无水印,预览文档经过压缩,下载后原文更清晰。
    5、试题试卷类文档,如果标题没有明确说明有答案则都视为没有答案,请知晓。

    喜夜餐饮安全作业票(参考模板).docx

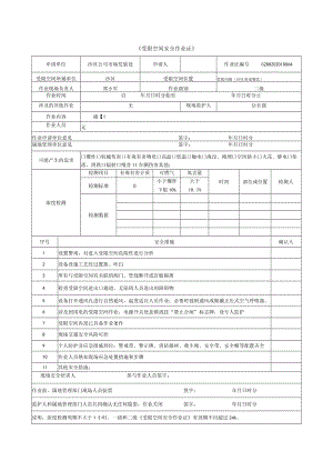
    受限空间安全作业证申请单位沙区公司市场发展处申请人作业证编号C208202010064受限空间所属单位沙区受限空间位置苜蓿沟路(沙区喜夜餐饮)作业现场负责人郑小军作业级别二级作业时间自年月日时分始至年月日时分止涉及的其他作业无现场监护人岳长强作业内容碰【I作业人员无作业申请单位意见签字:年月日时分属地管理单位意见签字:年月日时分可能产生的危害口爆炸口机械伤害口有毒有害物质口高温口低温口触电口淹没、掩埋口空间狭小口火花、静电口坠落、滑跌口辐射口噪音11车辆伤害其他:浓度检测检测项目有毒有害介质可燃气氧含量时间部位或位置检测人检测标准0小于爆炸下限10%大于19.5%检测数据序号安全措施确认人1设置警戒,对进入受限空间危险性进行分析2设备设施工艺经过置换、吹扫3所有与受限空间有关联的阀门、管线断开或盲板隔离4检查受限空间进出口通道,无阻碍人员进出的障碍物5设备打开通风孔进行自然通风,温度适宜人员作业;必要时强制通风或佩戴正压式空气呼吸器。6涉及到用电的受限空间作业,电源开关处加锁或挂“禁止合闸”标志牌,设专人监护7受限空间内部已具备作业条件8现场交通安全风险可控9个人防护及应急措施到位:警戒带、警示牌、消防器材、救生绳、安全带、安全帽等配置齐全10作业人员熟知现场应急处置措施和步骤11其他安全措施:现场安全培训人参与作业人员签字:作业前,属地管理部门现场人员验票签字:年月日时分监护人和属地管理部门人员共同确认无任何隐患,作业关闭签字:年月日时分说明:浓度检测周期不大于1小时。一级和二级受限空间安全作业证有效期不应超过24h。申请单位沙区公司市场发展处申请人作业证编号C208202010064作业时间自年月日时分始至年月日时分止作业地点苜蓿沟路(沙区)(喜夜餐饮)监护人岳长强作业单位负责人意见签字:年月日时分属地管理单位负责人意见签字:年月日时分电源接入点发电机工作电压220V用电设备及功率50KW作业人张本全电工证号3249现场风险识别序号安全措施确认人1安装临时线路人员持有电工作业操作证2在防爆场所使用的临时电源,元器件和线路达到相应的防爆等级要求3临时用电的单项和混用线路采用五线制4电缆及设备外观完好5临时用电线路架空进线未采用裸线,未在树或脚手架上架设6穿越保护,暗管埋设及地下电缆线路设有“走向标志”和“安全标志”7现场临时用配电盘、箱有防雨措施8临时用电设施有漏电保护器,移动工具、手持工具“一机一闸一保护”9用电设备、线路容量、负荷符合要求10其他安全措施:现场安全培训人参与作业人员签字:作业前,属地管理部门人员验票签字:年月日时监护人和属地管理部门人员共同确认无任何隐患,作业关闭签字:年月日时分说明:临时用电均为二级作业申请单位沙区公司市场发展处申请人作业证编号C208202010064动火作业级别二级动火方式口焊接口气割口切削口打磨口钻孔其他:动火时间自年月日时分始至年月日时分止动火地点苜蓿沟路(沙区)(喜夜餐饮)动火人齐付强证件编号412727198402211293作业申请单位意见签字:年月日时分属地管理单位意见签字:年月日时分检测时间月日时月日时月日时月日时月日时检测点名称检测仪器检测数据检测人检测标准氧气测试浓度不小于19.5%;可燃气体浓度小于爆炸下限10%;其他可燃或有毒气体浓度为0涉及其他作业可能产生的危害口爆炸口火灾口灼、烫伤口机械伤害口中毒口触电口泄漏口窒息口坠落口落物口掩埋口噪声其他:序号安全措施现场确认人1断开与动火设备设施相连接的所有管线,动火点已排空、置换、吹扫2个人防护装备齐全3动火点周围的下水井、地漏、地沟、电缆沟等已清除易燃物4罐区、工艺区内动火点周围防火间距内的设备设施应运行5高处作业已采取防火花飞溅措施6动火点周围易燃物已清除7电焊回路线已接在焊件上,把线未穿过下水井或与其他设备搭接8乙烘气瓶(直立放置)、氧气瓶与火源间的距离大于IOm动火区域已设置围栏和标识9现场消防监护到位,作业人员熟知现场应急处置措施和步骤10其他安全措施:作业现场负责人现场监护人动火审批人现场安全培训人参与作业人员签字:动火前,属地管理部门现场人员验票签字:年月日时分作业关闭,监护人确认无任何火源和隐患签字:年月日时分说明:一级动火作业的动火证有效期不应超过8h;二级动火作业的动火证有效期不应超过72h0作业申请单位沙区公司市场发展处申请人作业证编号C208202010064作业时间自年月日时分始至年月日时分止作业地点苜蓿沟路(沙区)(喜夜餐饮)作业内容碰口作业高度作业等级二级作业人齐付强监护人涉及的其他特殊作业无作业单位负责人意见签字:年月日时分属地管理单位负责人意见签字:年月日时分现场风险辨识口爆炸口机械伤害口高温口低温口触电口大风天气口火花、静电口坠落、滑跌口噪音其他:序号安全措施确认人1作业人员身体条件符合要求2作业人员着装符合工作要求3作业人员佩戴合格的安全帽4作业人员佩戴安全带、安全带高挂低用5现场搭设的脚手架、防护网、围栏符合安全规定6垂直分层作业中间有隔离设施7梯子、绳子符合安全规定8在非承重物上作业时搭设承重板符合要求9设置围栏、警戒线10采光、夜间作业照明符合作业要求1130m以上高处作业配备通讯、联络工具12员工清楚坠落风险13其他安全措施:现场安全培训人参与作业人员签字:作业前,属地管理部门现场人员验票签字:年月日时分监护人和属地管理部门人员共同确认无任何隐患,作业关闭签字:年月日时分说明:一级为高处作业15m以上:二级不高于15米。一级作业的有效期不应超过24h:二级作业的有效期不应超过72h;作业申请单位市场发展处申请人段守宏作业证编号C204202006040作业等级二级吊装地点沙区苜蓿沟北路2890号吊装人员张文勇、岳长强、丁义地理吊装工具名称特殊工种作业证号监护人吊装内容沙区苜蓿沟北路2890号起吊重物质量(t)作业时间自年月日时分始至年月日时分止作业单位负责人意见签字:年月日时分属地管理单位负责人意见签字:年月日时分序号安全措施确认人1一级作业票已编制吊装作业方案,且经本单位内部审批通过2指派专人监护,并监守岗位,非作业人员禁止入内3作业人员已按规定佩戴防护器具和个体防护用品4已在吊装现场设置安全警戒标志,无关人员不许进入作业现场5室外作业遇到(大雪/暴雨/大雾/六级以上大风),已停止作业6检查起重吊装设备、钢丝绳、缆风绳、链条、吊钩等各种机具,保证安全可靠7吊装绳索、缆风绳、拖拉绳等避免同带电线路接触,并保持安全距离8人员随同吊装重物或吊装机械升降,应采取可靠的安全措施,并经过现场指挥人员批准9利用管道、管架、电杆、机电设备等作吊装锚点,不准吊装1()悬吊重物下方站人、通行和工作,不准吊装11超负荷或重物质量不明,不准吊装12安全装置失灵,不准吊装13用定型起重吊装机械(履带吊车/轮胎吊车/矫式吊车等)进行吊装作业,遵守该定型机械的操14吊装作业人员持有法定的有效的证件15各类盖板,承重吊装机械的负重量已确认,保护措施已落实16在吊装高度的管线、电缆桥架已做好防护措施17作业现场围栏、警戒线、警告牌、夜间警示灯已按要求设置:18作业高度和转臂范围内,无架空线路19人员出入口和撤离安全措施已落实:A.指示牌:B.指示灯20在爆炸危险生产区域内作业,机动车排气管已装火星熄灭器21现场夜间有充足照明:36V、24V、12V防水型灯;36V、24V、2V防爆型灯22作业完成后现场杂物已清理33其他安全措施:现场安全培训人参与作业人员签字:作业前,属地管理部门现场人员验票签字:年月日时分监护人和属地管理部门人员共同确认无任何隐患,作业关闭签字:年月日时分说明:40T的起重吊装作业为二级作业。巾清单位申请人作业证编号设备管道名称介质温咬压力盲板实施时间作业人监护人材质规格编号堵抽堵抽堵抽作业时间自年月日时分始至年月日时分止作业指挥涉及其他特殊作业作业单位负责人意见签字:年月日时分属地管理单位负责人意见签字:年月日时分行板位置图及编号:编制人:年月日序号安全措施确认人1设备上作业时,作业点应为常压2作业时,作业人员穿戴适合的防护用具3易燃易爆场所,作业人员穿防静电工作服、工作鞋;4易燃易爆场所,距作业地点30m内无其他动火作业5作业时使用防爆灯具和防爆工具6介质温度较高、可能造成烫伤的情况3作业人员已采取防烫措施7同一管道上不同时进行两处以上的百板抽堵作业8其他安全措施:现场安全培训人参与作业人员签字:作业前,属地管理部门现场人员验票签字:年月日时分监护人和属地管理部门人员共同确认无任何隐患,作业关闭签字:年月日时分说明:申请单位沙区公司市场发展处申请人作业证编号C204202006040监护人岳长强作业时间自年月日时分始至年月日时分止作业地点克西路(沙区)作业单位沙区公司作业人员王聪、涉及的其他特殊作业无作业单位负责人意见签字:年月日时分属地管理单位负责人意见签字:年月日时分作业范围、内容、方式(包括深度、面积、并附图):机械开挖签字:年月日时分现场风险识别序号安全措施确认人I作业人员作业前已进行了安全教育2作业地点处于易燃易爆场所

    注意事项

    本文(喜夜餐饮安全作业票(参考模板).docx)为本站会员(p**)主动上传,第壹文秘仅提供信息存储空间,仅对用户上传内容的表现方式做保护处理,对上载内容本身不做任何修改或编辑。 若此文所含内容侵犯了您的版权或隐私,请立即通知第壹文秘(点击联系客服),我们立即给予删除!

    温馨提示:如果因为网速或其他原因下载失败请重新下载,重复下载不扣分。




    关于我们 - 网站声明 - 网站地图 - 资源地图 - 友情链接 - 网站客服 - 联系我们

    copyright@ 2008-2023 1wenmi网站版权所有

    经营许可证编号:宁ICP备2022001189号-1

    本站为文档C2C交易模式,即用户上传的文档直接被用户下载,本站只是中间服务平台,本站所有文档下载所得的收益归上传人(含作者)所有。第壹文秘仅提供信息存储空间,仅对用户上传内容的表现方式做保护处理,对上载内容本身不做任何修改或编辑。若文档所含内容侵犯了您的版权或隐私,请立即通知第壹文秘网,我们立即给予删除!

    收起
    展开