欢迎来到第壹文秘! | 帮助中心 分享价值,成长自我!
第壹文秘
全部分类
  • 幼儿/小学教育>
  • 中学教育>
  • 高等教育>
  • 研究生考试>
  • 外语学习>
  • 资格/认证考试>
  • 论文>
  • IT计算机>
  • 法律/法学>
  • 建筑/环境>
  • 通信/电子>
  • 医学/心理学>
  • ImageVerifierCode 换一换
    首页 第壹文秘 > 资源分类 > DOCX文档下载
    分享到微信 分享到微博 分享到QQ空间

    可控硅-来料检验规范.docx

    • 资源ID:219702       资源大小:18.22KB       
    • 资源格式: DOCX        下载积分:5金币
    快捷下载 游客一键下载
    账号登录下载
    三方登录下载: 微信开放平台登录 QQ登录
    下载资源需要5金币
    邮箱/手机:
    温馨提示:
    快捷下载时,如果您不填写信息,系统将为您自动创建临时账号,适用于临时下载。
    如果您填写信息,用户名和密码都是您填写的【邮箱或者手机号】(系统自动生成),方便查询和重复下载。
    如填写123,账号就是123,密码也是123。
    支付方式: 支付宝    微信支付   
    验证码:   换一换

    加入VIP,免费下载
     
    账号:
    密码:
    验证码:   换一换
      忘记密码?
        
    友情提示
    2、PDF文件下载后,可能会被浏览器默认打开,此种情况可以点击浏览器菜单,保存网页到桌面,就可以正常下载了。
    3、本站不支持迅雷下载,请使用电脑自带的IE浏览器,或者360浏览器、谷歌浏览器下载即可。
    4、本站资源下载后的文档和图纸-无水印,预览文档经过压缩,下载后原文更清晰。
    5、试题试卷类文档,如果标题没有明确说明有答案则都视为没有答案,请知晓。

    可控硅-来料检验规范.docx

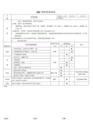
    IQC物料检验规范主题可控硅版本:1.0第1页共1页文件编号:说明1 .目的:规范物料检验,保证产品质量。2 .范围:适用于IQC物料检验。3 .抽样标准:依据GB2828-2003级一次抽样,致命缺陷(CR)AQLO.1;重缺陷(MA)AQL0.4;轻缺陷(Ml)AQL1.5o4 .试验项目:可焊性、试装项目每批试验IOPCS,判定标准AC=0。5 .本检验规程未尽项目,需检验可参照国标要求。当检验规范的检验项目在技术要求中未作规定时,可不作检验要求。6 .来料规格型号与BoM及封样不符时,缺陷类别为重缺陷(MA)。7 .表示选定项目。检验项目品质现象描述检验手段及工具缺陷类别备注CRMAMI包装1、包装无标识,外标识与实物不一致。目测2、包装箱破损及严重脏污,包装不良。3、不同规格型号混装。外观1、丝印不良,模糊不清。目测2、引脚氧化。3、表面损伤、破损。4、引脚断裂。5、混料,混有其它规格型号。性能1、触发电流不符要求.测试工装见技术要求及测试架操作规程2、极间短路或开路,引脚极性排列与要求不符。3、触发时不导通,导通后关不断.可焊性可焊性不符要求(技术要求中未注明试验条件时,以温度235,时间为3S试验)。锡炉见仪器操作规程试装实装不符要求(使用对应的PCB进行试装)。附注:拟制:审批:日期:

    注意事项

    本文(可控硅-来料检验规范.docx)为本站会员(p**)主动上传,第壹文秘仅提供信息存储空间,仅对用户上传内容的表现方式做保护处理,对上载内容本身不做任何修改或编辑。 若此文所含内容侵犯了您的版权或隐私,请立即通知第壹文秘(点击联系客服),我们立即给予删除!

    温馨提示:如果因为网速或其他原因下载失败请重新下载,重复下载不扣分。




    关于我们 - 网站声明 - 网站地图 - 资源地图 - 友情链接 - 网站客服 - 联系我们

    copyright@ 2008-2023 1wenmi网站版权所有

    经营许可证编号:宁ICP备2022001189号-1

    本站为文档C2C交易模式,即用户上传的文档直接被用户下载,本站只是中间服务平台,本站所有文档下载所得的收益归上传人(含作者)所有。第壹文秘仅提供信息存储空间,仅对用户上传内容的表现方式做保护处理,对上载内容本身不做任何修改或编辑。若文档所含内容侵犯了您的版权或隐私,请立即通知第壹文秘网,我们立即给予删除!

    收起
    展开