欢迎来到第壹文秘! | 帮助中心 分享价值,成长自我!
第壹文秘
全部分类
  • 幼儿/小学教育>
  • 中学教育>
  • 高等教育>
  • 研究生考试>
  • 外语学习>
  • 资格/认证考试>
  • 论文>
  • IT计算机>
  • 法律/法学>
  • 建筑/环境>
  • 通信/电子>
  • 医学/心理学>
  • ImageVerifierCode 换一换
    首页 第壹文秘 > 资源分类 > DOCX文档下载
    分享到微信 分享到微博 分享到QQ空间

    受限空间作业安全技术检查表.docx

    • 资源ID:219561       资源大小:17.14KB       
    • 资源格式: DOCX        下载积分:5金币
    快捷下载 游客一键下载
    账号登录下载
    三方登录下载: 微信开放平台登录 QQ登录
    下载资源需要5金币
    邮箱/手机:
    温馨提示:
    快捷下载时,如果您不填写信息,系统将为您自动创建临时账号,适用于临时下载。
    如果您填写信息,用户名和密码都是您填写的【邮箱或者手机号】(系统自动生成),方便查询和重复下载。
    如填写123,账号就是123,密码也是123。
    支付方式: 支付宝    微信支付   
    验证码:   换一换

    加入VIP,免费下载
     
    账号:
    密码:
    验证码:   换一换
      忘记密码?
        
    友情提示
    2、PDF文件下载后,可能会被浏览器默认打开,此种情况可以点击浏览器菜单,保存网页到桌面,就可以正常下载了。
    3、本站不支持迅雷下载,请使用电脑自带的IE浏览器,或者360浏览器、谷歌浏览器下载即可。
    4、本站资源下载后的文档和图纸-无水印,预览文档经过压缩,下载后原文更清晰。
    5、试题试卷类文档,如果标题没有明确说明有答案则都视为没有答案,请知晓。

    受限空间作业安全技术检查表.docx

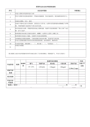
    受限作业安全技术措施检查表序号安全技术措施判断确认1对进入受限空间危险性进行分析2所有与受限空间有联系的阀门、管线加盲板隔离,列出盲板清单,落实抽堵盲板责任人。3设备经过置换、吹扫、蒸煮。4设备打开通风孔进行自然通风,温度适宜人员作业;必要时采用强制通风或佩戴空气呼吸错,不能用通氧气或富氧空气的方法补充氧。5相关设备进行处埋,带搅拌机的设备已切断电源,电源开关处加锁或挂“禁止合闸”标志牌,设专人监护。6检查受限空间内部已具备作业条件,清罐时(无需用/已采用)防爆工具。7检查受限空间进出口通道,无阻碍人员进出的障碍物。8分析盛装过可燃有毒液体、气体的受限空间内的可燃、有毒有害气体含量。9作业人员清楚受限空间内存在的其他危险因素,如内部附件、集渣坑等。10作业监护措施:消防器材()、救生绳()、气防装备()。11其他安全措施:我已根据上述安全技术措施内容对作业地点进行了安全检查确认(现场监护人、作业人员签名)作业阶段检测检测时间检测内容及数值判定氧气可燃气体硫化氢一氧化碳其他气体合格/不合格1921%<25%LEL<10mgmj<20mgm3口PPm口mgm初始气体检测再次检测作业中实时监测检测人(签字):.年月日

    注意事项

    本文(受限空间作业安全技术检查表.docx)为本站会员(p**)主动上传,第壹文秘仅提供信息存储空间,仅对用户上传内容的表现方式做保护处理,对上载内容本身不做任何修改或编辑。 若此文所含内容侵犯了您的版权或隐私,请立即通知第壹文秘(点击联系客服),我们立即给予删除!

    温馨提示:如果因为网速或其他原因下载失败请重新下载,重复下载不扣分。




    关于我们 - 网站声明 - 网站地图 - 资源地图 - 友情链接 - 网站客服 - 联系我们

    copyright@ 2008-2023 1wenmi网站版权所有

    经营许可证编号:宁ICP备2022001189号-1

    本站为文档C2C交易模式,即用户上传的文档直接被用户下载,本站只是中间服务平台,本站所有文档下载所得的收益归上传人(含作者)所有。第壹文秘仅提供信息存储空间,仅对用户上传内容的表现方式做保护处理,对上载内容本身不做任何修改或编辑。若文档所含内容侵犯了您的版权或隐私,请立即通知第壹文秘网,我们立即给予删除!

    收起
    展开