欢迎来到第壹文秘! | 帮助中心 分享价值,成长自我!
第壹文秘
全部分类
  • 幼儿/小学教育>
  • 中学教育>
  • 高等教育>
  • 研究生考试>
  • 外语学习>
  • 资格/认证考试>
  • 论文>
  • IT计算机>
  • 法律/法学>
  • 建筑/环境>
  • 通信/电子>
  • 医学/心理学>
  • ImageVerifierCode 换一换
    首页 第壹文秘 > 资源分类 > DOCX文档下载
    分享到微信 分享到微博 分享到QQ空间

    十项“零容忍”安全隐患自查表.docx

    • 资源ID:218073       资源大小:19.54KB        全文页数:2页
    • 资源格式: DOCX        下载积分:5金币
    快捷下载 游客一键下载
    账号登录下载
    三方登录下载: 微信开放平台登录 QQ登录
    下载资源需要5金币
    邮箱/手机:
    温馨提示:
    快捷下载时,如果您不填写信息,系统将为您自动创建临时账号,适用于临时下载。
    如果您填写信息,用户名和密码都是您填写的【邮箱或者手机号】(系统自动生成),方便查询和重复下载。
    如填写123,账号就是123,密码也是123。
    支付方式: 支付宝    微信支付   
    验证码:   换一换

    加入VIP,免费下载
     
    账号:
    密码:
    验证码:   换一换
      忘记密码?
        
    友情提示
    2、PDF文件下载后,可能会被浏览器默认打开,此种情况可以点击浏览器菜单,保存网页到桌面,就可以正常下载了。
    3、本站不支持迅雷下载,请使用电脑自带的IE浏览器,或者360浏览器、谷歌浏览器下载即可。
    4、本站资源下载后的文档和图纸-无水印,预览文档经过压缩,下载后原文更清晰。
    5、试题试卷类文档,如果标题没有明确说明有答案则都视为没有答案,请知晓。

    十项“零容忍”安全隐患自查表.docx

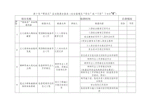
    局十项“零容忍”安全隐患自查表(在自查情况“符合”或“不符”下方打"4”)项目名称检查时间自查情况序号“零容忍”安全隐患内容检查方式检查文件责任人检查内容符合不符1工人未经入场安全教育现场随机抽查作业人员工人入场安全教育记录入场安全教育记录齐全入场安全教育记录真实安全教育时间早于入场作业时间三级安全教育未代替入场安全教育2工人未经安全技术交底现场随机抽查作业人员工人安全技术交底记录工人安全技术交底记录齐全安全技术交底记录真实安全技术交底内容与实际作业条件相符3特种作业人员无证上岗检查特种作业人员资格证特种作业人员台账、资格证及查询记录特种作业人员资格证齐全特种作业人员资格证在有效期内特种作业人员资格证有效(检查证件发证机构是否符合要求)特种作业人员资格证真实(检查是否存在套证、假证)4危大工程未按要求组织安全验收检查现场存在的危大工程危大工程施工方案及验收记录转序施工前,验收负责人按规定组织安全验收安全验收记录真实验收结果与施工方案内容及现场实际相符5高风险作业未经作业许可检查现场高风险作业区域各类危险作业许可表高风险作业前,经审批通过高风险作业许可文件在有效期内作业环境满足安全条件作业现场实际与作业许可内容相符6起重机械安全装置失效抽查现场起重机械安全装置起重机械入场验收记录、定期检查表起重机械安全装置齐全起重机械安全装置有效起重机械安全装置在标定期限以内7临时消防设施缺失检查易燃物存放区、作业区、生活区临时消防设施临时消防设施验收记录、检查记录临时消防设施设置齐全临时消防设施可有效使用临时消防设施设置未滞后8高处作业人员未系挂安全带检查施工现场高处作业人员安全防护用品使用情况安全防护用品发放记录及验收记录高处作业人员按规定配发安全带高处作业中按规定系挂安全带安全带质量合格9项目经理未组织和参加周检检查周安全检查记录或询问项目经理周安全检查情况周安全检查记录、隐患整改通知单项目经理组织并参加周检经问询,项目经理了解周检情况项目周安全检查有关资料真实10安全监督日志未按要求记录检查安全监督日志与日常管理是否相符安全监督日志记录内容符合安全监督日志填写“七全”规定记录内容与现场管理相符,真实检查人存在“零容忍”隐患总数-2-

    注意事项

    本文(十项“零容忍”安全隐患自查表.docx)为本站会员(p**)主动上传,第壹文秘仅提供信息存储空间,仅对用户上传内容的表现方式做保护处理,对上载内容本身不做任何修改或编辑。 若此文所含内容侵犯了您的版权或隐私,请立即通知第壹文秘(点击联系客服),我们立即给予删除!

    温馨提示:如果因为网速或其他原因下载失败请重新下载,重复下载不扣分。




    关于我们 - 网站声明 - 网站地图 - 资源地图 - 友情链接 - 网站客服 - 联系我们

    copyright@ 2008-2023 1wenmi网站版权所有

    经营许可证编号:宁ICP备2022001189号-1

    本站为文档C2C交易模式,即用户上传的文档直接被用户下载,本站只是中间服务平台,本站所有文档下载所得的收益归上传人(含作者)所有。第壹文秘仅提供信息存储空间,仅对用户上传内容的表现方式做保护处理,对上载内容本身不做任何修改或编辑。若文档所含内容侵犯了您的版权或隐私,请立即通知第壹文秘网,我们立即给予删除!

    收起
    展开