欢迎来到第壹文秘! | 帮助中心 分享价值,成长自我!
第壹文秘
全部分类
  • 幼儿/小学教育>
  • 中学教育>
  • 高等教育>
  • 研究生考试>
  • 外语学习>
  • 资格/认证考试>
  • 论文>
  • IT计算机>
  • 法律/法学>
  • 建筑/环境>
  • 通信/电子>
  • 医学/心理学>
  • ImageVerifierCode 换一换
    首页 第壹文秘 > 资源分类 > DOCX文档下载
    分享到微信 分享到微博 分享到QQ空间

    加氢车间氢压机新氢侧出口管线分液罐附件冷却器联接管线爆裂应急救援预案.docx

    • 资源ID:216560       资源大小:20.03KB        全文页数:6页
    • 资源格式: DOCX        下载积分:5金币
    快捷下载 游客一键下载
    账号登录下载
    三方登录下载: 微信开放平台登录 QQ登录
    下载资源需要5金币
    邮箱/手机:
    温馨提示:
    快捷下载时,如果您不填写信息,系统将为您自动创建临时账号,适用于临时下载。
    如果您填写信息,用户名和密码都是您填写的【邮箱或者手机号】(系统自动生成),方便查询和重复下载。
    如填写123,账号就是123,密码也是123。
    支付方式: 支付宝    微信支付   
    验证码:   换一换

    加入VIP,免费下载
     
    账号:
    密码:
    验证码:   换一换
      忘记密码?
        
    友情提示
    2、PDF文件下载后,可能会被浏览器默认打开,此种情况可以点击浏览器菜单,保存网页到桌面,就可以正常下载了。
    3、本站不支持迅雷下载,请使用电脑自带的IE浏览器,或者360浏览器、谷歌浏览器下载即可。
    4、本站资源下载后的文档和图纸-无水印,预览文档经过压缩,下载后原文更清晰。
    5、试题试卷类文档,如果标题没有明确说明有答案则都视为没有答案,请知晓。

    加氢车间氢压机新氢侧出口管线分液罐附件冷却器联接管线爆裂应急救援预案.docx

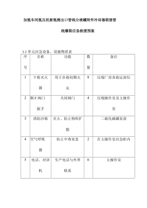
    加氢车间氢压机新氢侧出口管线分液罐附件冷却器联接管线爆裂应急救援预案1.1单元应急设备、设施物质表序号名称功能数量备注1干粉灭火器用于扑救初期火灾8压缩厂房各指定部位2铜F阀门扳手关闭阀门4压缩操作室及主操作室3消防沙箱灭火、防止物料扩散二硫化碳罐泵前4空气呼吸器防止中毒窒息2在主操作室应急柜内5电话、对讲机生产电话与外界联系6主操作室6便携式报警仪检测现场氢气或H?S浓度2在主操作室应急柜内L2预案启动1.2.1发现者发现火情后,立即向班长报告。L2.2班长接到火情后,判明事故严重程度,认为应启动事故应急预案时,向车间主任请示,由班长发布启动应急预案命令。1.3事故报告1. 3.1班长接到火情报告以后,按下列顺序通知相关方:a、 公司调度值班中心b、 车间值班干部c、 消防大队(火警119)d、 急救中心(报警电话:120)(注:有人员伤亡时报警用)1. 3.2与相关方联络时应报告如下内容:a、 报告车间、装置名称及具体的火情部位。b、 着火介质。C、火情大小。d、 人员伤亡情况。e、 报警人员姓名。f、 派人到装置口迎接消防车或救护车。L4前期减灾的应急处理程序:冈位班长内操外操压缩状态指挥监盘现场处理现场处理1.4.1班长负责应急指挥,指挥处理程序如下:a、 内操监盘,根据情况采取相应措施。b、 外操携带对讲机、铜F阀门扳手,进行现场处理。c、 报120以后,1名内操在装置设警戒区,并在装置入口迎接救护车。d、 进入现场的人员必须关闭手机、传呼。根据现场泄漏情况,操作人员佩带正压式呼吸器以防发生中毒。e、 值班干部到达现场后,由班长向值班干部汇报现场情况,并听从值班干部的指挥。L4.2内操岗位处理程序:a、 关闭高分压力控制阀,维持系统压力。b、 如发生着火,立即报警,派人至北门迎接消防队伍。c、 通知车间领导、调度室。L4.3压缩岗位处理程序:a、 氢压机紧急停机,关闭新氢机出入口阀门,打开V1205安全阀副线放空。b、 利用车间内的消防器材和灭火设施进行灭火。L4.4外操岗位处理程序:a、 外操携带对讲机、铜F阀门扳手,进行初期灭火。b、 在装置设警戒区,并在装置入口迎接消防车及救护车。C、注意事项:各岗位处理过程中严禁使用铁制工具,严禁使用非防爆灯具,绝对禁止现场使用手机、BP机。1. 5现场隔禺a、 班长指定的分稳外操在装置周围设警戒区,禁止车辆通过,并在装置入口迎接消防车及救护车。公司应急救援指挥部到达现场后移交治安保卫组。b、 班长指定分稳外操用石棉被将火灾现场的下水井、地沟、地漏封严。1. 6疏散要求a、 安全员负责迅速将警戒区内与事故应急处理无关人员撤离,以减少不必要的人员伤亡b、 泄漏失控时,在车间主任的指挥下,引导装置人员向疏散地点紧急疏散。c、 紧急疏散时注意事项:应向上风方向转移,车间主任、安全员、等车间管理人员依据疏散路线图引导护送疏散人员到安全区。d、 疏散路线图详见附图L7善后处理a、 车间主任及时清点人数,配合公司应急救援指挥中心开展人员搜寻及抢救工作。b、 车间主任负责组织本单位人员做好停工复产工作。c、 车间主任及管理人员负责对本单位员工进行抚慰,消除员工心理障碍。L8预案关闭事故抢救结束后,由车间主任宣布应急处理实施状态结束,所有人员回到原岗位。

    注意事项

    本文(加氢车间氢压机新氢侧出口管线分液罐附件冷却器联接管线爆裂应急救援预案.docx)为本站会员(p**)主动上传,第壹文秘仅提供信息存储空间,仅对用户上传内容的表现方式做保护处理,对上载内容本身不做任何修改或编辑。 若此文所含内容侵犯了您的版权或隐私,请立即通知第壹文秘(点击联系客服),我们立即给予删除!

    温馨提示:如果因为网速或其他原因下载失败请重新下载,重复下载不扣分。




    关于我们 - 网站声明 - 网站地图 - 资源地图 - 友情链接 - 网站客服 - 联系我们

    copyright@ 2008-2023 1wenmi网站版权所有

    经营许可证编号:宁ICP备2022001189号-1

    本站为文档C2C交易模式,即用户上传的文档直接被用户下载,本站只是中间服务平台,本站所有文档下载所得的收益归上传人(含作者)所有。第壹文秘仅提供信息存储空间,仅对用户上传内容的表现方式做保护处理,对上载内容本身不做任何修改或编辑。若文档所含内容侵犯了您的版权或隐私,请立即通知第壹文秘网,我们立即给予删除!

    收起
    展开