欢迎来到第壹文秘! | 帮助中心 分享价值,成长自我!
第壹文秘
全部分类
  • 幼儿/小学教育>
  • 中学教育>
  • 高等教育>
  • 研究生考试>
  • 外语学习>
  • 资格/认证考试>
  • 论文>
  • IT计算机>
  • 法律/法学>
  • 建筑/环境>
  • 通信/电子>
  • 医学/心理学>
  • ImageVerifierCode 换一换
    首页 第壹文秘 > 资源分类 > DOCX文档下载
    分享到微信 分享到微博 分享到QQ空间

    初级中学(北城小学)保障性租赁住房边坡计算书.docx

    • 资源ID:216211       资源大小:24.35KB        全文页数:3页
    • 资源格式: DOCX        下载积分:5金币
    快捷下载 游客一键下载
    账号登录下载
    三方登录下载: 微信开放平台登录 QQ登录
    下载资源需要5金币
    邮箱/手机:
    温馨提示:
    快捷下载时,如果您不填写信息,系统将为您自动创建临时账号,适用于临时下载。
    如果您填写信息,用户名和密码都是您填写的【邮箱或者手机号】(系统自动生成),方便查询和重复下载。
    如填写123,账号就是123,密码也是123。
    支付方式: 支付宝    微信支付   
    验证码:   换一换

    加入VIP,免费下载
     
    账号:
    密码:
    验证码:   换一换
      忘记密码?
        
    友情提示
    2、PDF文件下载后,可能会被浏览器默认打开,此种情况可以点击浏览器菜单,保存网页到桌面,就可以正常下载了。
    3、本站不支持迅雷下载,请使用电脑自带的IE浏览器,或者360浏览器、谷歌浏览器下载即可。
    4、本站资源下载后的文档和图纸-无水印,预览文档经过压缩,下载后原文更清晰。
    5、试题试卷类文档,如果标题没有明确说明有答案则都视为没有答案,请知晓。

    初级中学(北城小学)保障性租赁住房边坡计算书.docx

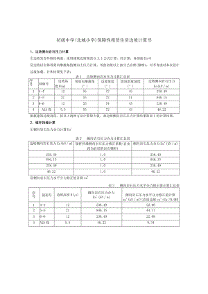
    初级中学(北城小学)保障性租赁住房边坡计算书1、边坡侧向岩石压力计算边坡发育外倾结构面,采用建筑边坡规范6.3.1公式计算。经计算,各剖面Ea=O边坡以岩体等效内摩擦角按侧向土压力计算。考虑切坡以上部分已治理(锚喷),可不考虑对本次设计边坡加载,计和结果见下表:表1边坡侧向岩石压力计算汇总表序号剖面号边坡高度H(m)等效内摩擦角(°)边坡坡度(°)坡顶斜坡坡度(°)边坡侧向岩石压力Ea(kNm)14-4'12557245238.4925-5'21557251846.1536-6,12557445238.494A2A段5.555724346.22根据建筑边坡规范,按以上两种方法计算取大值,故边坡侧向岩石压力计算结果取表1的计算结果。2、锚杆挡墙计算侧向岩石压力合力计算Ea'表2侧向岩石压力合力计算汇总表边坡侧向岩石压力Ea(kNm)锚杆挡墙侧向岩石压力修正系数(自由段为岩层的岩石锚杆)侧向岩石压力合力Ea'(kNm)238.491.0238.49846.151.0846.15238.491.0238.4946.221.046.22侧向岩石压力水平分力修正值计算ea'表3侧向岩石压力水平分力修正值计算汇总表序号剖面号边坡高度H(In)侧向岩石压力合力Ea'(kNm)侧向岩石压力水平分力修正值计算ea'(kNm2)(岩质边坡ea'=Ea>/0.9H)14-4,12238.4922.0825-5,21846.1544.7736-6,12238.4922.084A2A段5.546.229.34锚杆水平拉力标准值计算Htk表4锚杆水平拉力标准值计算汇总表一序号剖面号边坡高度H(m)侧向岩石压力水平分力修正值计算ea'(kN/ltf)锚杆间距m锚杆水平拉力标准值计算Htk(kN)14-4,1222.082.5X2.2121.4525-5,2144.772.5X2.2246.2336-6,1222.082.5X2.2121.454A2A段5.59.342.5X2.251.35锚杆设计计算表5锚杆设计计算汇总表锚杆水平拉力合力设计值锚杆倾角荷载分项系数锚杆杆体抗拉安全系数锚杆轴向拉力标准值轴力值杆拉计锚向设锚筋抗拉强度设计值锚杆或锚索截面枳锚杆或锚索钢筋直径单根锚杆或锚索及面积钢筋根数锚固体直径岩石与锚固体粘结强度钢筋与砂浆粘结强度值(2根考虑0.85折减系数)程要系改工重性渤土杆固抗安系2岩锚锚体拔全到体层长固地固度锚与锚钢筋与砂浆锚固长度Htk(kN)QYKbNa(kN)Nak(kN)fy(kN/mm)As(mm2)d(ra)As(mm')nD(m)frb(kpa)fb(kpa)KIal(m)la2(m)121.452012.2129.24129.240.36789.830.0250490.9020.11500.002040.001.002.601.941.05246.232012.2262.03262.030.361601.310.0320804.2020.13500.002040.001.002.603.341.6651.352012.254.6554.650.36333.940.0250490.9010.11500.002400.001.002.600.820.75锚杆设计结果表6锚杆设计结果汇总表序号剖面号边坡高度H(m)锚杆钢筋锚杆间距m(竖向X水平)锚杆倾角(°)锚固段长度(m)14-4'122曲252.5X2.220325-5,212曲322.5X2.220436-6,1220252.5X2.22034A2A段5.51也252.5X2.2203

    注意事项

    本文(初级中学(北城小学)保障性租赁住房边坡计算书.docx)为本站会员(p**)主动上传,第壹文秘仅提供信息存储空间,仅对用户上传内容的表现方式做保护处理,对上载内容本身不做任何修改或编辑。 若此文所含内容侵犯了您的版权或隐私,请立即通知第壹文秘(点击联系客服),我们立即给予删除!

    温馨提示:如果因为网速或其他原因下载失败请重新下载,重复下载不扣分。




    关于我们 - 网站声明 - 网站地图 - 资源地图 - 友情链接 - 网站客服 - 联系我们

    copyright@ 2008-2023 1wenmi网站版权所有

    经营许可证编号:宁ICP备2022001189号-1

    本站为文档C2C交易模式,即用户上传的文档直接被用户下载,本站只是中间服务平台,本站所有文档下载所得的收益归上传人(含作者)所有。第壹文秘仅提供信息存储空间,仅对用户上传内容的表现方式做保护处理,对上载内容本身不做任何修改或编辑。若文档所含内容侵犯了您的版权或隐私,请立即通知第壹文秘网,我们立即给予删除!

    收起
    展开