欢迎来到第壹文秘! | 帮助中心 分享价值,成长自我!
第壹文秘
全部分类
  • 幼儿/小学教育>
  • 中学教育>
  • 高等教育>
  • 研究生考试>
  • 外语学习>
  • 资格/认证考试>
  • 论文>
  • IT计算机>
  • 法律/法学>
  • 建筑/环境>
  • 通信/电子>
  • 医学/心理学>
  • ImageVerifierCode 换一换
    首页 第壹文秘 > 资源分类 > DOCX文档下载
    分享到微信 分享到微博 分享到QQ空间

    光伏发电站工程支架基础及支架组件施工方法.docx

    • 资源ID:212789       资源大小:45.31KB        全文页数:16页
    • 资源格式: DOCX        下载积分:5金币
    快捷下载 游客一键下载
    账号登录下载
    三方登录下载: 微信开放平台登录 QQ登录
    下载资源需要5金币
    邮箱/手机:
    温馨提示:
    快捷下载时,如果您不填写信息,系统将为您自动创建临时账号,适用于临时下载。
    如果您填写信息,用户名和密码都是您填写的【邮箱或者手机号】(系统自动生成),方便查询和重复下载。
    如填写123,账号就是123,密码也是123。
    支付方式: 支付宝    微信支付   
    验证码:   换一换

    加入VIP,免费下载
     
    账号:
    密码:
    验证码:   换一换
      忘记密码?
        
    友情提示
    2、PDF文件下载后,可能会被浏览器默认打开,此种情况可以点击浏览器菜单,保存网页到桌面,就可以正常下载了。
    3、本站不支持迅雷下载,请使用电脑自带的IE浏览器,或者360浏览器、谷歌浏览器下载即可。
    4、本站资源下载后的文档和图纸-无水印,预览文档经过压缩,下载后原文更清晰。
    5、试题试卷类文档,如果标题没有明确说明有答案则都视为没有答案,请知晓。

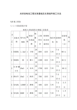
    光伏发电站工程支架基础及支架组件施工方法.docx

    光伏发电站工程支架基础及支架组件施工方法1.1施工准备1.1.1设备进场计划拟投入本标段的主要施工设备表月;尸.设备名称型号及规格数量制造厂名或品牌购置年份已使用台时检修情况及设备状况现在何处进场时间设备残值(元)备注1挖掘机1.2m31卡特2010HOO良好兰州7月15日80万2装载机502柳工20101300良好兰州7月15日36万3自卸翻斗车10m34东风20101700良好兰州7月15日60万4洒水车10m31陕西2011700良好兰州7月15日4万5发电机120KW2潍柴2011400良好兰州7月15日3.5万6发电机50KW1潍柴2011350良好兰州7月15日1.8万7发电机30KW2潍柴2011200良好兰外7月15日1.5万8发电机24KW2潍柴2011200良好兰外7月15日30009发电机3KW汽油6潍柴2011120良好兰舛7月15日60001O混凝土搅拌机JZ5004建吉2012200良好兰外7月15日12万11配料机三仓12002建吉2012200良好兰外7月15日4万12拌和机350L2兰州2011330良好兰外7月15日300013插入式振捣器SX-3025陕西2011150良好兰外7月15日1.2万14电焊机BX1-3008上海2010100良好兰外7月15日1200015电焊机BX1-5001上海201050良好兰外7月15日200016农用三轮车1吨12五征2011300良好兰外7月15日10万17油罐车10吨1陕西2010900良好兰外7月15日3万18调直机Gt-402郑州2010120良好兰外7月15日200019切割机1关B州2011100良好兰外7月15日70002O切断机GQL-4O1郑州2011120良好兰舛7月15日200021弯曲机GW-401郑州2011120良好兰外7月15日250022水泵29寸3上海201160良好兰外7月15日400023水泵1.5时2上海2011100良好兰外7月15日250024碎罐车6m32四川2010800良好兰外7月15日12万25钻孔机WL-40A/B/c14河北廊坊2014200良好兰外7月15日4万LL2人员进场计划劳动力计划表工种20XX年XX月XX月XX月机械工152020混凝土工202020钢筋工151515模板工303030电工333维修工233电焊工444瓦工153030普工405050合计1441751751.1.3材料进场计划(1)拟投入本标段的周转材料表序号周转材料名称型号及规格数量进场时间用途备注1竹胶膜1.8m×1.2m150张XX月XX0桩基础2PVC管250IOOOmXX月XX日桩基础周转3次3方木、木板50×100×3000、40X300X300015m3XX月XX日桩基础(2)主要消耗材料进场计划主要消耗材料进场计划序号周转材料名称型号及规格数量进场时间用途备注1钢筋198tXX月XX日基础3水泥42.5800tXX月XX日基础4砂子水洗砂1800m3XX月XX日基础5石子20-40卵石、10-20卵石1900m3XX月XX日基础1.2场内外道路施工方法1.2.1测量放线:根据技术交底提供的控制点用全站仪测量出道路布置线路,沿线埋设小红旗作为轴线控制标记,每20m测控制高程布置设木桩。1.2.2路面铺筑1.2.3材料(1)碎砾石应符合本规范要求,碎石的最大粒径不应超过40mm;按公路工程集料试验规程(JTJO58-94)标准方法进行试验时,压碎值不应大于35%o碎石中不应有粘土块、植物根茎等有机物质,针片状颗粒含量不应超过20%o(2)砂砾可采用级配砂砾或天然砂砾,砂砾的压碎值不大于35%,且通过0.075mm筛孔的颗粒含量不应大于5%o(3)施工要求在铺筑垫层前,应将路基面上的浮土、杂物全部清除,并洒水湿润。应在监理工程师验收合格后,铺筑垫层材料。采用推土机、装载机配合摊铺机进行垫层材料的摊铺。摊铺后的碎石、砂砾应无明显离析现象,或采用细集料作嵌缝处理。经过整平的整型,按试验路段所确认的压实工艺,在全宽范围内均匀地压实至压实度大于等于94%以上。一个路段碾压完成以后,应按批准的方法做密实度试验。被检验的材料没有达到所需的密实度、稳定性,应重新碾压、整型及整修。凡压路机不能作业的地方,应采用机夯进行压实,直到获得规定的压实度为止。严禁压路机在已完成的或正在碾压的路段上调头和急刹车。两段作业衔接处,第一段留下58m不进行碾压,第二段施工时,将前段留下未压部分与第二段一起碾压。(4)质量检验碎石路面检查项目如下项检查项规定值或允许检查方法(每幅车道)1压实度94用密度法每2000m2取样62平整度153m直尺:每20OnI测2处X3宽度不小于设计值尺量:每40延米1处4厚度不小于设计值每15002000m2测6个点5横坡()±0.3水准仪:每100延米3处1.3灌注桩施工方法1、施工测量施工测量分为四级测量,一级测量控制阵列,二级测量控制方阵,三级测量控制支架单元,四级控制单个支架基础,主要控制项目为支架基础的轴线和高程。2、土建工程特点场址区地层为失陷性黄土层,位于季节性冻土带内,含水量较小,季节性冻土对建筑物影响不大,由于该层结构松散到密室,成孔条件好,灌注桩基础施工比较合理。3设备支架基础施工工艺由于工程地质成孔条件较好,支架柱基础采用灌注桩基础形式,结构简单,施工工艺为:测量放线一一挖孔机成孔下护壁筒一安装钢筋笼一一灌注桩浇筑一一安装模板地面碎浇筑一一预埋件安装一一高程、主线复测一一密封养护。4、土方开挖1)支架基础开挖根据现场地质情况,支架基础开挖主要采用机械挖孔,人工修补为辅。地面30CnI以内的,人工直接用铁锹开挖,30Cln以下用洛阳铲开挖,洛阳铲施工中,局部地方遇到胶结层用钢钎击碎,孔径控制用¢6的钢筋加工一个直径25cm圆圈,焊接2米长手柄,进行控制。开挖的土方就进堆放,碎强度达到设计后,摊铺压实。机械挖孔主要挖孔机为河北廊坊的打孔机,机型WL-40ABc,(汽油发动机型号1E40F-3,排量4L5ml,最大功率1.25KW,最大转速7000转/分钟,每千瓦时燃油最大消耗量610g),孔径25cm,可钻进深度L2m,根据现场试验功率较小,钻进速度较慢,成孔时间为5分钟,成孔较好,计划跟厂家联系,加大汽油机的功率,提高钻孔速度,在孔深大于L2米时,人工用洛阳铲开挖,对于偏空采取人工修补,保证灌注桩桩心的垂直度。2)、钢筋笼制作安装依据图纸进行下料,一人固定后另一人对其进行绑扎,其制作的钢筋笼长度、直径都需满足要求,箍筋间距都需丈量,做到制其可用。3)、模板架设地面以下考虑到碎浇筑时可能发生塌孔,在孔内先放置直径25CnI的3铁皮管,随着碎的浇筑逐渐提升,然后再振捣,地面以上部分加工直径250mm的PVC管分两块组合,用扣件固定,加工钢架对每个组串的8个桩位进行定位,用丝杆微调。4)、碎拌合碎拌合用JS500搅拌机,上料用架子车,在拌合前,先进行配合比称量,为了达到盘盘标准,严格按照配合比要求进行施工,上料车根据料的不同,分别进行称量,并在架子车边缘划线,每次上料必须与划线相平齐,以达到配合比要求。并定时对其塌落度进行检查,严格控制水灰比。碎浇筑碎用农用三轮车运输,小型装载机进行配合,由于支架基础多,孔口只有25Cnb为了防止在混凝土浇筑中出现混凝土离析等质量现象,在桩口端放置进料口,专门用于下料,以便混凝土垂直而下。5)桩基高程及主线控制混凝土浇筑以一个组串为浇筑单元,桩基间距、排距、高程要严格控制,保证精准无误。控制程序:桩基中心定位一一造孔一一中心校核一一成孔修复一一定位架就位一一主线、高程对中一一碎浇筑及钢板安装一一主线、高程校核。6、设备配置人员及设备配置1)项目部人员配置项目经理1人;副经理1人;总工1人;工程办主任1人;质安办主任1人;综合办主任1人;技术员4人;测量员4人;材料员2人;质检员4人;安全员2人。2)基础开挖基础开挖强度计算根据以上工程量和地质条件,以人工配合机械进行挖孔,其施工机械、人员强度计算如下:1)挖孔人工数量按照每台挖孔机配置4人进行施工,每天2班,其需配置20*4*2=160人。下护壁管、修孔单班配置15人,总人数为:15*2=30人2)碎拌合根据60天的施工强度,为了提高混凝土搅拌效益,将配置J500型搅拌机2台,30振捣棒20台。人员配置;按照每天两班计,需混凝土拌合24人,混凝土运输8人,混凝土入仓40人,混凝土振动24人,另计辅助人员15人,主要进行辅助和临时作业。3)钢筋制安计划配置BX-300交流电焊机3台,钢筋调直机3台,切断机2台,弯曲机1台,30KW发电机8台(其中5台主要用于混凝土振捣)。人员配置按照每天两班计,需钢筋加工人员40人。4)模板配置模版配置满

    注意事项

    本文(光伏发电站工程支架基础及支架组件施工方法.docx)为本站会员(p**)主动上传,第壹文秘仅提供信息存储空间,仅对用户上传内容的表现方式做保护处理,对上载内容本身不做任何修改或编辑。 若此文所含内容侵犯了您的版权或隐私,请立即通知第壹文秘(点击联系客服),我们立即给予删除!

    温馨提示:如果因为网速或其他原因下载失败请重新下载,重复下载不扣分。




    关于我们 - 网站声明 - 网站地图 - 资源地图 - 友情链接 - 网站客服 - 联系我们

    copyright@ 2008-2023 1wenmi网站版权所有

    经营许可证编号:宁ICP备2022001189号-1

    本站为文档C2C交易模式,即用户上传的文档直接被用户下载,本站只是中间服务平台,本站所有文档下载所得的收益归上传人(含作者)所有。第壹文秘仅提供信息存储空间,仅对用户上传内容的表现方式做保护处理,对上载内容本身不做任何修改或编辑。若文档所含内容侵犯了您的版权或隐私,请立即通知第壹文秘网,我们立即给予删除!

    收起
    展开