欢迎来到第壹文秘! | 帮助中心 分享价值,成长自我!
第壹文秘
全部分类
  • 幼儿/小学教育>
  • 中学教育>
  • 高等教育>
  • 研究生考试>
  • 外语学习>
  • 资格/认证考试>
  • 论文>
  • IT计算机>
  • 法律/法学>
  • 建筑/环境>
  • 通信/电子>
  • 医学/心理学>
  • ImageVerifierCode 换一换
    首页 第壹文秘 > 资源分类 > DOCX文档下载
    分享到微信 分享到微博 分享到QQ空间

    +710辅助水平主排水泵房管子道卷内目录.docx

    • 资源ID:198761       资源大小:27.14KB        全文页数:4页
    • 资源格式: DOCX        下载积分:5金币
    快捷下载 游客一键下载
    账号登录下载
    三方登录下载: 微信开放平台登录 QQ登录
    下载资源需要5金币
    邮箱/手机:
    温馨提示:
    快捷下载时,如果您不填写信息,系统将为您自动创建临时账号,适用于临时下载。
    如果您填写信息,用户名和密码都是您填写的【邮箱或者手机号】(系统自动生成),方便查询和重复下载。
    如填写123,账号就是123,密码也是123。
    支付方式: 支付宝    微信支付   
    验证码:   换一换

    加入VIP,免费下载
     
    账号:
    密码:
    验证码:   换一换
      忘记密码?
        
    友情提示
    2、PDF文件下载后,可能会被浏览器默认打开,此种情况可以点击浏览器菜单,保存网页到桌面,就可以正常下载了。
    3、本站不支持迅雷下载,请使用电脑自带的IE浏览器,或者360浏览器、谷歌浏览器下载即可。
    4、本站资源下载后的文档和图纸-无水印,预览文档经过压缩,下载后原文更清晰。
    5、试题试卷类文档,如果标题没有明确说明有答案则都视为没有答案,请知晓。

    +710辅助水平主排水泵房管子道卷内目录.docx

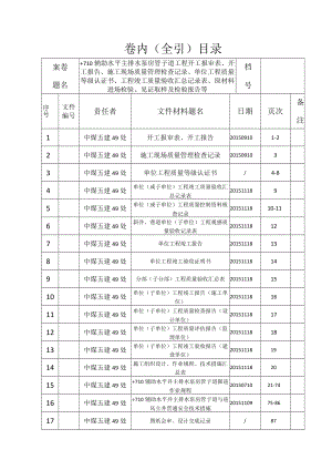
    卷内(全引)目录案卷题名+710辅助水平主排水泵房管子道工程开工报审表、开工报告、施工现场质量管理检查记录、单位工程质量等级认证书、工程竣工质量验收汇总记录表、原材料进场检验、见证取样及检验报告等档号序号文件编号责任者文件材料题名日期页次备注1中煤五建49处开工报审表、开工报告201509101-22中煤五建49处施工现场质量管理检查记录2015091033中煤五建49处单位工程质量等级认证书/4-84中煤五建49处单位(或子单位)工程竣工质量验收汇总记录表2015111895中煤五建49处单位(或子单位)工程质量控制资料核查记录2015111810-116中煤五建49处斜井、巷道单位(子单位)工程观感质量验收记录表20151118127中煤五建49处单位工程竣工报告20151118138中煤五建49处单位工程竣工验收证明书20151118149中煤五建49处分部(子分部)工程质量验收汇总表201511181510中煤五建49处单位(子单位)工程竣工报告(施工单位)201511181611中煤五建49处单位(子单位)工程质量检查报告(设计单位)201511181712中煤五建49处单位(子单位)工程质量评估报告(监理单位)201511181813中煤五建49处单位(子单位)工程竣工验收报告(建设单位)201511181914中煤五建49处施工组织设计、作业规程、技术措施汇总表201511182015中煤五建49处+710辅助水平井主排水泵房管子道掘进作业规程2015071021-7416中煤五建49处÷710辅助水平井主排水泵房管子道与进风立井贯通安全技术措施2015110975-8617中煤五建49处图纸会审、设计交底记录/8717中煤五建49处工程联系单/88-9018中煤五建49处水泥工程材料报验表、检验记录、取样记录、检验报告2015090591-9619中煤五建49处黄砂工程材料报验表、检验记录、取样记录、检验报告5015080497-10020中煤五建49处碎石工程材料报验表、检验记录、取样记录、检验报告20150804101-10421中煤五建49处速凝剂工程材料报验表、检验记录、取样记录、检验报告20150806105-11022中煤五建49处锚杆工程材料报验表、检验记录、取样记录、检验报告20150804111-12023中煤五建49处锚索工程材料报验表、检验记录、取样记录、检验报告20150804121-12724中煤五建49处工程定位测量及复测记录/128-13125中煤五建49处工程施工测量记录/132-13526中煤五建49处+710辅助水平管子道地质实测剖面图/13627中煤五建49处+710辅助水平管子道地质预测预报/13728中煤五建49处水质分析报告/138-14029中煤五建49处普通混凝土配合比通知单/141303132333435363738卷内(全引)目录案卷题名÷710辅助水平主排水泵房管子道混凝土试块报验表与实验报告、分部分项质量验收记录表等。档号序号文件编号责任者文件材料题名日期页次备注1阳煤集团吉成建设工程检测有限公司混凝土抗压强度报审表、见证取样、实验报告20150825201601191-152中煤五建49处混凝土试块强度统计评定记录/163中煤五建49处分部质量验收记录表201510092015113017-234中煤五建49处分项质量验收记录表201509132015112524-875中煤五建49处工序质量验收记录表201509112015100288-1926789101112131415卷内(全引)目录案卷题名÷710辅助水平主排水泵房管子道工序质量验收记录表档号序号文件编号责任者文件材料题名日期页次备注1中煤五建49处工序质量验收记录表20151003201511141-1502中煤五建49处工序质量验收记录表(绞车洞室)2015111520151115151-1583中煤五建49处工序质量验收记录表(铺底、铺道、台阶)2015111820151124159-19245678910111213141516

    注意事项

    本文(+710辅助水平主排水泵房管子道卷内目录.docx)为本站会员(p**)主动上传,第壹文秘仅提供信息存储空间,仅对用户上传内容的表现方式做保护处理,对上载内容本身不做任何修改或编辑。 若此文所含内容侵犯了您的版权或隐私,请立即通知第壹文秘(点击联系客服),我们立即给予删除!

    温馨提示:如果因为网速或其他原因下载失败请重新下载,重复下载不扣分。




    关于我们 - 网站声明 - 网站地图 - 资源地图 - 友情链接 - 网站客服 - 联系我们

    copyright@ 2008-2023 1wenmi网站版权所有

    经营许可证编号:宁ICP备2022001189号-1

    本站为文档C2C交易模式,即用户上传的文档直接被用户下载,本站只是中间服务平台,本站所有文档下载所得的收益归上传人(含作者)所有。第壹文秘仅提供信息存储空间,仅对用户上传内容的表现方式做保护处理,对上载内容本身不做任何修改或编辑。若文档所含内容侵犯了您的版权或隐私,请立即通知第壹文秘网,我们立即给予删除!

    收起
    展开