欢迎来到第壹文秘! | 帮助中心 分享价值,成长自我!
第壹文秘
全部分类
  • 幼儿/小学教育>
  • 中学教育>
  • 高等教育>
  • 研究生考试>
  • 外语学习>
  • 资格/认证考试>
  • 论文>
  • IT计算机>
  • 法律/法学>
  • 建筑/环境>
  • 通信/电子>
  • 医学/心理学>
  • ImageVerifierCode 换一换
    首页 第壹文秘 > 资源分类 > DOCX文档下载
    分享到微信 分享到微博 分享到QQ空间

    公路高液限土路基湿法重型击实、吸附结合水含量试验、刚度补偿层设计、PFWD回弹模量反算方法.docx

    • 资源ID:198175       资源大小:346.75KB        全文页数:16页
    • 资源格式: DOCX        下载积分:5金币
    快捷下载 游客一键下载
    账号登录下载
    三方登录下载: 微信开放平台登录 QQ登录
    下载资源需要5金币
    邮箱/手机:
    温馨提示:
    快捷下载时,如果您不填写信息,系统将为您自动创建临时账号,适用于临时下载。
    如果您填写信息,用户名和密码都是您填写的【邮箱或者手机号】(系统自动生成),方便查询和重复下载。
    如填写123,账号就是123,密码也是123。
    支付方式: 支付宝    微信支付   
    验证码:   换一换

    加入VIP,免费下载
     
    账号:
    密码:
    验证码:   换一换
      忘记密码?
        
    友情提示
    2、PDF文件下载后,可能会被浏览器默认打开,此种情况可以点击浏览器菜单,保存网页到桌面,就可以正常下载了。
    3、本站不支持迅雷下载,请使用电脑自带的IE浏览器,或者360浏览器、谷歌浏览器下载即可。
    4、本站资源下载后的文档和图纸-无水印,预览文档经过压缩,下载后原文更清晰。
    5、试题试卷类文档,如果标题没有明确说明有答案则都视为没有答案,请知晓。

    公路高液限土路基湿法重型击实、吸附结合水含量试验、刚度补偿层设计、PFWD回弹模量反算方法.docx

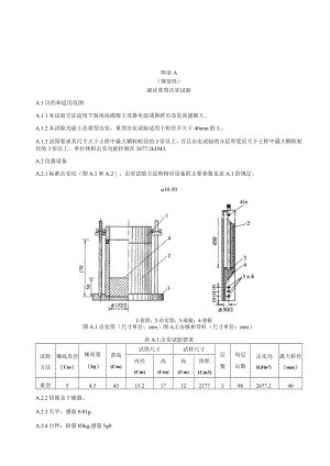
    附录A(规范性)湿法重型击实试验A.1目的和适用范围A.1.1本试验方法适用于海南高液限土及掺水泥或掺碎石改良高液限土。A.1.2本试验为湿土法重型击实,重型击实试验适用于粒径不大于40mm的土。A.1.3试筒要求其尺寸大于土样中最大颗粒粒径的5倍以上,并且击实试验的分层厚度应大于土样中最大颗粒粒径的3倍以上。单位体积击实功能控制在2677.2kJM3.A.2仪器设备A.2.1标准击实仪(图A.1和A.2)。击实试验方法和相应设备的主要参数见表A.1的规定。30-50466图A.1击实筒(尺寸单位:mm)图A.2击锤和导杆(尺寸单位:mm)表A.1击实试验要求试验方法锤底直径(Cm)锤质量(kg)落高(Cm)试筒尺寸试样尺寸层数每层击数击实功(kJm3)最大粒径(mm)内径(Cm)高(Cm)高(Cm)体积(Cm3)重型54.54515.2171221773982677.240A.2.2烘箱及干燥器。A.2.3天平:感量0.01g。A.2.4台秤:称量IOkg,感量5g0A.2.5圆孔筛:孔径40mm,20mm和5mm各1个。A.2.6风干搅拌工具:400mmX600mm深70mm的金属盘,土铲。A.2.7其他:碾土器、盛土盘、推土器、铝盒、修土刀、平直尺等。A.3试验步骤A.3.1取样之后剔除粒径大于IOmm的土颗粒,再至少准备5份每份5kg的天然含水率状态下的高液限±±样,保持天然含水率的第一个土样,可立即用于击实试验。其余几个试样,将土分成小土堆,分别碾碎风干,使含水率按2%4%递减,直至击实曲线峰值出现后至少还有两个小于最佳含水率的点。A.3.2改良高液限土湿法击实试验,备样步骤同本文件A.3.1。制备好的土样按含水率2%4%递减,±样进行击实前,再将其和水泥或碎石拌和均匀并立即进行击实试验,直至击实曲线峰值出现后至少还有两个小于最佳含水率的点。A.3.3将击实筒放在坚硬的地面上,在筒壁上抹一薄层凡士林,并在垫块上放置滤纸。A.3.4先将垫块放入筒内底板上,按三层法进行击实。A.3.5整平表面,并稍加压紧,然后按规定的击数进行第一层土的击实,击实时击锤应自由垂直落下,锤迹必须均匀分布于土样面。A.3.6第一层击实完后,将试样层面“拉毛”然后再装入套筒,重复上述方法进行其余各层土的击实。试筒击实后,试样不应高出筒顶面6mm。A.3.7用修土刀沿套筒内壁削刮,使试样与套筒脱离后,扭动并取下套筒,齐筒顶细心削平试样,拆除底板,擦净筒外壁,称量,准确至1g。A. 3.8测量其含水率,计算至0.1%,记录数据并画出击实曲线。附录B(规范性)吸附结合水含量试验B. 1目的和适用范围2.1.1 本试验方法适用于高液限土的吸附结合水含量测试。8. 1.2试样的最大粒径宜控制在2mm以内。B.2仪器设备B.2.1圆孔筛:孔径2mm筛一个。B.2.2特制容量瓶:特制容量瓶如图B.1所示,容量为255ml,瓶颈处有5ml的刻度,分度值为0.05ml。图B.1容量瓶示意图B.2.3恒温水浴:灵敏度8. 2.4其它:烘箱;天平,感量0.001g;漏斗;研钵。B.3试样制备B.3.1取具有代表性的天然状态下的试料50Og在105C下烘干。B.3.2取出烘干的试料过2mm筛。B.3.3将过筛后的试料用研钵碾至土颗粒完全分散。B.3.4再将试料放入烘箱烘干至恒重。B.4试验步骤B.4.1取出土样存放于相对湿度为零的干燥器中冷却。B.4.2待土样冷却后均匀称取一定量的试料(20g30g,精度为0.00Ig)放入已干燥处理的容量瓶中。B.4.3取一定体积的25°C蒸储水加入容量瓶中混合,加水过程中应停几次来震荡摇匀容量瓶,使土颗粒充分分散并排出土颗粒内部气体。B.4.4在试料和水混合后将容量瓶放入25恒温水浴中,记录此时液面读数。B.4.5再按上述步骤做一组平行试验和一组瓶中只有蒸馆水用于校正蒸发量的校正试验。8. 4.6每隔24h读一次液面读数,直至液面平衡不再发生变化。B.5结果整理吸附结合水含量卬弁由公式(B.1)确定:w-PwePwt7-P、LPH或式中:Wg吸附结合水含量();nts干土质量(g);pwc吸附结合水密度(g/cm3)./vt自由水密度(g/cm3).V土水混合后总体积变化量(ml)。AV=A匕一匕一卜式中:Gs土颗粒比重;Vo加入蒸储水的体积(ml);½,时刻容量瓶液面读数(ml);(B.1)(B.2)V1从开始到f时刻液体蒸发损失量(ml)。附录C(规范性)高液限土路基刚度补偿层设计方法C.1目的和适用范围C.1.1本方法适用于路基回弹模量达不到设计要求时,通过合理确定刚度补偿层填料类型和填料厚度,使之达到路基回弹模量设计要求的刚度补偿层设计。C.1.2本方法在已知待补偿层下卧等效弹性半空间体回弹模量、补偿后等效弹性半空间体顶面回弹模量目标值的基础上,可用于设计刚度补偿层的材料及其回弹模量(前提是已确定了刚度补偿层的厚度);也可用于设计刚度补偿层的厚度(前提是已确定了刚度补偿层的材料及其回弹模量)。C.2操作步骤C.2.1根据JTGD30中推荐的方法测定待补偿结构顶面的回弹模量员,或通过测定回弹弯沉后再反算其回弹模量。C.2.2确定刚度补偿后等效弹性半空间体顶面回弹模量的目标值E2。C.2.3选择刚度补偿层材料并确定其回弹模量E”可按JTG3430中的回弹模量试验对材料的回弹模量进行测定,或按表C.1进行预估。表C.1刚度补偿材料回弹模量参考值填筑材料填料模量(MPa)级配碎石180400未筛分碎石180-220级配砾石15O3(X)天然砂砾100-140黏土质砂80-100灰土80120低液限钻土50-70C.2.4根据补偿前的Pl弹模量氏、补偿后的回弹模量目标值E2以及选择的补偿材料的回弹模量E,按图C.1刚度补偿设计诺谟图确定补偿层厚度。C.2.5如受标高限制,待补偿层厚度已限定,则在已知目标回弹模量E2、补偿前的同弹模量Eo和补偿层厚度h的基础上,可由图C.1刚度补偿设计诺谟图查得刚度补偿层材料应达到的回弹模量要求值日。C.2.6根据刚度补偿层回弹模量El的要求,由表C.1选择合适的材料,或通过室内试验和试验路的试验检测,选择改良土等更为合适的刚度补偿层材料。/'40用度补修展Eo=20MP4,El为4020MPa,每IOMPa递增Edwx咄漱回咄刑陋国映驱左超位60Ioo1601802000.0°-5刚度补偿层厚度力/m102201.520406080100120140160180200220鼻住卑空edw咄黯回咄IIS住眼您#旭苣CdB西骑回刑涧恒昌噢您急也20020022005刚度补偿层厚度,"m2206=30MPa,El为40220MPa,每IoMPa递增Eo=5OMPa,E为60220MPa,每IoMPa递增E0=7()MPa,El为80220MPa,每IOMPa递增b)待补偿层顶面模量为30MPa、50MPa和70MPa时刚度补偿诺谟图待补偿层顶面当量回弹模量EoZkPaSSBE-2000.0s*sIEo=40MpaE->50l220Mpa由一。MPa宏法IE=60MpaE70320MPF更。MPa窿"SU80MpaE->另22。MParMpa感061.0C)布与旅Bll回M曲40Mpi60MPa若80Mpasa岑睢碓藩画EleE=w"M睚sill5国C.3刚度补偿层设计诺谟图的使用说明C.3.1已知待补偿层顶面当量回弹模量注、刚度补偿层顶面当量回弹模量目标值&和刚度补偿层厚度力的基础上,确定刚度补偿层的回弹模量晶。具体操作如下:a)已知Eo=2OMPa,E2=80MPa,=0.5m,于图C.1右侧纵坐标80MPa处作垂线。b)于图C.1底部横坐标0.5m处作垂线。c)两线交于一点,该点所处曲线即为刚度补偿层材料的回弹模量Ei,此时E=170MPaoC. 3.2已知待补偿层顶面当量回弹模量良、刚度补偿层顶面当量回弹模量目标值&和刚度补偿层材料回弹模量办的基础上,确定刚度补偿层的厚度。具体操作如下:a)已知氏=20MPa,E2=60MPa,f=200MPa,于图C.1右侧纵坐标60MPa处作垂线。b)再过该直线与E=200MPa的对应曲线的交点作垂线,交于底部横坐标轴。c)横坐标的值即为刚度补偿层的厚度,此时0.28m。C.3.3已知待补偿层顶面当量回弹模量氏=20MPa,刚度补偿层顶面当量回弹模量目标值Ez=50MPa,根据图C.1进行加铺层方案比选和优化设计。具体操作如下:a)沿右侧纵坐标50MPa处作垂线与曲线簇相交。b)再过这些交点分别作垂线交于横坐标轴。c)得到一系列刚度补偿层材料回弹模量E1和厚度h的设计组合见表C.2.表C.2刚度补偿层设计组合刚度补偿材料回弹模量昌(MPa)刚度补偿层厚度(m)600.88700.55800.43IlO0.321300.271700.232200.21附录D(规范性)高液限土路基PFWD回弹模量反算方法D.1目的和适用范围D.1.1本方法是基于MaUab2016a及以上版本软件开发的高液限土路基PFWD回弹模量反算程序。D.1.2通过输入时间对应的荷载及位移数据和迭代需要的回弹模量、粘滞系数初值,经软件运算得到回弹模量及粘滞系数最优化的计算值,和评价理论计算精度的系数。D.2功能和数据准确度D.2.1绘制理论计算和实测位移图像;得到理论计算和实测位移峰值;得到回弹模量及粘滞系数计算值;得到精度系数。D.2.2输入数据:时间0.1ms、荷载0.00IkN、位移0.001mm;输出数据:计算位移0.001mm、精度系数0.001、回弹模量0.1MPa、粘滞系数0.1MPams°D.2.3时间特性:程序运行时间视数据量变化,如:20-30个时间、荷载和位移数据,处理时间约为5-7min<.D.2.4灵活性:只要能运行MatIab2016a及以上版本的设备均可使用该程序。D.3运行环境D.3.1计算机型号不限,剩余外存NlOG,电脑内存N2G,采用计算机交互式输入输出。D. 3.2所编制的“ZDT。必须在Mauab环境下运行,需要安装Mauab2016a及以上版本,操作系统为Windows7及以上版本,输出数据为excel文件。D.4运行说明D.4.1点击软件开始运行。D.4.2输入荷载实测数据。D.4.3输入位移实测数据。D

    注意事项

    本文(公路高液限土路基湿法重型击实、吸附结合水含量试验、刚度补偿层设计、PFWD回弹模量反算方法.docx)为本站会员(p**)主动上传,第壹文秘仅提供信息存储空间,仅对用户上传内容的表现方式做保护处理,对上载内容本身不做任何修改或编辑。 若此文所含内容侵犯了您的版权或隐私,请立即通知第壹文秘(点击联系客服),我们立即给予删除!

    温馨提示:如果因为网速或其他原因下载失败请重新下载,重复下载不扣分。




    关于我们 - 网站声明 - 网站地图 - 资源地图 - 友情链接 - 网站客服 - 联系我们

    copyright@ 2008-2023 1wenmi网站版权所有

    经营许可证编号:宁ICP备2022001189号-1

    本站为文档C2C交易模式,即用户上传的文档直接被用户下载,本站只是中间服务平台,本站所有文档下载所得的收益归上传人(含作者)所有。第壹文秘仅提供信息存储空间,仅对用户上传内容的表现方式做保护处理,对上载内容本身不做任何修改或编辑。若文档所含内容侵犯了您的版权或隐私,请立即通知第壹文秘网,我们立即给予删除!

    收起
    展开