欢迎来到第壹文秘! | 帮助中心 分享价值,成长自我!
第壹文秘
全部分类
  • 幼儿/小学教育>
  • 中学教育>
  • 高等教育>
  • 研究生考试>
  • 外语学习>
  • 资格/认证考试>
  • 论文>
  • IT计算机>
  • 法律/法学>
  • 建筑/环境>
  • 通信/电子>
  • 医学/心理学>
  • ImageVerifierCode 换一换
    首页 第壹文秘 > 资源分类 > DOCX文档下载
    分享到微信 分享到微博 分享到QQ空间

    金凤园区虎曾西路道路工程水土保持方案特性表.docx

    • 资源ID:194394       资源大小:21.64KB        全文页数:3页
    • 资源格式: DOCX        下载积分:5金币
    快捷下载 游客一键下载
    账号登录下载
    三方登录下载: 微信开放平台登录 QQ登录
    下载资源需要5金币
    邮箱/手机:
    温馨提示:
    快捷下载时,如果您不填写信息,系统将为您自动创建临时账号,适用于临时下载。
    如果您填写信息,用户名和密码都是您填写的【邮箱或者手机号】(系统自动生成),方便查询和重复下载。
    如填写123,账号就是123,密码也是123。
    支付方式: 支付宝    微信支付   
    验证码:   换一换

    加入VIP,免费下载
     
    账号:
    密码:
    验证码:   换一换
      忘记密码?
        
    友情提示
    2、PDF文件下载后,可能会被浏览器默认打开,此种情况可以点击浏览器菜单,保存网页到桌面,就可以正常下载了。
    3、本站不支持迅雷下载,请使用电脑自带的IE浏览器,或者360浏览器、谷歌浏览器下载即可。
    4、本站资源下载后的文档和图纸-无水印,预览文档经过压缩,下载后原文更清晰。
    5、试题试卷类文档,如果标题没有明确说明有答案则都视为没有答案,请知晓。

    金凤园区虎曾西路道路工程水土保持方案特性表.docx

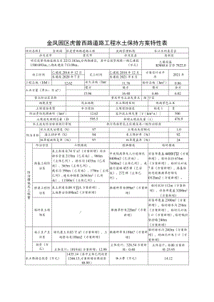
    金凤园区虎曾西路道路工程水土保持方案特性表项目名称I金凤园区虎曾西路道路工程流域管理机构长江水利委员会涉及省市重庆市涉及区县高新区项目虎曾西路道路总长2213.183m,分两期建设,其中总投资规模一期已建段1500.093m,二期未建段713.09m。(万元)土建投盗KM68.6空符7822.0动工时间已建段2014年12月完工时间已建段2016年12月方案设计水平2021年未建段2020年7月未建段2021年6月年工程占地(IiM)12.62永久占地(hnr;11.76临时占地(hm2)0.86土石方量(单位:万a?)塔方填方借方余方15.9616.406.466.02重点防治区名称重庆市水土流失重点预版宁区地貌类型浅丘地貌水土保持区划西南紫色土区土壤侵蚀类型水力侵蚀土壤侵蚀强度轻度1曼蚀防治责任范围面积(hm2)12.62容许流土壤失量t(km2a)500土壤流失预测总量(D595.5新增土壤流失量(t)476.9水土流失防治标准执行等级执行西南紫色土区建设类一级防治标准防治目标水土流失治理度(%)97土壤流失控制比1.0渣土挡护率(%)94表土保护率()92林草植被恢复率()97林草覆盖率()24防治措施及工程量防治分区工程措施植物措施临时措施路基工程防治区表土剥离0.74万n?(方案新增)雨水排水管道215Im(已实施)、966m(主体已列),排水沟1435m(已实施)、365m(主体已列),截水沟396m(已实施)、170m(主体已列),透水砖铺装26563m2(已实施)、11500n(主体已列)。中央隔离带及人行道绿化8400m2(已实施)、7600m2(主体已列),栽植行道树455棵(已实施)、272棵(主体已列)。彩条布覆盖44002(方案新增)、临时拦挡674m(方案新增)、临时沉砂池7座(方案新增)、路基临时边坡撒播草籽绿化O12hm2(方案新增)。桥梁工程防治区表土剥离0.08万方案新增)、土地整治0.09hm2(方案新增)撒播种草0.09h?(方案新增)临时拦挡112m(方案新增)、彩条布覆盖3200m2(方案新增)临时表土堆场区/撒播草籽0.22hm2(方案新增)彩条布覆盖2300m2(方案新增),临时排水沟256m(方案新增),临时沉砂池1口(方案新增),临时编织袋挡墙246m(方案新增)施工生产生活区绿化覆土0.03万n?(方案新增),土地整治0.18hm2(方案新增)撒播种草0.18h?(方案新增)临时排水沟24Om(方案新增),砖砌沉砂池1口(方案新增)投资(万元)主体设计:1019.61方案新增:12.98主体设计:326.54方案新增:0.40主体设计:0.00方案新增:25.95水土保持总投资(万元)1435.14(其中主体已列投资1346.15,方案新增水保投资88.99)独立费(万元)14.12水土保持补偿费(万元)17.67监测费(万元)13.84监理费(万元)3.50方案编制单位重庆市源浩环保工程设计有限责任公司建设单位重庆金凤电子信息产业有限公司法定代表人龚丽法定代表人朱诗锦地址九龙坡区杨家坪四郊三村1号地址重庆高新区金凤路108号传真/邮编404000传真/邮编401329联系人及电话易勇/联系人及电话肖遥/电子信箱电子信箱(此页无正文)重庆高新区生态环境局综合处2020年7月3日印发

    注意事项

    本文(金凤园区虎曾西路道路工程水土保持方案特性表.docx)为本站会员(p**)主动上传,第壹文秘仅提供信息存储空间,仅对用户上传内容的表现方式做保护处理,对上载内容本身不做任何修改或编辑。 若此文所含内容侵犯了您的版权或隐私,请立即通知第壹文秘(点击联系客服),我们立即给予删除!

    温馨提示:如果因为网速或其他原因下载失败请重新下载,重复下载不扣分。




    关于我们 - 网站声明 - 网站地图 - 资源地图 - 友情链接 - 网站客服 - 联系我们

    copyright@ 2008-2023 1wenmi网站版权所有

    经营许可证编号:宁ICP备2022001189号-1

    本站为文档C2C交易模式,即用户上传的文档直接被用户下载,本站只是中间服务平台,本站所有文档下载所得的收益归上传人(含作者)所有。第壹文秘仅提供信息存储空间,仅对用户上传内容的表现方式做保护处理,对上载内容本身不做任何修改或编辑。若文档所含内容侵犯了您的版权或隐私,请立即通知第壹文秘网,我们立即给予删除!

    收起
    展开