欢迎来到第壹文秘! | 帮助中心 分享价值,成长自我!
第壹文秘
全部分类
  • 幼儿/小学教育>
  • 中学教育>
  • 高等教育>
  • 研究生考试>
  • 外语学习>
  • 资格/认证考试>
  • 论文>
  • IT计算机>
  • 法律/法学>
  • 建筑/环境>
  • 通信/电子>
  • 医学/心理学>
  • ImageVerifierCode 换一换
    首页 第壹文秘 > 资源分类 > DOCX文档下载
    分享到微信 分享到微博 分享到QQ空间

    混凝土配合比.docx

    • 资源ID:1375000       资源大小:15KB        全文页数:3页
    • 资源格式: DOCX        下载积分:5金币
    快捷下载 游客一键下载
    账号登录下载
    三方登录下载: 微信开放平台登录 QQ登录
    下载资源需要5金币
    邮箱/手机:
    温馨提示:
    快捷下载时,如果您不填写信息,系统将为您自动创建临时账号,适用于临时下载。
    如果您填写信息,用户名和密码都是您填写的【邮箱或者手机号】(系统自动生成),方便查询和重复下载。
    如填写123,账号就是123,密码也是123。
    支付方式: 支付宝    微信支付   
    验证码:   换一换

    加入VIP,免费下载
     
    账号:
    密码:
    验证码:   换一换
      忘记密码?
        
    友情提示
    2、PDF文件下载后,可能会被浏览器默认打开,此种情况可以点击浏览器菜单,保存网页到桌面,就可以正常下载了。
    3、本站不支持迅雷下载,请使用电脑自带的IE浏览器,或者360浏览器、谷歌浏览器下载即可。
    4、本站资源下载后的文档和图纸-无水印,预览文档经过压缩,下载后原文更清晰。
    5、试题试卷类文档,如果标题没有明确说明有答案则都视为没有答案,请知晓。

    混凝土配合比.docx

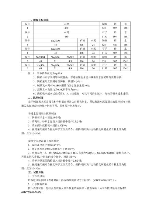
    一、混凝土配合比编号水泥陶粒砂水1480638607168编号水泥石子砂水24801157607168编号Na2SO4矿渣水泥陶粒砂水34840824638607168编号Na2SO4矿渣水泥石子砂水448408241157607168编号Na2SO4Na2SiO3NaOH矿渣水泥陶粒砂水548214.939624638607154.1编号Na2SO4Na2SiO3NaOH矿渣水泥石子砂水648214.9396241157607154.1注:1、表中的单位均为kg112、陶粒与石子采用等体积替换,普通硅酸盐水泥与碱激发水泥采用等质量替换;3、陶粒采用宜昌圆球型陶粒,预湿24小时;4、碱激发水泥中Na2SO4用量均为水泥总量的10%;5、混凝土水灰比均为0.35,砂率均为30%;6、陶粒吸水返水试验采用1、3、5组进行,对比不同的水泥中,陶粒的吸水返水过程。二、搅拌制度由于碱激发水泥需要在和骨料混合搅拌之前预先制备,所以普通水泥混凝土的搅拌制度与碱激发水泥混凝土的搅拌制度不同,具体搅拌制度如下:普通水泥混凝土搅拌制度1、陶粒在净水中预湿24小时;2、将陶粒、砂和水泥倒入搅拌机中搅拌0.5分钟;3、将水倒入搅拌机中搅拌2.5分钟;4、振捣采用振动台振实和手工压实结合,振捣时间以拌合物捣实和避免轻骨料上浮为原则,宜为1030s0碱激发水泥混凝土搅拌制度1、陶粒在净水中预湿24小时;2、将矿渣和水泥倒入搅拌机中干拌3分钟;3、将激发剂(3、4组为Na2SO4和Nae)H,5、6组为Na2SO4、Na2SiO4>NaOH)溶解在水中,再将水倒入步骤2中得到的混合物中,搅拌1分钟;4、将砂和预湿的陶粒倒入搅拌机中搅拌2.5分钟;5、振捣采用振动台振实和手工压实结合,振捣时间以拌合物捣实和避免轻骨料上浮为原则,宜为1030so三、试验方法1、工作性试验坍落度试验参照普通混凝土拌合物性能测试方法标准(GB/T50080-2002)o2、力学性能试验抗压强度试验、劈拉强度试验及弹性模量试验参照普通混凝土力学性能试验方法标准(GBT50081-2002)o3、耐久性试验抗渗性能试验、冻融循环试验及碳化程度试验参照普通混凝土长期性能和耐久性能试验方法标准(GB/T50082-2009)04、微观试验显微硬度、电镜扫描、XRD、热重分析及孔结构试验参照建筑材料物相研究基础。水化程度试验及陶粒吸水返水试验参照张永霞毕业论文。四、试验量计算根据混凝土配合比及试验方法,确定了每个配合比试验项目所需的试块类型和数量,以及需要各种材料的量。试验项目试块尺寸(mm*mm*mm)每龄期试块数量(个)测试龄期试块总数力学性能试验抗压强度100*100*10033d、7d、28d、蒸压12劈拉强度100*100*10033d、7d、28d、蒸压12弹性模量150*150*30063d、7d、28d、蒸压24耐久性试验抗渗性能100*100*100228d、蒸压4冻融循环100*100*4003一3碳化程度100*100*10033d、7d、14d>28d12微观试验显微硬度100*100*100128d蒸压2电镜扫描100*100*100128d蒸压2水化程度70.7*70.7*70.73Id、3d、7d、14d、28d、蒸压18陶粒吸水返水150*150*1501一1注:1、XRD、热重、孔结构不用制作试块,均在进行完力学实验之后的试块中取样;2、冻融循环试验采用快冻法,试样在达到规定冻融循环次数时,取出测定相关指标后,继续放入冻融箱进行冻融循环,因此每组配合比只需制作3个试块。根据上表可以得出每组配合比所需的混凝土量为普通骨料混凝土:V=0.1*0.1*0.1*(12+12+4+12+2+2)+0.15*0.15*0.3*24+0.1*0.1*0.4*3+0.0707*0.0707*0.0707*18=0.225m3陶粒混凝土:V=0.1*0.1*0.1*(12+12+4+12+2+2)+0.15*0.15*0.3*24+0.1*0.1*0.4*3+0.0707*0.0707*0.0707*18+0.15*0.15*0.15*1=0.044+0.162+0.012+0.007+0.004=0.229m3材料水泥矿渣Na2SO4Na2SiO3NaOH陶粒石子砂总量(kg)24036544103440780827国家基金纲要碱激发水泥陶粒混凝土微结构及耐久性、变化参数陶粒类型:吸水率变化、筒压强度接近陶粒预湿程度:不预湿,预湿Ih,预湿24h碱激发水泥激发剂:Na2SO4>NaOH、水玻璃二、测试指标工作性:坍落度、凝结时间力学性能:抗压强度、劈拉强度、弹性模量微观性能:水泥石(孔结构、微观形貌、水化产物、水化程度)、界面过渡区(微观形貌、孔结构、水化产物、水化程度、显微硬度)耐久性:抗渗性能、冻融循环、碳化程度、化学腐蚀(SO42+>CI-)、碱骨料反应三、研究内容以碱激发水泥陶粒混凝土为研究对象,从混凝土微结构角度,研究碱激发水泥陶粒混凝土的微结构对混凝土耐久性的影响,一方面可以提高矿渣的利用率,另一方面可以为陶粒在混凝土方面的应用提供更广阔的应用前景。具体内容如下:1)陶粒在碱激发水泥混凝土中的吸水返水机制;2)碱激发水泥在陶粒内养护条件下的微结构变化;3)研究混凝土微结构与耐久性的关系;4)不同激发剂、不同的内养护条件对于碱激发水泥陶粒混凝土性能的影响等。四、预期目标通过对碱激发水泥陶粒混凝土微结构和耐久性研究,系统阐述碱激发水泥和陶粒在混凝土中的相互作用关系及其对耐久性的影响,开展高性能碱激发水泥陶粒混凝土的开发研究,为提高工业废料利用率提供理论和技术支持。五、项目的意义和创新点碱激发水泥优异的力学性能被大家所认可,但是由于它的工作性和体积稳定性不好,因此没有大范围推广。本项目旨在利用陶粒的吸水返水特性,通过其在混凝土的内养护作用影响碱激发水泥混凝土的微结构,改善其耐久性。

    注意事项

    本文(混凝土配合比.docx)为本站会员(p**)主动上传,第壹文秘仅提供信息存储空间,仅对用户上传内容的表现方式做保护处理,对上载内容本身不做任何修改或编辑。 若此文所含内容侵犯了您的版权或隐私,请立即通知第壹文秘(点击联系客服),我们立即给予删除!

    温馨提示:如果因为网速或其他原因下载失败请重新下载,重复下载不扣分。




    关于我们 - 网站声明 - 网站地图 - 资源地图 - 友情链接 - 网站客服 - 联系我们

    copyright@ 2008-2023 1wenmi网站版权所有

    经营许可证编号:宁ICP备2022001189号-1

    本站为文档C2C交易模式,即用户上传的文档直接被用户下载,本站只是中间服务平台,本站所有文档下载所得的收益归上传人(含作者)所有。第壹文秘仅提供信息存储空间,仅对用户上传内容的表现方式做保护处理,对上载内容本身不做任何修改或编辑。若文档所含内容侵犯了您的版权或隐私,请立即通知第壹文秘网,我们立即给予删除!

    收起
    展开