欢迎来到第壹文秘! | 帮助中心 分享价值,成长自我!
第壹文秘
全部分类
  • 幼儿/小学教育>
  • 中学教育>
  • 高等教育>
  • 研究生考试>
  • 外语学习>
  • 资格/认证考试>
  • 论文>
  • IT计算机>
  • 法律/法学>
  • 建筑/环境>
  • 通信/电子>
  • 医学/心理学>
  • ImageVerifierCode 换一换
    首页 第壹文秘 > 资源分类 > DOCX文档下载
    分享到微信 分享到微博 分享到QQ空间

    《初级钳工》技能试卷.docx

    • 资源ID:1371236       资源大小:28.38KB        全文页数:4页
    • 资源格式: DOCX        下载积分:5金币
    快捷下载 游客一键下载
    账号登录下载
    三方登录下载: 微信开放平台登录 QQ登录
    下载资源需要5金币
    邮箱/手机:
    温馨提示:
    快捷下载时,如果您不填写信息,系统将为您自动创建临时账号,适用于临时下载。
    如果您填写信息,用户名和密码都是您填写的【邮箱或者手机号】(系统自动生成),方便查询和重复下载。
    如填写123,账号就是123,密码也是123。
    支付方式: 支付宝    微信支付   
    验证码:   换一换

    加入VIP,免费下载
     
    账号:
    密码:
    验证码:   换一换
      忘记密码?
        
    友情提示
    2、PDF文件下载后,可能会被浏览器默认打开,此种情况可以点击浏览器菜单,保存网页到桌面,就可以正常下载了。
    3、本站不支持迅雷下载,请使用电脑自带的IE浏览器,或者360浏览器、谷歌浏览器下载即可。
    4、本站资源下载后的文档和图纸-无水印,预览文档经过压缩,下载后原文更清晰。
    5、试题试卷类文档,如果标题没有明确说明有答案则都视为没有答案,请知晓。

    《初级钳工》技能试卷.docx

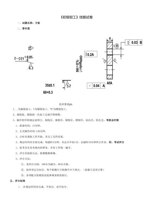
    初级钳工技能试卷一、试题名称:方板二、零件图O09golo+LSLO+I9E10.2A10.03B35±0.1/0.04AAfA60+0.3技术要求251、.为塞削加工,V为锯削加工,芍Z为锂削加工。2、塞削面、锯削面一次加工完成不得修铿。3、操作程序的规定说明、划线、塞削、锯削、锂削、钻孔、较孔三、考核总时限1、准备时间:15分钟。2、正式操作时间:120分钟。3、计时从领取工件开始,至完工交件结束。4、规定时间内全部完成,每超时3分钟,从总分中扣1分,总超时10分钟停止作业。四、考试评分1、监考员负责考场内的事务,并对工件统一编号。2、评分员执检公证,检测数据准确。3、评分方法:、采用百分制,100分为满分,60分合格。、按单项记分扣分,每个检测尺寸检测不少于两点。(按最大误差计算)、各项配分依精度高低和难易程度制订。五、评分标准1 .在规定时间内完成,不加分,也不扣分。2 .未达到图纸要求的,按评分标准扣分。3 .依据钳工应会技能考核项目评分标准评分。评分纪录表评分标准序号考核项目考核内容及要求配分评分标准扣分得分备注cn+0.051锂bu0mm14超差不得分。2Ra3.2m(2处)10每升高一级不得分。3削0.04IAl6超差不得分。4锯60÷0.30mm15超差不得分。5Ra25m5升高一级不得分6塞Ral2.5m5升高一级不得分7口0.2A5超差不得分。8021呼05mm(2处)15超差不得分。9钻35÷0.IOmm7超差不得分。10Ra6.3Um(2处)6升高一级不得分。11孔|邛.。胴4超差不得分。1212+0.035超差不得分。13Ral.6m3升高一级不得分。安全生按国家颁发有关法规或企业每违反一项规定从总分中扣除2分;产自定有关规定发生重大事故者取消考核资格文明按企业自定有关规定每违反一项规定从总分中扣除2分;生产其它未注公差尺寸按IT14要求每超一处扣2分从总分中合计评分人:总分人:考生准备通知单一、材料准备序号材料名称规格数量备注1钢板45#61×61×81二、工、量、夕6189具准备名称数量备注名称钱刀数量备注游标卡尺11可调校刀高度尺1三角锂1锯条若干锯弓1刀口尺190°角尺121钻头1划规1钢直尺1划针1方铿1软钳口1圆规扁铿1铿刀刷11塞子准备设备序号材料名称规格(mm)数量备注1台钻Z411212平口钳10013钳台2000X30001六工位,中间设安全网4台虎钳10015划线平台1500X200011级二、考场要求2工房面积不小于18OmO设工位N个。同时容纳N人鉴定。照明良好,光线充足。工位、工件统一编号,考生抽号就岗。水、电、采暖降温及安全设施齐全。整洁规范无干扰。三、评分人员要求1 .热爱本职工作,遵守考评各项规则及要求。2 .考评人员必须具有高级工或技师、中级专业技术职务及以上资格,同时经专门培训,熟悉鉴定工作。3 .评分员需回避考试现场,进入评判室做好准备,依据评分标准打分。4 .统计员作好分数统计及保密工作,评分表不得有更改。

    注意事项

    本文(《初级钳工》技能试卷.docx)为本站会员(p**)主动上传,第壹文秘仅提供信息存储空间,仅对用户上传内容的表现方式做保护处理,对上载内容本身不做任何修改或编辑。 若此文所含内容侵犯了您的版权或隐私,请立即通知第壹文秘(点击联系客服),我们立即给予删除!

    温馨提示:如果因为网速或其他原因下载失败请重新下载,重复下载不扣分。




    关于我们 - 网站声明 - 网站地图 - 资源地图 - 友情链接 - 网站客服 - 联系我们

    copyright@ 2008-2023 1wenmi网站版权所有

    经营许可证编号:宁ICP备2022001189号-1

    本站为文档C2C交易模式,即用户上传的文档直接被用户下载,本站只是中间服务平台,本站所有文档下载所得的收益归上传人(含作者)所有。第壹文秘仅提供信息存储空间,仅对用户上传内容的表现方式做保护处理,对上载内容本身不做任何修改或编辑。若文档所含内容侵犯了您的版权或隐私,请立即通知第壹文秘网,我们立即给予删除!

    收起
    展开