欢迎来到第壹文秘! | 帮助中心 分享价值,成长自我!
第壹文秘
全部分类
  • 幼儿/小学教育>
  • 中学教育>
  • 高等教育>
  • 研究生考试>
  • 外语学习>
  • 资格/认证考试>
  • 论文>
  • IT计算机>
  • 法律/法学>
  • 建筑/环境>
  • 通信/电子>
  • 医学/心理学>
  • ImageVerifierCode 换一换
    首页 第壹文秘 > 资源分类 > DOCX文档下载
    分享到微信 分享到微博 分享到QQ空间

    湖北省民用建筑信息模型工程量计算-木结构工程.docx

    • 资源ID:1369603       资源大小:12.20KB        全文页数:2页
    • 资源格式: DOCX        下载积分:5金币
    快捷下载 游客一键下载
    账号登录下载
    三方登录下载: 微信开放平台登录 QQ登录
    下载资源需要5金币
    邮箱/手机:
    温馨提示:
    快捷下载时,如果您不填写信息,系统将为您自动创建临时账号,适用于临时下载。
    如果您填写信息,用户名和密码都是您填写的【邮箱或者手机号】(系统自动生成),方便查询和重复下载。
    如填写123,账号就是123,密码也是123。
    支付方式: 支付宝    微信支付   
    验证码:   换一换

    加入VIP,免费下载
     
    账号:
    密码:
    验证码:   换一换
      忘记密码?
        
    友情提示
    2、PDF文件下载后,可能会被浏览器默认打开,此种情况可以点击浏览器菜单,保存网页到桌面,就可以正常下载了。
    3、本站不支持迅雷下载,请使用电脑自带的IE浏览器,或者360浏览器、谷歌浏览器下载即可。
    4、本站资源下载后的文档和图纸-无水印,预览文档经过压缩,下载后原文更清晰。
    5、试题试卷类文档,如果标题没有明确说明有答案则都视为没有答案,请知晓。

    湖北省民用建筑信息模型工程量计算-木结构工程.docx

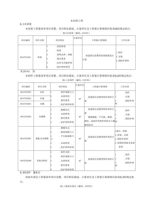
    木结构工程G.1木屋架木屋架工程量清单项目设置、项目特征描述、计量单位及工程量计算规则应按表Gl的规定执行。表GJ木屋架(编码:010701)项目编码项目名称项目特征计量单位工程量计算规则工作内容H010701001屋架1 .屋架种类2 .跨度3 .材料品种、规格4 .刨光要求5 .拉杆及夹板种类6 .防护材料种类按建筑信息模型屋架板数进行计算1.制作2 .安装3 .刷防护材料G.2木构1件木构件工程量清单项目设置、项目特征描述、计量单位及工程量计算规则应按表G.2的规定执行。表G.2木构件(编码:010702)项目编码项目名称项目特征计量单位工程量计算规则工作内容H010702001木柱1 .构件规格尺寸2 .木材种类3 .刨光要求4 .防护材料种类m3按建筑信息模型构件体积计算1 .制作2 .安装3 .刷防护材料H010702002木梁H010702003木楝H010702004木楼梯1 .楼梯形式2 .木材种类3 .刨光要求4 .防护材料种类m3按建筑信息模型构件体积计算楼梯踏板、平台板、梯梁、梯柱、连接件等构件体积并入楼梯体积内1 .制作2 .安装3 .刷防护材料H010702005装配式木楼梯1 .楼梯形式2 .梯段规格尺寸3 .平台板规格尺寸4 .木材种类5 .防护材料种类6 .嵌缝材料种类m3按建筑信息模型构件体积计算L就位、拼接2 .组装、安装3 .刷防护材料4 .接缝处填塞及表面处理H010702006其他木构件1 .构件名称2 .构件规格尺寸3 .木材种类4 .刨光要求5 .防护材料种类m3按建筑信息模型构件体积计算1 .制作2 .安装3 .刷防护材料G.3屋面7K基层屋面木基层工程量清单项目设置、项目特征描述、计量单位及工程量计算规则应按表G.3的规定执行。表G.3屋面木基层(编码:010703)项目编码项目名称项目特征计量单位工程量计算规则工作内容H010703001屋面木基层1 .椽子断面尺寸及椽距2 .望板材料种类、厚度3 .防护材料种类m2按建筑信息模型屋面以斜面积计算。扣除房上烟囱、风帽底座、风道、小气窗、斜沟等所占面积。小气窗的出檐部分计入屋面面积坡屋面应按设计坡度建模表达1 .椽子制作、安装2 .望板制作、安装3 .刷防护材料G.4相关问题及说明G.4.1屋架的“屋架种类”可描述为木、钢木。按标准图集设计的,应注明标准图代号;按非标准图设计的,其项目特征应按本附录要求予以描述。G.4.2屋架的跨度应以上、下弦中心线两交点之间的距离计算。G.4.3带气楼的屋架和马尾、折角以及正交部分的半屋架,按“屋架”项目编码列项。G.4.4木楼梯的栏杆(栏板)、扶手应按本标准附录Q中的相关项目编码列项。

    注意事项

    本文(湖北省民用建筑信息模型工程量计算-木结构工程.docx)为本站会员(p**)主动上传,第壹文秘仅提供信息存储空间,仅对用户上传内容的表现方式做保护处理,对上载内容本身不做任何修改或编辑。 若此文所含内容侵犯了您的版权或隐私,请立即通知第壹文秘(点击联系客服),我们立即给予删除!

    温馨提示:如果因为网速或其他原因下载失败请重新下载,重复下载不扣分。




    关于我们 - 网站声明 - 网站地图 - 资源地图 - 友情链接 - 网站客服 - 联系我们

    copyright@ 2008-2023 1wenmi网站版权所有

    经营许可证编号:宁ICP备2022001189号-1

    本站为文档C2C交易模式,即用户上传的文档直接被用户下载,本站只是中间服务平台,本站所有文档下载所得的收益归上传人(含作者)所有。第壹文秘仅提供信息存储空间,仅对用户上传内容的表现方式做保护处理,对上载内容本身不做任何修改或编辑。若文档所含内容侵犯了您的版权或隐私,请立即通知第壹文秘网,我们立即给予删除!

    收起
    展开