欢迎来到第壹文秘! | 帮助中心 分享价值,成长自我!
第壹文秘
全部分类
  • 幼儿/小学教育>
  • 中学教育>
  • 高等教育>
  • 研究生考试>
  • 外语学习>
  • 资格/认证考试>
  • 论文>
  • IT计算机>
  • 法律/法学>
  • 建筑/环境>
  • 通信/电子>
  • 医学/心理学>
  • ImageVerifierCode 换一换
    首页 第壹文秘 > 资源分类 > DOCX文档下载
    分享到微信 分享到微博 分享到QQ空间

    模块及终端问题内容的等级划分.docx

    • 资源ID:1369360       资源大小:73.25KB        全文页数:25页
    • 资源格式: DOCX        下载积分:5金币
    快捷下载 游客一键下载
    账号登录下载
    三方登录下载: 微信开放平台登录 QQ登录
    下载资源需要5金币
    邮箱/手机:
    温馨提示:
    快捷下载时,如果您不填写信息,系统将为您自动创建临时账号,适用于临时下载。
    如果您填写信息,用户名和密码都是您填写的【邮箱或者手机号】(系统自动生成),方便查询和重复下载。
    如填写123,账号就是123,密码也是123。
    支付方式: 支付宝    微信支付   
    验证码:   换一换

    加入VIP,免费下载
     
    账号:
    密码:
    验证码:   换一换
      忘记密码?
        
    友情提示
    2、PDF文件下载后,可能会被浏览器默认打开,此种情况可以点击浏览器菜单,保存网页到桌面,就可以正常下载了。
    3、本站不支持迅雷下载,请使用电脑自带的IE浏览器,或者360浏览器、谷歌浏览器下载即可。
    4、本站资源下载后的文档和图纸-无水印,预览文档经过压缩,下载后原文更清晰。
    5、试题试卷类文档,如果标题没有明确说明有答案则都视为没有答案,请知晓。

    模块及终端问题内容的等级划分.docx

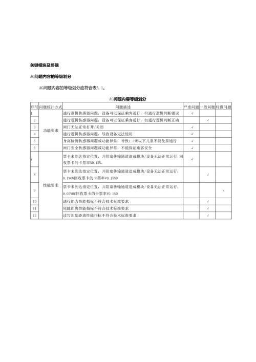
    关键模块及终端AG问题内容的等级划分AG问题内容的等级划分应符合表A.1。AG问题内容等级划分序号问题统计方式问题描述严重问题一般问题轻微问题1功能要求通行逻辑传感器问题,设备可以保证乘客通行,但通行逻辑判断错误2通行逻辑传感器问题,设备可以保证乘客通行,但通行逻辑判断正确3闸门无法正常打开/关闭4通行逻辑传感器问题,导致设备无法使用5身高检测传感器问题或功能异常,导致1.3米以下儿童不能免票通行6闸门安全传感器问题或功能异常,不能保证乘客安全7性能要求票卡未到达指定位置,并阻塞传输通道造成模块/设备无法正常运行;回收票卡的卡票率N0.15%。8票卡未到达指定位置,并阻塞传输通道造成模块/设备无法正常运行;0.1%OW回收票卡的卡票率V0.15%09票卡未到达指定位置,并阻塞传输通道造成模块/设备无法正常运行;0.05%OW回收票卡的卡票率V0.1%010通行能力性能指标不符合技术标准要求11尾随距离性能指标不符合技术标准要求12读写识别距离性能指标不符合技术标准要求TVM问题内容序号问题统计方式问题问题描述严重问题一般问题轻微问题1功能要求维护打印机问题2无法发售票卡3无法充值4纸币接收模块在接收过程中损坏纸币5纸币接收模块接收假币6纸币找零模块在找零过程中损坏纸币7纸币找零模块找零错误8硬币识别模块接收假币9硬币找零模块找零错误10乘客感应传感器问题,乘客无法使用的11乘客感应传感器问题,不影响乘客使用的12性能要求票卡未到达指定位置,并阻塞传输通道造成模块/设备无法正常运行;发售票卡的卡票率三0.15%。13票卡未到达指定位置,并阻塞传输通道造成模块/设备无法正常运行;0.1%OW发售票卡的卡票率VO.15%o14票卡未到达指定位置,并阻塞传输通道造成模块/设备无法正常运行;0.05%OW发售票卡的卡票率V0.1%015纸币未到达指定位置,并阻塞传输通道造成模块/设备无法正常运行;纸币找零模块的卡币率三0.15%o16纸币未到达指定位置,并阻塞传输通道造成模块/设备无法正常运行;0.1%OW纸币找零模块的卡币率V0.15%017纸币未到达指定位置,并阻塞传输通道造成模块/设备无法正常运行;0.05%OW纸币找零模块的卡币率V0.1%018纸币未到达指定位置,并阻塞传输通道造成模块/设备无法正常运行;纸币接收模块的卡币率三0.15%o19纸币未到达指定位置,并阻塞传输通道造成模块/设备无法正常运行;0.1%OW纸币接收模块的卡币率V0.15%020纸币未到达指定位置,并阻塞传输通道造成模块/设备无法正常运行;0.05%OW纸币接收模块的卡币率V0.1%021硬币未到达指定位置,并阻塞传输通道造成模块/设备无法正常运行;硬币识别的卡币率20.15%。V序号问题统计方式问题问题描述严重问题一般问题轻微问题22性能要求硬币未到达指定位置,并阻塞传输通道造成模块/设备无法正常运行;0.1%OW硬币识别的卡币率V0.15%023硬币未到达指定位置,并阻塞传输通道造成模块/设备无法正常运行;0.05%OW硬币识别的卡币率V0.1%024硬币未到达指定位置,并阻塞传输通道造成模块/设备无法正常运行;硬币找零的卡币率N0.15%。25硬币未到达指定位置,并阻塞传输通道造成模块/设备无法正常运行;0.1%OW硬币找零的卡币率VO.15%o26硬币未到达指定位置,并阻塞传输通道造成模块/设备无法正常运行;0.05%OW硬币找零的卡币率V0.1%027售票速度性能指标不符合技术标准要求28外观与结构外形尺寸不符合技术标准要求29配置要求硬件配置不符合技术标准要求30软件配置不符合技术标准要求31接口要求不符合技术标准要求BOM问题内容等级序号问题统计方式问题描述严重问题一般问题轻微问题1功能要求打印机问题2无法通过票箱发售票卡3无法处理一票通4无法处理一卡通5性能要求票卡未到达指定位置,并阻塞传输通道造成模块/设备无法正常运行;发售票卡的卡票率三0.15%。6票卡未到达指定位置,并阻塞传输通道造成模块/设备无法正常运行;0.1%OW发售票卡的卡票率VO.15%o7票卡未到达指定位置,并阻塞传输通道造成模块/设备无法正常运行;0.05%OW发售票卡的卡票率V0.1%08售票速度性能指标不符合技术标准要求9外观与结构外形尺寸不符合技术标准要求10配置要求硬件配置不符合技术标准要求11软件配置不符合技术标准要求12接口要求不符合技术标准要求ITVM问题内容的等级划分应符合A.40ITVM问题内容等级序号问题统计方式问题描述严重问题一般问题轻微问题1功能要求打印机问题2无法通过票箱发售票卡3无法处理一票通4无法处理一卡通5性能要求票卡未到达指定位置,并阻塞传输通道造成模块/设备无法正常运行;发售票卡的卡票率三0.15%。6票卡未到达指定位置,并阻塞传输通道造成模块/设备无法正常运行;0.1%OW发售票卡的卡票率VO.15%o7票卡未到达指定位置,并阻塞传输通道造成模块/设备无法正常运行;0.05%OW发售票卡的卡票率V0.1%08售票速度性能指标不符合技术标准要求9外观与结构外形尺寸不符合技术标准要求10配置要求硬件配置不符合技术标准要求11软件配置不符合技术标准要求12接口要求不符合技术标准要求TSM问题内容的等级划分应符合A.50TSM问题内容等级序号问题统计方式问题描述严重问题一般问题轻微问题1功能要求打印机问题2无法通过票箱发售票卡3无法处理一票通4无法处理一卡通5性能要求票卡未到达指定位置,并阻塞传输通道造成模块/设备无法正常运行;发售票卡的卡票率三0.15%。6票卡未到达指定位置,并阻塞传输通道造成模块/设备无法正常运行;0.1%OW发售票卡的卡票率VO.15%o7票卡未到达指定位置,并阻塞传输通道造成模块/设备无法正常运行;0.05%OW发售票卡的卡票率V0.1%08售票速度性能指标不符合技术标准要求9外观与结构外形尺寸不符合技术标准要求10配置要求硬件配置不符合技术标准要求11软件配置不符合技术标准要求12接口要求不符合技术标准要求PCA问题内容的等级划分应符合表A.60PCA问题内容等级序号问题统计方式问题描述严重问题一般问题轻微问题1功能要求无法处理一票通2无法处理一卡通3配置要求硬件配置不符合技术标准要求4软件配置不符合技术标准要求5接口要求不符合技术标准要求车票发售模块问题内容的等级划分应符合表A.7o车票发售模块问题内容等级划分序号问题统计方式问题描述严重问题一般问题轻微问题1功能要求备票功能不符合技术标准要求2送票功能不符合技术标准要求3票卡发售功能不符合技术标准要求4清理通道功能不符合技术标准要求5票箱状态报警功能不符合技术标准要求V6票箱切换不符合技术标准要求7固件升级功能不符合技术标准要求J8性能要求票卡发售处理速度(不考虑读写处理时间)不符合技术标准要求V9储票箱数量不符合技术标准要求V10废票箱总容量不符合技术标准要求J11储票箱总容量不符合技术标准要求12外观与结构外形尺寸不符合技术标准要求J13配置要求硬件配置不符合技术标准要求J14软件配置不符合技术标准要求V15接口要求不符合技术标准要求车票回收模块问题内容的等级划分应符合表A.80车票回收模块问题内容等级划分序号问题统计方式问题描述严重问题一般问题轻微问题1功能要求吸卡功能不符合技术标准要求2收纳功能不符合技术标准要求3退卡功能不符合技术标准要求4防止插卡功能不符合技术标准要求5废票回收功能不符合技术标准要求V6票箱切换功能不符合技术标准要求7票箱状态报警功能不符合技术标准要求8固件升级功能不符合技术标准要求V9性能要求票卡回收处理速度(不考虑读写处理时间)不符合技术标准要求10储票箱数量不符合技术标准要求11废票箱总容量不符合技术标准要求12储票箱总容量不符合技术标准要求13外观与结构外形尺寸不符合技术标准要求14配置要求硬件配置不符合技术标准要求15软件配置不符合技术标准要求16接口要求不符合技术标准要求闸门及通行控制装置问题内容的等级划分应符合表A.9o闸门及通行控制装置问题内容等级划分序号问题统计方式问题描述严重问题一般问题轻微问题1功能要求失电放行功能不符合技术标准要求2模式设置功能不符合技术标准要求3安全控制功能不符合技术标准要求4通行控制功能不符合技术标准要求

    注意事项

    本文(模块及终端问题内容的等级划分.docx)为本站会员(p**)主动上传,第壹文秘仅提供信息存储空间,仅对用户上传内容的表现方式做保护处理,对上载内容本身不做任何修改或编辑。 若此文所含内容侵犯了您的版权或隐私,请立即通知第壹文秘(点击联系客服),我们立即给予删除!

    温馨提示:如果因为网速或其他原因下载失败请重新下载,重复下载不扣分。




    关于我们 - 网站声明 - 网站地图 - 资源地图 - 友情链接 - 网站客服 - 联系我们

    copyright@ 2008-2023 1wenmi网站版权所有

    经营许可证编号:宁ICP备2022001189号-1

    本站为文档C2C交易模式,即用户上传的文档直接被用户下载,本站只是中间服务平台,本站所有文档下载所得的收益归上传人(含作者)所有。第壹文秘仅提供信息存储空间,仅对用户上传内容的表现方式做保护处理,对上载内容本身不做任何修改或编辑。若文档所含内容侵犯了您的版权或隐私,请立即通知第壹文秘网,我们立即给予删除!

    收起
    展开