欢迎来到第壹文秘! | 帮助中心 分享价值,成长自我!
第壹文秘
全部分类
  • 幼儿/小学教育>
  • 中学教育>
  • 高等教育>
  • 研究生考试>
  • 外语学习>
  • 资格/认证考试>
  • 论文>
  • IT计算机>
  • 法律/法学>
  • 建筑/环境>
  • 通信/电子>
  • 医学/心理学>
  • ImageVerifierCode 换一换
    首页 第壹文秘 > 资源分类 > DOCX文档下载
    分享到微信 分享到微博 分享到QQ空间

    混凝土试件裂缝降低系数试验方法.docx

    • 资源ID:1360297       资源大小:18.05KB        全文页数:3页
    • 资源格式: DOCX        下载积分:5金币
    快捷下载 游客一键下载
    账号登录下载
    三方登录下载: 微信开放平台登录 QQ登录
    下载资源需要5金币
    邮箱/手机:
    温馨提示:
    快捷下载时,如果您不填写信息,系统将为您自动创建临时账号,适用于临时下载。
    如果您填写信息,用户名和密码都是您填写的【邮箱或者手机号】(系统自动生成),方便查询和重复下载。
    如填写123,账号就是123,密码也是123。
    支付方式: 支付宝    微信支付   
    验证码:   换一换

    加入VIP,免费下载
     
    账号:
    密码:
    验证码:   换一换
      忘记密码?
        
    友情提示
    2、PDF文件下载后,可能会被浏览器默认打开,此种情况可以点击浏览器菜单,保存网页到桌面,就可以正常下载了。
    3、本站不支持迅雷下载,请使用电脑自带的IE浏览器,或者360浏览器、谷歌浏览器下载即可。
    4、本站资源下载后的文档和图纸-无水印,预览文档经过压缩,下载后原文更清晰。
    5、试题试卷类文档,如果标题没有明确说明有答案则都视为没有答案,请知晓。

    混凝土试件裂缝降低系数试验方法.docx

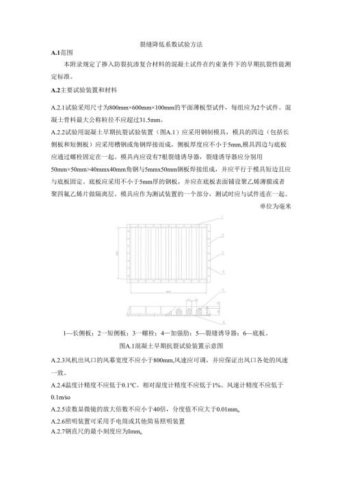
    裂缝降低系数试验方法A.1范围本附录规定了掺入防裂抗渗复合材料的混凝土试件在约束条件下的早期抗裂性能测定标准。A.2主要试验装置和材料A.2.1试验采用尺寸为800mm×600mm×100mm的平面薄板型试件,每组应为2个试件。混凝土骨料最大公称粒径不应超过31.5mm。A.2.2试验用混凝土早期抗裂试验装置(图A.1)应采用钢制模具,模具的四边(包括长侧板和短侧板)应采用槽钢或角钢焊接而成,侧板厚度应不小于5mm,模具四边与底板应通过螺栓固定在一起。模具内应设有7根裂缝诱导器,裂缝诱导器应分别用50mm×50mm>40mmx40mm角钢与5mmx50mm钢板焊接组成,并应平行于模具短边且应与底板固定。底板应采用不小于5mm厚的钢板,并应在底板表面铺设聚乙烯薄膜或者聚四氟乙烯片做隔离层。模具应作为测试装置的一个部分,测试时应与试件连在一起。单位为毫米1长侧板;2一短侧板;3一螺栓;4加强肋;5裂缝诱导器;6底板。图A.1混凝土早期抗裂试验装置示意图A.2.3风机出风口的风幕宽度不应小于800mm,风速应可调,并应保证出风口各处的风速一致。A.2.4温度计精度不应低于0.1。相对湿度计精度不应低于1%。风速计精度不应低于0.1msoA.2.5读数显微镜的放大倍数不应小于40倍,分度值不应大于0.01mmoA.2.6照明装置可采用手电筒或其他简易照明装置A.2.7钢直尺的最小刻度应为ImmoA.3试验应按下列步骤进行A.3.1试验在温度为(20±2)oC,相对湿度为(60±5)%的恒温恒湿环境下进行。A.3.2将混凝土倒入模具后,应将混凝土摊平至表面比模具边框略高。可使用平板表面式振捣器或采用捣棒插捣,并应防止过振和欠振。A.3.3振捣后用抹子整平表面,并使骨料不外露。A.3.4在试件成型30min后,立即调节风速机风速,使试件表面中心正上方100mm处风速为(5±0.2)mso风向平行于试件表面和裂缝诱导器。试件近风口端与远风口端的表面正上方100mm处的风速差不应大于2m/s。A.3.5试验时间从混凝土搅拌加水开始计算,并应在(24±0.5)h时测读裂缝。裂缝长度应用钢直尺测量,并应取裂缝两端直线距离为裂缝长度。当一个刀口上有两条裂缝时,应将两条裂缝的长度相加,折算成一条裂缝。A.3.6裂缝宽度应采用读数显微镜进行测量,应测量每条裂缝的最大宽度。A.3.7平均开裂面积、单位面积的裂缝数目和单位面积上的总开裂面积应根据混凝土浇筑24h测量得到的裂缝数据来计算。A.3.8试验结果计算每根裂缝的平均开裂面积按式(A.1)计算,单位面积的裂缝数目按式(A.2)计算,单位面积上的总开裂面积按式(A.3)计算,裂缝降低系数按式(A.4)计算。1N"帚MM)(A.1)b=上A(A.2)c=ab(A.3)cCr=×100%(A.4)CS式中:a每根裂缝的平均开裂面积,精确到Imm2/根;用第i根裂缝的最大宽度,精确到0.01mm;L1第i根裂缝的长度,精确到1mm;b单位面积的开裂裂缝数目,精确到0.1根11RN总裂缝数目,单位为条;A平板的面积,精确到O.Oln?;C单位面积上的总开裂面积,精确到Imm2/n?;Cr受检混凝土的裂缝降低系数,精确到1%;CS对比混凝土单位面积上的总开裂面积,精确到Imm211Ct受检混凝土单位面积上的总开裂面积,精确到Imm211RA.3.9每组应以2个或多个试件的平均开裂面积(单位面积上的裂缝数目或单位面积上的总开裂面积)的算术平均值作为该组试件平均开裂面积(单位面积上的裂缝数目或单位面积上的总开裂面积)的测定值。

    注意事项

    本文(混凝土试件裂缝降低系数试验方法.docx)为本站会员(p**)主动上传,第壹文秘仅提供信息存储空间,仅对用户上传内容的表现方式做保护处理,对上载内容本身不做任何修改或编辑。 若此文所含内容侵犯了您的版权或隐私,请立即通知第壹文秘(点击联系客服),我们立即给予删除!

    温馨提示:如果因为网速或其他原因下载失败请重新下载,重复下载不扣分。




    关于我们 - 网站声明 - 网站地图 - 资源地图 - 友情链接 - 网站客服 - 联系我们

    copyright@ 2008-2023 1wenmi网站版权所有

    经营许可证编号:宁ICP备2022001189号-1

    本站为文档C2C交易模式,即用户上传的文档直接被用户下载,本站只是中间服务平台,本站所有文档下载所得的收益归上传人(含作者)所有。第壹文秘仅提供信息存储空间,仅对用户上传内容的表现方式做保护处理,对上载内容本身不做任何修改或编辑。若文档所含内容侵犯了您的版权或隐私,请立即通知第壹文秘网,我们立即给予删除!

    收起
    展开