欢迎来到第壹文秘! | 帮助中心 分享价值,成长自我!
第壹文秘
全部分类
  • 幼儿/小学教育>
  • 中学教育>
  • 高等教育>
  • 研究生考试>
  • 外语学习>
  • 资格/认证考试>
  • 论文>
  • IT计算机>
  • 法律/法学>
  • 建筑/环境>
  • 通信/电子>
  • 医学/心理学>
  • ImageVerifierCode 换一换
    首页 第壹文秘 > 资源分类 > DOCX文档下载
    分享到微信 分享到微博 分享到QQ空间

    智慧城市软件测试服务费用测算参考度量示例.docx

    • 资源ID:1360168       资源大小:9.27KB       
    • 资源格式: DOCX        下载积分:5金币
    快捷下载 游客一键下载
    账号登录下载
    三方登录下载: 微信开放平台登录 QQ登录
    下载资源需要5金币
    邮箱/手机:
    温馨提示:
    快捷下载时,如果您不填写信息,系统将为您自动创建临时账号,适用于临时下载。
    如果您填写信息,用户名和密码都是您填写的【邮箱或者手机号】(系统自动生成),方便查询和重复下载。
    如填写123,账号就是123,密码也是123。
    支付方式: 支付宝    微信支付   
    验证码:   换一换

    加入VIP,免费下载
     
    账号:
    密码:
    验证码:   换一换
      忘记密码?
        
    友情提示
    2、PDF文件下载后,可能会被浏览器默认打开,此种情况可以点击浏览器菜单,保存网页到桌面,就可以正常下载了。
    3、本站不支持迅雷下载,请使用电脑自带的IE浏览器,或者360浏览器、谷歌浏览器下载即可。
    4、本站资源下载后的文档和图纸-无水印,预览文档经过压缩,下载后原文更清晰。
    5、试题试卷类文档,如果标题没有明确说明有答案则都视为没有答案,请知晓。

    智慧城市软件测试服务费用测算参考度量示例.docx

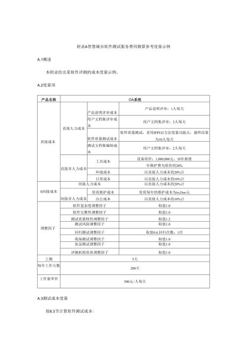
    附录A智慧城市软件测试服务费用测算参考度量示例A.1概述本附录给出某软件评测的成本度量示例。A.2度量项产品名称OA系统直接成本直接人力成本产品说明评审成本产品说明评审:1人每天用户文档集评审成本用户文档集评审:2人每天软件质量测试成本软件质量测试:采用IFPUG方法度量功能点,最终结果为10人每天测试文档集编制成本用户文档集评审:2人每天直接非人力成本工具成本设备原价:1,000,000元,10年报废年维护费为原价的20%环境成本以直接人力成本的20%计日常成本以直接人力成本的10%计S间接成本间接人力成本以直接人力成本的20%计间接非人力成本资质维护成本资质每年的维护成本为io,Ooo元办公成本以直接人力成本的10%计调整因子软件复杂度调整因子取值1.0软件完整性调整因子取值1.0测试质量特性调整因子取值1.2测试风险调整因子取值1.0回归测试调整因子取值0.6,回归次数:1次现场测试调整因子取值1.0加急测试调整因子取值1.0评测机构资质调整因子取值1.0工期5天每年工作天数200天工作量单价300元/人每天A.3测试成本度量按6.3节计算软件测试成本:

    注意事项

    本文(智慧城市软件测试服务费用测算参考度量示例.docx)为本站会员(p**)主动上传,第壹文秘仅提供信息存储空间,仅对用户上传内容的表现方式做保护处理,对上载内容本身不做任何修改或编辑。 若此文所含内容侵犯了您的版权或隐私,请立即通知第壹文秘(点击联系客服),我们立即给予删除!

    温馨提示:如果因为网速或其他原因下载失败请重新下载,重复下载不扣分。




    关于我们 - 网站声明 - 网站地图 - 资源地图 - 友情链接 - 网站客服 - 联系我们

    copyright@ 2008-2023 1wenmi网站版权所有

    经营许可证编号:宁ICP备2022001189号-1

    本站为文档C2C交易模式,即用户上传的文档直接被用户下载,本站只是中间服务平台,本站所有文档下载所得的收益归上传人(含作者)所有。第壹文秘仅提供信息存储空间,仅对用户上传内容的表现方式做保护处理,对上载内容本身不做任何修改或编辑。若文档所含内容侵犯了您的版权或隐私,请立即通知第壹文秘网,我们立即给予删除!

    收起
    展开