欢迎来到第壹文秘! | 帮助中心 分享价值,成长自我!
第壹文秘
全部分类
  • 幼儿/小学教育>
  • 中学教育>
  • 高等教育>
  • 研究生考试>
  • 外语学习>
  • 资格/认证考试>
  • 论文>
  • IT计算机>
  • 法律/法学>
  • 建筑/环境>
  • 通信/电子>
  • 医学/心理学>
  • ImageVerifierCode 换一换
    首页 第壹文秘 > 资源分类 > DOCX文档下载
    分享到微信 分享到微博 分享到QQ空间

    压力管道使用单位日管控安全检查记录表.docx

    • 资源ID:1357055       资源大小:9.63KB       
    • 资源格式: DOCX        下载积分:5金币
    快捷下载 游客一键下载
    账号登录下载
    三方登录下载: 微信开放平台登录 QQ登录
    下载资源需要5金币
    邮箱/手机:
    温馨提示:
    快捷下载时,如果您不填写信息,系统将为您自动创建临时账号,适用于临时下载。
    如果您填写信息,用户名和密码都是您填写的【邮箱或者手机号】(系统自动生成),方便查询和重复下载。
    如填写123,账号就是123,密码也是123。
    支付方式: 支付宝    微信支付   
    验证码:   换一换

    加入VIP,免费下载
     
    账号:
    密码:
    验证码:   换一换
      忘记密码?
        
    友情提示
    2、PDF文件下载后,可能会被浏览器默认打开,此种情况可以点击浏览器菜单,保存网页到桌面,就可以正常下载了。
    3、本站不支持迅雷下载,请使用电脑自带的IE浏览器,或者360浏览器、谷歌浏览器下载即可。
    4、本站资源下载后的文档和图纸-无水印,预览文档经过压缩,下载后原文更清晰。
    5、试题试卷类文档,如果标题没有明确说明有答案则都视为没有答案,请知晓。

    压力管道使用单位日管控安全检查记录表.docx

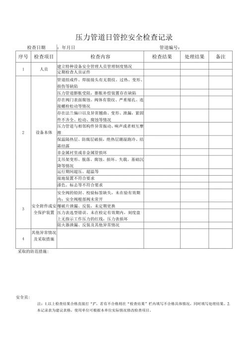
    压力管道日管控安全检查记录检查日期:年月日管道编号:序号检查项目检查内容检查结果处理结果备注1人员建立特种设备安全管理人员管理制度情况定期检查人员证件2设备本体管道组成件、焊接接头有无裂纹、过热、变形、损伤等缺陷压力管道膨胀受阻,膨胀补偿装置存在缺陷存在阀门表面腐蚀、阀体有裂纹、严重缩孔、连接螺栓松动等情况存在法兰偏口以及异常翘曲、变形、泄漏,紧固件不齐全、松动、腐蚀等情况压力管道与相邻构件异常振动、响声或者相互摩擦保温隔热层、防腐层破损,绝热层潮湿跑冷、结霜结露非金属衬里或非金属管损坏支吊架变形、脱落、腐蚀、损坏、失载、基础沉降等情况运行期间超压、超温等接地装置不符合要求漆色、标志等不符合要求3安全附件或安全保护装置安全阀的铅封、校验标签缺失,未在验有效期内;安全阀根部阀未常开爆破片泄漏、反装,未定期更换压力表选型错误、未在检定有效期内,刻度盘上无指示工作压力的红线,压力表损坏阻火器泄漏、反装及其他异常情况4其他异常情况及采取措施采取的防范措施:安全员:注:1.以上检查结果合格直接打“J”,若有不合格则在“检查结果”栏内填写不合格具体情况,同时填写处理结果。2.本记录表为建议表格,使用单位可根据本单位实际情况修改检查项目。

    注意事项

    本文(压力管道使用单位日管控安全检查记录表.docx)为本站会员(p**)主动上传,第壹文秘仅提供信息存储空间,仅对用户上传内容的表现方式做保护处理,对上载内容本身不做任何修改或编辑。 若此文所含内容侵犯了您的版权或隐私,请立即通知第壹文秘(点击联系客服),我们立即给予删除!

    温馨提示:如果因为网速或其他原因下载失败请重新下载,重复下载不扣分。




    关于我们 - 网站声明 - 网站地图 - 资源地图 - 友情链接 - 网站客服 - 联系我们

    copyright@ 2008-2023 1wenmi网站版权所有

    经营许可证编号:宁ICP备2022001189号-1

    本站为文档C2C交易模式,即用户上传的文档直接被用户下载,本站只是中间服务平台,本站所有文档下载所得的收益归上传人(含作者)所有。第壹文秘仅提供信息存储空间,仅对用户上传内容的表现方式做保护处理,对上载内容本身不做任何修改或编辑。若文档所含内容侵犯了您的版权或隐私,请立即通知第壹文秘网,我们立即给予删除!

    收起
    展开