欢迎来到第壹文秘! | 帮助中心 分享价值,成长自我!
第壹文秘
全部分类
  • 幼儿/小学教育>
  • 中学教育>
  • 高等教育>
  • 研究生考试>
  • 外语学习>
  • 资格/认证考试>
  • 论文>
  • IT计算机>
  • 法律/法学>
  • 建筑/环境>
  • 通信/电子>
  • 医学/心理学>
  • ImageVerifierCode 换一换
    首页 第壹文秘 > 资源分类 > DOCX文档下载
    分享到微信 分享到微博 分享到QQ空间

    企业目视化管理实用制度.docx

    • 资源ID:1331093       资源大小:136.79KB        全文页数:60页
    • 资源格式: DOCX        下载积分:5金币
    快捷下载 游客一键下载
    账号登录下载
    三方登录下载: 微信开放平台登录 QQ登录
    下载资源需要5金币
    邮箱/手机:
    温馨提示:
    快捷下载时,如果您不填写信息,系统将为您自动创建临时账号,适用于临时下载。
    如果您填写信息,用户名和密码都是您填写的【邮箱或者手机号】(系统自动生成),方便查询和重复下载。
    如填写123,账号就是123,密码也是123。
    支付方式: 支付宝    微信支付   
    验证码:   换一换

    加入VIP,免费下载
     
    账号:
    密码:
    验证码:   换一换
      忘记密码?
        
    友情提示
    2、PDF文件下载后,可能会被浏览器默认打开,此种情况可以点击浏览器菜单,保存网页到桌面,就可以正常下载了。
    3、本站不支持迅雷下载,请使用电脑自带的IE浏览器,或者360浏览器、谷歌浏览器下载即可。
    4、本站资源下载后的文档和图纸-无水印,预览文档经过压缩,下载后原文更清晰。
    5、试题试卷类文档,如果标题没有明确说明有答案则都视为没有答案,请知晓。

    企业目视化管理实用制度.docx

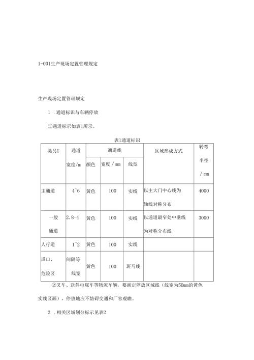
    1-001生产现场定置管理规定41-002工位器具现场管理规定91-003工具柜管理规定111-004文件柜管理规定131-005仓库规划制度151-006仓库储存区域划分细则241-007油漆使用规定261-008车间目视管理和执行标准301-009办公区目视管理推行标准352-001目视管理责任区域划分规定462-002红牌表单462-003红牌作战追踪记录表472-004红牌发行回收记录表482-005不要物处理清单492-006目视管理责任标签502-007班组目视管理评比宣传栏样式512-008放置场所的划分/点检项目522-009放置场所的标示/点检项目表532-010危险场所标示/点检项目552-011设备机台的标示/点检项目表552-012物品的指定席位(文件)和标示/点检项目562-013物品的指定席位(治具、模具)和标示/点检表572-014物品的指定席位(工具、检测具)和标示/点检项目582-015物品的指定席位(其他)和标示/点检表602-016管线的标示/点检表612-017半成品的指定席位和标示/点检项目622-018看板管理一览表622-019厂区颜色标准表642-020办公室颜色标准表642-021工业管道的颜色标准表652-022设备的颜色标准表652-023各种线的颜色使用求表662-024物品要与不要品判断基准表672-025目视管理问题票682-026红牌示例692-027红牌记录表702-028问题点调查总结表712-029标志常用材料表722-030移动管理卡732-031生产异常管理看板示例742-032生产制造命令卡752-033生产进度看板之一762-034生产进度看板之二772-035派工看板782-036部门绩效看板792-037个人绩效看板802-038不良品处理单812-039不良追踪处理看板822-040产品品质检验看板832-041供应商品质不良排行板842-042停机状况显示看板852-043设备责任看板862-044保养检查看板872-045机器保养看板882-046模具离库看板882-047交货状况看板892-048出货指示看板902-049紧急联络电话912-050急难抢救顺序看板912-051人员去向显示板922-052人员配置管理板932-053新员工介绍板942-054清扫值日看板952-055心情管理板962-056刀具交换管理板972-057设备管理板982-058库存物品揭示板992-059发货状态管理板992-060机械加工生产管理板1002-061目视管理查核表1012-062目视管理巡查判定重点表1022-063现场目视管理效果查检表1062-064目视检查跟踪表1092-065目视管理纠正及预防措施通知1102-066目视管理不良现象记录明细表Ill2-067目视管理活动自行整改项目记录表Ill2-068目视管理整改未完成项目申报单1121-001生产现场定置管理规定生产现场定置管理规定1 .通道标识与车辆停放通道标示如表1所示。表1通道标识类另U通道宽度/m通道线区域形成方式转弯半径mm颜色宽度mm线型主通道46黄色100实线以主大门中心线为轴线对称分布4000一般通道2.8-4黄色100实线以通道最窄处中垂线为对称分布线3000人行道12黄色100实线道口、危险区间隔等线宽黄色100斑马线叉车、送件电瓶车等物流车辆,要画定停放区域线(线宽为50mm的黄色实线区画),停放地应不妨碍交通和厂容观瞻。2 .相关区域划分标示见表2表2相关区域划分标识类别区域线标志牌字体颜色宽度mm线型待检区蓝色50实线蓝色白色,黑体待判区白色50实线白色黑色,黑体合格区绿色50实线绿色白色,黑体不合格区、返修区黄色50实线黄色白色,黑体废品区红色50实线红色白色,黑体毛坯区、展示区、培训区黄色50实线工位器具定置点黄色50实线物品临时存放区黄色50虚线“临时存放”字样3 .工位器具 工位器具按定置管理图的要求摆放,配备规格、数量符合要求。 塑料制品工位器具(如托盘等),颜色一律用蓝色;金属制品工位器具,颜色一律用灰白色。4 .工位上的物品 工位上的物品(工、刀、量、辅、模、夹具,计量仪器仪表)要定置摆放(如“形迹管理”)并尽可能采用标示。 工具箱内的工、刀、量、辅具等物品定位放置(如形迹管理),且只能放置与生产有关物品,箱门内面要有物品清单,清单一律贴在门的左上角。工位上的各种图表、操作卡等文件规格统一,必须定置悬挂。5 .零件及制品零件及在制品用规定的工位器具存放,并定量、定位整齐摆放不落地,大型零件、总成按规定位置、标高、整齐摆放,达到过目知数。6 .库房必须有定置管理图,有A、B、C重点管理清单,器具按零件配置并且定置摆放。零件及物品定箱、定量、定位存放,摆放整齐。7 .消防器具现场消防器具按要求定点摆放,定期检查,保持清洁、状态完好(如可采用“防呆措施”等)。8 .垃圾存放与处理生产现场划分:工业垃圾与生活垃圾。工业垃圾用黄色料箱摆放,生活垃圾用蓝色或红色料箱(桶)摆放。厂区和办公区划分:不可回收和可回收。不可回收用黄色料箱(桶)摆放,可回收用绿色料箱(桶)摆放。垃圾要分类、定点存放,定时清运,不得外溢和积压。9 .现场维修现场维修时拆卸的零件要摆放整齐,完工后及时清理场地,达到工完料净,场地清,保持现场原貌。10 .标志牌生产线名称:垂直于主通道吊设灯箱,规格:1200mm×600mm×200mm,版面内容:上半部为标志(字体:红色)和车型代号(字体:黑色);下半部为生产线名称(中、英文),红底白字(字体:黑体),双面显示;上、下部比例2:3oa)待检区:蓝色标志牌;待判区:白色标志牌;合格区:绿色标志牌;不合格区、返修区:黄色标志牌;废品区:红色标志牌。以上所有标志牌规格均为300mm×210mm×1.5mm,涂漆成相应颜色,落地放置,标志牌上字体一律用白色(待判区除外,用黑色),字体:黑体。b)毛坯区、展示区、培训区:标志牌规格为800mm×350mm×4mm,材料:铁板或塑料,版面:白底蓝字,字体为黑体,字高260mm,放置方式视具体情况而定。 工序(工位)标志牌:规格:400mm×180mm,材料:金属或塑料;版面:蓝底白字,悬挂放置。 设备状态标志牌:规格:200mm×150mm,材料:铝塑或泡沫,版面内容:上半部为“设备状态标识”名称(蓝底白字),下半部为圆,直径13Omlib内容为正常运行(绿色)、停机保养(蓝色)、故障维修(红色)、停用设备(黄色)、封存设备(橙色),指针为铝质材料。 消防器材目视板:规格:300mm×180mm,材料:铝塑或泡沫,版面内容:上半部为企业标志、消防器材目视板、编号字样,下半部有型号、数量、责任人、检查人字样和140mm×100mm透明有机板。 关键工序:400mmX300mm,材料:铝塑或泡沫,版面内容:上部为关键工序名称字样,中部为关键工序编号字样,下部为“关键工序”字样,黄底蓝字,字体:黑体。11 .警示牌 小心叉车(在通道拐弯处)、限高、禁止攀越等警示牌:规格600mm×300mm,材料:金属或塑料,版面:白底蓝字、蓝图案,悬挂放置。 出口、安全出口标志牌:规格:600mmX300mm;材料:白塑料板,版面:白底绿字、绿图案,悬挂放置。 广角镜(广视镜):在通道转弯处,悬吊不锈钢半球,球面半径为1500mmo穿戴劳保用品、防护用具等标志牌:规格300mmX300mm,铁板,白底蓝图案,悬挂放置。12 .立柱标识:字符标高4m,四面涂刷,上部字母高:300mm,下面数字高:300mm,蓝色,字体:黑体。13 .办公室及库房标识:规格300mm×80mm,材料:金属或铝塑,版面:上部为企业标志和部门名称,下部为科室或库房名称,悬挂放置于门的右上侧。14 .工作角工作角构成长方形桌,规格:1200mm×600mm×800mm或1800mm×600mm×800mm:圆形凳(两连体或三连体)、工具柜、急救箱、目视板。构成物颜色长方形桌,桌面铺绿色橡胶板或灰白色长条桌;工具柜、急救箱、目视板为灰白色;圆形凳为蓝色。1-002工位器具现场管理规定工位器具现场管理规定1目的为加强对工位器具的管理,保持干净,创造一个良好的生产和工作环境,提高效率,特制定本规定。2适用范围公司各部门工位器具的管理3细则3.1 各部门必须按规定流程申请工位器具的制作,防止工位器具的设计不合理和工位器具的浪费。3.2 工位器具必须定置摆放,不允许摆放超过规定的数量的工位器具。3. 3工位器具的摆放必须符合人机工程学原理,不允许物品超出工位器具摆放,或物品随意摆在工位器具上。工位器具内的物料须整齐摆放。4. 4做好工位器具的标识: 工位器具上要标名物料名称、数量、产地、是否关键件/重要件; 做好工位器具的定置线区域或空中标识; 工位器具内的物料必须和标示的物料相符,严禁物料混放。3.5必须保持工位器具内及四周环境无垃圾、无油污、无灰尘,干净、整洁。对工位器具漏油等给现场5S带来影响的,必须改善或报废。3.6工位器具损坏的,及时申报维修。严禁将坏的工位器具丢弃在现场。1.1 7多余的工位器具一定要办理退还手续。报废的工位器具要及时办理报废手续。严禁将多余的、报废的和暂时不使用的工位器具丢在现场和厂区外。3.8 严禁将食品、饮料瓶等垃圾和工具、工作服等在工位器具内。3.9 各部门要对工位器具编号并建议台账,做到账、卡、物相符。3.10库房和使用部门对损坏的、脏污、超截的、混放的、多放的工位器具可以拒绝接收,由此造成的停产、质量等一切损失由责任方承担。3.11各部门使用部门或库房必须做好工位器具的日常保养工作,对故意损坏或操作不当损坏的,按价赔偿。3.12各使用部门或库房必须每月月末组织对工位器具数量、卫生、保养及定置情况进行自查,将自查结果报工业工程科。3.13生产部不定期抽查,并每季度组织1次专项检查。本规定由生产部起草。1-003工具柜管理规定工具柜管理规定1目的为规范工具柜的管理,管好工具,防止工具丢失,提高工作效率,特制定本规定。2适用范围公司各部门工具柜、维修柜、个人工具柜、墙柜等3细则3.1 各部门必须按规定流程申请工具柜的制作(购买),充分利用工具柜的空间,现场不得摆放多余工具柜和利用率低的工具柜,否则工业工程科将强制收0O3.2 工具柜必须定置摆放,工具柜内的物品也必须分类并定置摆放。3.3做好工具柜的标示:工具柜表

    注意事项

    本文(企业目视化管理实用制度.docx)为本站会员(p**)主动上传,第壹文秘仅提供信息存储空间,仅对用户上传内容的表现方式做保护处理,对上载内容本身不做任何修改或编辑。 若此文所含内容侵犯了您的版权或隐私,请立即通知第壹文秘(点击联系客服),我们立即给予删除!

    温馨提示:如果因为网速或其他原因下载失败请重新下载,重复下载不扣分。




    关于我们 - 网站声明 - 网站地图 - 资源地图 - 友情链接 - 网站客服 - 联系我们

    copyright@ 2008-2023 1wenmi网站版权所有

    经营许可证编号:宁ICP备2022001189号-1

    本站为文档C2C交易模式,即用户上传的文档直接被用户下载,本站只是中间服务平台,本站所有文档下载所得的收益归上传人(含作者)所有。第壹文秘仅提供信息存储空间,仅对用户上传内容的表现方式做保护处理,对上载内容本身不做任何修改或编辑。若文档所含内容侵犯了您的版权或隐私,请立即通知第壹文秘网,我们立即给予删除!

    收起
    展开