欢迎来到第壹文秘! | 帮助中心 分享价值,成长自我!
第壹文秘
全部分类
  • 幼儿/小学教育>
  • 中学教育>
  • 高等教育>
  • 研究生考试>
  • 外语学习>
  • 资格/认证考试>
  • 论文>
  • IT计算机>
  • 法律/法学>
  • 建筑/环境>
  • 通信/电子>
  • 医学/心理学>
  • ImageVerifierCode 换一换
    首页 第壹文秘 > 资源分类 > DOCX文档下载
    分享到微信 分享到微博 分享到QQ空间

    悬挑式脚手架荷载计算常用数据、材料力学特征、轴心受压构件的稳定系数、主要构件计算范例.docx

    • 资源ID:1311742       资源大小:142.27KB        全文页数:29页
    • 资源格式: DOCX        下载积分:5金币
    快捷下载 游客一键下载
    账号登录下载
    三方登录下载: 微信开放平台登录 QQ登录
    下载资源需要5金币
    邮箱/手机:
    温馨提示:
    快捷下载时,如果您不填写信息,系统将为您自动创建临时账号,适用于临时下载。
    如果您填写信息,用户名和密码都是您填写的【邮箱或者手机号】(系统自动生成),方便查询和重复下载。
    如填写123,账号就是123,密码也是123。
    支付方式: 支付宝    微信支付   
    验证码:   换一换

    加入VIP,免费下载
     
    账号:
    密码:
    验证码:   换一换
      忘记密码?
        
    友情提示
    2、PDF文件下载后,可能会被浏览器默认打开,此种情况可以点击浏览器菜单,保存网页到桌面,就可以正常下载了。
    3、本站不支持迅雷下载,请使用电脑自带的IE浏览器,或者360浏览器、谷歌浏览器下载即可。
    4、本站资源下载后的文档和图纸-无水印,预览文档经过压缩,下载后原文更清晰。
    5、试题试卷类文档,如果标题没有明确说明有答案则都视为没有答案,请知晓。

    悬挑式脚手架荷载计算常用数据、材料力学特征、轴心受压构件的稳定系数、主要构件计算范例.docx

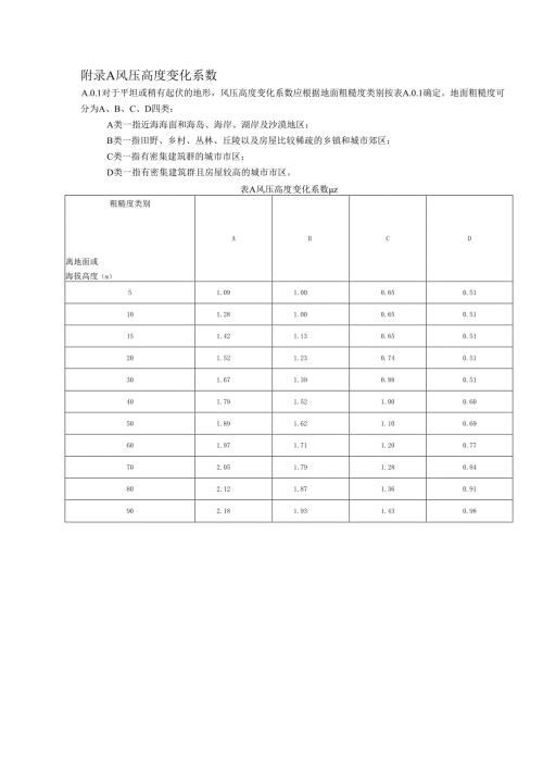
    附录A风压高度变化系数A.0.1对于平坦或稍有起伏的地形,风压高度变化系数应根据地面粗糙度类别按表A.0.1确定。地面粗糙度可分为A、B、C、D四类:A类一指近海海面和海岛、海岸、湖岸及沙漠地区;B类一指田野、乡村、丛林、丘陵以及房屋比较稀疏的乡镇和城市郊区;C类一指有密集建筑群的城市市区;D类一指有密集建筑群且房屋较高的城市市区。表A风压高度变化系数z粗糙度类别离地面或海拔高度(m)ABCD51.091.000.650.51101.281.000.650.51151.421.130.650.51201.521.230.740.51301.671.390.880.51401.791.521.000.60501.891.621.100.69601.971.711.200.77702.051.791.280.84802.121.871.360.91902.181.931.430.98附录B悬挑式脚手架荷载计算常用数据表B.1扣件式钢管脚手架每米立杆承受的结构自重标准值gk(kNm)步距(m)脚手架类型钢管规格脚手架立杆横距la(m)1.050.8纵距Ib(m)纵距Ib(m)1.21.51.82.01.21.51.82.01.8双排048X3.5内立杆0.13410.14760.16100.17000.11430.12440.13460.1413外立杆0.15800.17330.18890.19930.13820.15010.16250.1706048X3.2内立杆0.12570.13820.15060.15900.10710.11650.12580.1321外立杆0.14820.16240.17680.18650.12950.14070.15200.1596048X3.0内立杆0.12010.13190.14370.15160.10230.11120.12000.1259外立杆0.14170.15510.16880.17790.12380.13430.14510.1522048X2.8内立杆0.11450.12560.13670.14420.09750.10590.11420.1198外立杆0.13510.14780.16070.16930.11800.12800.13810.14502.0双排048X3.5内立杆0.12470.13690.14900.15710.10690.11600.12510.1312外立杆0.14790.16160.17540.18480.13000.14060.15150.1589048X3.2内立杆0.11690.12810.13930.14680.10020.10860.11700.1226外立杆0.13870.15130.16410.17280.12190.13170.14180.1486048X3.0内立杆0.11160.12220.13290.14000.09560.10360.11160.1169外立杆0.13240.14440.15670.16480.11630.12570.13530.1418048X2.8内立杆0.10640.11640.12640.13310.09110.09860.10620.1112外立杆0.12630.13760.14910.15690.11090.11970.12880.1349注:除剪刀撑、连接剪刀撑钢管的扣件、剪刀撑同立杆的扣件单独作用于外立杆外,其余结构自重标准值按平均值作用于内外立杆。表B.2悬挑式脚手架常用材料自重名称单位重量直角扣件N/个13.2旋转扣件N/个14.6对接扣件N/个18.4钢管48×3.5N/m37.648×3.2N/m34.648X3.0N/m32.648X2.8N/m30.6人员N/人800850附录C悬挑式脚手架常用材料力学特征符号:h高度:b宽度;g腹板厚度;t翼缘平均厚度;I一惯性矩;W-截面模量表c.1常用热轧普通工字钢的规格、理论重量及截面特性i-回转半径;Sx-半截面的面积矩:长度:型号1018,长519m;型号2063,长619m。型号尺寸(IDm)截面面积(cm2)理论重量(kgm)截面特性值X-X轴y-y轴hbdtrL(cm,)K(Cnl')il(cm)S1(cm1)L(cm,)W(cm3)i,(cn)10100684.57.66.53.314.311.224549.04.148.5933.09.721.5213126745.08.47.03.518.114.248877.55.2010.8546.912.681.6114140805.59.17.53.821.516.97121025.7612.064.416.11.7316160886.09.98.04.026.120.511301416.5813.893.121.21.8918180946.510.78.54.330.624.116601857.3615.412226.02.0020a2001007.011.49.04.535.527.923702378.1517.215831.52.1220b2001029.011.49.04.539.531.125002507.9616.916933.12.0622a2201107.512.39.54.842.033.034003098.9918.922540.92.3122b2201129.512.39.54.846.436.435703258.7818.723942.72.27表C.2脚手架钢管截面力学特征外径,d壁厚t截面积A(cm2)惯性矩I(cm4)截面模量W(Cm3)回转半径i(cm)每米长质量(kgm)(mm)483.54.8912.195.081.583.84483.24.5011.354.731.593.53483.04.2410.784.491.593.33482.83.9710.194.241.603.12附录D轴心受压构件的稳定系数表D.1Q235冷弯薄壁型钢轴心受压构件的稳定系数0123456789O1.0000.9970.9950.9920.9890.9870.9840.9810.9790.976100.9740.9710.9680.9660.9630.9600.9580.9550.9520.949200.9470.9440.9410.9380.9360.9330.9300.9270.9240.921300.9180.9150.9120.9090.9060.9030.8990.8960.8930.889400.8860.8820.8790.8750.8720.8680.8640.8610.8580.855500.8520.8490.8460.8430.8390.8360.8320.8290.8250.822600.8180.8140.8100.8060.8020.7970.7930.7890.7840.779700.7750.7700.7650.7600.7550.7500.7440.7390.7330.728800.7220.7160.7100.7040.6980.6920.6860.6800.6730.667900.6610.6540.6480.6410.6340.6260.6180.6110.6030.5951000.5880.5800.5730.5660.5580.5510.5440.5370.5300.5231100.5160.5090.5020.4960.4890.4830.4760.4700.4640.4581200.4520.4460.4400.4340.4280.4230.4170.4120.4060.4011300.3960.3910.3860.3810.3760.3710.3670.3620.3570.3531400.3490.3440.3400.3360.3320.3280.3240.3200.3160.3121500.3080.3050.3010.2980.2940.2910.2870.2840.2810.2771600.2740.2710.2680.2650.2620.2590.2560.2530.2510.2481700.2450.2430.2400.2370.2350.2320.2300.2270.2250.2231800.2200.2180.2160.2140.2110.2090.2070.2050.2030.2011900.1990.1970.1950.193

    注意事项

    本文(悬挑式脚手架荷载计算常用数据、材料力学特征、轴心受压构件的稳定系数、主要构件计算范例.docx)为本站会员(p**)主动上传,第壹文秘仅提供信息存储空间,仅对用户上传内容的表现方式做保护处理,对上载内容本身不做任何修改或编辑。 若此文所含内容侵犯了您的版权或隐私,请立即通知第壹文秘(点击联系客服),我们立即给予删除!

    温馨提示:如果因为网速或其他原因下载失败请重新下载,重复下载不扣分。




    关于我们 - 网站声明 - 网站地图 - 资源地图 - 友情链接 - 网站客服 - 联系我们

    copyright@ 2008-2023 1wenmi网站版权所有

    经营许可证编号:宁ICP备2022001189号-1

    本站为文档C2C交易模式,即用户上传的文档直接被用户下载,本站只是中间服务平台,本站所有文档下载所得的收益归上传人(含作者)所有。第壹文秘仅提供信息存储空间,仅对用户上传内容的表现方式做保护处理,对上载内容本身不做任何修改或编辑。若文档所含内容侵犯了您的版权或隐私,请立即通知第壹文秘网,我们立即给予删除!

    收起
    展开