欢迎来到第壹文秘! | 帮助中心 分享价值,成长自我!
第壹文秘
全部分类
  • 幼儿/小学教育>
  • 中学教育>
  • 高等教育>
  • 研究生考试>
  • 外语学习>
  • 资格/认证考试>
  • 论文>
  • IT计算机>
  • 法律/法学>
  • 建筑/环境>
  • 通信/电子>
  • 医学/心理学>
  • ImageVerifierCode 换一换
    首页 第壹文秘 > 资源分类 > DOCX文档下载
    分享到微信 分享到微博 分享到QQ空间

    离心水泵安装单元工程质量评定表.docx

    • 资源ID:1299191       资源大小:14.85KB        全文页数:2页
    • 资源格式: DOCX        下载积分:5金币
    快捷下载 游客一键下载
    账号登录下载
    三方登录下载: 微信开放平台登录 QQ登录
    下载资源需要5金币
    邮箱/手机:
    温馨提示:
    快捷下载时,如果您不填写信息,系统将为您自动创建临时账号,适用于临时下载。
    如果您填写信息,用户名和密码都是您填写的【邮箱或者手机号】(系统自动生成),方便查询和重复下载。
    如填写123,账号就是123,密码也是123。
    支付方式: 支付宝    微信支付   
    验证码:   换一换

    加入VIP,免费下载
     
    账号:
    密码:
    验证码:   换一换
      忘记密码?
        
    友情提示
    2、PDF文件下载后,可能会被浏览器默认打开,此种情况可以点击浏览器菜单,保存网页到桌面,就可以正常下载了。
    3、本站不支持迅雷下载,请使用电脑自带的IE浏览器,或者360浏览器、谷歌浏览器下载即可。
    4、本站资源下载后的文档和图纸-无水印,预览文档经过压缩,下载后原文更清晰。
    5、试题试卷类文档,如果标题没有明确说明有答案则都视为没有答案,请知晓。

    离心水泵安装单元工程质量评定表.docx

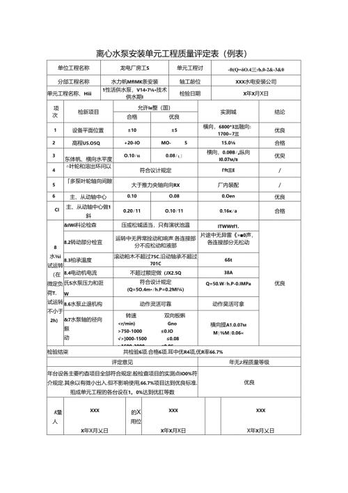
    离心水泵安装单元工程质量评定表(例表)单位工程名称龙电厂房工S单元工程讨-ft(Q=O.4三h,0-2&-3&0分郃工程名称水力帆MfIMK条安装轴工龄位XXX水电安装公司单元工程名称、Hiii1性活供水泵,V147技术供水期I检验日期X年X月X日项次检新项目允许Ie整(国)实测城结论合格优良1设备平面位置±10±5横向,6800*3三融向:17007三优良2高程U5.O5Q+20-IOMO-515.0合格3东体帆、横向水平度O.100.081.横向,0.0Ba纵向I0.07m/b优臾4叶轮和溶出环问以符合议计规定ft三E/5多泵叶轮轴向间隙大于推力央轴向向RX厂内装配/6主、从动轴中心0.10O.080.Oen优良CI主、从动轴中心做1斜0.2011O.10110.16a合格8水i试运转(在微定负荷T.试运转不小于2h)&IWi料论检森压或松城适当,只有演状池温ITWWtf1.优良8.2转动部分检宜运转中无界常拴动和响声.各连接部分不应松动和液部片途中无异雷»0声,各连接部分无松动8.3柏承温度滚动粕木不超过75C.沿动轴承不超过701C6t8.4电动机电流不超过额定做(JX2.5Q38A氏5水泵压力和诳W符合设计规定(Q=5O.4mh.P=0.2MI¼)Q=50.Wh.P-0.IMPa8.6水泵止退机构动作灵活可靠动作昊活可拿&7水泵轴的径向振动转速双向板蝌<r/min)Gno>750-10000.IO>000-15000.08>1500-30000.06横向提A1.0.07mMM0.06«检验结柒共检验6项.合格6项.耳中优R4项,优R率66.7%评定意见年无J:程质量等级年台设各主要杓杳项目全郃符合规定.般检查项目的实测点IO0%符介规定.其余以有微小出入.但不影响使用,66.7%项目达到优良标准.殂成单元工程的各台设在1。0%达到优肛等数优良K量人XXXX年X月乂日的X用位XXXX年X月X日XXXX年X月乂日填表说明填表时必须遵守“填表基本规定”,并符合本部分说明及以下要求.I.单元工程划分:以一台或数台离心泵安装为一个单元工程.2.单元工程量:地写本单元水泵安装业:台数(Q、H)。3,各项目检般方法如下。项次检一项目检验方法1设法平面位It用钢在尺检ft2环程用水准仪和钢板尺检查3集体觇、便向水平度方型水平仪检件I叶轮和海卅环间价用年铅法或富尺检查5多统饭叶花轴向间斑用制板尺或*尺粉育6主、从动一中心钢板尺、塞尺或百分衣检杳7t.从动物中心MI科塞尺或百分衣履查4.设计值按设计图填写.实测使填写实际X!址值.5 .顶次8.4电动机电流,在质晶标准栏域出额定电流值项次8.5水泵压力和流力,在侦城标准栏填出设计位9、P),项次8.7在相应转速栏用“J”标明,6 .检验结果.合格项目数,指达到合格及以上质fit标准的项目个数.7 .单元工程质量标准.合格:好台设备的主要检杳项目全部符合规定,般检在项目的实测点有90%及其以上符合规定,其余虽有也小利差但不影响使用,经试运转符合要求,组成单元工程的各台设备全部合格。Vi.(I:每台设备的检查项目全部符合合格标准,并有50%及其以上项目达到优良等级.组成单元工程的各台设备彳i50%及其以上达到优良等级。

    注意事项

    本文(离心水泵安装单元工程质量评定表.docx)为本站会员(p**)主动上传,第壹文秘仅提供信息存储空间,仅对用户上传内容的表现方式做保护处理,对上载内容本身不做任何修改或编辑。 若此文所含内容侵犯了您的版权或隐私,请立即通知第壹文秘(点击联系客服),我们立即给予删除!

    温馨提示:如果因为网速或其他原因下载失败请重新下载,重复下载不扣分。




    关于我们 - 网站声明 - 网站地图 - 资源地图 - 友情链接 - 网站客服 - 联系我们

    copyright@ 2008-2023 1wenmi网站版权所有

    经营许可证编号:宁ICP备2022001189号-1

    本站为文档C2C交易模式,即用户上传的文档直接被用户下载,本站只是中间服务平台,本站所有文档下载所得的收益归上传人(含作者)所有。第壹文秘仅提供信息存储空间,仅对用户上传内容的表现方式做保护处理,对上载内容本身不做任何修改或编辑。若文档所含内容侵犯了您的版权或隐私,请立即通知第壹文秘网,我们立即给予删除!

    收起
    展开