欢迎来到第壹文秘! | 帮助中心 分享价值,成长自我!
第壹文秘
全部分类
  • 幼儿/小学教育>
  • 中学教育>
  • 高等教育>
  • 研究生考试>
  • 外语学习>
  • 资格/认证考试>
  • 论文>
  • IT计算机>
  • 法律/法学>
  • 建筑/环境>
  • 通信/电子>
  • 医学/心理学>
  • ImageVerifierCode 换一换
    首页 第壹文秘 > 资源分类 > DOCX文档下载
    分享到微信 分享到微博 分享到QQ空间

    电气装置安装工程质量检验及评定(起重机电气装置施工质量检验).docx

    • 资源ID:1298719       资源大小:40.27KB        全文页数:9页
    • 资源格式: DOCX        下载积分:5金币
    快捷下载 游客一键下载
    账号登录下载
    三方登录下载: 微信开放平台登录 QQ登录
    下载资源需要5金币
    邮箱/手机:
    温馨提示:
    快捷下载时,如果您不填写信息,系统将为您自动创建临时账号,适用于临时下载。
    如果您填写信息,用户名和密码都是您填写的【邮箱或者手机号】(系统自动生成),方便查询和重复下载。
    如填写123,账号就是123,密码也是123。
    支付方式: 支付宝    微信支付   
    验证码:   换一换

    加入VIP,免费下载
     
    账号:
    密码:
    验证码:   换一换
      忘记密码?
        
    友情提示
    2、PDF文件下载后,可能会被浏览器默认打开,此种情况可以点击浏览器菜单,保存网页到桌面,就可以正常下载了。
    3、本站不支持迅雷下载,请使用电脑自带的IE浏览器,或者360浏览器、谷歌浏览器下载即可。
    4、本站资源下载后的文档和图纸-无水印,预览文档经过压缩,下载后原文更清晰。
    5、试题试卷类文档,如果标题没有明确说明有答案则都视为没有答案,请知晓。

    电气装置安装工程质量检验及评定(起重机电气装置施工质量检验).docx

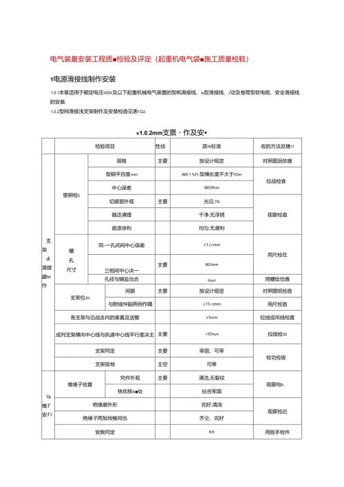
    电气装量安装工程质检验及评定(起重机电气袋施工质量检鞋)1电源滑接线制作安装1.0.1本章适用于额定电压500V及以下起重机械电气装置的型帆滑接线、Ia型滑接线、/动及卷筒型软电缆、安全滑接线的安装.1.0.2型网滑接浅支架制作及安装检杳见表1Q2,«1.0.2mm支票作及安检验项目性侦质Ift标准收的方法及辖1!支架&滑接畿M作里钢检S规格主要按设计规定对照图泯依唐型钢平百度mmW01.%f1.型横长度不大于IOm拉战检食中心误差WIOfnm切疲面外观主要光沿.Tft现察检杳镜还清理干净.无浮锈底漆涂利均匀.无潜利螺孔尺寸同-一孔间间中心俣差1.(>nun用尺检在三相间中心决一主要W2mm孔径与蝴监也合Inun用螺绘恰查支架位JH间跟主要按设计规定对照图纸检杳与附线忡谿两例作隅15<)mm用尺检杳各支架与沿战走向的垂直及送整5nn拉线或吊线检直成列支架横向中心线与执道中心线平行度决主主要<IOnun拉线检Sfi支架冏定主要率固,可率校功检皆支架按地主空可单维T安Vi维缘子检置究件外观主要清洁,无裂纹观察构It铁优核A处拈合军国绝缘磨外形完好.清浩观察检近绝缘子两旭攸飨间也齐仝、完好安我冏定KH用扳手检件ft.0.3蟹制滑接税的安装检查见表1.0.3.«1.0.3SKRMa安装i'.'r检一项目性质成城标准检5方法及JBJ1.附接安%沿妣炸接主要牢固,无变形观察检ft安装固定扉国.H能自由伸缩扳动杨百接头接触向接缝表面主要平犯、光附观察检或两侧高低圣主要O.511nn用尺杳伸缩缝何解大小Khnm用尺检查猾接面两堀i低左主焚1.mm伸缩缄跨接我MH软馒妙现察板置H1.iSJ-IK不小于电源与我容许蜕流量用干分卡尺检长长IS有伸双察检杳补悌牌设?I主要市税长大于50m或符捡建筑物伸缩继处观察检及与导线连接处导电减发tt相和电体间及导电体对地净抑主要N30mm用尺检杳分段供电册纹分段间隙允许并联运行时主要<IOnun用尺检查不允许并联运行时主契大于滑接制接触长度40mm何米绝晚托板完好、Titt现密检食间1»两姬电源相位主要-St用电Hi表检比均出线连接距离12m用尺检查洞线末项与终端支架知宓800mm相色标志齐全、正确观察检fit支架油漆f.无部引淅线中心跳与起城机轨道中心一平行度误差J-IK<!Onini用尺检杳济线相同平行度误差整体依fi外形平血观察检杳末墙余长200mm起JB机在终端位H时用尺除膏整体绝缥电见主要用非欧衣履杳安全防护装置袋役按设计规定对照图祇枝长1.0.4里铜/接段的安装检查见表1.04«1.0.4彩清接线安I'?检验项目性旗原Ift标准收的方法及SSJ!济践外就核长主要无知BU变形观察检汽接头接触而接缝外形主要平整、Jtitt观察及触摸两则宪低误差主变WOSnunJHh1.taft方与导埃连接处导电被民完整观察检ft相和导体间反导电体对地存电30mn用尺检查接夹收磔及与滑拔连接牢固.可电板动枪IS畿终端拉紧装置按改计规定对照图纸检过自由公'场装T?潜政长E25mFME用尺检查也吊沿推调节余JtmK>25m2三O.2mVi线相间艳度误差<4n¼>%拉线后用尺依杳各档加间也度误差¾:iUnui1.济规中心殴与起近"1.V1.道中心一平行度误差主要V1.omm用尺检仪济线相间平行度误差峪外形观察检近Ik优末竭氽长2200mm起重机在终除位置时用尺检/iVt*支架油漆完好现猊检侵检相色标志齐全.正确整体泡线电Ia值主要>0.5M用兆欧表检杳H安全IW护装置装设按改计规定对照图纸抬衣1.0.5滑动及卷筒型软电缆安装检锂见衣1.05,«1.0.5滑动及0款电安装Ie检睑闻目性旗质房标准检脸方法及!SJI电力外观检杳主要无机械性IttfJj:察检杳春心不肾:电缰电加。卷肾间拉力边当(起JR机停止对於陆不能自由代动)扳动物宣卷陆电境的收、故速哎主瞿与起重机移动速度一致观察松在调节用小定行狎与电缆长度适应电统线芯应力检杳在全行程中找芯无应力*1.0.5(IK)I检验项I1.性奶辰或标准检酸方法及!SJI滑环及附架冏定率胤G沱母我UW电府接触JK力主要压力近当.接触R好板动枪IS电刷与一窟间主姿能上F自由移动相握与滑环向解2mn-Im用尺检食小索拉就我跟吊索长度妥25m>0.1m用尺检查调节余M吊索长度25mS三0.2m用索必度控一造厂规定拉戌检杳沏接面外理主要ft.光擀观察愉百1»型铜滑道接籁检查两信府低误差主姿用尺检杳吊两他横向在第¾:UD1.nfn式软吊索(或附道)固定连楂率困板动检杳Ii电/悬挂装置动作主要灵活无跳动.卡IH挑动试验m电缆与电技火Ii1.定连接可承板动检过电缆夫间距WSm用尺检直软电城移动段长度m大于I5V2O%J1R机移动距离软电泳两端与起山机、惘索连接可Su申胤振动检食用宏奉引的电缆受力检查主要无外加应力观察检杳1.0.6安全沿接践的安装抬”见衣1。6。«1.0.6安全滑接线的安装I检验项I1.性质辰或标准检酸方法及!SJI安全iff投线安装悬吊央问由接畿固定有供电器或连接装双时不装设囿定央视察检杳无供电器或连接发置时裳一个加强固定央8吊炎固定主要率同扳动枪直热膨柩忡缩装员设置技制造厂规定对照厂*图检直膨瓶口补偿(可窗港接线接头电气连接可猷.导通良好通灯试验卅级中心纹)轨道中心畿平行度误差主要<IOnini拉线检近清我网平行度误差«1.0.6(tt)I-.1:'检验项I1.性质Jfifit标Jft检验方法及;SM怅体按ft外形无变形无抻漆观察松西沿线余宿K1.J200mm起IR机终端位凫'用尺检杳筌体绝缘电见主要学0.5MQ用光欧,&依ift安全防护装置安装按制造厂规定时眼厂规规定检查2控制设备安装2.0.1本*适用于桥式起重机、桥式抓斗及单轨吊车的控制设备安装.2.0.2起电机控制设备的安袋及诩整见花2Q2.*2.0.2起重机控务安奘及调.1:序检轴项目性协成fit标熊检验方法及;8J1.吼器安装电阻箱扑W科度H接我装4ffi观察检f支架胤定6ffi司机室及电器室外的电In器防护排健有防护罩观察检ft控制安操作柄至怫作室地面高收Im-1.2m用尺检查捽刎:S相互问及与操作室墙壁间和出>ISomm配纹电线管、线柏敷设安装技GB5O3O32002规定对照规而依卷电缆做a易受机械摘伤处I布油般浸蚀部位:穿蝌结构化询处有保护排旅现察检杳规格及熨号报制造厂康定对!町家坟定信代搏列整齐视察检杳固定牢做.非K1.装电观有软型保护支点距的W1.nU且均匀西曲半径固定固缆主要5倍电缆直径用尺检查移动电境主瞿NH倍电缆直径其他电段头制作及接引按6雁01681992规定对照规公核隹ftCZI问路检置正确试灯或探动检维表20.2(tt)工序检验项目性质质fit标港检验方法及!SN西*3电段制动装置动作检董主要迅速、准的拨动物It网带或网瓦与网轮间取(毛耨动状态时)无摩擦,且均匀现察板置两W独立行走机构动作时间段操动愉百制动距肉误差按制造厂段定对!HU家块定校代行程开关动作检查主要正确、可旅操动枪IS行程开关国证速度Y被控机构痔布点面行程未端如离吊的、抓斗及忠成竹I(Xhnm用尺检直桥梁及小车N200mm两台起截机间340Omm共他何偈独立行走机构的联债保护主要犬粮、ni»探动检杳/J*0f清晰Bft明专用中性线或防鹰变M器观察枪过推地母条轨m及司机空接地点数均不少于两点观察检者的连接主要4:IAi.导通良好扳动反导通依吉貌施格地找做面mm:技设计规定用尺检杳司机宛接地线用俄织软线!6mn?用尺检杳向钢-IW40×Iiiii12mm接地线安装牢因.导通良好扳动并导通校ft3滑接器及撞杆安装3.0.1本章适用于桥式起Hi机、桥式抓斗电源沿设沿接器及推杆的安装。3.0.2沿接器及撞杆安装见表3Q2.«3.0.2M及撞杆安.Wf-梭族项11性帧质M标灌校的方法及isnJttie艳缥了及绝缘套外观主要无裂纹、破报现猊检侵妙枚一面光滑,无尖锐边校导电部分对地绝级电讯主要25MQ用兆欧表精商沿楼固定连接牢固ft1.ft备安沿拉器沿滑线全长按蚀主要'坡左可第提动检置I装沿汨战全长滑动无卡见*ao,2(tt)1.序检验项目性质质后标准检验方法及潺小m平面沿接器中心我也轨吊Wemm接与滑&中心战偏移桥吊俳叼依Ct5nn君安塔形清接;a与可调滑杆间配合移动灵话操动

    注意事项

    本文(电气装置安装工程质量检验及评定(起重机电气装置施工质量检验).docx)为本站会员(p**)主动上传,第壹文秘仅提供信息存储空间,仅对用户上传内容的表现方式做保护处理,对上载内容本身不做任何修改或编辑。 若此文所含内容侵犯了您的版权或隐私,请立即通知第壹文秘(点击联系客服),我们立即给予删除!

    温馨提示:如果因为网速或其他原因下载失败请重新下载,重复下载不扣分。




    关于我们 - 网站声明 - 网站地图 - 资源地图 - 友情链接 - 网站客服 - 联系我们

    copyright@ 2008-2023 1wenmi网站版权所有

    经营许可证编号:宁ICP备2022001189号-1

    本站为文档C2C交易模式,即用户上传的文档直接被用户下载,本站只是中间服务平台,本站所有文档下载所得的收益归上传人(含作者)所有。第壹文秘仅提供信息存储空间,仅对用户上传内容的表现方式做保护处理,对上载内容本身不做任何修改或编辑。若文档所含内容侵犯了您的版权或隐私,请立即通知第壹文秘网,我们立即给予删除!

    收起
    展开