欢迎来到第壹文秘! | 帮助中心 分享价值,成长自我!
第壹文秘
全部分类
  • 幼儿/小学教育>
  • 中学教育>
  • 高等教育>
  • 研究生考试>
  • 外语学习>
  • 资格/认证考试>
  • 论文>
  • IT计算机>
  • 法律/法学>
  • 建筑/环境>
  • 通信/电子>
  • 医学/心理学>
  • ImageVerifierCode 换一换
    首页 第壹文秘 > 资源分类 > DOCX文档下载
    分享到微信 分享到微博 分享到QQ空间

    变压器变比组别试验标准化作业指导卡.docx

    • 资源ID:1294026       资源大小:10.73KB        全文页数:3页
    • 资源格式: DOCX        下载积分:5金币
    快捷下载 游客一键下载
    账号登录下载
    三方登录下载: 微信开放平台登录 QQ登录
    下载资源需要5金币
    邮箱/手机:
    温馨提示:
    快捷下载时,如果您不填写信息,系统将为您自动创建临时账号,适用于临时下载。
    如果您填写信息,用户名和密码都是您填写的【邮箱或者手机号】(系统自动生成),方便查询和重复下载。
    如填写123,账号就是123,密码也是123。
    支付方式: 支付宝    微信支付   
    验证码:   换一换

    加入VIP,免费下载
     
    账号:
    密码:
    验证码:   换一换
      忘记密码?
        
    友情提示
    2、PDF文件下载后,可能会被浏览器默认打开,此种情况可以点击浏览器菜单,保存网页到桌面,就可以正常下载了。
    3、本站不支持迅雷下载,请使用电脑自带的IE浏览器,或者360浏览器、谷歌浏览器下载即可。
    4、本站资源下载后的文档和图纸-无水印,预览文档经过压缩,下载后原文更清晰。
    5、试题试卷类文档,如果标题没有明确说明有答案则都视为没有答案,请知晓。

    变压器变比组别试验标准化作业指导卡.docx

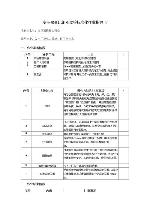
    变压器变比组别试验标准化作业指导卡实训空名称:变压器检修实训空适用专业:发电厂及电力系统、供用电技术一、作业准备阶段序号准务工作内容1试验原理讲解变压器变比组别刈试试验原理2操作人员准备穿戴各种防护用品,包括工作服等3工器具准符ZBY-V变压器变比如别测试仪一套4开工会在现场向工作班人员详细交待工作任务、安全措施和技术措俺.并让工作人员在工作票上签名.方可开始工作.序号试验内容操作方法和注意事项1接线将与仪器配套的2根4战戏夹黄、绿、红、黑)取出来,按照插头孔教对应符插头插进仪器后侧的“高压侧”和“低压俯”插孔,并且分别将规夹按照A-黄、B-绿、C-红和N-黑的顺序对应夹好,用专用连接城将试脸箱和被试变压器外壳接地.导线应连接完好,无虚接.断线现象.2刈试准备打开试验箱开关,显示屏上中间位置晶示出设世界面,旋动/按动鼠标旋钮,按照变压器怙牌上标识的卷数进行参数设IR,3进行测试确认参数设置无误后按下“测量”键.4升压测显合闸灯亮.示屏左例出现三相物出电压波形图.上侧出现逐渐开高的岛压恻电压数值和相角。5测量结果合闸灯灭表示测破结束,显示屏下到出观测ht结果,包括变压器的连接组别号当前分接位置、当前分接位置的额定变比、实际测量变比、误差和角差等.6数据打印及消弧按下“打印”键,等待打印结果.7变换分接位置手动或者电动操作变换变压器的分接位置,员上述步骤重处上述步骤测堡每一个分接位置下的变比.三、作业结束阶段序号内容注意事项清理材料、工具及场地清理工作现场,将工器具全部收拢清点,材I料及备品备件回收清点。2域写试验记录请运行人行签字确认.3数据计匏、分析与出厂试验数据及规程规定进行比较、判Hfi.得出试验结论.4结束工作票办理工作票结束手续,结束工作,人员撤离.5收工会工作负费人在检修记录上详细记录本次工作工作项目、发现的何Jff1.、试验结果和存在的问题。指导教肺监护人操作人

    注意事项

    本文(变压器变比组别试验标准化作业指导卡.docx)为本站会员(p**)主动上传,第壹文秘仅提供信息存储空间,仅对用户上传内容的表现方式做保护处理,对上载内容本身不做任何修改或编辑。 若此文所含内容侵犯了您的版权或隐私,请立即通知第壹文秘(点击联系客服),我们立即给予删除!

    温馨提示:如果因为网速或其他原因下载失败请重新下载,重复下载不扣分。




    关于我们 - 网站声明 - 网站地图 - 资源地图 - 友情链接 - 网站客服 - 联系我们

    copyright@ 2008-2023 1wenmi网站版权所有

    经营许可证编号:宁ICP备2022001189号-1

    本站为文档C2C交易模式,即用户上传的文档直接被用户下载,本站只是中间服务平台,本站所有文档下载所得的收益归上传人(含作者)所有。第壹文秘仅提供信息存储空间,仅对用户上传内容的表现方式做保护处理,对上载内容本身不做任何修改或编辑。若文档所含内容侵犯了您的版权或隐私,请立即通知第壹文秘网,我们立即给予删除!

    收起
    展开