欢迎来到第壹文秘! | 帮助中心 分享价值,成长自我!
第壹文秘
全部分类
  • 幼儿/小学教育>
  • 中学教育>
  • 高等教育>
  • 研究生考试>
  • 外语学习>
  • 资格/认证考试>
  • 论文>
  • IT计算机>
  • 法律/法学>
  • 建筑/环境>
  • 通信/电子>
  • 医学/心理学>
  • ImageVerifierCode 换一换
    首页 第壹文秘 > 资源分类 > DOCX文档下载
    分享到微信 分享到微博 分享到QQ空间

    蝴蝶阀安装单元工程质量评定表.docx

    • 资源ID:1290883       资源大小:13.97KB        全文页数:2页
    • 资源格式: DOCX        下载积分:5金币
    快捷下载 游客一键下载
    账号登录下载
    三方登录下载: 微信开放平台登录 QQ登录
    下载资源需要5金币
    邮箱/手机:
    温馨提示:
    快捷下载时,如果您不填写信息,系统将为您自动创建临时账号,适用于临时下载。
    如果您填写信息,用户名和密码都是您填写的【邮箱或者手机号】(系统自动生成),方便查询和重复下载。
    如填写123,账号就是123,密码也是123。
    支付方式: 支付宝    微信支付   
    验证码:   换一换

    加入VIP,免费下载
     
    账号:
    密码:
    验证码:   换一换
      忘记密码?
        
    友情提示
    2、PDF文件下载后,可能会被浏览器默认打开,此种情况可以点击浏览器菜单,保存网页到桌面,就可以正常下载了。
    3、本站不支持迅雷下载,请使用电脑自带的IE浏览器,或者360浏览器、谷歌浏览器下载即可。
    4、本站资源下载后的文档和图纸-无水印,预览文档经过压缩,下载后原文更清晰。
    5、试题试卷类文档,如果标题没有明确说明有答案则都视为没有答案,请知晓。

    蝴蝶阀安装单元工程质量评定表.docx

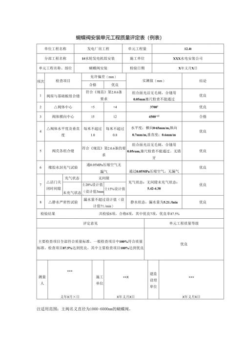
    蝴蝶阀安装单元工程质量评定表(例表)单位工程名称发电厂房工程单元工程量12.4t分部工程名称1#水轮发电机组安装施工单位XXX水电安装公司单元工程名称、部位蝴蝶阀安装检验日期X年义月X日项次检查项目允许偏差(mm)实测值(mm)结论合格优良1阀座与基础板组合缝符合规范第2.0.6条要求组合面光洁无毛刺,合缝用0.05mm塞尺检查不能通过优良2阀体中心+5+437002优良3阀体横向中心15124500+13合格4阀体水平度及垂直度每米不超过1.0每米不超过0.8水平度:横向065mm/m,纵向0.7mm/m,垂直度:0.6mm/m优良5阀壳各组合缝符合规范第2.0.6条的要求组合面光洁无毛刺,合缝用0.05ram,塞尺检查不能通过。无错牙优良6橡胶水封充气试验通0.05MPa压缩空气无漏气通过0.05MPa压缩空气,无漏气优良7活门关闭时间隙充气状态无间隙充气状态:无间隙未充气状态:5.42-4.38优良未充气状态士20%设计值(设计值5mm)士15%设计值8静水严密性试验漏水量不超过设计值(设计值71./min)静水状态,漏水量为5.21./Inin优良检验结果共检验8项,合格8项,其中优良7项,优良率87.5%评定意见单元工程质量等级主要检查项目全部符合质量标准。一般检查项目中100%符合质量标准。检查项目87.5%达到优良,其中主要检查项目100%达到优良优良测量人×××义年X月×日施工单位××XX年义月X日建监设理单位×××X年义月X日注适用范围:主阀名义直径为1000-6000mm的蝴蝶阀。填表说明填表时必须遵守“填表基本规定”,并符合本部分说明及以下要求。1.单元工程划分:以一台蝴蝶阀安装为一个单元工程。本单元是主要单元工程。2.单元工程量:填写蝴蝶阀安装量(t)。3.各项目的检验方法如下。项次检查项目检验方法说明1阀座与基础板组合缝用塞尺检查2阀体中心挂钢琴线用钢板尺检查沿水流方向的中心线,应根据蜗壳及钢管的实际中心确定3阀体横向中心用钢卷尺检查4阀体水平度及垂直度用方型水平仪检查5阀壳各组合缝用塞尺检查6镜胶水封充气试验充气在水中检查7括门关闭时间隙充气状态用塞尺检查未充气状态8静水严密性试验测量漏水量4.GB8564-88水轮发电机组安装技术规范。第2.0.6条:设备组合面应光洁无毛刺。合缝间隙用0.05mm塞尺检查,不能通过;允许有局部间隙,用0.1Omm塞尺检查,深度不应超过组合面宽度的1/3,总长不应超过周长的20%;组合螺栓及销钉周围不应有间隙。组合缝处的安装面错牙一般不超过0.10mm。5 .设计值按设计图填写,并将设计值用“(”'标明。实际测填写实际测量值。6 .合格项目数,指达到合格及以上质量标准的项目个数。7 .单元工程质量标准。合格:主要检查项目全部符合质量要求,一般检查项目实测点有90%及其以上符合要求。其余虽有微小出入,但不影响使用。优良:检查项目全部符合合格标准,并有50%及其以上检查项目达到优良标准(其中主要检查项目必须达到优良标准)。

    注意事项

    本文(蝴蝶阀安装单元工程质量评定表.docx)为本站会员(p**)主动上传,第壹文秘仅提供信息存储空间,仅对用户上传内容的表现方式做保护处理,对上载内容本身不做任何修改或编辑。 若此文所含内容侵犯了您的版权或隐私,请立即通知第壹文秘(点击联系客服),我们立即给予删除!

    温馨提示:如果因为网速或其他原因下载失败请重新下载,重复下载不扣分。




    关于我们 - 网站声明 - 网站地图 - 资源地图 - 友情链接 - 网站客服 - 联系我们

    copyright@ 2008-2023 1wenmi网站版权所有

    经营许可证编号:宁ICP备2022001189号-1

    本站为文档C2C交易模式,即用户上传的文档直接被用户下载,本站只是中间服务平台,本站所有文档下载所得的收益归上传人(含作者)所有。第壹文秘仅提供信息存储空间,仅对用户上传内容的表现方式做保护处理,对上载内容本身不做任何修改或编辑。若文档所含内容侵犯了您的版权或隐私,请立即通知第壹文秘网,我们立即给予删除!

    收起
    展开