欢迎来到第壹文秘! | 帮助中心 分享价值,成长自我!
第壹文秘
全部分类
  • 幼儿/小学教育>
  • 中学教育>
  • 高等教育>
  • 研究生考试>
  • 外语学习>
  • 资格/认证考试>
  • 论文>
  • IT计算机>
  • 法律/法学>
  • 建筑/环境>
  • 通信/电子>
  • 医学/心理学>
  • ImageVerifierCode 换一换
    首页 第壹文秘 > 资源分类 > DOCX文档下载
    分享到微信 分享到微博 分享到QQ空间

    全自动等离子(PAW)(不填丝)对接焊工艺作业指导书.docx

    • 资源ID:1286724       资源大小:14.04KB        全文页数:2页
    • 资源格式: DOCX        下载积分:5金币
    快捷下载 游客一键下载
    账号登录下载
    三方登录下载: 微信开放平台登录 QQ登录
    下载资源需要5金币
    邮箱/手机:
    温馨提示:
    快捷下载时,如果您不填写信息,系统将为您自动创建临时账号,适用于临时下载。
    如果您填写信息,用户名和密码都是您填写的【邮箱或者手机号】(系统自动生成),方便查询和重复下载。
    如填写123,账号就是123,密码也是123。
    支付方式: 支付宝    微信支付   
    验证码:   换一换

    加入VIP,免费下载
     
    账号:
    密码:
    验证码:   换一换
      忘记密码?
        
    友情提示
    2、PDF文件下载后,可能会被浏览器默认打开,此种情况可以点击浏览器菜单,保存网页到桌面,就可以正常下载了。
    3、本站不支持迅雷下载,请使用电脑自带的IE浏览器,或者360浏览器、谷歌浏览器下载即可。
    4、本站资源下载后的文档和图纸-无水印,预览文档经过压缩,下载后原文更清晰。
    5、试题试卷类文档,如果标题没有明确说明有答案则都视为没有答案,请知晓。

    全自动等离子(PAW)(不填丝)对接焊工艺作业指导书.docx

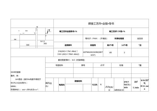
    1K焊接工艺作业指导书1O-I-.、一1.I一.i1.瞰工艺作业指导书瞰工艺评½M告OO7等内子(PAW)(不填丝)科博化程度全自动300f1.5300适用柳R标值号类JN号AJN号*注316(00Cr1.7Ni1.4Mo23161.(00Cr1.79Ni1.4Mo2)ASTMA240/240M(GB/T4237)VB2IWHf村接煤像井,体:ArH混合(其中Ar纯度不得低于99.9%;H占比例5%)MMM:年局BMtj1.:oo5tc水冷«««*:量材厚度常B1.:6-8(对接焊缝)号授材料牌号温格标海*注Wi及次J电海与律接材料电源AV充米/分Aft充米/分M子jItUI1./minWf1./minWWWf气IUt1./minPAW咬嘴孔径4.8mm或3.2mmMK*:PAW的极直径3.2mm,饰糙1等国子焊直潦正接-2502802226300*330-3.5*4.510*162025工艺要求1 .从事焊接工作的焊工,应参加焊工基本知识和操作技能培训和考试,并取得由质收技术监督部门签发的焊工合格证的人员2 .焊接前的准备检查焊机、焊枪、钙极、外保护气托盘(杆)、焊丝、焊剂、冷却水等,只有在各个系统正常的情况下才能焊接。核对工艺流通卡与待焊钢管的标识和内容,检查材质、规格、厚度等是否与工艺流通卡一致。对待焊焊缝两侧各20mm的纵向进行清理,用酒精、丙阳、棉纱、钢丝(轮)等清理影响焊接质址的油污、锈蚀等,并在酒精、丙阳完全发挥后才允许焊接。检查焊丝是否与母材匹配,焊丝是否足够焊完一道焊缝。M*A/0««审核3 .焊接时的要点焊接匚艺指导书中的匚艺参数焊接。起孤和炮弧必须在引、收弧板上进行,起弧和炮弧处应在不大于引、收弧板外边缘的50mm处。焊接电流若大于喷嘴允许的最大电流以及铛极与喷啸的不同心会造成等离子煤出现双弧现象,这是不允许的”工件表面的间距一般取35mm过而会使焊透能力降低,过低会使喷啸沾满8溅物).喷嘴的孔径决定等离子弧直径的大小,应根据使用电流和离子气流所决定。焊接时要随时观察饵接电孤情况,并视情况可对焊接参数进行微调,焊接过程中不允许停弧。4 .焊接完成后要对焊健进行自检,对自检发生的缺陷,可按相关规定进行处理,并认真填写相关记录。焊健应与母材网沿过度,不得有裂纹、气孔、咬边、未焊透、焊制、内凹等缺陷.一5.短笆件接后调运苜,必须招焊接小车移至安全位nft»日期

    注意事项

    本文(全自动等离子(PAW)(不填丝)对接焊工艺作业指导书.docx)为本站会员(p**)主动上传,第壹文秘仅提供信息存储空间,仅对用户上传内容的表现方式做保护处理,对上载内容本身不做任何修改或编辑。 若此文所含内容侵犯了您的版权或隐私,请立即通知第壹文秘(点击联系客服),我们立即给予删除!

    温馨提示:如果因为网速或其他原因下载失败请重新下载,重复下载不扣分。




    关于我们 - 网站声明 - 网站地图 - 资源地图 - 友情链接 - 网站客服 - 联系我们

    copyright@ 2008-2023 1wenmi网站版权所有

    经营许可证编号:宁ICP备2022001189号-1

    本站为文档C2C交易模式,即用户上传的文档直接被用户下载,本站只是中间服务平台,本站所有文档下载所得的收益归上传人(含作者)所有。第壹文秘仅提供信息存储空间,仅对用户上传内容的表现方式做保护处理,对上载内容本身不做任何修改或编辑。若文档所含内容侵犯了您的版权或隐私,请立即通知第壹文秘网,我们立即给予删除!

    收起
    展开