欢迎来到第壹文秘! | 帮助中心 分享价值,成长自我!
第壹文秘
全部分类
  • 幼儿/小学教育>
  • 中学教育>
  • 高等教育>
  • 研究生考试>
  • 外语学习>
  • 资格/认证考试>
  • 论文>
  • IT计算机>
  • 法律/法学>
  • 建筑/环境>
  • 通信/电子>
  • 医学/心理学>
  • ImageVerifierCode 换一换
    首页 第壹文秘 > 资源分类 > DOCX文档下载
    分享到微信 分享到微博 分享到QQ空间

    中级工2-避雷针接地电阻.docx

    • 资源ID:1283260       资源大小:25.06KB        全文页数:6页
    • 资源格式: DOCX        下载积分:5金币
    快捷下载 游客一键下载
    账号登录下载
    三方登录下载: 微信开放平台登录 QQ登录
    下载资源需要5金币
    邮箱/手机:
    温馨提示:
    快捷下载时,如果您不填写信息,系统将为您自动创建临时账号,适用于临时下载。
    如果您填写信息,用户名和密码都是您填写的【邮箱或者手机号】(系统自动生成),方便查询和重复下载。
    如填写123,账号就是123,密码也是123。
    支付方式: 支付宝    微信支付   
    验证码:   换一换

    加入VIP,免费下载
     
    账号:
    密码:
    验证码:   换一换
      忘记密码?
        
    友情提示
    2、PDF文件下载后,可能会被浏览器默认打开,此种情况可以点击浏览器菜单,保存网页到桌面,就可以正常下载了。
    3、本站不支持迅雷下载,请使用电脑自带的IE浏览器,或者360浏览器、谷歌浏览器下载即可。
    4、本站资源下载后的文档和图纸-无水印,预览文档经过压缩,下载后原文更清晰。
    5、试题试卷类文档,如果标题没有明确说明有答案则都视为没有答案,请知晓。

    中级工2-避雷针接地电阻.docx

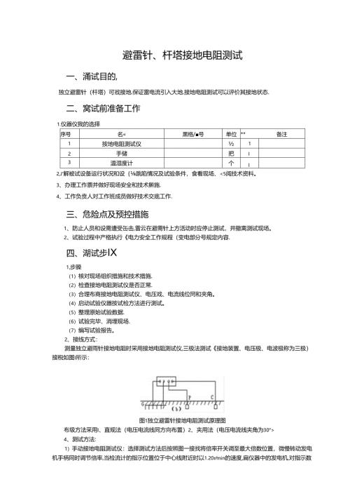
    避雷针、杆塔接地电阻测试一、涌试目的,独立避雷针(杆塔)可戕接地.保证雷电流引入大地.接地电阻测试可以评价其接地状态.二、窝试前准备工作1.仪器仪我的选择序号名«黑格/号单位*备注1按地电阻测试仪½12手储把I3温湿度计个I2,J'解被试设备运行状况和设跳陷情况及试验条件,食看现场、<5阅技术资料。3、办理工作票并做好现场安全和技术擀施.4、工作负贲人对工作班成员做好技术交底工作.三、危险点及预控措施1、防止人员和设需遭受缶击,雷云在避需针上方活动时应停止测试,井撤离测试现场。2、试验过程中产格执行电力安全工作规程(变电部分号规定内容.四、湖试步IX1,步臊(1)核对现场组织措施和技术措施.(2)检查接地电阻测试仪是否正常.(3)合理布商接地电阻测试仪、电压戏、电流线位冏和夹角。(4)启动试验仪器按试检方法进行测试。(5)整理原始试验数据.(6)试验完毕、消埋现场.(7)编写试验报告。2、接线方式:测量独立避雨针接地电阻时采用接地电阻测试仪,三极法测试接地装置、电压极、电波极称为三极)接税如图I所示:图1独立避雷针接地电阻测试原理图布级方法采用I、直规法(电压电流线同方向布置)2、夹用法(电压电流线夹角为30°>4、测试方法:1)手动接地电阻测试仪:选择测试方法后按照图一接找将倍率开关调至最大倍数位置,微慢转动发电机手柄同时调节倍率,当检流计的指示位置位于中心线附近时以1.20rmin的速度,扁仪器中的发电机,对指示数逐渐进行冏节直接读取刻度盘上的工痂接地电阻.21电动接地电阻刈试仪按说明书接线测试.五、试验要求及注意事项(1)试脸应在天气良好的情况卜进行,遇有雷雨情况时应停止测量,撤离测见现场。(2避免把电汽极和电流板布况在接地装Ji的射线上面,且不宜与接地装置的放射延长线平行或同方向布线.(3)电流极和电压极的辅助接地电阻不应超过试验仪器的规定范阳,否则会使试骁误差增大.可以通过将洲量电极更深入地插入土塘并与土堞接触良好、增加电流极等体的根数、给电流极泼水等方式降低电流极的辅助接地电阻.(4)当发现接地电阻的实测值与以往的测试结果相比有明显的增大诫减小时,应改变电极的布词方向,或附大电极的距离,虫新进行测试。(5)在工业区或居民区,地下可能具有部分或完整埋地的金属物体,如铁轨、水管或其他工业金M管道,如果测量电极布置不当,地下金属物体可能会影响测量结果.电极应布置在与金属物体垂直的方向上,弁口要求最近的测盘电极与地线管道之间的距理不小于电极之间的距离.(6)试验中应对测试点擦拭、除锈、除漆,保持仪器发央与多考点、濯试点的接触良好,减小接触电阻的影响.(7)试股时应注意保持接地电用冽试仪各端子、电极和接地装置等电气连接位式的接触良好.六、结果分析1、独立避雷针接地电阻不宜大于IoQ2、测试结果与历次测试结果比较如变化较大应多次测试,确保测出准确.3、若测试结果超出标准要求,应判定避雷针接地电阻不合格,七、考核1.场地(1)考核场地应比较开佣,其间隔具有足够的安全距离.(2)本项目应在室外进行.(3)设置1费评判桌椅和计时秒表2.时间(1)考核时间为30ain.(2)选用工器具、材料、设备,准备时间Xin,该时间不计入考核计时,(3)许可开工后记录考核开始时间,时间到停止操作,按实际完成情况予以评分。(4)现场清理完毕后,汇报试验结果,记录结束时间.3.襄点(1)现场安全文明生产。(2)检查安全工器具。(3)检查仪祥设备状态.(4)检查接地引下线状况.(5)森勘现场,合理布置仪器设法,(6)熟悉避雷针接地电阻测埴方法及相关标准要求。(7)熟练掌握接地电阻测试仪的使用方法.(8)正确确定电流极和电IK极与接地装置的距离.以及电流、电压引线之间的夹用,(9)连接测试线时正确处理测试点表面,M小接触电阻的影响,(10)编讨真实完务的试将报告,确定被试设需足否符合要求。4、评分标准行业:电力工程工种:电气试睡工等级:四城多DS402行为总域e箔定布圉考核时同30ttin埋型A总分100试IMN科:城福并接地电阻测Iit考核空点及其变求< 1>现场安全文明生产.< 2>粉Sf安全工器具.< 3>依iff仪格设的状态.< »>检Sf接地中下线伏况.< 5>资助现场,合理布置仪得改备.< 6>熟悉选雷针接地电机测nt方法及相关垢准要求“< 7>熟练掌猊接地电函解试仪的使川方法.< 8>正确碉定电而极和电压极与接地我设的距隔.以及电流、电乐引线之间的夹向.< 9>it接测试&时正婿处理测试总我向,减小接触电用的影响-< 10)编写应实完得的试总报告,确定祓试设符是否符合要求现场设备工具、村科接地电阻测试仪.手钵、湘湿度计备注考生自任工作服、绝绿鞋、安全帽、线手套对分标准序:;作业名称班房要求分值扣分标Jft扣分也因和分1试抬前准笛工作正确做城安仝粕'«工作服、穿绝年征5(1)未看工装扣5分:音装不规范,每处扣1分(2)正确选择工8»具、材M1(2)错选.漏选'物件未检三11分C)正确显行工作褥可手检(工作累、作业指导卡填写正确)5(3)未履行工作许可于做扣1分,少一项扣2分,扣完为止(4)核笫安全指施1(4)未核实安全措施扣1分(5)正确设巴退栏,放W在此工作"标识牌1(5设品及试发人员全部进场后,未全部ItH1.沌栏扣1分(6)试的设各合理进场,并检查设缶校验情猊I(6)未检作安全工具(绝缘F&.她缰挑)合格标笠的,姆处知1分:未检行设各校s介格标转的.每处扣I分:扣克为止2试找现场布n(1)正确接地2(>未检代接地机拉】分.未用惟刀处理扣1分,使川缥统接地扣2分扣完为止.(2)放置温(温)度计1(2)卡在合适的隹W放置.扣1分3试验操作<1>检查按地电祖测IA仪:检衣接地电Iae1.试仪破10(1)未对接地电阻浦试仪进行检直扣10分认仪Stt初始状态(2)正确接线I合理布置浦试仪、电启电流叫线与接地税的位;将电流电压引线的一螃与1试仪电摊电国输出正确连接,10(2)按收不正确扣10分;(3)电压域光应故T1.在电流线天下力I10(3)靖雷针M电压统夹未打广在电温线夹下方.加10分:(4)应对接岫而远行擦拭、除镌、除漆处理,H小接触电口1:6(4)未对接触面进行擦拭、除柄、除漆处理扣6分:(5)检点接畿无误IIO(5)未检簧接找扣10分I(6)测试前呼叫:5(6)浦试前来PF叫加5分:(7)正正记录雌电BHfti6(7未正确记录接电电阻徵扣6分,I试发结束<1)恢发现场状况5(3)未恢复现场扣5分.每通剖1处扣1分(接地线.电视、速栏等),扣完为止(2)汇报竣工2(2)未汇HHu2分.(3)办理结束工作票2(3)未办理扣2分。5试验记玳及-J;1(I)环境参数齐备2(D环境参数(SWhje度.天气)欠缺.扣1分(2)设备数齐备3(2)未按照试的记录的埴写设备参数,每错(少)一项扣I分,扣完为止.<3)试脸敢品齐备5(3)试验数掂欠缺,扣1分:引用初位不正确扣】分:扣克为止<4>记录试验仪器2(4)未正确记录扣2分<5)试脸结论正输5(三)没行团验结论扣5分.瞋试般结论不正确,扣5分:未与原蛤数1«比较,扣3分考试开始时间考试结束时间合计考生栏6号I曲名,所在脚位,地位,110|:考评历经成绩:考评员:安全员:考评沮长:八、原始记录试验项目运行编多环境温收r)环境科度(学)试验负贵人试验畲加入天气试的日期接地电阻位试5仪器试验站论

    注意事项

    本文(中级工2-避雷针接地电阻.docx)为本站会员(p**)主动上传,第壹文秘仅提供信息存储空间,仅对用户上传内容的表现方式做保护处理,对上载内容本身不做任何修改或编辑。 若此文所含内容侵犯了您的版权或隐私,请立即通知第壹文秘(点击联系客服),我们立即给予删除!

    温馨提示:如果因为网速或其他原因下载失败请重新下载,重复下载不扣分。




    关于我们 - 网站声明 - 网站地图 - 资源地图 - 友情链接 - 网站客服 - 联系我们

    copyright@ 2008-2023 1wenmi网站版权所有

    经营许可证编号:宁ICP备2022001189号-1

    本站为文档C2C交易模式,即用户上传的文档直接被用户下载,本站只是中间服务平台,本站所有文档下载所得的收益归上传人(含作者)所有。第壹文秘仅提供信息存储空间,仅对用户上传内容的表现方式做保护处理,对上载内容本身不做任何修改或编辑。若文档所含内容侵犯了您的版权或隐私,请立即通知第壹文秘网,我们立即给予删除!

    收起
    展开