欢迎来到第壹文秘! | 帮助中心 分享价值,成长自我!
第壹文秘
全部分类
  • 幼儿/小学教育>
  • 中学教育>
  • 高等教育>
  • 研究生考试>
  • 外语学习>
  • 资格/认证考试>
  • 论文>
  • IT计算机>
  • 法律/法学>
  • 建筑/环境>
  • 通信/电子>
  • 医学/心理学>
  • ImageVerifierCode 换一换
    首页 第壹文秘 > 资源分类 > DOCX文档下载
    分享到微信 分享到微博 分享到QQ空间

    AV轴流压缩机安装过程记录表格表单模板.docx

    • 资源ID:1280371       资源大小:86.62KB        全文页数:11页
    • 资源格式: DOCX        下载积分:5金币
    快捷下载 游客一键下载
    账号登录下载
    三方登录下载: 微信开放平台登录 QQ登录
    下载资源需要5金币
    邮箱/手机:
    温馨提示:
    快捷下载时,如果您不填写信息,系统将为您自动创建临时账号,适用于临时下载。
    如果您填写信息,用户名和密码都是您填写的【邮箱或者手机号】(系统自动生成),方便查询和重复下载。
    如填写123,账号就是123,密码也是123。
    支付方式: 支付宝    微信支付   
    验证码:   换一换

    加入VIP,免费下载
     
    账号:
    密码:
    验证码:   换一换
      忘记密码?
        
    友情提示
    2、PDF文件下载后,可能会被浏览器默认打开,此种情况可以点击浏览器菜单,保存网页到桌面,就可以正常下载了。
    3、本站不支持迅雷下载,请使用电脑自带的IE浏览器,或者360浏览器、谷歌浏览器下载即可。
    4、本站资源下载后的文档和图纸-无水印,预览文档经过压缩,下载后原文更清晰。
    5、试题试卷类文档,如果标题没有明确说明有答案则都视为没有答案,请知晓。

    AV轴流压缩机安装过程记录表格表单模板.docx

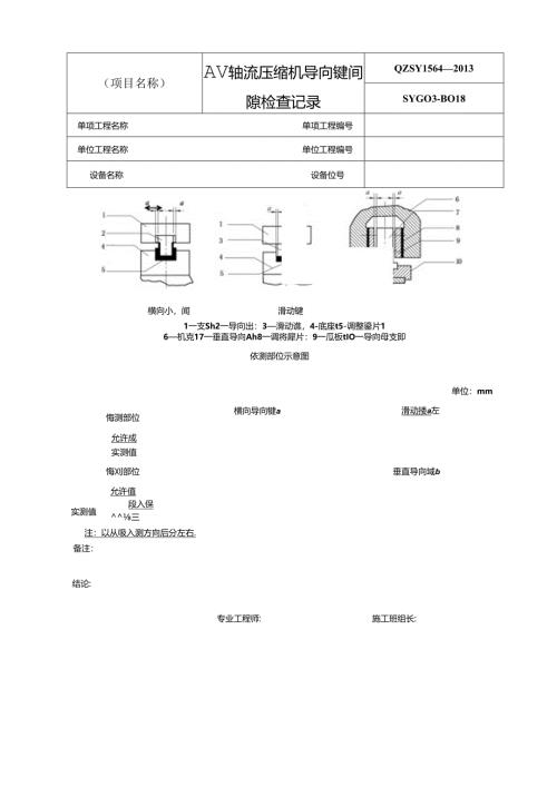
    (项目名称)AV轴流压缩机导向键间隙检查记录QZSY15642013SYGO3-BO18单项工程名称单项工程编号单位工程名称单位工程编号设备名称设备位号横向小,闻滑动键1一支Sh2一导向出:3滑动谯,4-底座t5-调整鎏片16机克17一垂直导向Ah8一调将犀片:9一瓜板tIO一导向母支即依测部位示意图单位:mm实测值悔测部位允许成实测值悔刈部位允许值段入保三注:以从吸入测方向后分左右.备注:结论:横向导向犍a专业工程师:滑动搂a左垂直导向域b施工班组长:(项目名称)AV轴流压缩机支腿间隙检查记录Q/SY15642013SYG03-B019单攻工程名称单项工程编号单位J1.程名称单位J1.程编号设备名称设备位号"97II-螺栓I2-%M.3-支Bh4-滑动键;5节鎏片16-底座检测部位示意图单位:mm检测部位编号abCiCsCiCA允许他实测但啜入侧左右排出恻左右注:V从吸入到方向看分左右.备注:结论:质盘检查员:年月日专业工程师:扉月日施工班组长:年月日(项目名称)AV轴流压缩机伺服马达检查记录Q/SY15642013SYGO3-BO2O单项工程名称单项工程编号碓位工程名称通位工程编号设符名称设得位号I-伺服4达I2传动点I3一连杆I4-传动板Jt外t5一锁素螺母I6-U1.节缸I7-机光I8-1.IS节缸支探检测部位示意图检测部位八mmBmmCmm第一皱静叶角度<I8J>O指针中间位置mm伺服马达行程mm允许值实测值在右Jth女中A为一叶改在中间开度.指计指在标尺中位处时,连杆外端面间山.注2:夫中8为一级静叶MJ角度在中间开度,指针指在标尺中仆处时传动注3:我中C为一簸静叶为角度在中阿开度,指针指在标尺中位处时,调节RV长爆以外瑞面淘传动板转筒我与何服马达方谁端而向外.缸选'1端城面与机壳何距.需注:结论:质度检查员:专业工程师:做工班组长:(项目名称)AV轴流压缩机静叶角度开度检查记录Q/SY15642013SYGO3-BO21单项工程名称单项工程编号单位工程名称第位工程编号设备名称设备位号-J1.检测部位示意图单位:°静叶编号O123456U最小开度允许值实测值间度中开允许值实测值大度M开允许值实测值涉叶编号78910111213U小度最开允许值实测值间度中开允许值实测值收大开度允许值实测位检杳项目检杳结果1调节虹在前死点位置时,一姐静叶桥最小极限角符合产品技术文件规定,沛叶”不接触2调节缸在后死点位置时,一级静叶栅最大极限角符合产品技术文件规定3一皴静叶概特殊角、标尺和伺服马达位移对应关系符合产品技术文件规定结H3U质At检查员:年月日专业工程师:年月日施工班组长:年月E1.口测部位示意图单位:mm检测部位支撑套与导杆支撑滑道与滑板DdCabC允i:值吸入侧¾S!H推出侧备注:(项目名称)AV轴流压缩机调节缸两侧支撑装配间隙检查记录Q/SY15642013SYGO3-BO22单项工程名称单项工程桀号单位工程名称单位工程嫔号设备名林设备位号克掠食与导什支内滑道。滑板结论:质琥检查员:专业工程师:施工班组长;年月日年月曰年月日(项目名称)AV轴流压缩机静叶驱动环与滑块间隙检查记录QZSY15642013SYCK)3-B023单项工程名称单项工程编号单位J1.程名称值位工程编号设备名称设符位号检测部位示超图单位:Inm级别1234567C允许值实舞值驱动环。滑块6间隙C级别891011121314C允许色实测值驱动环“滑块。间隙C备注;结论:质量检杳员:专业工程师I施工班组长:年月日年月日年月日(项目名称)AV轴流压缩机转子跳动量检查记录Q/SY15642013SYG()3-B024单项工程名称总项工程编号单位工程名称舱位工程编号设曾名称设符位号I6jU10171.76®J_43F11.一鞋1_检测部位示意图总位:mm检测部位编号AB12345678允许依实测值检测部位编号91011121314151617允许依实测值注I机!S实际结构与本表格测点示Jfc得注中说明.%不一致M.测点东点图应机据机器实际结构既制片编号,编号部位名称在备注:结论:质量检杳员:年月t专业工程,MI年月日施工班组长:年月H(项目名称)转子迷宫密封检查记录Q/SY15642013SYGO3-BO25单项工程名称单项工程端号单位工程名称单位工程嫔号设备名称设备位号检测部位口入口仰:口左恻OTfWJ口上部口底部:口出口蒯:口左M口右仰口上部口底部/2i3号力向B号力同-C_:_2Uh_耳J上-广J则部位示】检前图单位:mm检测部位编号允许伯实测值12345678910径向间原a轴向间隙b检测部位编号允许值11121314151617181920径向间隙a轴向间隙b检测部位编号允许值21222324252627282930径向间隙«轴向间隙b备注8结论:质量检直员:年月日专业工程师:年月曰施工班组长:年月日(项目名称)AV轴流压缩机叶顶间隙检查记录Q/SY1564-2013SYG03-B026单项工程名称单项工程编号单位工程名称单位工程编号设备名称设备位号检测部位口入口恻;口左侧口右恻口上部口底部;口出口侧;口左恻口右僻口上部口底部DJgJWr<,1IIJCj检测部位示意图单位:mm间隙动叶顶a静叶原bCt(允许值检测部位级相编号径向ab轴向CiC-检测部位级册编号径向ab轴向C注:从入口向出口方向看.分左侧和右以法注:结论:质册检查员:年月H专业工程帅:年月H66工班组长:年月H(项目名称)转子位置检查记录Q/SY15642013SYG()3-B027第项工程名称单项工程解号单位工程名称单位工程编号设备名称设备位号10,-a.F-JIo-C1,'T1.T&Ib径向位8(从吸入则看轴向位置检测部位示意图单位:mm检测部位转子与轴承箱体杼子与下缸体吸入侧排出恻吸入侧排出侧回Osd。2Q小Qaa:允许值实测值检测部位b.bi允许值实测值备注:结论:质埴检查员:专业工程师:施工班组长:年月日年月日年月H

    注意事项

    本文(AV轴流压缩机安装过程记录表格表单模板.docx)为本站会员(p**)主动上传,第壹文秘仅提供信息存储空间,仅对用户上传内容的表现方式做保护处理,对上载内容本身不做任何修改或编辑。 若此文所含内容侵犯了您的版权或隐私,请立即通知第壹文秘(点击联系客服),我们立即给予删除!

    温馨提示:如果因为网速或其他原因下载失败请重新下载,重复下载不扣分。




    关于我们 - 网站声明 - 网站地图 - 资源地图 - 友情链接 - 网站客服 - 联系我们

    copyright@ 2008-2023 1wenmi网站版权所有

    经营许可证编号:宁ICP备2022001189号-1

    本站为文档C2C交易模式,即用户上传的文档直接被用户下载,本站只是中间服务平台,本站所有文档下载所得的收益归上传人(含作者)所有。第壹文秘仅提供信息存储空间,仅对用户上传内容的表现方式做保护处理,对上载内容本身不做任何修改或编辑。若文档所含内容侵犯了您的版权或隐私,请立即通知第壹文秘网,我们立即给予删除!

    收起
    展开