欢迎来到第壹文秘! | 帮助中心 分享价值,成长自我!
第壹文秘
全部分类
  • 幼儿/小学教育>
  • 中学教育>
  • 高等教育>
  • 研究生考试>
  • 外语学习>
  • 资格/认证考试>
  • 论文>
  • IT计算机>
  • 法律/法学>
  • 建筑/环境>
  • 通信/电子>
  • 医学/心理学>
  • ImageVerifierCode 换一换
    首页 第壹文秘 > 资源分类 > DOCX文档下载
    分享到微信 分享到微博 分享到QQ空间

    星级饭店工程部安全监控系统保养.docx

    • 资源ID:1271573       资源大小:12.99KB        全文页数:2页
    • 资源格式: DOCX        下载积分:5金币
    快捷下载 游客一键下载
    账号登录下载
    三方登录下载: 微信开放平台登录 QQ登录
    下载资源需要5金币
    邮箱/手机:
    温馨提示:
    快捷下载时,如果您不填写信息,系统将为您自动创建临时账号,适用于临时下载。
    如果您填写信息,用户名和密码都是您填写的【邮箱或者手机号】(系统自动生成),方便查询和重复下载。
    如填写123,账号就是123,密码也是123。
    支付方式: 支付宝    微信支付   
    验证码:   换一换

    加入VIP,免费下载
     
    账号:
    密码:
    验证码:   换一换
      忘记密码?
        
    友情提示
    2、PDF文件下载后,可能会被浏览器默认打开,此种情况可以点击浏览器菜单,保存网页到桌面,就可以正常下载了。
    3、本站不支持迅雷下载,请使用电脑自带的IE浏览器,或者360浏览器、谷歌浏览器下载即可。
    4、本站资源下载后的文档和图纸-无水印,预览文档经过压缩,下载后原文更清晰。
    5、试题试卷类文档,如果标题没有明确说明有答案则都视为没有答案,请知晓。

    星级饭店工程部安全监控系统保养.docx

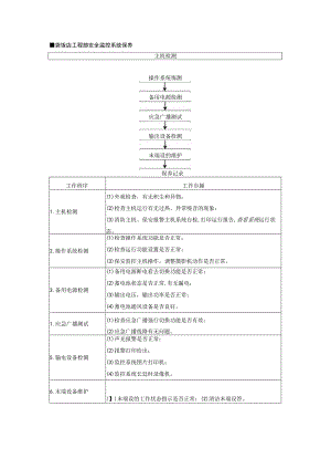
    袋饭店工程部安全监控系统保养主机检测操作系统悔测备用电源检测应急广播测试输出设备检测末端设的维护保养记录工作程序工作步臊1.主机检测(1)外观检查,有无积尘和异物:(2)检查主机运行有无过热、异常噪音的现象:(3)消防主机、保安报警主机系统自检,打印运行报告,查看系统运行状态。2.操作系统检测(1)检查操作系统功能是否正常:(2)检查运行功能设置是否正常:(3)保安监控主机操作,调整摄影机动作是否正常,3.备用电源检测(1)备用电源断电看去切换功能是否正常:(2)蓄电池状态是否正常.有无漏电:(3)输出电压,输出功率是否正常;(4)蓄电池通风设备是否良好。1.应急广播测试(1)检查应急广播强行切换功能是否有效:(2)应急广播线路有无问题。5.输电设备检测(1)声光报警是否正常:(2)报警打印给出:(3)监控系统图片打印机;(4)监控系统长廷时录像机。6.末端设备维护(】)末端设的工作状态指示是否正常:(2)清洁末端设答。7.保养记录详细记录保井情况,整理存档.

    注意事项

    本文(星级饭店工程部安全监控系统保养.docx)为本站会员(p**)主动上传,第壹文秘仅提供信息存储空间,仅对用户上传内容的表现方式做保护处理,对上载内容本身不做任何修改或编辑。 若此文所含内容侵犯了您的版权或隐私,请立即通知第壹文秘(点击联系客服),我们立即给予删除!

    温馨提示:如果因为网速或其他原因下载失败请重新下载,重复下载不扣分。




    关于我们 - 网站声明 - 网站地图 - 资源地图 - 友情链接 - 网站客服 - 联系我们

    copyright@ 2008-2023 1wenmi网站版权所有

    经营许可证编号:宁ICP备2022001189号-1

    本站为文档C2C交易模式,即用户上传的文档直接被用户下载,本站只是中间服务平台,本站所有文档下载所得的收益归上传人(含作者)所有。第壹文秘仅提供信息存储空间,仅对用户上传内容的表现方式做保护处理,对上载内容本身不做任何修改或编辑。若文档所含内容侵犯了您的版权或隐私,请立即通知第壹文秘网,我们立即给予删除!

    收起
    展开