欢迎来到第壹文秘! | 帮助中心 分享价值,成长自我!
第壹文秘
全部分类
  • 幼儿/小学教育>
  • 中学教育>
  • 高等教育>
  • 研究生考试>
  • 外语学习>
  • 资格/认证考试>
  • 论文>
  • IT计算机>
  • 法律/法学>
  • 建筑/环境>
  • 通信/电子>
  • 医学/心理学>
  • ImageVerifierCode 换一换
    首页 第壹文秘 > 资源分类 > DOCX文档下载
    分享到微信 分享到微博 分享到QQ空间

    混凝土小型空心砌块砌体工程施工技术.docx

    • 资源ID:1263667       资源大小:126.71KB        全文页数:11页
    • 资源格式: DOCX        下载积分:5金币
    快捷下载 游客一键下载
    账号登录下载
    三方登录下载: 微信开放平台登录 QQ登录
    下载资源需要5金币
    邮箱/手机:
    温馨提示:
    快捷下载时,如果您不填写信息,系统将为您自动创建临时账号,适用于临时下载。
    如果您填写信息,用户名和密码都是您填写的【邮箱或者手机号】(系统自动生成),方便查询和重复下载。
    如填写123,账号就是123,密码也是123。
    支付方式: 支付宝    微信支付   
    验证码:   换一换

    加入VIP,免费下载
     
    账号:
    密码:
    验证码:   换一换
      忘记密码?
        
    友情提示
    2、PDF文件下载后,可能会被浏览器默认打开,此种情况可以点击浏览器菜单,保存网页到桌面,就可以正常下载了。
    3、本站不支持迅雷下载,请使用电脑自带的IE浏览器,或者360浏览器、谷歌浏览器下载即可。
    4、本站资源下载后的文档和图纸-无水印,预览文档经过压缩,下载后原文更清晰。
    5、试题试卷类文档,如果标题没有明确说明有答案则都视为没有答案,请知晓。

    混凝土小型空心砌块砌体工程施工技术.docx

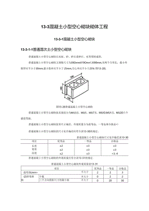
    13-3混凝土小型空心砌块砌体工程13-3-1混凝土小型空心砌块13-3-1-1普通混次土小型空心砌块普通混凝土小型空心砌块以水泥、砂、碎石或卵石、水等预制成的。普通混凝土小型空心砌块主规格尺寸为39OmmX19Omn1.XI90mm,有两个方形孔,最小外壁厚应不小于30mm,最小肋库应不小丁25mm,空心率应不小于25%(图13-20).图13-20普通混凝土小型空心砌块普通混凝土小型空心砌块按其强度分为MU3.5、MU5、MU7.5、MUIO,MU1.5、MU20六个强度等级。普通混凝土小型空心砌块按其尺寸偏差、外观质量分为优等品、一等品和合格品)普通混凝土小型空心砌块的尺寸允许偏差应符介表13-30的规定。普通混凝土小型空心砌块尺寸允许偏差表13-30项目优等品一等品合格品长度±2±3±3宽度±2±3±3而度±2±3+3.-4普通混凝土小型空心砌块的外观质量应符合表13-31的规定.普通混凝土小型空心砌块外观质量表13-31项目优等品一等品合格品(I)弯曲(mm>不大于223(2)掉角缺个数不大于022桢三个方向投影尺寸的最小值不大于02030(nn)(3)裂纹延伸的投影尺寸累计(mm)不大于020普通混凝土小型空心砌块的抗压强度应符合表I332的规定。普通混凝土小型空心砌块强度表13-32强度等级两块抗压强度MPa)5块平均值不小于单.块最小值不小于MU3,3.52.8MU55.04.0MU7.57.56.0MU1.O10.08.0MU1515.012.0MU2020.016.013-3-1-2轻骨料混混土小型空心砌块轻骨料混凝上小型空心砌块以水泥、轻骨料、砂,水等预制成的.轻骨料混凝土小型空心砌块主规格尺寸为390mmX190mm×190mm,按其孔的排数有:单排孔、双排孔、三排孔和四排孔等四类。轻骨料混凝土小型空心砌块按其密度分为:500、600,700、800、900、1000、1200、1400八个密度等级。轻骨料混凝土小型空心砌块按其强度分为:MU1.5、MU2.5、MU3.5、MU5、MU7.5、MU1.o六个强度等级。轻骨料混凝土小型空心砌块按尺寸偏差、外观J贞房分为:优等品、等品和合格品。轻骨料混凝土小型空心砌块的尺寸允许偏差应符合表13-33的规定。轻骨料混凝土小型空心砌块尺寸允许偏差表13-33项目优等品一等品合格品长度±2±3±3宽度±2±3±3而度±2士3+3,-4注;最小外壁原和助厚不应小于20mm.轻骨料混凝土小型空心砌块的外观质地应符合表13-34的规定。轻骨料混凝土小型空心砌块外观质量表1334项目优等品一等品合格品(1)缺桢掉角(个数)不多于0223个方向投影的最小值(mm)不大于02030(2)裂缝延伸投影的累计尺寸mm)不大于O2030轻骨料混凝土小型空心砌块的密度应符合表13-35的规定,其规定值允许最大偏差为I(X)kg"/.轻骨料混凝土小型空心砌块密度表13-35密度等级砌块干燥表现密度的范围密度等级砌块干操表现密度的意阚5WSOO90081090060()510600IWX)91(MOoo70()610-70012001010-1200Soo710-80014001210-1400轻骨料混凝土小型空心砌块的抗压强度,符合表13-36要求齐为优等品或一等品:密度等级范围不满足要求者为合格品。轻骨料混凝土小型空心砌块强度表13-36强度等被砌块抗压强度(MPa)梆度等级范围不大于5块平均值不小于单块最小佗不小于MU1.51.51.2S(X)MU2.52.52.0MU3.53.57.8I2(X)MU55.04.0MU7.57.56.014(«MUIO10.08.013-3-2混凝土小型空心砌块砌体13-3-2-1一般构造要求混凝上小型空心砌块砌体所用的材料,除满足强度计兑要求外,尚应符合下列要求:1 .对室内地面以下的砌体,应采用普通混凝十.小砌块和不低丁M5的水泥砂浆。2 .五层及五层以上民用建筑的底层墙体,应采用不低于MU5的混凝土小砌块和M5的砌筑砂浆.在墙体的卜列部位,应用C20混凝土滩实砌块的孔洞:1 .底层室内地面以下或防潮层以下的砌体:2 .无圈梁的楼板支承面下的一皮砌块;3 .没有设置混凝土垫块的屋架、梁等构件支承面卜.,高度不应小于600mm,长度不应小64)Omm的砌体:筋直径不应小于6mm。拉结件应沿竖向梅花形布置,拉结件的水平和竖向最大间距分别不宜大于800mm和6(X)mm:对有振动或有抗真设防要求时,其水平和欧向最大间距分别不宜大于800mm和400mm,当采用钢筋片作拉结件,片横向钢筋的直径不应小于4mm,其间距不应大丁4(X)mm:片的竖向间距不宜大于600mm,对有振动或有抗震设防要求时,不宜大于40OnImn拉结件在叶墙上的搁置长度,不应小于叶墙厚度的2/3,并不应小于60mm,13-3-2-3芯柱设里增体的下列部位宜设置芯柱:1 .在外堵转角、楼梯间四角的纵横墙交接处的三个孔洞,宜设巴素混凝土芯柱:2 .五层及五层以上的房屋,应在上述部位设置钢筋混凝土芯柱。芯柱的构造要求如下:1 .芯柱截面不宜小于12OmnIX120mm.宜用不低于C20的细石混凝土浇灌:2 .钢筋混凝土芯柱每孔内插竖筋不应小丁110,底部应伸入室内地面下50Omm或与基础圈梁锚固,顶部与屋盖圈梁锚固;3 .在钢筋混凝土芯柱处,沿墙高每隔60Omm应设小4钢筋片拉结,每边伸入墙体不小于60Omm(图13-23);>600转角处卜用筋网片一钢筋网片卜芯柱-芯柱,>600>600支接处I图13-23钢筋混凝土芯柱处拉筋4 .芯柱应沿房屋的全高贯通,并与各层圈梁整体现浇,可采用图13-24所示的做法。多孔板一芯柱钢筋抖普圈梁模板、1。8+小砌块图13-24芯柱贯穿楼板的构造在68度抗真设防的建筑物中,应按芯柱位置要求设置钢筋混凝土芯柱:对医院、教学楼等横墙较少的房屋,应根据房屋增加层的层数,按表13-37的要求设置芯柱。抗震设防区混凝土小型空心砌块房屋芯柱设置要求表13-37房屋层数设置部位设置数量6度7度8度四外墙转角、楼梯间四角、大房间内外墙交接处外墙行角淋实3个孔;内外墙交接处濯实4个孔五四三六五四外墙转角、楼悌间四角、大房间内外墙交接处,山墙与内纵墙交接处,隔开间横堵(轴线)与外纵墙交接处七六五外墙转角.楼梯间四角.各内墙(轴线)与外地交接处:8度时,内纵堵与横墙(轴横)交接处和洞口两侧外墙转角灌实5个孔:内外墙交接处淞实4个孔:内塔交接处版实4-5个孔:洞门两恻各灌实1个孔芯柱竖向插筋应贯通墙身且与圈梁连接:插筋不应小于1巾12。芯柱应伸入室外地下50Omm或锚入浅于500mm基础圈梁内.芯柱混凝土应贯通楼板,当采用装配式钢筋混凝土楼板时,可采用图1325的方式实施贯通措施。图13-25芯柱贯通楼板措施抗震设防地区芯柱与墙体连接处,应设置由4钢筋片拉结,钢筋片每边伸入境内不宜小于1m,且沿墙高每隔60Omm设四。13-3-2-4小砌块施工普通混凝土小砌块不宜浇水:当天气干燥炎热时,可在砌块上稍加喷水润湿;轻集料混凝土小砌块施工前可洒水,但不宜过多。龄期不足28d及潮湿的小砌块不得进行砌筑。应尽信采用主规格小砌块,小砌块的强度等级应符合设计要求,并应清除小砌块表面污物和芯柱用小砌块孔洞底部的毛边。在房屋四角或楼梯间转角处设立皮数杆,皮数杆间距不得超过5m0皮数杆上应画出各皮小砌块的高度及灰缝吃度。在皮数杆上相对小砌块上边线之间拉准线,小砌块依准线砌筑。小砌块砌筑应从转角或定位处开始,内外墙同时砌筑,纵横墙交错搭接.外地转角处应使小砌块隔皮露端面;T字交接处应使横墙小砌块隔皮般端面,纵堵在交接处改砌两块辅助规格小砌块(尺寸为290mm×19()mm×I9()mn,一头开口),所有露端面用水泥砂浆抹平(图13-26).图13-26小砌块墙转角处及T字交接处砌法小砌块应对孔错缝搭砌.上下皮小砌块竖向灰缝相互错开19()mm°个别情况当无法对孔砌筑时,普通混凝土小砌块错缝长度不应小于90mm,轻骨料混凝土小砌块错缝长度不应小于12Omn1.:当不能保证此规定时,应在水平灰缝中设置2巾4钢筋片,钢筋片每端均应超过该垂直灰维,其长度不得小于300mm(图13-27),<90)啊锅筋网片函图13-27水平灰缝中拉结筋小砌块砌体的灰缝应横平竖直,全部灰缝均应铺填砂浆;水平灰缝的砂浆饱满度不得低于90%:竖向灰缝的砂浆饱满度不得低于80%;砌筑中不得出现睹缝、透明健。水平灰维厚度和赌向灰宽度应控制在872mm:当缺少辅助规格小砌块时,砌体通缝不应超过两皮砌块。小砌块砌体临时间断处应砌成斜槎,斜槎长度不应小T斜槎离度的2/3(一般按一步脚手架高度控制):如留斜槎有困难,除外墙转角处及抗震设防地区,砌体临时间断处不应留直槎外,可从砌体面伸出20Omm砌成阴阳槎,并沿砌体高每一皮砌块(600mm),设拉结筋或钢筋片一,接槎部位宜延至门窗洞口(图13-28)o图13-28小砌块砌体斜槎和直接承戊砌体严禁使用断裂小砌块或壁肋中有蟠向凹形裂缝的小砌块砌筑;也不得采用小砌块与烧结普通砖等其他块体材料混合砌筑。小砌块砌体内不宜设脚手眼,如必须设置时,可用辅助规格190mmX190mmX19Omm小砌块侧砌,利用其孔洞作脚手眼,砌体完工后用C15混凝土填实。但在砌体卜.列部位不得设置脚手眼:1 .过梁上部,与过梁成60°角的:角形及过梁路度1/2范围内:2 .宽度不大于80Omm的窗间墙;3 .梁和梁型下及左右各50Omm的范困内:4 .门窗涧口两侧20Omm内和砌体交接处400mn的范围内:5 .设计规定不允许设脚手眼的部位。小砌块砌体相邻工作段的高度差不得大于个楼层高度或4m常温条件下,普通混凝土小砌块的日砌筑高度应控制在1.8m内:轻件料混凝土小砌块的日砌筑高度应控制在2.4m内。对砌体表面的平整度和垂直度,灰缝的厚度和砂浆饱满度应随时检查,校正偏差。在砌完每一楼层后,应校核砌体的轴线尺寸和标高,允许范圉内的轴线及标高的偏差,可在楼板面上予以校正。13-3-2-5芯柱施工芯柱部位宜采用不封底的通孔小砌块,当采用半封底小砌块时,砌筑前必须打掉孔洞毛边.在楼(地)面砌筑第一皮小砌块时,在芯柱部位,应用开口砌块(成U形砌块)砌出操作孔,在操作孔(W面宜预留连通孔,必须清除芯柱孔涧内的杂物及削掉孔内凸出的砂浆,用水冲洗干净,校正钢筋位置并绑扎或焊接固定后,方可浇灌混凝土。芯柱钢筋应与基础或基珈梁中的预埋钢筋连接,上下楼房的钢筋可在楼板面上搭接,搭接长度不应小于40d(d为钢筋直径)。

    注意事项

    本文(混凝土小型空心砌块砌体工程施工技术.docx)为本站会员(p**)主动上传,第壹文秘仅提供信息存储空间,仅对用户上传内容的表现方式做保护处理,对上载内容本身不做任何修改或编辑。 若此文所含内容侵犯了您的版权或隐私,请立即通知第壹文秘(点击联系客服),我们立即给予删除!

    温馨提示:如果因为网速或其他原因下载失败请重新下载,重复下载不扣分。




    关于我们 - 网站声明 - 网站地图 - 资源地图 - 友情链接 - 网站客服 - 联系我们

    copyright@ 2008-2023 1wenmi网站版权所有

    经营许可证编号:宁ICP备2022001189号-1

    本站为文档C2C交易模式,即用户上传的文档直接被用户下载,本站只是中间服务平台,本站所有文档下载所得的收益归上传人(含作者)所有。第壹文秘仅提供信息存储空间,仅对用户上传内容的表现方式做保护处理,对上载内容本身不做任何修改或编辑。若文档所含内容侵犯了您的版权或隐私,请立即通知第壹文秘网,我们立即给予删除!

    收起
    展开